Regard MC Manual

Page 1

WARNINGS AND INSTRUCTION MANUAL

COMPACT MC

REGARD SIX

MC 39

READ THESE WARNINGS AND INSTRUCTIONS BEFORE USING THE FIREARM

2 YOUR OWNER'S MANUAL y y y European American Armory Corporation 1426 King Street Cocoa, FL 32922 (321) 639-4842
TABLE OF CONTENTS

FIREARM SAFETY

Safe firearms handling is the most important consideration of anyone who uses firearms and ammunition. Please take a few minutes to thoroughly read and understand this instruction manual. You should completely understand this manual before you practice loading, unloading and firing with live ammunition. Remember, firearms safety does depend on you!

Serial No.

Date Purchased:

Purchased From:

DISCLAIMER OF LIABILITY

! !
5
7

Safety levers of Compact MC, Tuğra, Mare located on slide. Slidesafety is ambidextrous and convenient

for different hand types. Safety lever functions as Decocker. Decocker lever allows the hammer to be dropped on a live cartridge without risk of discharging it by covering the firing pin.

9
SLIDE SAFETY/DECOCKER FRAME SAFETY
MC 17 - MC 21 - COMPACT MC - TUĞRA MC 18 - MC 39 2. Barrel 3 S Assembly 4 Frame (Grip and trigger group) frame
10
off the trigger. FRAME SAFETY [MC 39]
frame 3 1 FRAME SAFETY [MC 39]
pull
12 FRAME SAFETY [MC 39]
frame
downward 3 FRAME SAFETY [MC 39]
UP 14 FRAME SAFETY [MC 39]
T 5 FRAME SAFETY [MC 39]
16 FRAME SAFETY [MC 39]
1 2 3 4 S 7 FRAME SAFETY [MC 39]
Th T barrel 18 FRAME SAFETY [MC 39]

off the trigger.

OTHER 19
SLIDE SAFETY/DECOCKER [REGARD MC- COMPACT MC - REGARD SIX]
20 SLIDE SAFETY/DECOCKER [REGARD MC - COMPACT MC - REGARD SIX]
21 SLIDE SAFETY/DECOCKER [REGARD MC - COMPACT MC - REGARD SIX]
22 SLIDE SAFETY/DECOCKER [REGARD MC - COMPACT MC - REGARD SIX]
23 SLIDE SAFETY/DECOCKER [REGARD MC - COMPACT MC - REGARD SIX]
24 SLIDE SAFETY/DECOCKER [REGARD MC - COMPACT MC - REGARD SIX]
25 SLIDE SAFETY/DECOCKER [REGARD MC - COMPACT MC - REGARD SIX]
26 SLIDE SAFETY/DECOCKER [REGARD MC - COMPACT MC - REGARD SIX]
27 SLIDE SAFETY/DECOCKER [REGARD MC - COMPACT MC - REGARD SIX]
28
GENERAL FEATURES Frame and
19
35
36

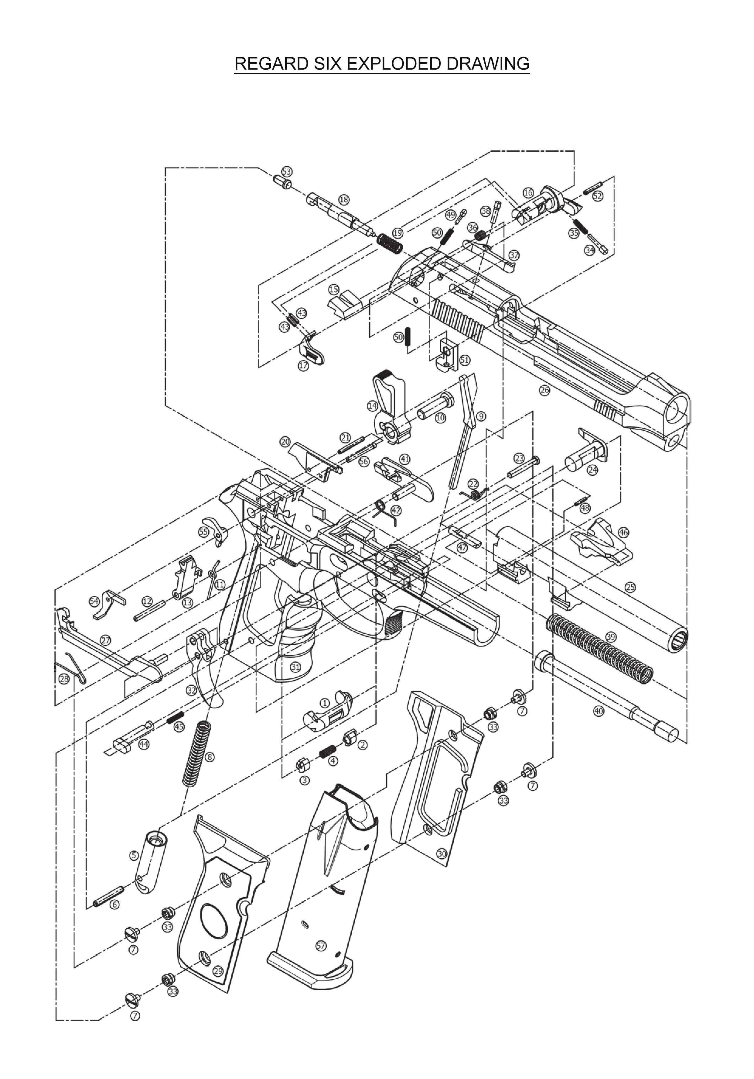
COMPACT MC EXPLODED DRAWING

33 7 7 33 6 5 28 8 44 45 12 13 11 4 3 1 2 33 7 7 22 14 23 10 9 42 40 39 24 33 15 16 17 18 19 20 21 25 26 27 29 30 31 32 34 35 36 37 38 46 47 48 49 50 50 51 52 53 54 55 56 57 43 43 41
37
38
39
40
41

Models supplied with optical dot sights: warranty for firearm does not cover optical dot sight. Warranty for optical dot sight is supplied by manufacturer of optical dot sight.

42
43

A los niños los atraen las armas de fuego y las pueden hacer funcionar. Estas pueden causarses lesiones graves y la muerte. Evite que los niños tengan acceso a las armas de fuego guardándolas siempre con llave y descargadas cuando no las esté utilizando. Si usted tiene un arma de fuego cargada en un lugar en que un niño tiene acceso a ella y la usa indebidamente, le pueden dar una multa o enviarlo a la carcel.

Turn static files into dynamic content formats.

Create a flipbook
Issuu converts static files into: digital portfolios, online yearbooks, online catalogs, digital photo albums and more. Sign up and create your flipbook.
Regard MC Manual by EAA Corp - Issuu