WARNINGS AND INSTRUCTION MANUAL
COMPACT MC
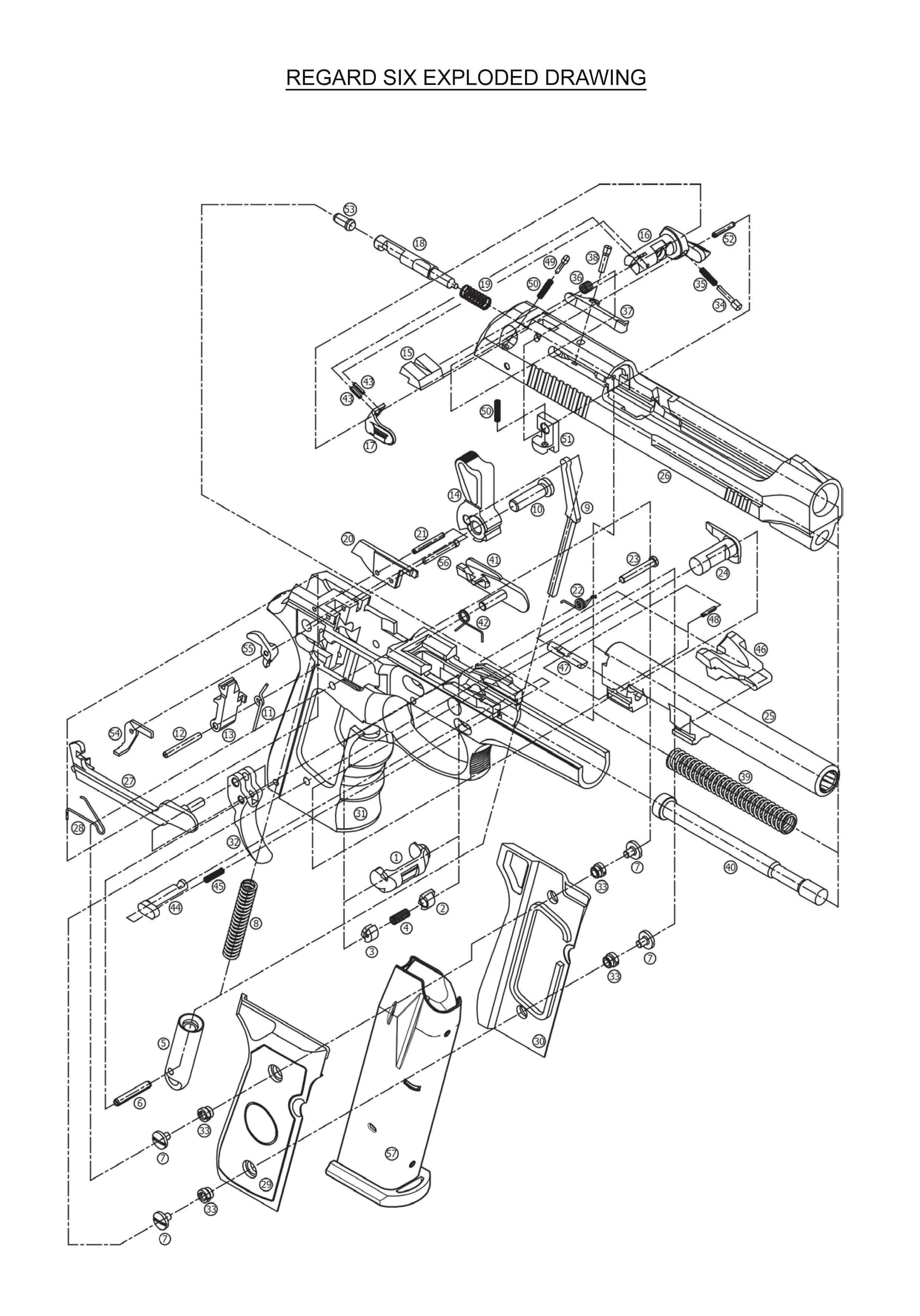
REGARD SIX
MC 39




READ THESE WARNINGS AND INSTRUCTIONS BEFORE USING THE FIREARM


COMPACT MC
REGARD SIX
MC 39
READ THESE WARNINGS AND INSTRUCTIONS BEFORE USING THE FIREARM
Safe firearms handling is the most important consideration of anyone who uses firearms and ammunition. Please take a few minutes to thoroughly read and understand this instruction manual. You should completely understand this manual before you practice loading, unloading and firing with live ammunition. Remember, firearms safety does depend on you!
Serial No.
Date Purchased:
Purchased From:
Safety levers of Compact MC, Tuğra, Mare located on slide. Slidesafety is ambidextrous and convenient
for different hand types. Safety lever functions as Decocker. Decocker lever allows the hammer to be dropped on a live cartridge without risk of discharging it by covering the firing pin.
off the trigger.
Models supplied with optical dot sights: warranty for firearm does not cover optical dot sight. Warranty for optical dot sight is supplied by manufacturer of optical dot sight.
A los niños los atraen las armas de fuego y las pueden hacer funcionar. Estas pueden causarses lesiones graves y la muerte. Evite que los niños tengan acceso a las armas de fuego guardándolas siempre con llave y descargadas cuando no las esté utilizando. Si usted tiene un arma de fuego cargada en un lugar en que un niño tiene acceso a ella y la usa indebidamente, le pueden dar una multa o enviarlo a la carcel.