WARNINGS AND INSTRUCTION MANUAL
SEMIAUTOMATIC FIREARMS
®
MODELS: WITNESS2311® SC OFFICER,WITNESS2311® C COMMANDER, WITNESS2311 S ® GOVERNMENT, WITNESS2311® SC BRAT T SS S MATCH X, WITNESS2311® HUNTER WITNESS2311® S MATCH
READ THESE WARNINGS AND INSTRUCTIONS BEFORE USING FIREARM
WARNING: If you have a Nickel finish model you must oil and maintainitasifitwereBlueSteel.
WARNING: DO NOT USE +P Ammo or High Velocity High Pressure Ammunition (factory or hand-loaded).
Page 2
INDEX
TECHNICAL SPECIFICATIONS
Pages 3-4 WARNINGS
Pages 5-6 SAFETY
e 7
Pages 9-10
/ SAFETY FEATURES s 11-12 LOADING
Page 13 UNLOADING
Pages 13-14
Page 15-16
Pages 16-17 ASSEMBLY
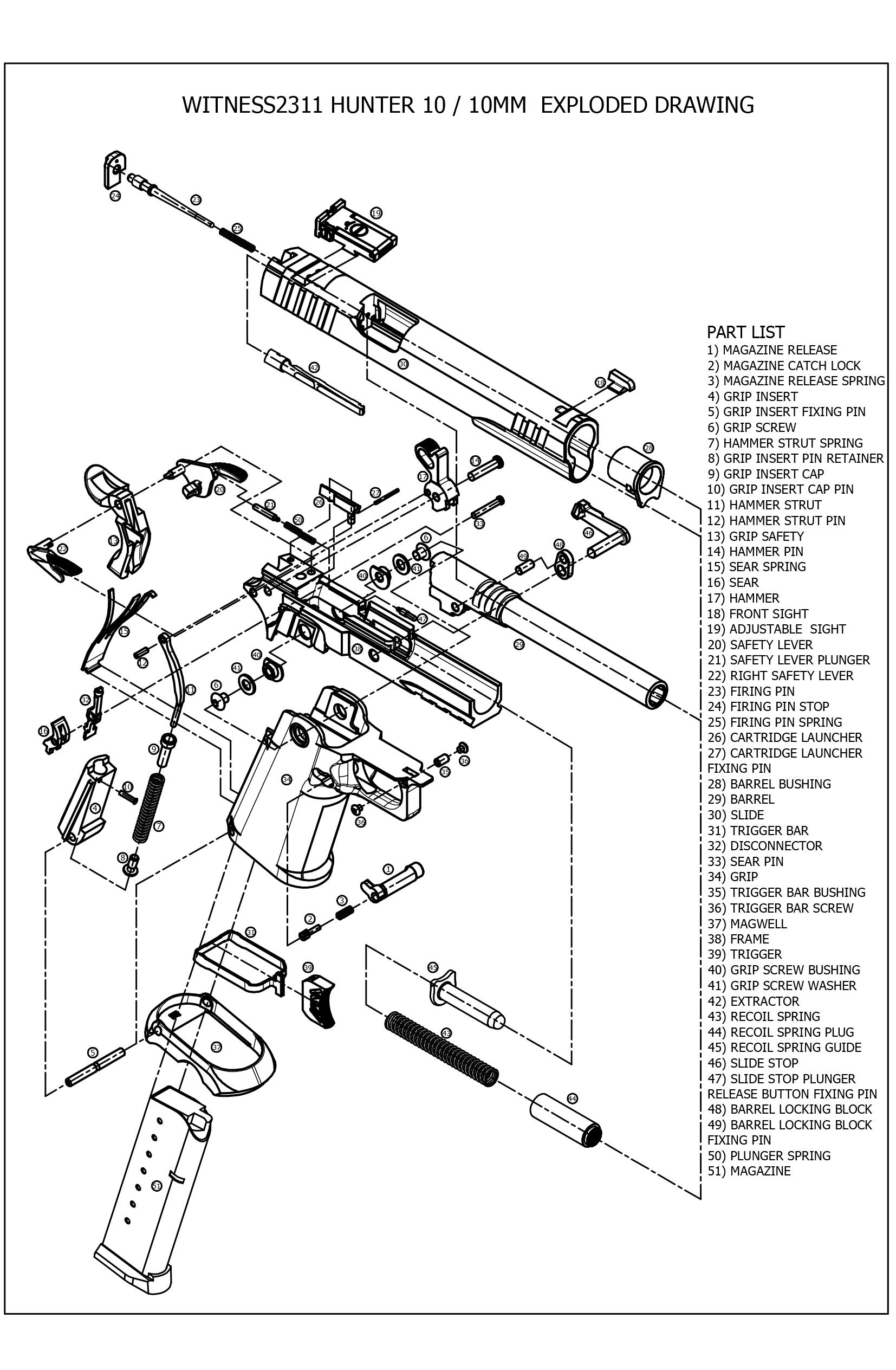
Pages 18-21 WITNESS2311 EXPLODED VIEW
Pages 22-23 CLEANING / WARNINGS
Page 24
Page 25
TECHNICAL SPECIFICATIONS
WARRANTY
/ MANUFACTURER
DISCLAIMER OF LIABILITY: Neither EAA Corp or Girsan, shall be responsible for product malfunctioning or for physical injury, death or damage to property resulting from either intentional or accidental discharge of this firearm, its criminal or negligent use, improper or careless handling, unauthorized modifications or alterations, use of defective or improper or hand-loaded or (replaced) ammunition, or from its use for purposes or subjection to treatment for which it was not designed. For your safety, use only original high quality commercially manufactured ammunition in good condition that is appropriate to the caliber/gauge of your gun. EAA Corp and Girsan shall not be responsible for product or its result from use of defective, improper or reloaded ammunition. EAA Corp and Girsan reserve the right to add to/modify the content of this manual at any time.
Note: This manual was prepared to include instructions for all WITNESS2311 models. Photographs shown in this manual may not be from the exact model that you have but the instructions will still apply.
WARNING : YOU RISK PERSONAL INJURY OR DEATH BY HANDLING THIS FIREARM
Before handling any firearm, make sure you know the safety procedures and most importantly, keep the firearm pointed in a safe direction.
Before handling this firearm, read, understand and follow the instructions in this manual. Always keep this manual with the firearm. If you lend, give or sell this firearm, be sure the manual goes with it. If there is anything you do not understand, seek advice from someone qualified in safe handling of firearms. You must ALWAYS obey the following warnings, instructions and safety procedures:
1. Always keep the muzzle pointed in a safe direction.
2. Firearms should be unloaded and secured when not actually in use.
3. Don’t rely on your firearm’s safety.
4. Be sure of your target and what’s beyond it.
5. Use only proper ammunition matching the precise caliber of your specific pistol.
6. If your pistol fails to fire when the trigger is pulled, handle with care.
7. Always wear ear and eye protection when shooting.
8. Be sure the barrel is clear of obstructions before shooting.
9. Don’t alter or modify your firearm and have it serviced regularly.
10. Learn the mechanical and handling characteristics of your pistol.
11. Shoot sober!
FOR YOUR SAFETY AND THE SAFETY OF OTHERS
, this owner’s manual contains important warnings, instructions and safety procedures which must be understood BEFORE using this firearm. Read the ENTIRE MANUAL and if you do not understand any part of it or the operation of your pistol, stop and seek professional firearms instruction. You can get a copy of this manual from European American Armory Corp. upon request
Record the serial number of your firearm (located on the receiver on the right hand side):
Seller and Purchase Date
Description
Make a copy of this manual, proof of purchase/sales record for safekeeping in a secure safe or fireproof container. Such proof is necessary if the firearm is damaged, stolen or sent in for warranty repair.
Type Of Ammunition To Be Used
It is suggested that high quality commercially manufactured ammunition be used in this firearm. Avoid military surplus or old ammunition as it may not fire with sufficient force to expel the projectile from the barrel. The use of reloaded, high pressure or handloaded ammunition can be dangerous and will void the warranty.
LEAD WARNING: The actual firearm does not contain any lead; however, it does fire ammunition which contains lead or lead compounds known to the State of California to cause cancer, birth defects, reproductive toxicity, and other serious physical injury. Those who discharge a firearm, stand near someone who discharges a firearm or clean firearms are hereby warned of the dangers presented by lead and lead compounds and should take protective health measures. Avoid exposure to lead while handling and wash your hands after contact. Proper air ventilation is absolutely necessary when shooting indoors.
WARNING: These products can expose you to chemicals including LEAD, which is known to the State of California to cause cancer and birth defects or other reproductive harm. For more information go to www.P65Warnings.ca.gov.
ADVERTENCIA: Este producto puede exponerle a químicos incluyendo PLOMO, que es conocido por el Estado de California como causante de cáncer y defectos de nacimiento u otros daños reproductivos. Para mayor información, visite www.P65Warnings.ca.gov.
NOTICE
SEMI-AUTOMATIC PISTOLS ARE CLASSIFIED AS FIREARMS OR DANGEROUS WEAPONS and are sold by European American Armory Corp. with the specific understanding that we are not responsible in any manner whatsoever for their safe handling or resale under local laws and regulations. European American Armory Corp. shall not be responsible in any manner whatsoever for malfunctioning of the firearm, for physical injury or for property damage resulting in whole or in part from (1) intentional or negligent discharge, (2) improper or careless handling, (3) unauthorized modifications and/or alteration of the internal/safety mechanisms, (4) defective, improper, high pressure, hand-loaded, or reloaded ammunition, (5) corrosion and/or lack of proper maintenance (6) neglect, or (7) other influences beyond our direct and immediate control. This limitation applies regardless of whether liability is asserted on the basis of contract, negligence or strict liability (including any failure to warn). Under no circumstance shall European American Armory Corp. be liable for incidental or consequential damages, such as loss of use of property, commercial loss and loss of earnings or profits.

WARNING (EYE AND EAR PROTECTION) - When shooting, full eye and ear protection is mandatory at all times. Shooters and spectators must wear shooting glasses and hearing protection to prevent eye injury and hearing loss. Vision and hearing impairment can occur with only one moment of non-protection.
FOLLOWING THESE SAFETY RULES CAN SAVE YOUR LIFE OR THE LIFE OF SOMEONE ELSE
Get competent firearms instruction in safe handling before using this firearm. Please ask your dealer for names of qualified instructors near you. All guns are extremely dangerous if carelessly handled or used. Remember that the firearm user is the primary “safety” and that reliance on any mechanical safety device should never replace safe handling procedures.
This firearm WILL FIRE if a cartridge is in the chamber and the trigger is pulled while the safety is disengaged.
DO NOT LOAD THIS PISTOL UNTIL YOU UNDERSTAND HOW IT
OPERATES.
KEEP this pistol unloaded at all times except when you are ready to fire and are sure of your target.
ALWAYS carry this pistol in a case or original box unloaded.
NEVER point this pistol at anything that is not your intended target even if the pistol is unloaded. When loading, unloading, cleaning or handling, always be sure the muzzle is pointed in a safe direction and always keep your finger off the trigger.
NEVER assume any gun is unloaded. Before handling, check to make sure the chamber is empty. See Unloading Instructions. Make sure you know that this or any firearm is fully unloaded before displaying or handling it. When handling any firearm, keep your fingers away from the trigger at all times until you intend to fire.
Get instructions from a competent firearms instructor before using this or any firearm. Learn from a professional how to handle, load, unload, operate, fire and care for your gun.
NEVER PLAY with your firearm. It is not a toy and can be a very dangerous weapon that can cause serious personal injury or death.
Always keep the gun pointed in a safe direction. Treat every gun as if it is loaded...all the time. NEVER point any firearm (loaded or unloaded) at any person or anything you do not intend to shoot. Always keep your gun unloaded until ready to use and make sure that it is unloaded before cleaning.
Keep your finger OFF the trigger until you are actually aiming at the target and ready to shoot. Learn to rest your finger outside of the trigger guard.
Never rely on a gun’s “safety” to protect you from unsafe gun handling. A safety is only a mechanical device, not a substitute for using common sense and following gun safety procedures.
Never leave a gun unattended or where it could fall.
Store guns and ammunition separately beyond the reach of children. Make sure that they are properly secured so untrained individuals and children will be denied access to your guns and ammunition.
Test your gun’s operation and safeties only at a shooting range while the firearm is pointed in a safe direction.
If a gun fails to fire when the trigger is pulled, keep it pointed down range at the target for 60 seconds. Sometimes slow primer ignition will cause a “hang fire” and the cartridge will go off after a short pause. If it still fails to fire, keep the muzzle pointed in a safe direction and avoid exposure to the breech, as you attempt to unload your firearm.
FOLLOWING THESE SAFETY RULES CAN SAVE YOUR LIFE OR THE LIFE OF SOMEONE ELSE
Know your target and what is beyond. Ask yourself what your projectile will hit if it misses the target or passes through the intended target. Remember, a fired projectile can travel over a mile (including a ricochet) and is capable of going through walls. Never shoot at hard flat surfaces or water . . . bullets ricochet.
Guns and alcohol or drugs do not mix. Don’t take any alcoholic beverages and/or drugs before or during shooting activities.
Never pull a gun toward you by the muzzle. Don’t climb a tree, cross a ditch or fence with a loaded gun.
Always empty guns before entering a house, car, truck, boat, RV, camp or any building.
When receiving a gun, always open the action and check to make sure the chamber is unloaded.
NEVER accept anyone’s word that a gun is “unloaded” or “empty.” You should immediately open the action and check to make sure it is unloaded.
Be careful with ALL ammunition. Even “blank” cartridges are deadly at close range due to the muzzle blast. Make sure your ammunition is new and in good clean condition. Do NOT oil or grease ammunition as this may damage the cartridge primer. Do NOT tamper with or alter the standard factory ammunition.
Keep firearms unloaded when not actually in use. Load the gun only when on the range preparing to fire and unload it before leaving the range.
Never put your hand over the muzzle of a gun.
ALWAYS WEAR protective shooting glasses and hearing protection when using firearms.
Spectators should be at least 10 feet behind and away from the shooter while the shooter is loading, shooting and unloading. Spectators should wear eye and ear protection and avoid distracting those shooting their firearms.
Never drop your gun. If you do drop it, unload it and check it for proper function before using it again.
Do NOT alter or modify your gun. Don’t try to change your gun’s trigger pull, because it may affect sear engagement and thereby cause accidental firing.
Do NOT remove any internal safety or safety device on the firearm. Safety mechanisms are designed to help protect you from personal injury or death.
Properly maintain and keep your gun clean. Keep it in a dry place away fromother metals and water. If your gun shows sign of corrosion or improper operation, have it serviced by a competent gunsmith.
Keep the muzzle pointed in a safe direction when loading and unloading your gun. Never point the muzzle at anyone.
Never let water, snow, mud or other material enter the barrel. Always be sure the barrel is free of any obstruction.
FOLLOWING THESE SAFETY RULES CAN SAVE
YOUR
LIFE OR THE LIFE OF SOMEONE ELSE
Use the correct ammunition for your firearm. (See Ammunition Warning)
Teach children: 1. NOT to touch guns, bullets, cartridges, shells, flares or any explosive device and 2. That if they discover such a dangerous item or weapon, they must immediately report its location to their parents, school teacher or police.
Remember a firearm has the capability of taking your life or the life of someone else. Be careful with your firearm - an accident is almost always the result of not following basic safety rules.
Use the Cable Lock Provided with your Pistol
This pistol comes with a cable lock to assist in protecting against unauthorized use. The pistol must be unloaded when the security lock and block are in place on the pistol.
WARNING: Using the cable lock and block or lockable case cannot substitute for securing your firearm and ammunition in separate, locked locations.
The cable lock operates as follows:
A) Remove security lock and block from its package that came with the firearm.
B) Begin by locking the slide in the open position. Then feed one end of the cable through the magazine well up through the ejection port of the slide. Finally, insert the cable into the lock block (See Figure A)
C) Begin by locking the slide in the open position. Then insert the cable through the ejection port and into the barrel, until it reaches the end of the barrel. Now insert into the lock block (See Figure B).
WARNING Always store the key to the cable lock: (1) in a separate location away from the pistol; (2) in a secure location unknown and not accessible to others, especially children. Whether you secure your firearms by using the supplied cable lock, a gun lock or safe or some other mechanism, it is YOUR RESPONSIBILITY to store your firearms in such a manner that children and other unauthorized persons cannot gain access to them.
Figure A
Figure B
USED FIREARMS - Firearms are sometimes altered to work incorrectly, or parts may be removed, lost or replaced with incorrect parts. If you received your European American Armory Corp firearm as a used gun, BEFORE USING IT you should take it to a qualified gunsmith who knows EAA Corp firearms, and have him examine it. WRITE EUROPEAN AMERICAN ARMORY CORP concerning any items or circumstances that you do not understand and which might relate to your safety and the operation of your firearm at: European American Armory Corp., 1426 King Street, Cocoa, FL 32922, (321) 639-4842, or eaacorp@eaacorp.com

WARNING (POTENTIAL OBSTRUCTIONS) - BEFORE LOADING or firing a pistol, examine the bore and the firing chamber to be certain they are clean and free of any obstruction. Even a heavy coat of oil, grease, snow or water may result in damage to the firearm and injury to the shooter and/or persons near the firearm. A misfire or unusual sound upon firing is a signal to cease firing and to examine the chamber and bore. If there is any obstruction, clear the obstruction and clean the bore and chamber before firing. Any bore obstruction, even if it is only partly blocked, may cause the gun to blow up if it is fired, or may cause damage to the gun such as a bulged barrel. To avoid injury or death to the shooter or bystanders, check the barrels before shooting or if a shot does not sound normal.

WARNING - Always keep the muzzle pointed in a safe direction! Never attempt to load or unload any firearm inside a vehicle, building or other confined space (except a properly constructed shooting range). Enclosed areas frequently offer no completely safe direction in which to point the firearm. If an accidental discharge occurs, there is great risk of death, personal injury or property damage. Before loading, always clean all, grease and oil from the bores and chambers, and check to be certain that no obstructions are in the barrel. Any foreign matter in the barrels could result in a bulged or burst barrel or other damage to the firearm and could cause serious injury to the shooter or to others.

WARNING - If there is any reason to suspect that a projectile is obstructing the barrel, immediately unload the firearm (See Unloading Instructions) and check the chamber and the bore. A projectile or some other matter may be lodged some distance down the barrel where it cannot easily be seen. Check the bore by using a cleaning rod to pass through the barrel. If a blockage is in the bore, DO NOT ATTEMPT TO SHOOT IT OUT WITH ANOTHER CARTRIDGE, OR BLOW IT OUT WITH A BLANK CARTRIDGE OR A CARTRIDGE FROM WHICH THE BULLET HAS BEEN REMOVED. SUCH TECHNIQUE(S) CAN GENERATE EXCESSIVE PRESSURE, DAMAGE THE FIREARM AND CAUSE SERIOUS PERSONAL INJURY If the blockage can be removed with a cleaning rod, clean any unburned powder grains from the bore, chambers and mechanism before resuming shooting. If the blockage cannot be dislodged by tapping it with a cleaning rod, take the firearm to a gunsmith.

WARNING (Mechanical Malfunctions) - STOP SHOOTING IMMEDIATELY AND UNLOAD YOUR FIREARM if your firearm develops: a mechanical malfunction; binding or stoppage; spitting powder/gas; a punctured cartridge primer; a bulged or ruptured cartridge case; or a sound on firing does not sound quite right. Do NOT try one more shot but unload your firearm and take it and the ammunition to a qualified gunsmith or send the firearm back to European American Armory Corp. for examination. Do not assume that the pistol is empty merely because you checked the chamber. You must also check the bore for any obstruction inside the barrel.
BASIC PARTS
1.Slide
2.Frame (Including Grips and the Trigger System)
3.Barrel
4.Disassembly Latch
5.Recoil Spring
6.Recoil Spring Guide
7.Barrel Bushing
8.Recoil Spring Holder
SAFETY FEATURES
Thumb Safety: The thumb safety is located on the left rear of the pistol just below the slide. To operate the thumb safety pull the slide to its most rearward position and release. Then push the thumb safety upward until it fully engages the thumb safety notch (See Figure 1). The hammer is prevented from moving forward when the trigger is squeezed. The thumb safety cannot be engaged unless the hammer is fully cocked and the slide is fully forward.
To disengage, move the thumb safety fully downward until it is completely down. When the thumb safety is down, the sear is free to release the hammer to fire the pistol when it is properly gripped and the trigger is squeezed
WARNING: Do not touch the trigger while moving the safety. When operating the safety, make sure you move it to the full extent of its travel in the desired direction, either fully “on” or fully “off.” Half-safe or partially-safe is UNSAFE
WARNING: The pistol does not incorporate a magazine disconnect safety, so the pistol may be fired with the magazine removed from the pistol.
WARNING: The pistol is designed to and WILL FIRE when the trigger is pulled and the safety mechanism is in the “off” or “fire” position.
6
Grip Safety: The grip safety is located on the upper rear part of the frame (Figure 6), it is automatically applied by spring action to prevent rearward travel of the trigger unless the pistol grip is firmly and properly grasped. The front of the grip safety, which is inside the pistol frame, is in contact with the rear of the trigger to prevent its rearward travel. When the pistol grip is positively grasped, the grip safety is rotated out of contact with rear of trigger to allow trigger movement.
Disconnecter: This safety device (see part n.38 in the exploded view of the pistol, Page 18) prevents a round from being fired before it is in the chamber with the slide and barrel locked When the slide is not fully forward, the disconnecter is depressed; its lower part disengages the sear, so the hammer cannot be released if the trigger is squeezed. However, when the slide and barrel are locked, a spring pushes the disconnecter up into a recess in the slide. This links the trigger and sear so that the pistol can be fired by squeezing the trigger.
WARNING: Never attempt to check or demonstrate the disconnecter function with a loaded pistol. Pushing on the muzzle with your hand or any other portion of the body is extremely dangerous and could result in accidental discharge causing injury, death or damage to property!
WARNING: Always keep your fingers off the trigger and outside of the trigger guard until you are ready to pull the trigger and fire the pistol
WARNING: The pistol is designed to and WILL FIRE when the trigger is pulled and the safety mechanism is in the “off” or “fire” position.
WARNING: Always keep the muzzle pointed in a safe direction!
Hammer Safety Stop: The hammer safety stop is a half cock notch on the hammer which prevents it from falling fully forward in the event of a primary sear notch failure It also prevents from hitting the firing pin should your fingers slip from the slide or hammer while cocking the pistol, provided the hammer has been moved past the stop. The safety stop is not a manual safety. Never under any circumstances use the safety stop as “half cock” position: it can result in damage to the sear, and/or unintentional discharge of the pistol. The safety stop position is an automatically engaging safety feature and should never be engaged by hand.
Figure
WARNING: Your pistol has a half cock notch on the hammer. This notch’s sole purpose is an additional notch on the hammer so as to allow the sear a chance to engage the hammer if the trigger is not pulled fully to the rear.
Slide Stop: Locks the slide back when engaged. It is located on left hand side of the gun (See Figure 7).
Magazine Release: Locks or holds the magazine in place and is depressed to release the magazine (See Figure 8)
Rear Sight: The WITNESS2311 model has a fully adjustable rear sight (See Figure 9)
Trigger: The WITNESS2311 model has a single action trigger (See Figure 10).
LOADING AND UNLOADING YOUR PISTOL
WARNING: Make sure the pistol is pointed in a safe direction and the trigger block safety is engaged at all times while loading and unloading. NEVER allow your fingers or other objects to contact the trigger while loading or unloading.
WARNING: Do not disengage the sear block safety until you are ready to fire and have the gun pointed safely downrange.
WARNING: Do not load pistol until you are ready to fire. Use only factory loaded ammunition, manufactured to US Industry and SAAMI specifications. Do not use damaged ammunition.
Figure 7
Figure 8
Figure 9
Figure 10
TO LOAD
1) Press the magazine release button, holding your hand under the magazine: this will cause the magazine to fall free of the magazine well, now you can remove the magazine from the pistol. See Figure 11
2) Load the cartridges into the magazine, placing the round at the top (open end) and pushing down and back, making sure that the back of the cartridge is facing the rear of the magazine. Do NOT force the cartridges into the magazine. Do NOT overload the magazine.
3) Push the magazine up into the pistol firmly until the magazine catch locks it into place. Do NOT slam the magazine into place.
TO LOAD THE CHAMBER
MAKE SURE YOUR FINGERS ARE OFF THE TRIGGER AND AWAY FROM THE TRIGGER GUARD.
1) With the gun pointed in a safe direction. Move the safety to the “off” position if the hammer is in the down position or resting position. If the hammer is in the fully cocked position you may bypass this step.
2) Insert the loaded magazine into the magazine well with bullets pointing forward, and push up until the magazine is fully seated. A click will be heard when this is done properly as the magazine catch engages.
3) Do NOT put your fingers or hand in front of the barrel.
4) When you are ready to shoot, grip the rear slide serrations and pull it fully rearward to cock the hammer and then release. Do not help/push the slide down to the forward position. Allow the slide to snap forward under full tension of the recoil spring. Keeping your hand on the slide may cause a misfeed or prevent the slide from fully closing. Racking the slide back and releasing it will cock the hammer, strip off the top round in the magazine and chamber it.
5) The pistol is now loaded, cocked and ready to fire.
6) Keep the muzzle pointed in a safe direction and engage the thumb safety IMMEDIATELY until you are ready to shoot. Always unload immediately after use and before storage.
WARNING: YOUR PISTOL IS NOW LOADED AND READY TO FIRE, IF THE SAFETY IS MOVED TO THE OFF OR “FIRE” POSITION AND THE TRIGGER IS PULLED THE GUN WILL FIRE.
TO UNLOAD
Make Sure the Safety is in the “ON” position and the gun is pointed in a safe direction.
1) Always keep the muzzle pointed in a safe direction at all times and keep the fingers outside the trigger guard. Keep hands away from muzzle and ejection port.
2) Press the magazine release button and remove the magazine from the pistol. Place your hand under magazine to prevent it from falling and press magazine catch to release and eject magazine.
WARNING: The pistol does not incorporate a magazine disconnect safety, so the pistol may be fired with the magazine removed from the pistol.
WARNING: Removing the magazine does not unload the chamber. If a cartridge is in the chamber the pistol can fire with the magazine removed.
NOTE: If the slide is fully rearward, step 3 does not apply
3) Using the serrated finger grips pull the slide sharply rearward to extract and eject a round from the chamber. Keep your hands clear of the ejection port to allow the round to eject without obstruction. Examine the previously chambered round for any damage; if damaged, dispose of ammunition properly.
4) Keep the pistol pointing in a safe direction, allow the slide to return forward on an empty chamber and squeeze the trigger to allow the hammer to fall forward. If the slide is held to the rear by the slide stop, pull the slide back slightly, then ease the slide forward. Repeatedly allowing the slide to slam closed on an empty chamber will cause premature wear and should be avoided.
5) To remove any remaining rounds from the magazine, push the cartridges forward until they clear the retaining lips.
FIRING YOUR PISTOL
WARNING: Never load a cartridge into the chamber until you are ready to fire the pistol.
WARNING: Do not disengage the trigger block safety until the pistol is pointed in a safe direction and you are ready to fire.
WARNING: If a cartridge does not fire and the trigger has been pulled and the trigger block safety is disengaged, Stop! Then do the following: a) Make sure the gun is pointed in a safe direction b) Engage the trigger block safety c) Wait 60 seconds d) Follow the instructions above for unloading the pistol.
WARNING: If during firing the sound of any cartridge is noticeably softer or louder than the previous cartridge fired, Stop! Then do the following: a) Make sure the gun is pointed in a safe direction b) Engage the trigger block safety c) Follow the instructions above for unloading the pistol and d) With the pistol unloaded visually inspect the pistol for barrel blockage or damage. Then inspect the receiver of the pistol for damage before continuing.
READ, UNDERSTAND AND FOLLOW ALL WARNINGS AND INSTRUCTIONS IN THIS MANUAL BEFORE FIRING THE PISTOL.
TO FIRE
1) Make sure the pistol is pointed in a safe direction with the trigger block safety engaged. 2) Make sure you are wearing eye and ear protection. 3) Keep your fingers away from the trigger. See Figure 13.
4) Push the trigger block safety to the “off” or “fire” position.
5) Squeeze the trigger. The pistol will fire when you pull or squeeze the trigger with the required force.
6) The pistol will fire one shot with every squeeze of the trigger, until the magazine is empty.
7) When the magazine is empty, the slide will stay open. You may remove the magazine and reload the magazine while the slide is locked open by the slide stop.
13
8) Insert the loaded magazine into the pistol. You may either press down on the slide stop or pull slightly back on the slide and release it. The slide will close and reload the chamber. The pistol will be ready to FIRE.
WARNING: THIS PISTOL DOES NOT HAVE A MAGAZINE DISCONNECT AND CAN BE FIRED WITHOUT A MAGAZINE IN PLACE.
9) If all the rounds have not been fired and you wish to stop shooting, immediately engage thumb safety and follow procedures for unloading as previously described.. However, if you have fired the last round from the magazine the slide will stay to the rear and you will be unable to apply the thumb safety.
WARNING: IF THE PISTOL FAILS TO FIRE, HOLD IT, KEEPING IT POINTED TOWARD THE TARGET OR SAFE OPEN AREA AND WAIT 30 SECONDS. IF A HANG FIRE OR SLOW IGNITION HAS OCCURRED, THE ROUND WILL FIRE WITHIN 30 SECONDS. IF THE ROUND DOES NOT FIRE, REMOVE THE MAGAZINE, EJECT THE ROUND AND INSPECT PRIMER. IF THE FIRING PIN INDENT ON THE PRIMER IS LIGHT, OFF CENTER OR NONEXISTENT, HAVE THE PISTOL EXAMINED BY A COMPETENT GUNSMITH BEFORE FIRING AGAIN. IF THE FIRING PIN INDENT APPEARS NORMAL ASSUME FAULTY AMMUNITION AND SEGREGATE THE MISFIRED ROUND FROM OTHER LIVE AMMUNITION.
WARNING: If you fired the pistol and wish to stop firing, immediately push the trigger block safety to the “on” or “safe” position. Then follow the unloading instructions above while keeping the muzzle pointed in a safe direction.
Figure
DISASSEMBLY
WARNING: MAKE SURE YOUR HANDGUN IS UNLOADED BEFORE STARTING THIS PROCEDURE.
WARNING: Wear safety glasses in case you lose control of a spring loaded component such as the recoil spring or plug which could injure your eyes.
1) Always make sure the magazine is removed and the pistol is not loaded. The pistol should be cleaned after every use and when exposed to dirt, sand, etc.
2) With the muzzle pointing upward, rest the pistol on heel of butt and the grip safety on a table or bench.
3) Release the barrel bushing, recoil spring and recoil spring holder by pressing down the recoil spring holder which is located on the top of the barrel and rotating the barrel bushing to the right (See Figure 3 and 4).
4) Remove the the barrel bushing (See Figure 5)
5) Pull the slide back until the small notch (second notch from the top of the slide) is at the same level with the disassembly latch and hold the pistol at this position. (See Figure 6).
6) Remove the disassembly latch by pressing the top of the disassembly latch with the index finger (See Figure 7). Separate the disassembly latch from the pistol (See Figure 8).
7) Hold the slide with the left hand and separate the slide from the frame (See Figure 9).
Figure 3
Figure 4
Figure 5
Figure 6
Figure 7
Figure 8
Figure 9
Figure 10
Figure 11
8) Remove the recoil spring holder which is located on the barrel (See Figure 10) Remove the barrel from the seating on the slide by holding the barrel locking port and lifting 2mm up and then remove the barrel from the slide by pushing forward from the top of the barrel. While doing this operation make sure that the barrel locking port is parallel to the barrel (See Figure 11, 12, and 13)
9) Your firearm is now disassembled. To reassemble see Assembly on page 16.
WARNING: Do NOT strip your pistol any further than previously described. Do NOT remove or alter parts, particularly safety parts.
ASSEMBLY
WARNING: MAKE SURE YOUR HANDGUN AND MAGAZINE ARE UNLOADED BEFORE STARTING THIS PROCEDURE
1. Hold the slide and put the inside of the slide upward. Fix the barrel to the seating of the slide by holding the barrel locking part with the left hand. While doing so, make sure that the barrel locking part is parallel to the barrel (See Figure 14, 15, and 16)
14
15
16
2.Make sure that the barrel is correctly fixed to the seating which is located on the slide. 3.Set the recoil spring guide on the barrel (See Figure 17 and 18).
17
18
19
4.Hold the slide with your left hand and hold the frame with your right hand. Next put the slide to the frame and fix the disassembly latch (See Figure 19 and 20).
Figure 12
Figure 13
Figure
Figure
Figure
Figure
Figure
Figure
Figure 20
5.Hold the barrel in an upward position and fix the barrel bushing to the barrel. Make sure that the barrel bushing is correctly fixed (See Figure 21). From there, rotate the barrel bushing counter clockwise as far as it will go (See Figure 22).
6.Place the recoil guide into the recoil spring inside the slide (See Figure 23). Rotate the barrel bushing to the right while pressing the recoil spring guide downward (See Figure 24 and 25)
7.You have now successfully assembled your firearm.
WARNING: YOU COULD DAMAGE YOUR PISTOL WHEN YOU FIRE OR ATTEMPT TO FIRE IF THE RECOIL SPRING PLUG IS NOT CORRECTLY SEATED AND LOCKED.
7) After assembling the pistol, check its function as follows: With the magazine removed, pull the slide back fully and let it go. It should fly forward and close over the empty chamber. The hammer should stay cocked. Push the safety up and squeeze the trigger. The hammer should stay cocked. Push the safety down and squeeze the trigger. The hammer should fall. Pull the hammer back slight1y without touching the trigger. You should hear a click as the sear slips on to the safety shelf. Now squeeze the trigger again and note that the hammer should stay cocked.
Insert an empty magazine. Pull the slide back fully and let it go. It should NOT fly forward. Look into the ejection port at the breech face. Make sure the firing pin is not sticking through the hole. Hold the slide, push down on the slide stop and ease the slide fully forward. Put your thumb on the hammer, squeeze the trigger and ease the hammer forward.
WARNING: IF YOU FIND THE FIRING PIN STICKING FORWARD OR IF YOUR PISTOL DISCHARGES WHEN YOU CLOSE THE SLIDE, DO NOT USE IT. RETURN IT TO THE FACTORY.
Do these checks only after you strip and assemble the pistol. Do not slam the slide forward at any other time, except when loading. If you rack the slide when the pistol is unloaded, control it with your hand.
Figure 21
Figure 22
Figure 23
Figure 24
Figure 25
MANUFACTURER’S WARNING: This firearm was manufactured to properly perform with the original parts as designed. It is your duty to make sure any parts you buy are correctly installed and that neither replacements nor originals are altered or changed. Your gun is a complex tool with many parts that must relate correctly to other parts for safe and accurate operation. Putting a gun together wrong or with modified parts can result in a damaged gun, or personal injury or death to you or others. Always let a qualified gunsmith work on your gun or at least, check any work not performed by a gunsmith. Firearms safety is your primary concern. THE GUN OWNER MUST ACCEPT FULL RESPONSIBILITY FOR THE CORRECT REASSEMBLY AND FUNCTIONING OF THE FIREARM AFTER ANY DISASSEMBLY OR REPLACEMENT OF PARTS.
TO CLEAN AND MAINTAIN YOUR PISTOL:
A) Follow procedures for unloading pistol as described previously.
B) Follow procedures for disassembly of pistol as described previously.
C) Materials needed to clean this pistol are: a cleaning rod, cotton bore patches, brass bore brush, powder solvent, a small soft brush and good quality gun oil.
WARNING: Lead or lead compounds are known to the State of California to cause cancer, birth defects, reproductive toxicity, and other serious physical injury. Those who clean firearms should take protective measures to avoid contact or exposure to such chemicals.
D) Using the bore brush with powder solvent, scrub the interior of the barrel and chambers to remove any powder and lead residue in the bore. Always and lastly, swab the interior of the barrels with cotton patch with gun oil to coat and protect the bore and chambers from rust and corrosion.
E) Any powder fouling on the firing wall, barrel, etc. can be easily cleaned with a brush and powder solvent.
F) All external surfaces should be wiped down with a light coat of rust preventative. Avoid using too much oil as powder, dust or other foreign material may get trapped in the oil. This could lead to congealed deposits which may interfere with the safe and reliable operation of the pistol.
G)USE CAUTION while using solvents in gun bore cleaning. Prolonged or excess contact with solvents can damage the gun’s bluing and finish. Be sure to wipe away all excess solvent and then lubricate with oil.
H) A gun should be cleaned after firing. In addition, external parts should be wiped with an oiled cloth after handling. A light oil is ordinarily all that is necessary in cleaning if the gun has not been fired or fired very little. If a gun is used frequently, it must be cleaned after each firing and regularly serviced by a professional gunsmith. If the gun has been stored, remove all excess oil and/or grease before firing. Always check to be sure that no cleaning patch or other obstruction remains in the bore or chambers before firing.
DANGER – AMMUNITION WARNING
Firearms may be damaged and serious personal injury or death to the shooter or bystanders may result from any condition which contributes to the generation of excessive pressure or uncontrolled release of gas within the firearm. Such adverse conditions can be caused by bore or chamber obstruction, propellant powder overloads or by defective, incorrect or improperly loaded and assembled cartridge components. Even the strongest firearm can be blown up as a result of excessive pressure. It is extremely dangerous to use a cartridge whose pressure is greater than that developed by cartridges loaded to industry standards.
AMMUNITION (CARTRIDGES) NOTICE
We specifically disclaim responsibility for any damage, personal injury or death occurring in connection with or as the result of the use of European American Armory Corp. pistols with faulty, nonstandard, remanufactured, hand-loaded or reloaded ammunition, or with cartridges other than factory cartridges for which the firearm was originally chambered.
LUBRICATION WARNING: Firing a pistol with oil, grease or any other material even partially obstructing the bore may result in damage to the pistol and personal injury to the shooter and those nearby. Do not spray or apply lubricants directly on ammunition. If the primer or powder charge of a cartridge is affected by the lubricant, they may not fully ignite yet the energy from the primer and/or powder may be sufficient to push the projectile or wad into the bore where it may become lodged. Firing a subsequent cartridge into the obstructed bore will damage the pistol and may cause personal injury to the shooter and those nearby. Use lubricants properly. You are responsible for the proper care and maintenance of your firearm and ammunition.
LIMITED LIFETIME WARRANTY
This European American Armory Corp. firearm is warranted to the original retail customer for life from date of purchase against defects in material and workmanship. All parts and labor or replacement at our option are covered. Transportation to and from our repair facilities, government fees, damage caused by failure to perform normal maintenance, sales outside the United States, damage due to use of high velocity, high pressure, reloaded or other nonstandard ammunition, or any unauthorized repair, modification, misuse, abuse, or alteration of the product is not covered by this Limited Warranty.
Any implied warranties, including the implied warranties of merchantability and fitness for a particular purpose, are limited to one year from date of original retail purchase. Consequential or incidental damages and/or expenses, or any other expenses are not covered by this warranty.
To obtain warranty performance send your firearm with proof of retail purchase, freight prepaid plus $20.00 for return freight to:
European American Armory Corp. 1426 King Street Cocoa, FL 32922
All other mail should go to: EAA Corp
P.O. Box 3008 Cocoa, FL 32924
NOTICE: It is illegal to ship a firearm with ammunition in the firearm or in the same packaging. Firearms and ammunition must be shipped separately. For information about shipping ammunition, call European American Armory Corporation at (321) 639-4842.
WARNING (ALTERATIONS
OR MODIFICATIONS): Altering or modifying parts and/or internal safeties is dangerous and will void the warranty. This pistol was manufactured to perform properly with the original parts as designed. It is your duty to make sure any parts you buy are made for this firearm and are installed correctly and that neither the replacements nor originals are altered or changed. Your gun is a complex precision tool with many parts that must relate correctly to other parts in order for proper and safe operation. Putting a gun together wrong or with incorrect or modified parts can result in a damaged gun, danger, and personal injury or death to you and others through malfunction. Always have a qualified gunsmith work on your gun or at least check any work not performed by a gunsmith.
YOUR OWNER’S MANUAL
Always keep this manual with your firearm. Make sure you understand all the warnings, operation instructions and safety procedures. When you lend, give or sell the firearm, be sure this manual goes with it. You can get a copy of this manual from European American Armory Corp. upon request. ALL PARTS ORDERS ARE SUBJECT TO A $10.00 CHARGE FOR SHIPPING AND HANDLING. Please state Model, Caliber, Serial Number, and Finish Color when ordering. For parts, information and service contact: European American Armory Corp. 1426 King Street, Cocoa, FL 32922 Phone: (321)639-4842.
WARRANTY
Please fill the part below, send a copy to:
European American Armory Corp. 1426 King Street Cocoa, FL 32922 Or by email to: eaacorp@eaacorp.com
Make a copy of this manual, proof of purchase/sales record for safekeeping in a secure or fireproof container. Such proof is necessary if the firearm is damaged, stolen or sent in for warranty repair.
NAME…
SURNAME...
ADDRESS
WARNING
Children are attracted to and can operate firearms that can cause severe injuries or death. Prevent child access by always keeping guns locked away and unloaded when not in use. If you keep a loaded firearm where a child obtains and improperly uses it, you may be fined or sent to prison.
ADVERTENCIA
A los niños los atraen las armas de fuego y las pueden hacer funcionar. Estas pueden causarles lesiones graves y la muerte. Evite que los niños tengan acceso a las armas de fuego guardándolas siempre con llave y descargadas cuando no las esté utilizando. Si usted tiene un arma de fuego cargado en un lugar en que un niño tiene acceso a ella y la usa indebidamente. Le pueden dar una multa o enviarlo a la carcel
IMPORTER:
European American Armory Corp. 1426 King Street Cocoa, FL 32922 www.eaacorp.com eaacorp@eaacorp.com
MANUFACTURER:
GIRSAN
Merkez : Hacısiyam Mah. Atatürk Bul.No:73/B
Fabrika : Pazarsuyu Köyü II.OSB Mevkii 5. Cad. No:26
GIRESUN / BULANCAK
T: +90 454 215 29 31 : +90 454 215 39 35
F: +90 454 215 39 28
www.girsan.com girsan@girsan.com