Commercial Vehicle Workshop March 2025

Page 1


LET’S GETTECHNICAL

BUSINESS & TRAINING

15 CVW travelled up to South & City College Birmingham to have a look around its new hydrogen training facility.

18 Wren Kitchens has embraced technical systems like Truckfile to help manage its extensive and diverse fleet which includes 250 trucks and 300 trailers.

DIAGNOSTICS & SOFTWARE

22 In this troubleshooter, Ben Martins from Pico Technology explores a fuel pressure fault on a 2017 Mercedes Arocs truck.

24 Thinkcar shares its solution for tackling commercial vehicle diagnostics, aiming to keep up with the rapidly evolving industry.

25 We hear from Odyssey Batteries about its battery monitoring system AND one lucky reader will win a branded backpack filled with goodies.

FUELS, LUBRICANTS & ADDITIVES

The world of lubricants is ever changing, but The Witham Group explains how it’s keeping up with new challenges.

All about the introduction of a 5W-30 heavy-duty diesel engine oil from Morris Lubricants that holds the latest Volvo VDS-5 specification approval.

Looking to the future of fuel and lubricants, read about how Motul has partnered up with Green Corp Konnection to enhance EV technology and hydrogen power.

Following the recent spike in lubricant investigations, the Verification of Lubricant Specifications shares what it's been doing to combat this.

EMISSIONS

39 Looking to maximise efficiencies and achieve emission compliance? Look no further than this feature from Eminox.

40 A look at the importance of adopting best repair practices in LCV exhausts from Klarius Products.

43 Best practice tips from Highway Automotive to ensure you’re fitting NOx sensor properly, so they perform correctly.

45 Hella shares details surrounding its NOx sensor range, supporting the likes of DAF, Scania, Renault and Volvo.

VIEWPOINT

Editor

FREYA COLEMAN

cvw@hamerville.co.uk

Group Editor

KIERAN NEE

Digital Manager

KELLY NEWSTEAD

Digital Assistant

LYDIA PROCTER

Advertising Sales Manager

MATTHEW BOASE

Group Manager

ROBERT GILHAM

Graphic Designer

GEMMA WATSON

Group Production Manager

CAROL PADGETT

Subscriptions

Commercial Vehicle Workshop is a business magazine for companies and individuals involved in all aspects of commercial vehicle servicing.

It is published 11 times a year and is available on free subscription to qualified readers.

Subscription rates:

UK £30 post paid

Airmail £99 post paid

Europe £70 post paid

To be removed from this magazine’s circulation, please call 01923 237799 or email circulation@hamerville.co.uk.

Printed by Stephens and George

Published by

HAMERVILLE MEDIA GROUP

Regal House, Regal Way, Watford, Herts WD24 4YF

Tel: (01923) 237799

Website: www.hamerville.co.uk

Copyright © 2025

BIGGER VEHICLES, HIGHER STAKES!

As many of you may have already noticed, there’s a new name under the ‘Editor’ heading in our runners and riders list—yes, the news is official: a new editor has arrived! While John and Johnny will certainly be missed, I’m thrilled to embark on this new chapter of the magazine. My goal is to steer it back to its technical roots, reconnect with as many of you as possible, and truly understand the pulse of this ever-evolving industry. So, please don’t hesitate to reach out with any questions, suggestions, or even constructive feedback at CVW@hamerville.co.uk

My journey to this role began with three years spent working as assistant editor for our sister magazine, Professional Motor Mechanic, where I gained valuable insights into the world of passenger vehicle repair and the automotive aftermarket more broadly. However, now that I’ve moved on to the larger (quite literally!) world of commercial vehicles, the scope of the issues is growing ever clearer. For example, while ADAS technology and the skills shortage are pressing concerns across the passenger car market, these challenges are even more pronounced when applied to commercial vehicles –particularly HGVs.

Take, for example, an anecdote shared with me by Jordan Steele, a tutor at South & City College Birmingham (more on that visit in our feature on page 15). Jordan recalled an incident he’d heard of involving a misaligned sensor on an HGV, which caused the truck’s emergency braking system to activate while passing under a bridge. The result? A cascade of crashes and a major traffic backup. It's a clear reminder that in the world of commercial vehicles, even the smallest technical oversight can have a much larger –and more dangerous –impact.

While these issues might not be news to those of you who’ve been in the industry for some time, they are a fresh perspective for me, and that’s the thrill of diving headfirst into a new sector. Of course, it’s also been a delight to be welcomed by so many members of the commercial vehicle community already with a seemingly endless supply of tea and coffee. In fact, my trusty 2007 Mini has never seen as many miles as it has this past month, and I’m eager to continue meeting as many of you as possible. As Kieran Nee, my group editor, wisely put it, “You’re young –you can whiz up and down the country!” And that, I shall do.

I’m excited to get to know this dynamic industry even more, and I look forward to what we can achieve together.

8,249

CVW NEWS NEWSIN BRIEF

■ Brace yourself for braking changes. V-Tech is urging fleet owners to pre-order HGV brake testers ahead of the DVSA’s changes due next month. The updated guidelines mandate that every safety inspection includes a laden brake performance assessment, increasing the frequency of brake tests from the previous standard of four times per year to once every six weeks.

■ Bridgestone invests in driver-in the loop simulator. The investment hopes to enable the company to combine tyre and vehicle simulations with AI technologies – boosting sustainability and cutting time to market.

■ Exol product name changes. The company has changed the name of its Taurus SHPD E9 10W-30 and Taurus SHPD E9 15W-40 engine oils, which will now be known as Taurus SHPD Plus 10W-30 and Taurus SHPD Plus 15W-40, respectively.

■ IAAF kicks off five-a-aide tournament. Set to take place on Thursday the 22nd of May at the bet365 Stadium, the event offers aftermarket professionals the opportunity to showcase their skills on the pitch while networking with colleagues from across the sector.

Apprenticeship changes welcomed

The Road Haulage Association (RHA) says apprenticeship reforms announced by the government will support skills development in the transport sector.

The RHA says apprenticeship reforms announced by the government will support much needed skills development in the transport sector.

Coinciding with national apprenticeship week last month in England came the news that adult learners over the age of 19 will no longer have to complete a maths and English qualification equivalent to GCSE in order to pass it. This stipulation has been detrimental in the quest to fill PSV and

EV Van delivery

The first delivery of Farizon SV vans have arrive in the UK, including two of the eight variants that will be available in the UK initially with further deliveries arriving further down the line.

The UK introduction of Farizon –a wholly-owned subsidiary of Geely Holding Group, China’s largest private vehicle manufacturer –is on schedule, with the start of sales on track for Q1 2025 and first customer deliveries slated for Q2 2025. The eight panel van variants on offer to UK customers will range from L1 H1 (4,990 mm long; 1,980 mm high) through to L3 H3 (5,995 mm long; 2,500 mm high).

LCV market decline

In January, light commercial vehicle dealers registered a total of 19,050 new vans and lightcommercials,adecrease of -20.5percent.

Sue Robinson, chief executive of the National Franchised Dealers Association (NFDA) –an organisation which represents franchised car and commercial vehicle retailers in the UK –commented on the latest SMMT’s new van registration figures: “January sees a disappointing start to the new year for light commercial registrations following a strong market throughout 2024.”

HGV driver vacancies, says the RHA. Furthermore, the minimum length of an apprenticeship in England will be reduced from twelve to eight months.

Logistics UK has also welcomed government changes to apprenticeship schemes, and hopes the move will encourage more young people to take up careers in the sector. Bethany Windsor, head of skills policy, commenting that “Apprenticeships provide a wonderful opportunity for new recruits to enter the sector and the changes to the system will make it easier and more appealing for them to do so.”

The Farizon SV recently received a Platinum safety award from Euro NCAP with a score of 85 points which makes Farizon the top-ranked Chinese electric commercial vehicle brand in the Euro NCAP ratings.

The heavier sectors of LCVs saw declines, with 2.0-2.5t sized vans dropping to 3,507 units from 5,040 units, a -30.4 per cent decrease. The heavier, and most popular sized vans (2.5-3.5t) also saw a drop to 11,537 units from 14,839 units, a -22.3 per cent decrease.

“January sees a disappointing start to the new year for light commercial registrations”

NEWSIN NUMBERS

£ 25 MILLION

The amount announced by the Welsh government to repair roads across Wales. Logistics UK, however, argues that this shouldn’t detract from the need for long term strategic investment, such as towards potholes which are said to cost the UK’s economy over £14.4 billion a year.

6 %

The decrease in new HGV registrations from Q3 of 2024 compared to the same period in 2023, according to the latest SMMT data. This is from 11,531 registrations to 10,839.

100

The reported amount of fewer casualties on urban roads in Wales in Q3 of 2024 compared to 2023. This is following 20mph default speed limit implementation last year. As a result, FleetCheck is encouraging fleets to consider backing 20mph speed limits in the rest of the UK.

FOR UP-TO-DATE NEWS, SIGN UP FOR OUR WEEKLY E-NEWSLETTER. SIMPLY SCAN THE QR CODE

A hydrogen collaboration

Johnson Matthey (JM) – a sustainable technologies company – and Bosch – a supplier to the automotive industry –have agreed terms to accelerate future projects together.

It’s claimed the agreement confirms both parties’ intentions to develop and produce catalyst coated membranes (CCM) for use in fuel cell stacks. Transforming and decarbonising the automotive industry requires a mix of powertrain systems and solutions across different vehicle classes. Hydrogen fuel cells are electrochemical devices that combine hydrogen and oxygen to generate electricity. As pure water is the

only by-product, fuel cell electric vehicles are a clean, zero emission option.

JM’s high performance CCMs will reportedly be used in Bosch’s integrated, compact and scalable fuel cell power module for commercial vehicles, designed for longer distances.

Trucktastic news

Knowles Logistics, a leading provider of supply chain and logistics solutions, has received its first Volvo Globetrotter Aero FH trucks.

Volvo Aero’s have been provided by Volvo Truck and Bus Centre East Anglia Centre in Ely. The vehicles will be covered by Volvo Blue R&M contracts.

Part of the FH range, the Globetrotter Aero has an aerodynamic design and is equipped with fuel-saving technology boasting a potential 5 per cent fuel saving. The Volvo Aero FH range is ideally suited for long haul trunking. It has a design with an extension to the cab of 24 centimetres to make it more aerodynamic as well as providing better driving stability.

The trucks also feature safety features, with a Volvo camera monitoring system, collision avoidance systems and lanekeeping assistance. Additional features include Volvo’s new turbo-compound diesel 460hp engine, I-Shift which makes driving smooth, comfortable and efficient, drag free disc brakes which further reduce costs and carbon footprint, Volvo’s I-see technology and a tyre monitoring system.

Witham Group, a leading UK manufacturer of lubricants and paints, successfully hosted its annual charity ball on the 18th of January, raising £7,000 for its four charities of the year.

KNOWYOUR PARTS

SlackAdjusters

Febi delves into everything about slack adjusters, a safety relevant part that is often overlooked.

In air brake systems of commercial vehicles, slack adjusters are used to compensate the brake-related wear of brake linings and brake drums in the drum brake and ensure a constant clearance between these components.

Slack adjusters are used with S-Cam drum brakes and take over the transmission of the braking force from the brake cylinder to the S-Cam shaft. This enables manual or automatic adjustment of the S-Cam shaft so that the brake cylinder operates in approximately the same stroke range. A heavy vehicle with a total weight of up to 40 tonnes requires an enormous amount of force to be applied by the air brake system in order to avoid dangerous situations. Slack adjusters take on the task of applying the air brakes by keeping the brakes adjusted and in the right balance.

Automatic vs manual

Automatic slack adjusters, or ASAs, also called automatic brake adjusters, are a luxury these days. Few drivers can

remember what it was like before they existed. In the old days, when there were manual slack adjusters, drivers had to crawl under the axles of tractors and trailers to adjust the brakes by taking a spanner and adjusting the travel of each push rod on each slack adjuster. To avoid accidents, they had to check and readjust this every day, especially in heavy traffic and difficult terrain, such as in the mountains. Now there are automatic slack adjusters on every axle with drum brakes, and the slack adjusters adjust automatically while driving. They have been mandatory for trucks and tractors since 1994 and for trailers since 1995.

Slack adjusters that are not being greased regularly have a direct impact on both safety and regulatory compliance.

Nowadays, more than 90 per cent of all trucks with drum brakes in western countries are equipped with automatic slack adjusters. For trailers, this percentage could be significantly lower, as the regulation was introduced later and trailers remain in the fleet much longer.

Slack adjuster maintenance

Slack adjusters that are not being greased regularly during scheduled maintenance and inspections have a direct impact on both safety and regulatory compliance. Lubricating the slack adjuster serves two important purposes: Pressing in the new lubricant forces out the old grease along with water and contaminants that have entered the inside of the slack adjuster and

The inside of an automatic slack adjuster
Manual slack adjuster
Automatic slack adjuster

it protects the internal gear sets, clutches and other components of the slack adjuster from wear. Both are necessary for the slack adjuster to function properly, to ensure the correct braking distance and enable optimum braking performance. febi recommends lubricating the slack adjusters with NLGI grade 2 long-term grease at every preventative maintenance inspection. However, no sulfide-containing lubricants may be used.

Top tips!

● Do not manually adjust automatic slack adjusters after initial adjustment unless you are doing a complete brake overhaul.

● Never use an impact wrench to adjust. If you do, internal slack adjuster damage may occur.

● When re-lining brakes, remove the slack adjuster from the S-cam. Then rotate the worm wheel 90˚ before refitting. This reduces uneven wear.

● Make sure that the adjustment arm is always firmly connected to the bracket.

febi recommends lubricating the slack adjusters with NLGI grade 2 long-term grease at every preventative maintenance inspection

Note: An automatic slack adjuster only needs to be manually adjusted during initial installation or when replacing brake linings and/or drums. Manual adjustment may also be necessary in emergencies when the air pressure cannot release the brakes. However, this should only be carried out by a certified technician!

Uneven braking with automatic slack adjusters?

If you discover uneven braking or excess pushrod travel on your vehicle, try to correct it by applying a few service brake applications to automatically adjust the brakes. If that does not work, have your brakes inspected immediately by a certified and knowledgeable technician. If the automatic slack adjuster does not bring pushrod travel into normal limits and you know there is no underlying brake issue causing it, always opt for replacement of the automatic slack adjuster.

Brake parts are safety relevant

Not only should the slack adjusters be checked regularly for tight fit, function and wear, but also the surrounding components. If there is any doubt about the correct function of slack adjusters, they should be replaced. For safety reasons, the replacement of brake parts and work on the brake system should only be carried out by trained specialists.

When slack adjusters need to be replaced, always choose high quality parts. The tested, high-quality slack adjusters from febi in OE matching quality are said to be the safest option and cost less than low-quality products in the end.

Rely on tested OE matching quality replacement parts from febi. The entire braking range can be found at: WWW.RDR.LINK/VBS001. The febi brand is part of the bilstein group, the umbrella organisation for several other strong brands.

Single components of the automatic slack adjuster

BEST PRACTICE

Key maintenance practicesfor brake drum longevity

CV braking supplier, Fras-le, is offering guidance on how to address some common brake drum issues.

Heat checking appears as fine, hairline cracks on the braking surface and is caused by the normal heating and cooling process during braking. While typically not problematic, if these cracks grow into larger ones, the brake drum must be replaced, warns Fras-le.

Blued brake drums, often caused by repeated hard stops, brake system imbalance or faulty return springs, can also be an issue. While these drums may not require immediate replacement, the brake system should be checked for balance and return springs should be inspected for wear or damage, advises Fras-le. If left unresolved, this condition can lead to more serious problems such as cracking

Martensite spotting is another concern, and is visible as dark, raised spots on the drum’s surface. This occurs when the drum is subjected to extremely high temperatures, which can change the material's structure and make it more vulnerable to cracking. Both the drum and the brake linings should be replaced in this case, and the cause of the overheating must be addressed.

Broken mounting rings, caused by improper drum installation or hub issues, must also be addressed immediately. The hub should be checked for defects and cleaned or replaced if necessary, and the drum must be replaced if any cracks are found, advises the braking supplier.

Turbocharger failures COMMON FAULTS

Melett is sharing expert guidance on common turbocharger failures and how to prevent them to ensure optimal performance.

One major risk is insufficient oil flow, as blocked oil feed pipes, worn oil pumps and sludge buildup from improper shutdowns are common causes of lubrication failure. Without adequate oil flow, turbo bearings can suffer rapid wear, leading to failure.

To avoid these issues, Melett recommends priming the oil system thoroughly before fitting a replacement turbo and ensuring oil feed pipes are replaced to remove blockages. Using highquality oil of the correct grade and allowing the engine to warm up properly before driving are simple yet effective ways to extend turbocharger life.

Combatting oil contamination

Oil contamination remains one of the leading causes of turbocharger failure, and the effects of debris from previous engine wear or poor-quality filters can cause a major issue. Dirty oil can result in significant damage to the turbo’s internal components, cutting its lifespan dramatically.

Melett advises technicians to purge oil systems after any failure and take care when replacing oil to prevent accidental contamination. Using high-quality filters and replacing oil at the recommended intervals will help keep the turbocharger in peak condition.

Preventing overspeeding

Overspeeding, which occurs when a turbo operates beyond its intended limits, is another common failure mode. Blocked air intakes, torn air pipes and leaks in the system all force the turbo to work harder, increasing the risk of component fatigue and damage.

Melett advises checking air hoses and intake systems for leaks or cracks. Ensuring seals are intact and replacing damaged components can significantly reduce the risk of overspeeding and its associated failures.

Protecting against foreign object damage

The debris and particles that can enter a turbocharger, whether through servicing or engine wear, pose a serious threat to its performance. Foreign object damage is often

indicated by grinding noises or visible marks on the turbine or compressor blades.

To prevent these issues, Melett stresses the importance of inspecting and cleaning all intake pipes and air filters before fitting a replacement turbo. Regular servicing should include a thorough check of air hoses and filters to ensure they are free from contaminants and blockages.

Addressing overheating risks

Blocked diesel particulate filters (DPFs), hot engine shutdown or cooling system leaks can cause lasting damage to internal components. The excess heat caused by these issues leads to carbonisation of the oil within the turbo. Left unaddressed, these problems can lead to complete turbocharger failure.

Melett recommends technicians check cooling systems and DPFs for any blockages or leaks during servicing. Additionally, drivers should be reminded to allow engines to cool after long journeys to protect the turbo from unnecessary strain.

CVW travelled up to South & City College in Birmingham to have a look around its new hydrogen training facility.

PREPPINGFORTHEFUTURE: SCCB’SHYDROGEN TRAININGFACILITY

South & City College Birmingham (SCCB) has taken a major step toward the future of sustainable automotive technology with the unveiling of a cutting-edge hydrogen vehicle training facility. This initiative, made possible by a substantial £1.5 million capital investment from The Office for Students, aims to equip the next generation of automotive professionals with the skills and knowledge needed to work on hydrogen-powered vehicles.

We recently visited the college to speak with Anshu Williams, assistant director of employer engagements and placements, and Jordan Steele, head of school for automotive technologies, to gain insight into the process of establishing this facility and its future implications.

L-R Anshu Williams, Dale Wooley, Nuff Qualters, Jordan Steele, Simon Hyde

From vision to reality

The concept for the facility was first announced in December 2022 after SCCB successfully secured funding through a highly competitive bidding process. The transformation from an idea into a fully functional training space was made possible through a pioneering partnership with Enginius, a division of vehicle manufacturer FAUN Zoeller, specialising in hydrogenpowered municipal vehicles.

The new 450m² ATEX-compliant workshop has been designed to meet industry standards, incorporating advanced ventilation and safety systems. It features vehicle lifts and an EV training area, ensuring a comprehensive learning environment for students. SCCB’s goal is to upskill the existing workforce to Levels 3 and 4 while also providing real-world training opportunities for higher education students pursuing foundation degrees. Additionally, lower-level students will benefit from new pathways leading to advanced training in hydrogen technology.

Overcoming challenges

Setting up a hydrogen vehicle training facility was not without its challenges. The process took approximately two years, with the workshop’s transformation adding an unexpected 12-month delay. According to Anshu, the existing workshop was far from ready for hydrogen training, necessitating extensive modifications.

“We had to redesign the space completely. This wasn’t just a case of setting up hydrogen training in an empty workshop –we had to rethink everything from scratch,” Anshu explained.

The power of further education and industry partnerships

One of the key drivers behind SCCB’s success has been its ability to adapt and develop tailored programs that meet industry demands. Anshu emphasised the importance of collaboration with businesses to ensure training aligns with sector needs. A prime example is the college’s partnership with Enginius on its hydrogen training fascility.

“Partnerships are actually really vital to everything we do. Because if businesses can’t engage with us, we’ll end up in a perpetual cycle of no one getting what they want because nobody’s talking to anybody. So this partnership is a really good example of this.” Anshu shared.

In further education, securing funding is often a crucial step in launching new projects. The collaboration between SCCB and Enginius involved working closely with awarding bodies such as the Institute of the Motor Industry to ensure the curriculum met industry standards. Jordan elaborated on the technical challenges:

“For us, the biggest hurdle is ensuring our staff are trained to the highest level so they can, in turn, train the students.

Mike Hopkins MBE(SCCB), Richard Parker(Mayor), Simon Hyde(FAUN-Zoeller)
Mike Hopkins MBE (SCCB) & Richard Parker (Mayor of the West Midlands)
“We had to redesign the space completely. This wasn’t just a case of setting up hydrogen training in an empty workshop – we had to rethink everything from scratch.” Anshu Williams.

Hydrogen technology is still new, and there isn’t much hands-on experience available yet. We’ve had to undergo our own training, source the right equipment, and build the curriculum from the ground up.”

Safety and technical considerations

One of the major concerns surrounding hydrogen vehicle training is safety. The facility’s hydrogen sensors are extremely sensitive, capable of detecting hydrogen levels at just 10 per cent of 1 per cent, well below the explosive threshold of 4 per cent.

Jordan pointed out that finding the right balance in safety measures has been a learning process. “We’re continuously refining our safety protocols, ensuring that even in the rare event of a leak, we remain well within safe operating limits.”

Another factor limiting the widespread adoption of hydrogen training in workshops is cost. Hydrogen

infrastructure is still in its early stages, and while SCCB is ahead of the curve, many businesses are hesitant to invest until demand increases. However, Jordan sees this as an opportunity.

“We’re using this time to figure everything out before the industry catches up. By getting ahead now, we’re opening ourselves up to new opportunities, including training for industries outside of automotive, such as construction, where hydrogen generators are becoming more common,” he noted.

Hydrogen’s role in the future

While hydrogen technology is still emerging, its potential has been recognised for decades. Jordan pointed to historical research on hydrogen-powered aircraft dating back to the 1930s as evidence of its longevity. Today, with a new hydrogen mega-plant under construction in the UK,

FOR MORE INFORMATION simply scan the QR Code

industry perception is beginning to shift.

“I think people are starting to see hydrogen as a viable alternative. Once the infrastructure is in place and production costs decrease, it will become much more mainstream,” Jordan predicted.

Anshu echoed this sentiment, highlighting the importance of preparing now for the future. “If we don’t explore hydrogen now, we could find ourselves in a difficult position down the line. Battery technology isn’t perfect, and having alternative solutions like hydrogen will be critical.”

Long-term training

SCCB is committed to not only preparing students for the present but also for longterm careers in the automotive sector. Jordan, a former apprentice himself, stressed the value of apprenticeships in developing skilled professionals.

“Apprenticeships are brilliant. I wouldn’t be here today without mine. If an employer truly invests in an apprentice, both the learner and the business benefit. It’s about building long-term expertise,” he said.

As hydrogen technology continues to gain traction, SCCB’s initiative positions the college as a leader in automotive education. By collaborating with industry partners, investing in state-of-the-art facilities, and focusing on safety and technical excellence, SCCB is helping shape the future of automotive training.

As Jordan aptly put it, “We want to make sure our students leave here the most qualified they can be –not just for next week, but for decades to come.”

With hydrogen vehicles set to play an increasingly important role in sustainable transport, SCCB’s forward-thinking approach ensures its graduates are ready to meet the challenges of tomorrow, today.

Richard Parker, Mayor of the West Midlands at the wheel

OPERATION STREAMLINE

CVW hears how Truckfile’s fleet and workshop management software system has transformed Wren Kitchens’ efficiency.

In the fast-paced world of fleet management, efficiency in the workshop can be the difference between vehicles sitting idle and a fleet running smoothly.

For Wren Kitchens, embracing digital systems like Truckfile has transformed its workshop operations, from streamlining defect reporting to enhancing real-time visibility into vehicle maintenance needs. These tools lie at the heart of a modern, efficient workshop.

Workshop management challenges

Managing a fleet as extensive and diverse as Wren Kitchens –which includes 250 trucks and 300 trailers –comes with significant challenges including:

● Tracking faults accurately: Ensuring vehicle defects are identified and logged efficiently to avoid unnecessary delays.

● Reducing downtime: Minimising the time vehicles spend in the workshop to maximise road availability.

Traditional methods, such as paper records and verbal communication, can often led to delays, inefficiencies, and errors. That’s where Truckfile’s digital tools come in, aiming to address these pain points and creating a more effective workflow.

Enhancing workshop operations

Truckfile transforms workshop processes by improving communication and streamlining operations for drivers, managers, and technicians.

Truckfile’s driver app allows drivers to report defects directly through the system, complete with photo evidence. This ensures that when a vehicle enters the workshop, technicians already have all the information needed to begin repairs. At Wren Kitchens, drivers use their smartphones to capture and upload images of defects. This creates a visual record that technicians can access

This transformation has led to measurable improvements for Wren Kitchens.

instantly, eliminating ambiguity and reducing preparation time.

Digital job cards provide a clear overview of tasks within the workshop. With real-time progress logging, managers gain a live view of ongoing work. This transparency helps workshops prioritise urgent jobs effectively and ensures that tools and parts are ready when needed.

Preventative maintenance is another key benefit of Truckfile. Its automated scheduling features make routine inspections seamless, preventing unexpected breakdowns and keeping fleet operations smooth. For Wren Kitchens, these reminders ensure the workshop operates efficiently and fleet compliance is maintained without disruption.

Compliance and record-keeping are also significantly simplified. Every workshop action is logged digitally, creating an audit trail that removes the need for manual paperwork. Records are easily accessible for internal reviews or external audits, saving time and ensuring accuracy.

Benefits in action

Philip Bennett, Wren Kitchens’ national fleet manager, highlights the transformative impact Truckfile has had:

“Truckfile simplifies everything. From defect reporting to job management, it ensures that our workshop is always one step ahead. The real-time visibility means there’s no guesswork –every technician knows what to do, and every manager can see what’s happening at any time.”

This transformation has led to measurable improvements for Wren Kitchens including faster vehicle turnaround times, reduced unscheduled downtime and greater compliance confidence, with all records readily available for audits.

Thefutureof workshop management

As workshops adapt to the increasing complexity of modern fleets, digital systems like Truckfile will play an even greater role. With the rise of hybrid and electric vehicles and stricter compliance requirements, these tools provide the flexibility and insights needed to stay ahead in a rapidly evolving industry.

For Wren Kitchens, Truckfile ensures its workshop remains the backbone of their fleet management, keeping every truck and trailer roadworthy, compliant, and ready to deliver. Whether you’re managing a fleet of five vehicles or 500, investing in digital workshop tools is no longer optional –it’s essential for thriving in today’s demanding logistics landscape. FOR MORE INFORMATION simply scan the QR Code

In a recent conversation with Jack Bryant from SF Tebby & Son, he shared insights into the company's expansion into the light commercial vehicle sector.

WORKSHOPSPOTLIGHT: SFTEBBY&SON

Isat down with Jack back in January to not only look around at the garage’s fascilities, but to also gain a greater understanding of what the LCV servicing sector is like. In our conversation, he emphasised to me the importance of swift turnaround times for fleet maintenance, noting that the garage prioritises efficiency to minimise downtime for its clients’

vehicles. Jack also discussed the challenges of staff retention and the proactive steps the company takes to foster a positive work environment, such as regular team outings and maintaining a relaxed atmosphere. For some background, this family-owned garageestablished in 1971 in Clifton, and has built a reputation over five decades for exceptional car servicing, repairs, and MOT

testing. In 2022, a strategic relocation to a state-of-the-art facility in Avonmouth marked a pivotal moment in the company's evolution, enabling an expansion into the realm of LCVs. Looking ahead, he mentioned that while the current demand for electric commercial vehicle servicing is modest, they are still preparing by training staff in electric vehicle maintenance.

A new chapter in avonmouth

The move to Avonmouth was more than a change of address; it was a calculated decision to align with the growing demands of the automotive industry. The new facility boasts seven lifts and houses a dedicated team of eight professionals, including a couple apprentices. Positioned adjacent to the M5 motorway, the location offers unparalleled accessibility, making it an ideal hub for servicing a diverse clientele.

The transition to Avonmouth also signalled SF Tebby & Son's foray into the LCV sector. Recognising the increasing prevalence of light commercial vehicles on the roads and the corresponding need for specialised maintenance, the garage adapted its services to cater to this segment. This pivot was facilitated by the expertise of two technicians who completed their apprenticeships with a focus on commercial vehicles at Ford. Their specialised knowledge laid a solid foundation for the garage’s expansion into LCV services.

Embracing LCVs

The decision to embrace LCVs was both organic and strategic. The Avonmouth area, characterised by its industrial landscape, presented a burgeoning demand for commercial vehicle services.

SF Tebby & Son seized this opportunity by equipping half of their new workshop with commercial vehicle ramps, ensuring they could accommodate larger vehicles such as long-wheelbase Ford Transits and Mercedes Sprinters. This investment not only diversified their service offerings but also attracted a substantial clientele, with LCVs now accounting for nearly half of the garage’s workload.

The garage’s commitment to excellence is evident in its approach to fleet maintenance. Understanding that time is a critical factor for businesses relying on commercial vehicles, Jack emphasised how they prioritise swift turnaround times. For routine maintenance, they ensure all necessary parts are in stock beforehand, aiming to complete services within a day. In cases of unexpected breakdowns or complex diagnostics, the team strives to minimise downtime, typically resolving issues within two to three days, contingent on parts availability.

The garage’s commitment to excellence is evident in its approach to fleet maintenance.

Navigating challenges

The expansion into LCV services has not been without challenges. Staff retention, a common issue in the automotive industry, has been addressed through fostering a positive work environment. Regular team outings, communal meals, and a relaxed atmosphere contribute to high morale and job satisfaction among employees.

Jack also recognises the importance of staying ahead in automotive technology. With approximately half of the workforce trained to Level Four in EV maintenance, SF Tebby & Son’s staff are well-prepared for the anticipated rise in electric commercial vehicles. While the current demand for EV van servicing is modest, primarily due to infrastructure limitations and the long-distance nature of their clients' operations, the garage is poised to meet future needs as the market evolves.

In terms of marketing, SF Tebby & Son has traditionally relied on word-of-mouth referrals, a testament to their longstanding reputation. However, recognising the potential of digital platforms, they have initiated efforts to establish a presence on social media. Although still in the early stages, with a modest following, these platforms are set to play a crucial role in reaching a broader audience and attracting new clients in the commercial sector.

SF Tebby & Son’s journey into the light commercial vehicle sector exemplifies strategic adaptation and forward-thinking. By leveraging their technical expertise, investing in specialised equipment, and maintaining a client-centric approach, they have successfully expanded their services to meet the evolving demands of the automotive industry. As they continue to navigate the challenges and opportunities in this sector, Jack expressed how they remain committed to delivering exceptional service, reinforcing their position as a trusted partner for both private and commercial vehicle owners in Bristol and beyond.

Fuel pressure fault finding TROUBLESHOOTER

Ben Martins, automotive application specialist from Pico Technology, gets to the bottom of a fuel pressure fault on a 2017 Mercedes Arocs truck.

One thing I love about this industry is that there is always something new to learn. Despite experience, surprises still arise! This was the case with a 2017 Mercedes Arocs truck (309,114km) showing a fuel pressure fault. The warning lights appeared, followed by limp mode. The issue had persisted for three months, difficult to diagnose due to its intermittency. As the fault worsened, it became easier to replicate and pinpoint.

The main fault codes were:

● A4000F - High-pressure fuel circuit not OK.

● 9D000A - Upper-level limit for rail pressure regulation reached.

Freeze frame data showed a 200-bar difference between desired and actual pressure, but no low-pressure supply issue when the fault was set.

Previous repairs

The truck had been in and out of the workshop for various issues. Parts replaced included:

Rail pressure sensor reading 13 bar with the engine off.

Inlet metering valve stuck, causing erratic idle. A new high-pressure pump resolved this.

Injectors 1 and 6 flagged by a highpressure test and replaced.

After these replacements, the fault persisted.

Identifying the noise

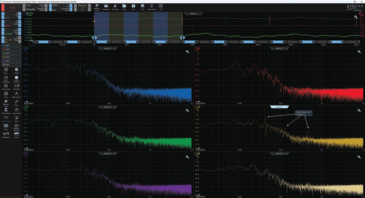
A squeak was noticed at high idle from the high-pressure injector common rail, coinciding with rail pressure fluctuations. When deviation exceeded limits, fault codes were triggered.

To investigate, we tapped into the spill return from the cylinder head and added a sight block. This allowed us to measure pressure and observe fuel flow for air bubbles, a potential culprit. We also used an accelerometer from the NVH kit to capture noise data.

By attaching the accelerometer to injector pipes, we saw high-frequency noise on cylinders 1, 3 and 4. The fuel rail pressure sensor also showed erratic behaviour. With this insight, we included the spill return pressure while monitoring fuel flow.

Understanding the waveform

Modern vehicle fuelling issues aren’t always straightforward due to ECU compensation for poor-performing cylinders. Analysing waveforms, we noted irregularities in the spill return for cylinders 2, 3, 4, and possibly 6. Two possibilities emerged:

Bigger pulse: higher flow, possibly a failing injector.

Smaller pulse: over-fuelling injector.

Finding the cause

The sight block revealed a significant amount of air in the return. Were the bubbles related to the squeak? To test this, we restricted the return line pressure using a stop tap while monitoring with the WPS500X sensor. When pressure increased, the noise stopped, and rail pressure stabilised. Key observations: Noise coincided with bubbles in the return.

Rail pressure fluctuated when bubbles were present.

Return line pressure was 0.5 bar when noise occurred.

Raising return pressure to 1 bar stopped the noise and stabilized rail pressure.

Given this, air likely entered from the high-pressure side. With the pump already replaced, possibilities included a porous cylinder head or failing injector sleeves.

Confirming the fault

A call to a specialist confirmed that a failed injector sleeve could allow cylinder air to enter the fuel return gallery. During compression, this air could disrupt injector operation, cause noise, and introduce bubbles into the return.

To pinpoint the faulty injector(s), we opted to replace all six sleeves while the cooling system was drained. Upon inspection, injector 4 stood out.

The key discovery

Injector 4 displayed discoloration, but the real issue appeared when removing the sealing washer –a crack in the injector body. This crack may have contributed to return pressure inconsistencies.

With injector 4 and all six sleeves replaced, the truck was reassembled. The cooling and fuel systems were bled, and testing resumed.

Post-repair results

Rail pressure and fuel return pressure data showed significant improvements:

● Rail pressure stabilized (now green on the graph).

● Return pressure remained steady at 1 bar.

● Defined pulses in the return line, aligning with injector spill events.

● No more air bubbles in the return.

Interestingly, prior captures suggested cylinder 4 as the issue. Reviewing accelerometer data in spectrum mode further highlighted injector 4's anomaly.

Deeper analysis with PicoScope 7

Using PicoScope 7 Automotive for waveform analysis provided a more indepth understanding of injector behaviour. The software allowed us to isolate individual injector waveforms and analyse high-frequency anomalies more clearly. When switching to spectrum mode, it became evident that injector 4 exhibited unique characteristics compared to the others. This non-intrusive testing method is invaluable for diagnosing similar faults in the future, reducing the need for unnecessary part replacements.

Lessons learned

This case highlights the importance of using advanced diagnostic tools and methodologies rather than relying solely on traditional mechanical assessments. A combination of NVH analysis, sight block testing, and waveform examination proved instrumental in diagnosing the root cause.

Thanks to Lee Sharp at L&D Commercials Ltd for the opportunity to work on this case!

SOMETHINGTO THINK ABOUT

As the diagnostics industry rapidly evolves, ThinkCar UK, the brand behind Thinktool, introduces its solution for tackling commercial vehicle diagnostics.

Busy workshops, even when they have multiple manufacturer-focused devices, often find they are coming up short on tools, and are looking towards these tools to plug the gap. “When workshops are running at capacity,” said Alex Gillbanks, managing director of ThinkCar UK “the need for even one more diagnostic tool can be very pressing.

“This is one of the reasons we are selling so many of our Thinktool Reader HD and Thinktool Master CV tools. However, what our customers tell us is while they are an easy buy, once they have them, they end up being the go-to devices for the workshop.”

Thinktool Reader HD covers 31 CV manufacturers, with wide capability on live data, actuation tests and more, including DPF regeneration, injector coding and trip reset. Thinktool Reader HD also supports full OBD HD functions. Meanwhile, Thinktool Master CV is a 10inch tool that offers full vehicle scan, fault code reading and clearance along with

maintenance reset functions, covering 150 vehicle manufacturers. Thinktool Master CV also provides 13 special functions and calibrates features across the board.

KEEPING TRACK

This AGM battery, the Odyssey Connect battery monitoring system, features a built-in sensor, which enables users to view battery status and real-time data on any smart device. It also provides up to the minute information on the battery’s true condition, allowing fleet operators to access a wealth of data at their fingertips, including:

State of charge (SOC): data is captured and highlighted in a graph showing 20 per cent increments over a six-day period.

State of health (SOH): data can be viewed to pro-actively monitor battery health highs, lows and warnings, which may require action.

Voltage and temperature: the battery monitoring system highlights the previous six days of battery voltage and temperature in a combined graph.

Battery history: the system captures and analyses battery operating parameter history from the first day of usage.

Fleet managers can also receive warnings and safety notifications to flag up any potential issues, which may need attention. In addition, there is an option to review battery trends to help identify performance anomalies.

Smart technology is significantly improving efficiency, safety and sustainability across the transportation industry, and EnerSys is leading the charge in shaping the future of battery management with its Odyssey Connect battery monitoring system. CVW hears more.

This technology enables users to

access real-time

information on battery status from day one which can enhance productivity.

“Batteries play a crucial role in keeping vehicles on the road, and the Odyssey Connect battery monitoring system from EnerSys is already becoming a game changer for the transportation and logistics industry, where reliability is key,” said Tom Spinks, transportation product manager at EnerSys.

“The Odyssey Connect monitoring system is a smart investment for operators looking to improve fleet efficiency. This technology enables users to access real-time information on battery status from day one,

which can enhance productivity and deliver uninterruptible power for a lower total cost of ownership. This means less worrying about vehicle downtime for operators and more focus on core business objectives.”

Key benefits

Enhanced performance and reliability –designed to provide real-time data on battery status, the battery monitoring system alerts users to any areas of concern, allowing fleet managers and engineers to identify and deal with any potential issues before they arise. This means the necessary action can be taken to avoid the cost and inconvenience of failing batteries and unexpected vehicle downtime.

Reduced risk of no starts in cold weather –heavy duty vehicles need twice as much energy to operate when the temperature falls below freezing, which is why weak or

damaged batteries are often unable to provide enough power to start the engine on icy mornings. In cold weather, the average battery can lose up to 60 per cent of its cranking power, which impacts on the engine starting properly. Odyssey batteries aim to provide the highest level of cold cranking amps (CCA) available to help get the engine going every time, so no starts on winter mornings become one less concern for operators.

Power to support high electrical demands– hotel loading and double driver shift patterns can often cause conventional vehicle batteries in heavy-duty vehicles to fail due to continuous use and depletion of available onboard energy. This can lead to vehicle breakdowns, disruption to delivery schedules and reduced productivity. The dual-purpose Odyssey Battery aims to operate as two batteries in one, providing exceptional cranking power to start the engine, whilst delivering superb deep cycle capacity to keep auxiliary loads such as heating, lighting and power sockets operating efficiently.

Longer Lifespan – Odyssey batteries are engineered for longevity. They are said to

last up to three times longer than traditional lead acid batteries, which require regular maintenance and more frequent replacements, incurring significant costs and logistical challenges. Thanks to a sealed AGM design, they are virtually maintenance free and never require watering.

Reduced total cost of ownership – while the initial investment in the Odyssey connect battery monitoring system may be higher than a traditional battery, the longterm savings are undeniable. The extended lifespan, combined with lower maintenance costs and a reduced risk of unexpected

vehicle downtime leads to a lower total cost of ownership (TCO). A battery upgrade is a smart investment for operators looking to improve their bottom line.

Odyssey batteries are engineered using absorbed glass mat (AGM) thin plate pure lead (TPPL) technology to provide the performance of two separate batteries in one package. They also all deliver massive deep cycle performance, as well as exceptional cranking power to start the engine every time, even in extreme temperatures.

WIN!

For a chance to win an Odyssey Battery backpack, filled with branded goodies including a beanie hat, T-shirt, fleece, travel mug and keyring, answer the question below.

How does the Oydssey Connect battery monitoring system enable users to view battery status in realtime?

A) On the battery casing

B) Using any smart device

C) In a log book

To enter, scan the QR code!

THEEVOLVINGWORLDOF LUBRICANTS

Lubricants play a critical role in the longevity and efficiency of engines, especiallyforvehicles inthe agriculture, off-highway, and commercial sectors. As the technology behind vehicles in these industries evolves, so too do the lubricants designed to keep them running smoothly.

Environmental regulations and emission standards

Governments worldwide are enforcing stricter emissions regulations for commercial vehicles. In response, vehicle manufacturers are producing engines with advanced emissions control systems. These engines require lubricants that not only provide superior protection but also work seamlessly with emissions reduction technologies like DPFs and SCR systems.

Low-ash and low-sulphur lubricants, which are less likely to clog these emissions systems, are becoming more common. Lubricants like low SAPS oils (sulphated ash, phosphorus, and sulphur) are now essential, especially for vehicles that must comply with Tier 4 or Euro VI emission standards. These lubricants not only help reduce emissions but also enhance fuel efficiency, which is critical for lowering the overall operating costs of heavy-duty vehicles.

Recent changes in lubricant formulations are addressing new challenges posed by stricter emissions regulations, more demanding workloads, and increasingly sophisticated machinery. Here, The Witham Group explain more about keeping pace with these developments.

Extended drain intervals and durability

Fleet managers are demanding more from their machinery in terms of operational hours and reliability. Extended drain intervals, which reduce the frequency of oil changes, have become a key selling point for modern lubricants. In highpressure environments, downtime for maintenance can significantly impact productivity, so lubricants designed to last longer between changes provide valuable time savings.

Manufacturers are developing synthetic lubricants that not only withstand higher temperatures, but also resist oxidation and degradation over longer periods. These lubricants retain their viscosity and protective properties for extended intervals, reducing the number of oil changes required, which in turn lowers maintenance costs and increases vehicle uptime.

Advanced protection for heavy loads

Off-highway vehicles and farm machinery often operate under extreme conditions, heavy loads, variable weather, and dusty or muddy environments. The lubricants for these vehicles must provide superior protection against wear, corrosion, and contamination. Modern lubricants are designed to create stronger protective films and are enhanced with anti-wear additives like zinc dialkyldithiophosphate, which helps protect engine components from the high-pressure stress caused by heavy loads. Additionally, lubricants are increasingly resistant to the challenges posed by contaminants like dirt and water, which are common in agricultural and offhighway environments. New formulations include advanced detergents and dispersants that help keep engines cleaner by preventing sludge formation and removing harmful deposits.

Environmentally friendly lubricants

Sustainability is increasingly becoming a priority across industries, including agriculture and construction. Bio-based lubricants, derived from renewable resources like vegetable oils are emerging as eco-friendly alternatives to traditional petroleum-based products. These lubricants are biodegradable and nontoxic, making them less harmful to the environment in case of leaks or spills, which is particularly important in agricultural operations where soil and water contamination can be detrimental.

While bio-based lubricants still face challenges in terms of performance and cost compared to synthetic and mineral oils, advancements are continually being made to improve their temperature stability and oxidation resistance, making them more viable for heavy-duty applications.

The future

Though still in the early stages, the shift towards hybrid and electric vehicles in the agriculture and commercial sectors is driving the need for new types of lubricants. Electric engines require specialised lubricants for cooling and electrical insulation. As more manufacturers introduce hybrid systems for agricultural vehicles, lubricants will need to adapt to these new types of powertrains, providing both conventional lubrication and cooling capabilities for electric motors and batteries.

The future of lubricants in commercial vehicles is increasingly shaped by the dual forces of sustainability and technology. As emissions standards tighten and machinery becomes more complex, lubricants are evolving to meet these demands with advanced formulations that enhance durability, protect against extreme conditions, and reduce environmental impact. The continued development of biobased alternatives and synthetic options will ensure that these industries remain both efficient and environmentally responsible.

The Witham Group is well-positioned for the next chapter in lubricant technology due to several key factors including its heritage and expertise. With over 104 years of experience, the Witham Group has a deep understanding of the lubricant industry.

Witham Group has consistently invested in research and development to stay ahead of technological advancements. For example, the company has developed a growing range of environmentally friendly products, such as its Prolan range, along with a unique blending process using solar and ultrasound.

Witham also works closely with original equipment manufacturers (OEMs) lubricant

additive companies and key industry bodies such as the UEIL, UKLA and VLS to ensure its products meet evolving technical standards. By obtaining necessary certifications and approvals from OEMs, Witham ensures that its lubricants are suitable for modern machinery and vehicles, including those used in agriculture, offhighway, and commercial sectors.

Furthermore, as environmental regulations around emissions and chemical safety continue to tighten, Witham's focus on creating low-sulphur, low-ash lubricants positions it favourably. Additionally, the company adheres to important standards like REACH, ensuring its products comply with European safety and environmental regulations.

Lastly, as hybrid and electric vehicle technologies become more prevalent, particularly in commercial sectors, lubricant manufacturers must evolve. The Witham Group has demonstrated an ability to adapt to new vehicle technologies and the changing landscape of powertrains by producing advanced synthetic lubricants that support both traditional and emerging engine types. Witham is also working with some OEMs on lubricants for its hydrogen innovations.

READ OIL ABOUTIT

Morris Lubricants has launched Versimax HD15; a 5W-30 heavy-duty diesel engine oil that holds the latest Volvo VDS-5 specification approval along with other original OEM qualifications. CVW has the latest.

The introduction of Volvo VDS-5 is a step change in Volvo's approach to improving engine efficiency and reducing emissions. This heavy-duty engine oil specification sees the introduction of a lower high temperature high shear (HTHS) requirement, between 2.9 and 3.5 cP (centipoise).

HTHS simulates and measures the thickness of the oil film generated between certain components in a working engine, such as journal/bearing face and the ring/liner area. Reducing oil film thickness means less drag on the components, which translates into energy savings and ultimately reduced emissions. A further advantage of this new Versimax HD15 5W-30 grade for Volvo VDS-5 is its ability to extend oil drain intervals by a further 50 per cent.

Versimax HD15 5W-30 grade for Volvo VDS-5 is specified for use in 13 litre Euro VI Step D engine designs. Its precise formulation has been developed so that it can be used in diesel engines fitted with exhaust gas re-circulation (EGR), selective catalytic reduction (SCR – AdBlue) NOx reduction systems, diesel oxidation catalysts (DOC) and diesel particulate filters (DPFs). Versimax HD15 5W-30 also aims to maximise fuel efficiency potential by producing a thin strong oil film whilst under load, which in turn reduces energy losses and CO₂ output.

It is important to stress that this engine oil specification is not suitable for use in older engine platforms as they are not designed to operate with lubricants providing a thinner oil film at this level. But don’t worry, there are other engine oils in the Morris Lubricants’ Versimax range that can cover these older engines.

Tried and tested

To bring this specific oil formulation to market Volvo VDS-5 has seen extensive testing during its development, as thinner oil films and extended oil drain intervals increase stress levels on engine components and the engine oil. Only when all the critical parameters were robustly met did Volvo Truck approve and validate this precise candidate formulation. The field-testing regime for Volvo VDS-5 took two years and included a cross section of Volvo vehicles undertaking duties from long haul to couriers.

Morris Lubricants has now launched Versimax HD15 5W-30 and it is believed to be one of the few candidate formulations currently available in the aftermarket that has gained formal Volvo approval for VDS5. A copy of the formal approval letter is available upon request from the Morris Lubricants’ technical services team.

“The field-testing regime for Volvo VDS-5 took two years and included a cross section of Volvo vehicles undertaking duties from long haul to couriers.”

Versimax HD15 5W-30 also has Renault RLD-5 and Mack EOS-5 approvals and has the following performance levels API FA4/SN, JASO DH-2, Daimler DTFR 15C130, Cummins CES 20087 and Detroit Diesel DFS 93K223.

Choosing the right oil

Adrian Hill, Morris Lubricants' technology manager explains: "The correct engine oils needed to serve the HGV market are always evolving and recently we have witnessed some significant changes. There are increasing pressures for the OEMs to design internal combustion engines that have less impact on the environment. This is achieved by designing engines that have improved fuel efficiency and reduced CO2 emissions. Therefore, heavy-duty diesel engine oils must keep up with these innovations and

FUELS, LUBRICANTS & ADDITIVES

the oil formulations have now become more complex. When you look at the oil needed in these newer engines, viscosity levels are now becoming a lot thinner. This results in reduced internal drag and more power getting to the wheels.

The launch of Versimax HD15 5W-30 for Volvo VDS-5 applications, with full OEM approval means that Morris Lubricants’ customers have access to the correct high quality engine oils to keep their engine

“When you look at the oil needed in these newer engines, viscosity levels are now becoming a lot thinner.”
Adrian Hill, technology manager

investment operating reliably. This official approval gives reassurance and complete peace of mind.”

The new Versimax HD15 5W-30 is part of the Versimax range, a series of high quality, heavy-duty diesel engine oils. As well covering a wide selection of Volvo engines, the Versimax range also includes heavy-duty engine oils for

MAN, Mack, Scania, Cummins, Caterpillar, Mercedes Benz, DAF, Renault and many more. The Versimax range is designed to help reduce downtime, improve fuel efficiency and contribute to the reduction in engine emissions.

Versimax HD15 5W-30 from Morris Lubricants is readily available in 25 litre drums, 205 litre barrels and in bulk supply. FOR MORE INFORMATION simply scan the QR Code

A FLUID FUTURE

With a strong history of staying ahead of the curve when it comes to fuel technology, Motul shares with CVW its latest innovations when looking to the future.

Motul has been aiming to fulfil the requirements of CV owners and operators in Europe for decades –for both running and servicing their trucks.

Keeping downtime to an absolute minimum is vital to all commercial vehicle owners and operators, something Motul is only too keenly aware of. This is not simply a case of producing products with long drain intervals, but also ensuring that, no matter what type of work a vehicle must tackle, the engine and gearbox are all kept in the best possible condition.Motul fully recognises the specific requirements of trucks and so its range covers different generations of diesel engine, with its range of Tekma heavy duty products aimed directly at helping optimise running for those who operate them.

The company is only too aware however, that the landscape is changing and that legislation and a desire to be more sustainable has impacted OEMs. This, of course, in turn filters on to suppliers to the industry – affecting lubricant companies as much, if not more so, than many other parts of the automotive mix. So Motul has been looking towards to future and, if past history is anything to go by, a glance at what Motul is doing today is where everyone else is likely to be in tomorrow.

FUELS, LUBRICANTS & ADDITIVES

Steps forward

In the 1950s, Motul really made the first major leap forward in automotive lubricants: multigrade motor oil. In 1966 Motul launched Century 2100 – the first semi-synthetic automotive lubricant and five years later, it launched the first fully synthetic motor oil – Motul 300V – using vegetal-derived ester technology that had been developed for the aircraft industry.

Then, two years ago, the company launched its latest NGEN range. All NGEN products use either high-quality regenerated raw materials in their formulation, i.e. oils that have already been used and recycled in a complex process, or oils from renewable biological sources. This not only reduces production-related CO2 emissions but also saves fossil raw materials and enables more sustainable production. The packaging uses recycled materials and is 100 per cent recyclable.

Given the large numbers of ICE vehicles that will be on our roads for many years to come, Motul decided to pioneer a sustainable oil range in every key aspect, but, vitally, it has developed lubricants that do not sacrifice performance in any respect to achieve this sustainability. In fact, NGEN oils actually feature enhanced aspects of performance over its traditional counterparts.

Motul NGEN means the individual can make a positive difference in sustainability when lubricating their vehicle, knowing however that this new range of lubricants will give them everything they need in terms of performance.

More NGEN variants will appear in the near future, amongst them heavy duty versions that will cover key applications in the commercial vehicle sector.

A sustainable partnership

Motul also sees that with the likely reduction of ICE vehicles and the growth in EVs, as well as other alternative types of fuel, there are opportunities that will certainly arrive. Therefore, the company has already looked at a fluid future that doesn’t rely wholly on conventionally powered vehicles.

Motul has forged a partnership with Green Corp Konnection (GCK), a pioneer in carbon-free mobility solutions. Together, they are working on enhancing battery performance and harnessing the power of hydrogen combustion. These advancements are predicted to reshape the future of mobility, making it eco-friendlier and more efficient.

The partnership has already yielded some impressive results, both in terms of enhancing EV technology and with hydrogen power.

On the electric power front, Motul and CGK have been working on immersion battery cooling uses a dielectric fluid. This technology is at the forefront for battery electric vehicles and, until now, has typically been employed to cool supercomputers that generate enormous amounts of heat. In this case the fluid is in direct contact with the battery cells, enabling better thermal management during charge and discharge cycles, as well as an improvement in the overall performance and safety of the battery and a much faster charging time.

Motul has demonstrated the efficacy of the dielectric fluid on several high-profile concept vehicles including the Caterham

7EV and the Motul’s own electric Lancia Delta Integrale.

Hydrogen is also coming more and more into the reckoning as a viable alternative sustainable vehicle fuel source. Here, Motul has again been working with GCK and the first visible results come in a project to convert diesel buses to hydrogen in the Auvergne-Rhône-Alpes region of France.

The thermal engine will be replaced by a hydrogen fuel cell powering an electric motor. It takes pride in providing dielectric fluid for the batteries of these new vehicles. 16 buses will hit the roads this year, with a target of 50 by 2026, thus heralding a promising era for new mobility.

“Overall, we are looking at what we think will be a golden period for downstream specialist lubricant companies, such as ours, in the coming few years,” explains Motul UK sales and marketing manager, Andy Wait. “However, we also see ourselves more and more as a fluid technology company, with a constantly strengthening sustainable outlook through exploring new opportunities in both traditional lubricants and alternative-fuel vehicle-related fluids. There are exciting times ahead…”

OIL INVESTIGATIONS INCREASE

When VLS was first formed in 2013, there was a lack of understanding in some areas of the marketplace. Twelve years later, we are confident that the message around compliance is being heard. However, the rise in cases over the past 12 to 18 months demonstrates that there is still work to do.

Trends in cases

To date, the VLS has investigated 123 cases but twelve months ago, the figure stood at ninety. VLS has seen a rise in case investigations of 37 per cent. In the past two years, VLS has opened 41 investigations, more than in the preceding six-year period. Whilst many of these relate to passenger vehicle engine oils, commercial vehicle engine oil cases are rising. Amongst these, non-compliance with stated specifications remains the mostfrequent cause of complaint.

Whether it be compliance with the ACEA’s European Engine Oil Sequences, other market standards or conflicting or

CVW spoke to Alan Outhwaite, chairman of the Verification of Lubricant Specifications (VLS) technical review panel, about the recent spike in lubricant investigations and its work to uphold standards in the lubricants industry.

unevidenced OEM approvals, it is vital that workshops can be confident that a product can deliver what it claims and is suitable for use in the given application.

In many cases, products have been reformulated and brought into compliance. For example, case VLS 010201 regarded a complaint against Aztec Oils Emprotec UHPD 10W40, a heavy-duty engine oil, which alleged that Renault does not support the RLD-4 as a specification, and as such, the product cannot meet it.

Following an investigation, VLS upheld the complaint as Renault does not issue the RLD-4 specification for service fill, and it is not mandated for use in any of their current vehicles. Aztec Oils moved quickly to withdraw the claim against RLD-4. They retained the claim against RLD-3 and amended the product's description and technical data sheet accordingly.

However, several cases have also been referred to Trading Standards for noncompliance and to protect driver safety. The primary authority relationship with Buckinghamshire and Surrey Trading Standards, which VLS entered into in 2020, has proved effective in concluding certain cases where escalation has been required to prompt action. For example, case 010211 which was a complaint against a 5W-30 ACEA E9/E7 automotive heavy-duty vehicle engine diesel oil, is currently under investigation. The technical review panel

has determined that the product is not compliant with the ACEA claims made based on its high temp/high shear test result. The lubricant marketer has been contacted regarding the result.

Changes in the industry

Hybrid vehicles now have an increasing share of the vehicle parc, with specialist performance requirements for specific engines. Lower viscosity fluids formulated with complex additive chemistries have continued to become more commonplace, increasing the number of products in the market. Correct selection is imperative, compounded by the ageing vehicle parc where the most modern formulations may not be suitable for older vehicles.

Additives play a vital part in lubricant performance, delivering a variety of characteristics to combat wear and corrosion, disperse soot and prevent the build-up of deposits whilst ensuring compatibility with emission control devices. Along with the proliferation of lubricant products in general, VLS is concerned about the integrity of products from new companies entering the additives market. Their additives may be cheaper, but they may also not be fully tested or approved as published industry and OEM specifications require. Thus, we are monitoring this market development closely.

VLS Case Summary by Complaint Type

EMISSIONS CONTROL

Dr David Phillips, technical director at Eminox, explains how operators, fleet managers and workshop professionals can maximise efficiencies and achieve necessary emission compliance.

Emissions compliance is nonnegotiable for anyone operating or maintaining diesel-powered commercial vehicles in emission control areas and densely populated urban zones.

Understanding the purpose and maintenance requirements of a diesel particulate filter (DPF) is imperative to keep vehicles running and compliant with the latest emissions legislation.

Therefore. Dr David Phillips from Emionx is here to explain how you can maximise efficiencies and achieve all necessary compliances

Compliance essentials

A DPF is a critical component in a vehicle’s exhaust system, designed to capture and store soot particles emitted from the engine. These soot particles, also known as particulate matter (PM), are harmful pollutants that contribute to air quality degradation and public health issues.

A serviceable component, a DPF should be maintained on a regular basis to ensure it continues to comply with emissions regulations. Doing so will help ensure efficiency in performance, however, dashboard lights can appear at other times, primarily when a DPF becomes blocked. This is most typically evident through compromised vehicle performance, black exhaust fumes and unusual engine smells, and all can have a negative impact on achieving essential emissions compliance. If any of these scenarios occur, there are options available to ensure the vehicle maintains the necessary levels of emissions compliance.

Supporting operations

As a DPF is an intrinsic part of a vehicle emission control system, a speedy replacement with a superior quality product is vital to ensure the vehicle spends as little time as possible out of operation. A DPF failure can have a detrimental impact on day-to-day business operations and a direct impact to fuel costs and vehicle performance.

A DPF should be maintained regularly to ensure it complies with emissions regulations.

To support vehicle operators and workshop engineers, replacement Euro 6 diesel particulate filters to fit all major truck brands including Mercedes, Scania, Renault, Volvo, MAN, DAF, and Iveco are available from Eminox. All are manufactured to OEM specifications, are type approved, are supplied with fully compatible fittings and have a three-year, unlimited mileage warranty. In addition to replacement parts, distributors and large

fleet operators can also benefit from remanufactured DPFs. This exchange programme utilises market leading cleaning processes fully compliant with OE requirements giving confidence a quality cleaned DPF is being fitted.

Continued compliance

Knowing that vehicle DPFs are in optimum working order brings reassurance regarding vehicle compliance, continued performance, and minimal downtime. Therefore, it is important fleet operators and maintenance teams act responsibly to achieve this. This is particularly important when driving in the ever-increasing amount of UK based Ultra-Low Emission or Clean Air Zones (ULEZ or CAZ) as significant fines can be applied for non-compliance. For those who operate vehicles on the continent, even higher standards of DPF testing are present in Belgium, The Netherlands, Switzerland and Germany and it is expected future adherence is likely in more countries.

Eminox is proud to have the following accreditations at its UK and European facilities - IATF 16949 accredited, ISO 9001 accredited, ISO 14001 accredited and ISO 45001 accredited.

DON’T EXHAUST YOUR FLEETS!

With the high mileages and hard-working lives of vans, box trucks and pick-up trucks – exhausts often become damaged.

Therefore, James Ellison, sales director at Klarius Products, explains why adopting best repair practices in light commercial vehicles is crucial for longterm roadworthiness, reliability, safety and legislative compliance.

The exhaust system on an LCV reduces particulate and gas emissions, protecting vehicle performance, driver and public safety. If an exhaust is not properly maintained, a vehicle will probably fail its MOT on emissions, rendering it unroadworthy until the issue is fixed. Having an uncompliant, unusable vehicle is not an ideal situation for any fleet operator and can result in fines. Routine exhaust inspections and maintenance are therefore very important.

Ramping up checks

With a customer’s LCV on the ramp, there are some potential problems to look out for. First is corrosion. Hanging underneath the vehicle in the firing line of road salt, moisture and varied temperatures, exhausts can corrode faster than other components. Areas that are particularly prone include the flanges, joints and hangers.

Next are leaky seals or gaskets, which are usually signposted by hissing sounds and a decrease in engine efficiency. Look at the joins of each exhaust section to check the condition of these items. Sooty deposits are also a sure sign of a leak.

Structural damage and cracks are quite visible too. Exhausts experience a lot of vibration throughout their service lives, which results in metal fatigue. To spot this issue early, focus on areas of the exhaust that are loose, not properly supported or are deformed. Anywhere near a bracket can be particularly susceptible.

Running into a roadblock

Blocked catalytic converters (CATs) and diesel particulate filters (DPFs) are harder to see, but still easy to diagnose.

DPFs capture soot from the exhaust gas stream and reduce it to fine ash in a process called regeneration. These devices gradually fill up and eventually become blocked. This can happen surprisingly quickly if the exhaust rarely reaches the

required temperature for regeneration due to regular short journeys.

CATs react pollutants inside a monolith to reduce emissions, but if the engine is running rich, carbon deposits clog the device, preventing gases from flowing through.

Unburnt fuel from incomplete combustion can damage the internals of the CAT as well.

In both cases, an alarming lack of power and a check engine light are key indicators. An OBD2 scanner or a gas analyser will confirm any suspicions. Sometimes, a blocked DPF can be cleaned, but in the case of a CAT, a full replacement is needed.

Get replacements right

Not every exhaust issue can be fixed. In these cases, fitting replacement componentsthat match or exceed the quality of the original equipment manufacturer (OEM) items is the way to go. This will maintain emissions compliance, safeguard engine performance and provide the best possible service life.

Specifying parts that are designed for the exact make, model and production year of the repair vehicle is essential for a proper fit. Klarius supports this with an online catalogue for its customers, as well as a fit first time guarantee for every product in range.

Regarding fitment, when installing a replacement exhaust, ensuring the right alignment and using proper mountings is critical for system reliability. To prevent

leaks, always use the correct gaskets and seals and ensure that all clamps and bolts are tightened to torque settings.

Prevention is better than a cure

Before a full replacement becomes necessary, there are some preventative measures that can save a major repair. Encouraging drivers to flag unusual noises, smells or changes in vehicle performance can save further trouble down the road. Obviously, conducting exhaust system checks as part of routine servicing also helps.

Using quality additives in selective catalytic reduction (SCR) systems is another measure that can extend maintenance intervals for modern diesel vans. Products such as CrystalGuard maximise combustion efficiency within the SCR during the low loads and temperatures common in city or stop/start driving, preventing the crystallisation issues common with AdBlue.

Back on the job

As well as adhering to best practice, technicians can improve customer satisfaction by fitting the best quality replacement components when the time forrepair comes.

Offering over 11,000 different references that cover nearly all LCVs on UK roads, Klarius Products is a trusted exhaust supplier for vans, box trucks and pick-up trucks. Offering next morning delivery from factory for orders placed before 5:30 PM, and even faster from local factors, Klarius aims to deliver OEM quality exhausts to help technicians get LCVs back on the road fast.

ECO-FRIENDLY TRANSPORT

Highway Automotive looks at what NOx sensors do, why they’re important and tips when fitting them.

Reducing harmful greenhouse gas emissions is a priority for legislators globally, which means that it’s also a central issue for those responsible for servicing and repairing commercial vehicles and for the fleet operators and logistics businesses running them.

Although no engine systems are designed to work in isolation, efficient fuel combustion is a necessity for the diesel engines that still make up the vast majority of Europe’s CVs. They generally achieve this by operating under high pressure and using forced induction, which increases oxygen intake and improves combustion, but also produces more heat.

Unfortunately, the greater the temperature, the more nitrogen oxides (NOx) are produced, and NOx is bad for people and the wider environment, which is where the exhaust gas recirculation (EGR) system steps in. However, without reliable monitoring of the NOx levels in the exhaust gases, the EGR system cannot perform efficiently, and this is the role of the NOx sensor.

Alongside the EGR system, many modern engines also use a diesel exhaust fluid such as AdBlue, which, when injected into the exhaust system, helps to reduce pollutants by breaking down the harmful NOx into benign nitrogen and water and can achieve reduction in NOx emissions of up to 80 per cent.

However, for the exhaust fluid to work effectively, the engine, and its related systems, need to analyse the amount of NOx being emitted, the exhaust gas temperature, the turbo boost pressure and the ambient temperature, as well as the status of the EGR system.

This data is collected and sent to the engine control unit (ECU), which processes the information to determine the required amount of exhaust fluid that needs to be introduced into the exhaust stream before it reaches the diesel particulate filter (DPF), as well as the fuel and air mixture for the combustion chambers.

As a result, a fast and accurately performing NOx sensor is a crucial element within the system, but because it is exposed to hot exhaust gases and operates in an extremely hostile environment, it has a limited lifespan and will eventually need to be replaced.

A faulty or failing NOx sensor can cause several problems including poor engine performance, increased fuel consumption, excessive wear on catalytic converters and damage to the DPF system.

If the engine displays any of these symptoms, it is likely that the NOx sensor will need to be replaced. However, replacing and installing a NOx sensor requires careful attention and should only be undertaken by trained technicians using the correct diagnostic tools.

Best practice tips

To ensure the replacement NOx sensor performs correctly and returns a long service life, these key principles must be followed:

Do not clean the sensor's measuring tip with any tools or chemicals. Once installed, the tip must face perpendicular to the exhaust stream. Mount the sensor on a straight part of the exhaust pipe where the gases are hot. To protect it from damage, install the sensor on the upper side of the pipe, which will prevent water condensation during engine warm-up.

It is important to be aware that incorrect installation can delay the sensor's response time, disrupt data sent to the ECU and reduce the sensor's lifespan.

When an original factory exhaust system is being repaired, it must be noted that ‘universal’ NOX sensors do not exist, rather they are tailored to a specific vehicle and

“It is important to be aware that incorrect installation can delay the sensor’s response time, disrupt data sent to the ECU and reduce the sensor’s lifespan.”

engine variant. The selection of a replacement sensor must therefore be based on detailed parameters and guidelines specified by the vehicle manufacturer.

Accordingly, Highway Automotive only supplies replacement NOx sensors that are designed and produced following the vehicle manufacturers’ specifications, and through its product catalogues, it indicates precisely which type of sensor should be used in the vehicle being repaired. In addition, each is delivered individually calibrated and protected against accidental contamination or damage.

Highway Automotive also conducts NOx sensor testing with specialised equipment that simulates real-world conditions. This testing measures the sensor's electrical parameters, response times, and readings. It helps determine if the sensor works appropriately or identifies any issues causing its failure.

After installation, clear all errors and old data from the ECU and perform a sensor adaptation procedure.

YOUKNOW IT MAKES SENSOR!

With a million more vans on the road compared with a decade ago, most of which run on diesel, Hella is supporting CV workshops by making sure they have trouble-free access to an ever-expanding NOx sensor range.

Hella’s NOx sensor range includes more than 115 references covering over 30,000 CV and PC applications. It has applications covered for Vauxhall, Mercedes-Benz and many more. On the heavy commercial vehicle front, Hella’s NOx sensor offering supports DAF, Scania, Renault, Volvo and beyond.

The overwhelming popularity of diesel vehicles in the last 20 years means there are millions of examples on UK roads requiring a host of parts, crucially including NOx sensors. Meanwhile, research from advocacy group Transport and

Environment recently showed there are one million more vans on the road compared with 2014, with most running on diesel.

Ongoing concerns around diesel emissions and continually tightening legislation means that it is important that these vehicles are running at the optimum level, with the NOx sensor playing a vital role in this.

“Hella’s NOx sensors light and heavy commercial vehicles offer high resistance to engine vibrations and increased temperatures,” said Helen Goldingay, UK marketing and communications manager at Hella. “They are meticulously designed, built and tested to meet OEM specifications for both Euro 5 and Euro 6 applications.”

FOR MORE INFORMATION simply scan the QR Code

TORQUE THE TORQUE LASER TOOLS

Laser Tools has introduced a new range of heavy-duty, click-type torque wrenches. Two 3/4 in drive and two 1 in drive versions are available, all featuring a strong 24-tooth ratchet mechanism and an easy-to-read scale. The large knurled grip handle and spring-loaded locking collar aim to ensure secure operation and easy adjustment.

The 8957 3/4in drive model is 1012mm long and offers a torque range of 100 to 600Nm (73.8 - 442.5 lb-ft), with precise adjustment in 0.25Nm increments. 8958 is also a 3/4in drive model, this time 1220mm long with a torque range of 160 to 800Nm (118 –590 lb-ft), adjustable in 4Nm increments.

The extra-heavy-duty 1in drive models sport two-piece handles to get the required extra leverage. The 8959 is 1827mm long and offers a torque range of 240 to 1200Nm (177 to 885lb-ft), this time adjustable in 6Nm increments. The 8960 model is also 1827mm long but the torque range is now 480 to 1500Nm (354 - 1106lb-ft), also adjustable in 6Nm increments.

UPGRADED WIPER BLADES BORG & BECK

First Line has launched an upgrade to its Borg & Beck wiper blade range. The conventional blades have been redesigned to be quieter than before and come in 11 SKUs ranging from 280mm to 700mm, featuring an all-metal vented frame design for added strength and reliability. Each blade includes a universal pre-attached adaptor, aiming to ensure compatibility with all hook wiper arms, as well as a legacy side pin and 7mm bayonet wiper arms. Meanwhile, the flat blades have been enhanced with a deeper, symmetrical spoiler for windlift resistance at high speeds.

The range offers additional coverage on some of the very latest vehicle makes and models on the road, with the TTL covering BMW X2, Dacia Duster, and Renault Captur and Clio, and the notched push button covering BMW X3 and X4, Jaguar EPace, Land Rover Discover, Lexus NX, Mazda CX-5, Subaru Impreza, and Toyota Mirai and Prius, with more models continuing to be suitable.

WANT TO KNOW MORE?

WWW.RDR.LINK/VBS022 GOTO

SAND AWAY POWER-TEC

Power-TEC has introduced an air belt sander (part number 92712), engineered for precision sanding and finishing in confined spaces. It features a narrow finger-style belt combined with a swivelling sanding belt head and variable speed control, making it ideal for vehicle bodywork, shaping and repair, alloy wheel refinishing, and metal fabrication. Particularly useful on GRP and plastic bodywork repair. Designed to work with narrow 10mm x 330mm (3/8in x 13in) sanding belts, the air belt sander is powered by workshop compressed air, delivering a free speed of 18,000 RPM for fast, efficient material removal. With a lightweight construction of 0.77kg, coupled to a low noise level of 80dB and minimal vibration at 0.59m/s², it ensures user comfort during extended use.

WANT TO KNOW MORE?

MULTI-PURPOSE CROSS BEAM STERTIL-KONI

Stertil-Koni has launched of the multi-purpose cross beam. Its design provides extra working space and enhanced accessibility, ensuring convenience and safety for operators. Fully compatible with Stertil-Koni’s mobile column lifts, this cross beam aims to integrate seamlessly into existing maintenance operations.

Equipped with swivel castors for effortless manoeuvrability, the cross beam is easy to position. Standard adjustable height adaptors deliver flexibility to meet a variety of maintenance needs, whilst optional pin adaptors are available for more specialised applications. It also has specifications including a lifting capacity of 20,000kg, a height of 380 mm, a length of 3800mm, a width of 873mm, and a total weight of 650kg.

WANT TO KNOW MORE? WWW.RDR.LINK/VBS024 GOTO

CALIPERS JURATEK

Juratek, has added more than 300 calipers to its product portfolio. The additional 358 numbers introduced since September 2024 means the range now consists of over 900 calipers and has increased vehicle parc coverage to over 33 million vehicles. Applications for the new additions include Mk.7 Volkswagen Golf, Audi A1 2019-, Ford Focus 2018- and Fiesta 2017-, Hyundai i30 2016- and Ceed 2018-, Mazda CX-3 2015-, and many more popular applications. Despite this added impetus on the caliper range, Juratek is still hard at work developing new discs and friction products. In the last year the company launched almost 250 new parts including replacements for the OE bi-metallic disc for Mercedes and Land Rover applications.

WANT TO KNOW MORE?

WWW.RDR.LINK/VBS025 GOTO

LCV TURBO EXPANSION IVOR SEARLE

Remanufacturer Ivor Searle has added 16 applications to its range of turbos for diesel powered lightcommercial vehicles. The latest additions include turbos for the Iveco Daily, Renault Master and Vauxhall Vivaro, as well as the Mercedes X Class. Ivor Searle is constantly adding to its all makes programme of engines, gearboxes and turbochargers which cover over 90 per cent of the UK’s LCV parc.

WANT TO KNOW MORE?

WWW.RDR.LINK/VBS026 GOTO

STEERING TO EXPANSION IMEXPART

Imexpart has expanded its APlus range of steering and suspension parts for LCVs, trucks, buses and agricultural equipment. With over 15,000 product lines in stock, the range has been engineered for an extensive variety of applications, including Mercedes, Volvo, Scania, DAF, Iveco and Renault.

To further assist motor factors, IMEX is enhancing its customer experience with its online portal. This platform allows easy access to the extensive DAF and Mercedes parts catalogues, along with exclusive benefits like its competitive pricing ‘Price Pledge’ and exclusive discounts for motor factors.

WANT TO KNOW MORE?

WWW.RDR.LINK/VBS027 GOTO

CORROSION NO MORE LASER TOOLS

When fitting new brake pads but retaining the discs, corrosion and a pronounced lip on the disc edges can cause problems. Laser Tools’ small brake disc lip removal tool (part number 8515) is the perfect solution, ensuring smooth operation and proper fitment of new pads. This hand-operated tool quickly removes corrosion and trims back the lip on the disc face with precision. Hold it steady against the corrosion as the brake disc is turned; the super-hard, tungsten-steel cutter is the secret — effortlessly slicing through the lip and heavy corrosion with just a few turns of the disc. The result? A clean, smooth edge, ready for new brake pads. The tool’s narrow blade design also allows access to sliding caliper faces, effortlessly removing corrosion and accumulated brake pad dust and debris.

WANT TO KNOW MORE?

WWW.RDR.LINK/VBS028 GOTO

CYBER SECURE DIAGNOSTICS

HELLA GUTMANN

The mega macs S 20 is packed with feature including support for diagnostics over internet protocol (DoIP), CAN-FD protocols, and built-in security gateway access, ensuring compatibility with the latest vehicle systems. Technicians can use any Android tablet or smartphone to run diagnostics, connecting via Bluetooth or USB-C. Simply plug the S 20 VCI into a vehicle’s OBD port, and the system is ready to go within seconds. Hella Gutmann’s S 20 package includes a rugged Android tablet for seamless diagnostics. Furthermore, with Cyber Security Management (CSM) and Advanced Driver Assistance System (ADAS) functionality included at no extra cost, the mega macs S 20 allows workshops to bypass complex manufacturer registrations, offering quick access to vehicles protected by security gateways following a one-time setup. With support for over 20 manufacturers – including, Mercedes-Benz, Renault, and Volkswagen – the S 20 makes it easier than ever for workshops to service a wide variety of cyber-secure vehicles without additional hassle or expense.

WANT TO KNOW MORE?

WWW.RDR.LINK/VBS029 GOTO

THE PERFECT COMBINATION FORVIA HELLA

Forvia Hella has expanded its SlimLine product family with a new LED combination lamp, which is now available for the first time worldwide in the rectangular design language of the SlimLine series. The module combines the three light functions of daytime running light, position light and direction indicator light in a rectangular design.

The lamp is available in both ECE and SAE versions, which comply with European and US market standards, respectively. This versatility allows for wide application in different regions. In addition, the LED combination lamp offers two connector variants: the FEP and DEUTSCH DT connectors, which provides flexibility to integrate into different vehicles and meet specific customer requirements. Made of impact-resistant polycarbonate, the lamp resists strong vibrations and operates in a wide temperature range of -40°C to +60°C, making it a reliable and suitable choice for demanding applications.

WANT TO KNOW MORE?

WWW.RDR.LINK/VBS030 GOTO

DIGITAL DIGEST

5 2

FEBRUARY’S TOPFIVE 1

helpful business tips, it’s a great source of information right at your fingertips. If you’re not already convinced, this month lets take a look back at the most popular articles on the website from the past month.

1 KITTED OUT

Kicking off this month’s list of popular online articles, the engineers at Nissens Automotive are decking a Scania RSeries out with a new turbo and heat exchanger. This is after the truck came into the workshop with several faults, including coolant loss and lack of power.

WWW.RDR.LINK/ VBS031

2 WET TIMING BELT DEEP DIVE

Next up, Lou McCaskill from GT Automotive Parts, takes a look at the infamous wet timing belt. Inside, find out its purpose and the issues its created (including frequent premature failures) in the popular Ford Transit, amongst other vehicles.

WWW.RDR.LINK/ VBS032

3

CORDLESS POWER TOOLS

Have you ever wondered whether cordless power tools might be the way forward? Then look no further than this next article from Milwaukee Tools, exploring how cordless power tools are influencing the way garages are working.

WWW.RDR.LINK/ VBS033

4

4

TYRE CHOICE IS KEY

Next up, i247 group emphasises how important tyre choice is. For example, one analysis identified potential savings of more than £1 million over five years for a 1,400-vehicle delivery fleet simply by choosing tyres suited to stop-start driving and frequent kerb mounting.

WWW.RDR.LINK/ VBS034

3

5

GOING MOBILE

Rounding off this month’s CVW hears from Prohire’s repair and maintenance arm who is expanding its mobile technician service. This is after a successful introduction of mobile technicians to its Tunbridge Wells depot.

WWW.RDR.LINK/ VBS035

Here is a useful summary of all the adverts that appear in this issue of Commercial Vehicle Workshop. Each is listed with its page number and a direct URL that will get you straight to the relevant online information.

Contitech Power Transmission Group ....................(page 19)

www.rdr.link/VBS100

DVV Media International ........................................(page 30)

www.rdr.link/VBS101

Eminox ....................................................................(page 45)

www.rdr.link/VBS102

Esprit ......................................................................(page 24)

www.rdr.link/VBS103

Febi ..........................................................................(page 4)

www.rdr.link/VBS104

Febi ..........................................................................(page 9)

www.rdr.link/VBS105

Liftmaster Ltd ..........................................................(page 7)

www.rdr.link/VBS106

Machine Mart ..........................................................(page 37)

www.rdr.link/VBS107

MAHA UK ..............................................................(page 38) www.rdr.link/VBS108

Mann+Hummel (UK) Ltd ........................................(page 14) www.rdr.link/VBS109

Mechanex ..............................................................(page 42) www.rdr.link/VBS110

Morris Lubricants ....................................................(page 27) www.rdr.link/VBS111

Nineteen Group ......................................................(page 35) www.rdr.link/VBS112

Premier Pits ............................................................(page 32) www.rdr.link/VBS113

Stertil UK Ltd ..............................(page 2, Inside front cover) www.rdr.link/VBS114

Totalkare ................................(page 52, Outside back cover) www.rdr.link/VBS115

Turn static files into dynamic content formats.

Create a flipbook
Issuu converts static files into: digital portfolios, online yearbooks, online catalogs, digital photo albums and more. Sign up and create your flipbook.