Professional Electrician & Installer May 2025

Page 1


HIGHER AND MIGHTY

CONTACTUM UNVEILS A BRAND NEW 250 A DISTRIBUTION BOARD

The key steps to correctly achieving safe isolation

32 The team at NAPIT ‘codebreak’ more of the latest reader submissions

35 The requirements for the protection against electric shock in medical locations

38 Dr Zzeus, Tom Brookes, answers another fire safety-related question from the field

40 The key responsibilities that will ensure tenant safety and legal adherence with the PRS electrical safety check requirements

is an apprenticeship of such value?

42 What is neutral current diversion (NCD) and where is it most likely to occur?

44 A look at the requirements for Type B RCD use in heat pump installations

50 Where do three-phase supplies come from and what are some of the general terms used?

53 Chewing the fat over the latest developments in circuit protection as we head towards a more prosumer-conscious society

57 Why Hager is leading the education drive around heat pumps and the need for the correct circuit protection

58 What role is TIS playing in the current industry safe isolation drive?

60 How standardised bespoke EV switchboards from Proteus have been utilised in the rollout of EV charging infrastructure for some of the UK’s retail parks

63 Taking a deeper dive into some of the features and benefits of a new AFDD solution

64 Introducing a new range that aims to meet the latest surge protection needs

66 A look at the internal safety protection incorporated in some of the products you use every day

68 Why a healthy respect for customers, quality products and the electrical industry in general is helping to secure one brand’s reputation as a serious player in the circuit protection market

Products & Business Solutions

70 How to grow your business in just one hour

73 Tips to make smarter lighting simple through the use of Shelly devices

76 Identifying the ‘hacks’ available through Powered Now’s software that can make it easier to run your business

79 A look at some of the highlights from Rolec’s recent two-day launch event

83 Mike Humphries of Greenhawk Construction gets his hands into a pair of Olba work gloves from MCR Safety

84 Which products have been specified, and where?

88 Rounding up the newest products, tools and equipment to help you with your work

Get your hands on a £200 Experience voucher with

Meet the team

Editor

RICHARD BOWLER

email: pe@hamerville co uk

Digital Manager

REBECCA MCGEOCH

email: rmcgeoch@hamerville co uk

Digital Assistant

ADAM ROBERTS

email: aroberts@hamerville co uk

Advertisement Manager

ANTHONY SCOTT

email: ascott@hamerville co uk

Assistant Advertisement Manager

IAN TURNER

email: ianturner@hamerville co uk

Design

ADEEL QADRI

Production Assistant

KERRI SMITH

Group Production Manager CAROL PADGETT

Distribution Manager

KARL CLARK

Printed by:

PCP TELFORD

Published by:

HAMERVILLE MEDIA GROUP

Regal House Regal Way

Watford, Herts, WD24 4YF

Tel: 01923 237799

Fax: 01923 246901

Email: pe@hamerville co uk

PROFESSIONAL ELECTRICIAN is the business journal for the electrical contracting industry It is available to the trade at leading electrical wholesalers throughout the UK © 2025

Subscriptions to PROFESSIONAL ELECTRICIAN are available Please contact us for rates

Image References (Adobe Stock):

Pg 20 Handshake © Alisaaa

Pg 29 CPD Sign © BeenaTreena

Pg 63 CU Check © Auremar

Pg 64 Lightning Strike © Nattapun

Pg 70 60 Minutes © Clare M

Further Image References:

Front Cover & Pages 16/17 © Trevor Burton | BlackBlue

Editor ’s Viewpoint

The power of community

Although the topic of mental health is a yearround conversation, the month of May will play host to Mental Health Awareness Week (May 12th – 18th), an annual campaign designed to shine light on mental health and well-being.

In a slight departure from my usual Viewpoint rantings, this month’s column is being handed over to the Electrical Industries Charity (EIC), who will explain more about some of the activities taking place and the benefits of building a support community within our sector

As part of Mental Health Awareness Week, the Mental Health Foundation has chosen the theme of ‘community’ as its campaign hook At the EIC, we understand the importance of community in maintaining mental well-being Whether it’s a close-knit group of colleagues, a supportive online network or the industrywide community that connects us, having people around who care, listen and support one another makes all the difference

Being part of a safe, positive and engaged community is vital for our mental health We thrive when we have strong connections, meaningful relationships and access to support Studies show that people who are socially connected – to their families, friends, workplaces or broader communities – are happier, healthier and live longer than those who experience social isolation

For many in the electrical and energy industries, work can often be demanding, high-pressure and even isolating Whether it’s long hours on-site, working away from home or managing the challenges of running a business, mental health can sometimes take a back seat That’s why fostering a strong sense of community within our industry is more important than ever.

At the EIC, we’re committed to creating and strengthening communities within our industry. We work to ensure that no one feels alone when facing challenges related to mental health, financial strain or personal difficulties

To support Mental Health Awareness Week, we want to celebrate and encourage the power of community by:

Raising awareness – sharing expert guidance on how strong communities help prevent poor mental health and support well-being.

Conversations – encouraging workplaces, teams and individuals to talk openly about mental health and support networks.

Providing support – ensuring people in the electrical industry know they can access counselling, financial aid and well-being programs through the EIC

Sharing real stories – highlighting the personal experiences of those in our industry who have benefited from community support

Businesses and workplaces also play a crucial role in shaping positive communities A supportive workplace culture can help reduce stress, boost morale, and create environments where people feel valued, connected, and able to ask for help

With this in mind, we’re encouraging electrical professionals and businesses to make their own contribution to Mental Health Awareness Week by:

● Starting conversations about mental health in your workplace or community

● Sharing your stories about the impact of community on your well-being

● Taking part in activities and events that promote connection and support

● Reaching out to colleagues who might be struggling with isolation or mental health challenges

● Using EIC resources to help build stronger, more supportive workplaces

By taking these steps, we can help break the stigma surrounding mental health and create an industry where no one feels alone.

Have a good month and enjoy the issue,

Richard B o wler

NAPIT supports plans for tougher sentencing of tool thieves

NAPIT has welcomed plans calling for changes to the law so that tool thieves face tougher sentences reflecting the full impact of their crimes.

Amanda Martin, MP for Portsmouth North, and the sister of an electrician, has tabled the Tools of Trade Theft (Sentencing) Bill, which has its second reading in Parliament at the end of April

She is calling for changes so that theft of tools is classed as causing “significant additional harm” and sentencing should factor in total financial losses – not just the value of stolen tools but also repair costs and lost work

This would mean tougher sentences of between six months and two years in prison instead of a community order reflecting the impact of the offences

The campaign was launched at an event in the House of Commons in front of tradespeople and MPs, including Mansfield MP Steve Yemm whose constituency includes the NAPIT head office

They heard first-hand about the impact tool theft has on individuals, business and families. Theft of tools happens every 22 seconds in the UK and it can take a few

minutes to empty vans or premises of thousands of pounds worth of essential equipment

NAPIT Managing Director, Frank Bertie, said: “We are pleased to add our support to this very important initiative and thank Amanda for raising the profile of tool theft which impacts far too many people

“It is not just the financial loss that hits tradespeople hard but the impact it has on businesses, family members and the mental health of those worried about how they will work without their tools.

“People may buy tools at car boot sales or down the pub but they need to be aware of the impact tool theft has on others and if this Bill is adopted it could provide a real deterrent to those stealing tools

Amanda Martin is urging tradespeople to contact their local MP about the issue and sign her petition at Labour Surveys ahead of the next reading of the Bill

NVC Lighting has launched a ‘Supersonic’ promotion to reward contractors with a main prize of tickets to see Oasis at Wembley.

Contractors purchasing NVC Lighting products to the value of more than £250 between now and the closing date will be put into a prize draw to win four tickets to see Oasis at Wembley Stadium on 26 July 2025 – a key date in the reunion

tour which saw unprecedented demand for tickets last year

All purchases of £250 gives the contractor a £5 Greggs voucher, with a £10 voucher for purchases over £400. On top of this, all claims are entered into a monthly Amazon voucher draw, with 15 prizes available each month for the duration of the promotion Distributors will also earn £5 per claim submitted against their branch

Bromford Flagship wins Aico competition

Aico has announced Bromford Flagship as the winner of its Smart Social Spaces competition, winning the technology to fit ten properties with Aico’s home life safety systems.

The prize includes a suite of award-winning home life safety and environmental monitoring equipment, including Aico’s Gateway, 3000 Series alarms, and Environmental Sensors The systems will offer comprehensive protection and life safety monitoring capabilities, ensuring Bromford Flagship’s residents can live in safer and healthier homes.

The competition was open to members of Aico’s SHPN Network After several entries, it was evident that Bromford Flagship’s entry focused on their aims to invest in the safety and improve the energy efficiency of their properties, aiming to

reach at least a C rating by 2028

In addition, Bromford Flagship wanted to utilise Aico’s technology to tackle asset management, compliance, disrepair, fuel poverty and improving resident health and wellbeing overall

Bromford Flagship plan to use the pilot installations to target properties with electric heating systems, aiming to reduce the frequency of annual visits to residents by enabling remote monitoring through the Gateway In addition, the Environmental Sensors will play a critical role in improving the living conditions of residents by providing valuable data on temperature, humidity, and air quality

By addressing environmental factors that influence health and comfort, Bromford is committed to promoting the long-term well-being of its residents.

Legrand UK & Ireland is furthering its commitment to supporting electrical contractors with the launch of its new online training portal.

Developed to provide electrical professionals at all levels with easy access to training resources and to complement the training already offered in Legrand Training Academy centres in London, Birmingham, Reading and Dublin, the online portal currently features over 20 courses covering healthcare, education, data centres, office environments and other project applications

To maximise convenience, the courses are accessible on the portal throughout the year and presented in easily digestible bite-sized sessions The training content consists of information on a specific product or application, followed by a brief quiz. The portal then saves users’ progress, so they can make the training fit their schedule without the worry of losing track of which courses have been completed

Accredited by The CPD Group, ‘The CPD Zone’ has proved a big hit since launch with hundreds of readers downloading a bespoke, personalised certificate of proof in every issue

This book wraps up the content from the last five ‘CPD Zone’ sections of 2024 to offer professionals a valuable 88-page resource.

The CPD Book: Volume Two 2024 is free to access and is available now on the PE website. You can also request a download link while you’re there

Aurora gears up for exciting 2025 event line-up

Aurora Lighting is set to make a strong impact at several major industry events in 2025.

With a packed schedule that includes BEPEX in Ireland, and the Toolbox Talk roadshow events in Scotland, as well as numerous breakfast mornings and trade counter events across the UK, Aurora is bringing its latest innovations directly to industry professionals

BEPEX Ireland – a key event for electrical professionals

Aurora Lighting will be attending BEPEX in Ireland, a must-attend event for electrical contractors, specifiers, and wholesalers Aurora will highlight its latest energy-efficient innovations, offering solutions that enhance performance while reducing environmental impact

This event is a fantastic opportunity for industry professionals to engage with Aurora’s expert team, gain valuable product knowledge, and discover how the company’s latest innovations can benefit their projects

Toolbox Talk roadshow – engaging with professionals across Scotland

Aurora Lighting is hitting the road as part of the Toolbox Talk roadshow events in Scotland. These roadshows provide an excellent platform for electricians and contractors to get up close with Aurora’s latest product developments, ask questions, and receive practical demonstrations

Whether it’s learning about the latest Europole industrial lighting solutions, exploring Enlite’s efficient and reliable LED products, or understanding how Seren EV is shaping the future of EV charging, attendees can expect an informative

Breakfast mornings and trade counter events –nationwide engagement

In addition to these major events, Aurora Lighting will be attending breakfast mornings and trade counter events at electrical wholesalers across the UK These informal gatherings offer a great chance for electricians and contractors to speak directly with Aurora’s experts, receive exclusive promotions, and get hands-on with the latest lighting innovations

With a focus on supporting the trade, Aurora is committed to staying connected with its customers and partners

and engaging experience

Specialist training centre will fuel the Imagination

Imagination Street has officially opened its doors, welcoming training providers, trade professionals, and businesses to a high-energy launch event celebrating collaboration, skills development, and hands-on learning.

The event gave guests an exclusive first look at the state-of-the-art facilities, with many impressed by the purpose-built training spaces designed to support practical and theoretical learning

The Mayor of Bolton, Andrew Morgan, officially opened the venue, recognising its potential to elevate training and workforce development in the region

He said: "It’s a place where ideas will grow, where people will learn, and where businesses will find the support they need to succeed And success here doesn't just mean individual success, it means success for Bolton as a whole

“Collaboration is at the heart of Imagination Street It’s a space where businesses, whether from around the corner or across the country, can come together, share knowledge, and create something greater than the sum of their parts "

Imagination Street is designed to accommodate a wide range of professional needs It offers flexible and fully equipped spaces for practical training, business events, and professional growth:

● Specialist electrical training area:

Kitted out with industry-standard

electrical equipment, allowing professionals to gain hands-on experience in a structured environment

● EV charging training facilities: On-site EV chargepoints allow tradespeople to train in real-world installation and maintenance scenarios

● Classroom-based learning spaces: Equipped with modern technology, supporting theoretical learning, compliance training, and CPD courses

carrying out electrical work This hands-on, real-world training will allow participants to develop their skills and meet industry standards in a purpose-built environment

● A venue for training providers: Available for businesses and training organisations to deliver courses, workshops, and industry certifications

● Meeting and event spaces: Versatile rooms suitable for business meetings, networking events, and collaborative sessions, accommodating groups of up to 100 people

PowerShield training at Imagination Street

The venue will also be home to PowerShield’s leading safe isolation training, ensuring electrical professionals are competent, compliant, and safe when

With a focus on practical learning and professional collaboration, Imagination Street is set to become a go-to training and event space for businesses, training providers, and organisations.

Whether it's technical skills training, industry workshops, or business strategy meetings, the space provides a professional and adaptable environment to support career growth and workforce development

GET MORE DETAILS ON IMAGINATION STREET AND ITS RANGE OF COURSES BY VISITING: WWW.RDR.LINK/EBN007

College introduces free green electrical courses

The Net Zero Skills Hub at Abingdon & Witney College is at the forefront of empowering electricians with the expertise needed to thrive in the renewable energy industry

By offering a range of funded programmes, the team is dedicated to advancing the careers of qualified electricians and supporting the UK's move towards a sustainable future

These fully funded courses focus on renewable energy technologies, equipping participants with cutting-edge skills like solar panel installation, EV charger installation, and more

The Hub also provides a seamless progression route for electrical apprentices at the college, combining practical training with advanced theoretical knowledge This ensures both new and experienced electricians are prepared for the demands of the green energy sector

As part of this initiative, the college offers intensive, free-to-access Skills Bootcamps These short courses deliver the latest training in renewable energy systems, helping electricians stay ahead in their field.

Electrician, Regal House, Regal Way, Watford, Herts, WD24 4YF

CONTACTUM TAKES THE HIGHER GROUND

Ac

t

i n t r o d u c t i o n o f n e w p r o d u c t s

Quick to respond to emerging trends and changes in requirements for those working in the electrical sector, the brand continually adds to its already impressive portfolio The company, which boasts an 80-year legacy, now offers a one-stop shop of over 6,000 electrical products through wholesalers and distributors across the UK and Northern Ireland

The latest addition to the Contactum range is the new 250 A distribution board, which builds on the success of its 125 A counterpart. This exciting launch is set to revolutionise power distribution for higher load applications

Designed to meet BS EN 61439-3 standards, the unit combines versatility, safety, and superior performance, making it the ideal solution for projects requiring greater load capacity while ensuring compliance with regulations

As with all of Contactum’s solutions, the 250 A distribution board has been designed with electrical contractors in mind and the unique Quality by Design commitment

Let’s take a look at some of the key features and benefits:

Advanced incomer options for tailored solutions

The 250 A distribution board offers a choice of five incomer options, ensuring flexibility across multiple installation requirements:

● 3 and 4 pole switch disconnectors –providing safe isolation and straightforward maintenance

● Thermal magnetic adjustable MCCBs – offering enhanced overload and short-circuit protection.

● 4 pole MCCB with adjustable Type B RCD – delivering superior residual current detection for AC, pulsating

We discover how Contactum is redefining power distribution for higher load applications with the launch of its latest product.

DC, and smooth DC currents, ensuring protection in installations with EV chargers, PV systems, and industrial equipment.

Designed for high-load applications

With a robust design supporting higher power distribution, the new Contactum 250 A distribution board features seven enclosure sizes, accommodating 6 to 24 triple pole outgoing ways. The increased capacity makes it ideal for high-demand installations, including:

● Large residential developments, including landlord distribution circuits requiring greater electrical capacity

● Commercial buildings with extensive electrical loads, including contained commercial spaces within mixed-use developments

● Industrial environments that need advanced safety and reliability.

Safety at the core

Meeting BS EN 61439-3, this board is designed for use across the electrical sector, ensuring safe operation in both

commercial and residential settings. Additional safety enhancements include:

● 35 kA busbar short circuit withstand rating, ensuring resilience against high fault currents

● Neutral link disconnector, simplifying maintenance and system isolation

● Provision within the enclosure for surge protection and metering options, enhancing monitoring and power quality

Comprehensive outgoing circuit protection

To complement its powerful design, the 250 A distribution board is supported by a full range of 10 kA outgoing circuit protection devices, including:

● MCBs to BS EN 60898 – providing short-circuit and overload protection

● RCBOs to BS EN 61009 – combining residual current and overcurrent protection in a single device

● AFDDs to BS EN 62606 – offering advanced protection against arc faults, enhancing fire safety

Suitability for a wealth of applications

The new board has been specifically designed for applications requiring increased load capacity This makes it the ideal solution for many differing environments, including high-rise residential

“Contactum’s solutions are always of the highest quality, with superior performance. The new 250 A distribution board is no exception. I feel confident that this latest product will help me to complete installations with the need for greater load capacity, while also allowing me to fulfil my regulatory obligations.”
Simon Bryant, Electrical Contractor

buildings. In these settings, multiple circuits – including landlord distribution circuits –must be managed efficiently

Additionally, the new board offers an unrivalled option for commercial spaces, such as offices, retail stores and hospitality venues Other settings include contained commercial units within mixed-use developments, where energy demands are undoubtedly higher

Further applications that would greatly benefit from the 250 A distribution board include industrial sites, where safety and reliability are paramount, especially when integrating machinery or renewable energy sources like solar PV This is alongside EV charging infrastructure, where Type B RCD protection is essential for handling DC leakage currents

Powering the future

The new 250 A distribution board enhances Contactum’s overall offering, delivering a robust, high-capacity solution while upholding the safety and

compliance standards that govern the electrical sector.

With flexible configuration options, enhanced safety features, and provisions for future technology integration, the distribution board sets the benchmark for modern electrical installations

There’s no compromise on safety or quality, ensuring every product meets the highest industry standards while delivering reliability, efficiency, and innovation This runs in parallel with the brand’s commitment to a sustainable future, so choosing these solutions won’t cost the earth

With quality accreditations ISO 9001, ISO 14001, ISO 45001 and the Silver EcoVadis medal, Contactum can claim to be a pioneer in the UK supply of electrical products

The brand is backed by parent company – The Alfanar Group – which specialises in the design, development and manufacturing of electrical and construction products across the globe, demonstrating the expertise that Contactum can offer to any electrical installation

Dan Hewson, CEO of Contactum, said: “We’re proud to be offering our new 250 A distribution board which clearly delivers a number of significant benefits. We’re always looking for ways to innovate and offer more to our clients, and this exciting new solution makes power distribution for higher load applications very straightforward ” GET MORE INFORMATION ON THE NEW CONTACTUM 250 A DISTRIBUTION BOARD BY VISITING:

WIN A £200 EXPERIENCE VOUCHER WITH ESP!

We’ve got a fantastic prize up for grabs this month for one lucky reader.

ESP’s 24/7 Colour IP PoE CCTV range is designed to offer superior, reliable and straightforward installation solutions for a range of applications, including larger and more complex commercial projects

Guaranteeing sharp detail, in colour, day or night, the IP POE range includes a variety of cameras offering 5MP and 8MP resolutions and a choice of 8MP NVRs with a range of channel options – 4, 8, 16, 32 and 64-channels

With their ‘24/7’ colour function, the cameras use low light image sensors, which are able to use background light to produce a colour image in reduced light environments The cameras, which have an IP67 rating for external use, are equipped with infrared LEDs which are the default mode when the white LEDs are not in activation mode This ensures that the white LEDs are not on constantly, which will be unwanted by some users

The key feature of the NVRs is that they offer the capability of 8MP recording, which means they support high resolution cameras in record, playback and live view modes With a choice of 4 - 64 channel NVRs available, ESP is providing a breadth of NVR capability to support a range of applications, from small to large.

Other features and benefits that make the system particularly suitable for larger projects include: 250 metre PoE (Power Over Ethernet) function, pre-installed surveillance hard drive, and intelligent record options such as line crossing and perimeter detection

HOW TO ENTER

Deadline for entries: 10/06/2025 Usual T&Cs apply

Check and check again! Avoid delays with AM2 results and certificates.

Every now and again we receive complaints from candidates that they haven’t received their AM2 results email, or that their AM2 certificate hasn’t arrived in the post

More often than not, it’s because the personal details they’ve supplied to us are incorrect!

On the first morning of each assessment at the AM2 centre, as part of the induction process, the candidate is asked to confirm that the contact details provided at the AM2 booking stage are correct

On many occasions, the personal details are quickly looked at and signed off as correct However, only further down the line do we discover they’ve confirmed the wrong email address, or have perhaps moved house since they last provided an address to us

We had an example very recently where a candidate complained across multiple channels, both direct and social media, as they hadn’t received their results On investigation, it’s emerged the email address the candidate had signed off was incorrect, hence them not receiving the results on time

To avoid delays, if you’re taking an assessment, or you have employees taking an AM2, please stress the importance of checking these details at the start of the assessment, to ensure the results email and AM2 certificate arrive without delays

And as a reminder, the AM2 certificate is always sent directly to the candidate’s home address If the candidate is an apprentice, they will also receive an Apprentice Completion certificate which is arranged by the Department for Education

This is sent to whoever is nominated by your training provider on the AM2S or AM2D checklist, so please discuss this with them before the assessment to ensure it’s being sent to the correct person

MY WHY!

As trade professionals continue to walk a financial tightrope through the risks of non-paying customers, Garry Lewis, Tradesman and Inventor/Founder, details the impact this has had on his life and why he’s on a personal mission to create change.

Mental health and wellbeing is a real issue across society right now, and the electrical trade is just as vulnerable to the effects as any other sector

We’re constantly reminded of the statistics – that two trade professionals will take their own lives every day – but do we ever stop to ask ourselves what the real cause might be and what we can do to help improve things?

Understanding the challenges

Personally, I believe you need to experience life as a trade professional, and to walk a few days in their shoes, to fully understand the challenges that they face on a daily basis. Only then can you look to provide real solutions to the problems S

t a ke m y o w n l i f e

a s I f e l t l i ke I ’ d l e t m y f a m i l y d o w n

I h a v e o v e r 3 5 y e a r s’ e x p

“I lost everything I’d worked for because of a dishonest contractor. His actions had a devastating impact on my family and my mental health...”

Over those near four decades there have been many highs and lows, but I started to notice that when I did hit the lows there was a common denominator that led to these – the process It was a flawed process and this was the reason why things were able to go wrong

The tip of the iceberg

Trade professionals have had enough of working in an environment where they don’t feel valued, respected, or appreciated for the service they provide Indeed, recent research shows that 85% of tradespeople are pessimistic about the future of their trade, with many considering a change in career And who can blame them?

For starters, we rarely get any kind of commitment, yet we’re expected to purchase the materials for a particular job or project and then carry out all the work in the hope that we might just be lucky enough to get paid.

To

I

Again, the research shows that 77% of tradespeople have experienced a customer failing to pay for work completed

Further still, 1 7 million homeowners delay payments to try and force lower prices, causing cash-flow problems which can result in the business that has carried out the work having to juggle its finances

We do also have to acknowledge that it’s not just the end customer who contributes towards some of the issues

Although rogue traders are in the minority, they still do an enormous amount of damage to the reputation of the hardworking, honest, and reliable professionals out there It’s estimated that rogue traders cost the UK economy £10 billion a year in lost revenue with consumers putting off work for the fear of engaging with a spurious tradesperson

to have an equal relationship, providing them with transparency, recognition, accountability and reassurance To make adoption easier, it is free for both parties to use and always will be

Although it’s still early days, I’ve been reaching out to prominent industry organisations, as well as wholesalers and merchants to ask if they’d be willing to show their support for this new movement The feedback has been overwhelming and inspirational

Over the next little while we’ll be looking to communicate with tradespeople to give them the opportunity to join what we’re doing, allowing them to fight back, take control and change their industry for the better

It’s for this reason that I’ve invested my pension into building an App called Recommend & Share that provides a predicted user journey and caters for the wants, needs, concerns, and frustrations of both parties, helping to ensure a positive outcome for everyone

This user journey allows both parties

As it stands, I’m currently working on the next phase of development, which I believe will really help to revolutionise the current process and guarantee positive outcomes for consumers, tradespeople and wholesalers In turn, this will allow reputations and relationships to prosper and flourish –a win, win for everyone.

Keep up with Garry’s progress and register your interest in joining the movement at: www.linkedin.com/in/recommendand share?

LEVEL UP AND WIN!

We’ve got five Hultafors MPL Mini Magnetic Pocket Levels up for grabs.

ASK

e Ov W t Emer Self-tes ely? yEntirrel

gency

Can We Hand Over the Reins to Self-test Emergency Lighting Entirely?

ements c Advanc er t

e impr gency hav

ems no t . sys ge ts and full dischar es ailur erting f e al , whil ally e c s lik eepingtem—k

Advancements in smart lighting controls, such as self-testing emergency lighting, have improved reliability and efficiency. These systems now handle routine flick tests and full discharge cycles automatically, while alerting any failures to maintenance teams. It’s a bit like cruise control for your lighting system—keeping things ticking without constant manual input.

ols, such as ontr o ting emer self-tes eliability efficiency r outine flick t e r handl omatic es aut cycl eams. It’ e t maintenanc our sys or y f antonst without c s be hones et’ And l ommon o s. A c o blunder t eins o r getting t for

TWIN

he Hultafors MPL Mini Magnetic Pocket Level is a compact spirit level which incorporates a magnet for fast and reliable horizontal and vertical measuring. The strong magnet and V-groove facilitates measurement on flat or curved surfaces, such as pipes, beams etc

It features a crush-proof focus vial with a +30% magnifying effect and a luminescent reflector for faster and better readability in dim light condition

The MPL Magnetic fits in any pocket, making it the perfect companion for everyday work Tolerance in normal position is 1 00 mm/m, with a measuring length of 68 mm

HOW TO ENTER

tinges t, manual t sight? Engineer ver er a thr er aft w e po tat oved w o es t ontrol s eege. That’ hour dischar esidents without lif e r eav ould l c xt r until the ne onsequenc , c error ems? quit t t sys self-tes omation e aut Whil bull ailur omponent f c till unnotic an s c

And let’s be honest, manual testing is open to blunders. A common oversight? Engineers forgetting to reinstate mains power after a threehour discharge. That’s not just a technical slip—it could leave residents without life-saving lighting until the next inspection rolls around. One small error, big consequences. So, is it time to fully trust self-test systems? Not quite.

alechnic t a t s jus e-saving ound. One small olls ar o full es. So, is it time t e.

While automation cuts out many of the usual slip-ups, it isn’t bulletproof. Software glitches, component failures, or good old-fashioned physical damage can still go unnoticed. Even Iron Man had the odd suit malfunction! Tech’s great, but it still needs someone to kick the tyres now and then. That’s why a hybrid approach makes sense.

eat, but it s s gr ech’ w and then. es no o tyr es sense. oach mak o-day e day-t

ches, e glit . Softwar etproof ashioned physic es, old-f on Man had en Ir ed. Ev t y trus al the odd suit malfunction! T needs someone t s appr That’ ting handl es Let self-t egularr t saf obus es a r ensur emains crucial f r omation o aut eat f opilot—gr on aut ained pil want a tr

em.t ety sys sues that or is e fl ook. Think of it lik verl ches, y tret ong s or l ockpit. ot in the c till ying till ou s

Let self-testing handle the day-to-day jobs, but back it up with regular visual inspections. This ensures a robust safety system. Human inspection remains crucial for identifying issues that automation might overlook. Think of it like flying on autopilot—great for long stretches, but you still want a trained pilot in the cockpit.

In short, self-t s bett and it’ w, smart or no But f er r v o o t e the hybrid ak . T completely et the t approach—l whil eepingk ails. e on the det ey

erful t w ogy po echnol t t es er all the time. hum whil e e the r smartest move

In short, self-test technology is a powerful tool, and it’s getting better all the time. But for now, the smartest move isn’t to hand over the reins completely. Take the hybrid approach—let the tech do the heavy lifting, while keeping a sharp human eye on the details.

ool,

“DON’T UNDERESTIMATE YOUR CAPABILITIES”

When leaving education, it can be difficult to know which route is best to take to reach your full potential. Andrew Duffen, Technical Commercial Engineer at NAPIT, highlights the many different career options and opportunities that becoming an electrician can lead to.

Ifirst stepped into the electrical industry straight from school as an apprentice, and have evolved my career to the stage where I’m now employed as a Technical Commercial Engineer at NAPIT This career progression has taught me that you should never underestimate your limits

I’ll be honest and admit that I wasn’t very academic when I was at school But now I work in a very technical world and have undertaken all of my electrical qualifications, apart from one, which is left to complete as part of my own CPD.

I undertook my apprenticeship at a company in Birmingham, became a qualified electrician and worked my way through the ranks over time

I was tasked with carrying out a lot of the inspection and testing for the company and we were given a broad range of environments to work in,

including new-build houses, commercial new-builds, student accommodation, luxury flats, factories, and hospitals.

We also got into solar farms pretty early on, so this gave me the opportunity to gain experience working on large solar farms when the ‘feed in’ tariff was introduced

After almost two decades of employment, that particular job came to an end in 2017 when the business folded I decided to remain on the tools for a short time but also wanted to explore and take on new opportunities, especially as I was now in my 30s at this stage.

Time for something different

With a change needed, I thought about some of the work I’d been doing in terms of helping and training the apprentices that were employed at my previous company It was at this stage that my wife suggested getting into training

GETTING YOUR ELECTRICAL APPRENTICESHIP

5 TOP TIPS

1 Go to your local college and enroll on an electrical course.

2. Get a part time job to develop your employability skills

3. Make sure your CV is up-to-date

4. Set up a social media page separate to your personal one so you can showcase the work you do at college A lot of electricians now use social media for advertising and it’s a good way to network

5. Offer work experience by reaching out to qualified electricians who are competent and certified

Soon after, I started to look for something new and managed to land a role as an Electrical Tutor at a local college. At the same time, I was advised to attend college myself and get a teaching qualification (you need to achieve a teaching qualification within two years of starting the role)

I can safely say this is one of the hardest things I’ve done in my career to date –understanding how to teach and the

“ ... I believe in the apprenticeship route just as much today as I did when undertaking my own.”

theories behind it is no easy task, especially when you’ve come directly from the tools It can be a daunting experience at first

After a successful four years in my role as a Tutor, an opportunity presented itself to work for one of the industry’s leading names, so in the summer of last year I joined the Technical Team at NAPIT So far it’s been a great move!

Advice for aspiring electricians With the skills gap high on the agenda and the government’s push on renewables, the next generation of electricians and installers should explore the growth opportunities provided by the transition to net-zero

It’s an extremely competitive market for apprentices right now, so it’s important that young people can stand out from the crowd when they’re trying to land an apprenticeship That said, I believe in the apprenticeship route just as much today as I did when undertaking my own

Essentially you get to ‘earn and learn’, soaking up knowledge on-site and getting a deeper understanding of how electricity is generated and how it is then transferred through the network systems

This combination of working in industry and attending college provides individuals with the perfect opportunity to gain real-life experience in the work environment while learning the theory at the same time.

In the electrical industry, you can never know enough There’s always going to be changes to regulations, standards and working opportunities, so you need to be constantly evolving With a solid grounding behind you, you’ll have the chance to take your own career in the direction you really want it to go

THEDI AR YOFAN I NV ENTOR

For this edition of The Diary of An Inventor, we’ll be speaking to Sam Horseman at Super Rod about the journey behind becoming a successful inventor As the first point of contact for any inventors reaching out to Super Rod, Sam will be providing insight on the process – from the initial idea to a successful product launch

When an inventor approaches you with an idea, what are the first steps?

Understanding the idea in detail is important We usually start with a meeting where the inventor explains their concept, inspiration behind the idea, the problem it solves, key features and functionality, what makes it unique co to existing solutions and research they may have done If they have sketc or prototypes, those he too At this stage, we als discuss goals and explain the process we go through from idea to product launch

What should inventors prepare before coming to you?

While we can work with early-stage ideas, the m preparation, the better Ideally, inventors should a clear description of th and its benefits Providing research on existing patents to ensure their concept is unique would be helpful On-site experience using their invention and feedback as a trade professional provides the most valuable insight, so we’d love to hear about how their idea has helped them

What does the product development process look like from start to finish?

Concept evaluation

Understanding the idea and potential market We evaluate how the invention would align with Super Rod’s values of time-saving, safety and problem solving Utilising our experience of the market, we can help add value to initial concepts

Feasibility study

NAME: Sam Horseman

COMPA NY: Super Rod

JOB TITLE: Head of Product Development

Technical and financial viability

assessment We work with our manufacturing team to come up with the most efficient way to make the concept/idea We then assess the financial viability of the project based on cost estimations

Design and prototyping

Creating initial sketches, CAD models, sourcing materials and a working prototype

Testing and refinement

Checking functionality, safety, and durability.

Production planning

Once we’re happy with a final prototype we’ll begin planning for production.

Patents

If the product has the potential to be protected by a patent, we can complete this process. It’s not essential to have a patent before speaking with us, however.

Market entry strategy

Helping with branding, packaging, merchandising, and distribution plans and all marketing activities. Each stage requires collaboration, and the timeline varies depending on complexity We develop a launch plan and set out a clear guide to

distribution The consumer is always our focus and at the heart of everything we do

How long does it take to develop a product from idea to market?

Development from start to launch can take 18 months but this can vary depending on the product, prototyping, testing, and regulatory approvals We always set realistic milestones, and expectations

What challenges should inventors consider?

a) Costs – Processes can be expensive

b) Development – Prototypes rarely work perfectly on the first try, so expect adjustments

c) Market readiness – Market research is critical.

d) Intellectual property protection –Patents and trademarks take time/money.

What role does collaboration play in the development process?

Collaboration is essential. Inventors bring the vision, and we bring the technical expertise to make it real. We work together on the project. Feedback is crucial, as sometimes an idea needs to evolve based on testing and market feedback.

Finally, any tips for would-be inventors?

Be patient, do your research, and stay flexible. Not every idea is feasible in its original form, but with the right strategy and guidance, most concepts can be refined into something viable and successful

ENTER THE CPD ZONE AND EARN 1 CPD CREDIT

TOWARDS YOUR PROFESSIONAL RECORD!

continuing professional development (CPD) can be broadly defined as any type of learning you undertake which increases your knowledge, understanding and experiences of a subject area or role. To help professionals to better document and prove this process, our CPD Zone contains content and articles that have been checked, verified and accredited by a third-party specialist organisation

Collectively, the content within this section has been deemed worthy of 1 x CPD credit, or one hours’ worth of CPD

Once this content has been consumed, readers will have the opportunity to scan a QR code which will provide a bespoke, downloadable certificate that can be used as part of a

professional’s ongoing CPD record

This means that if you’re a monthly reader of PE, you could earn up to 11 credits, or 11 hours’ worth of CPD, just by reading a regular copy of your favourite independent industry magazine in 2025

DO NOT SCAN THE QR CODE UNLESS YOU HAVE READ ALL OF THE CONTENT WITHIN THIS SECTION!

A large element of CPD involves self-certification and relies on professionals being honest about what they have actually read, consumed and digested A QR code and RDRLink code have been placed with the final article in this month’s CPD Zone and ONLY once you have read ALL of the articles within this section, should you then scan/enter the code to receive your bespoke certificate

By skipping any of these steps, you’re not just cheating the system, but yourself and your fellow professionals at the same time!

NEW USERS – ACCESS YOUR BESPOKE CPD CERTIFICATE IN FIVE STEPS

1. Read ALL of the content and articles included within this month’s CPD Zone

2. Scan the QR code or enter the RDRLink code with the last article in this section

3. Enter your email address.

4. Fill out your details on the contact form.

5 Download your certificate for use as part of your annual CPD record

PREVIOUS USERS – ACCESS YOUR CPD CERTIFICATE IN FOUR STEPS

1. Read ALL of the content and articles included within this month’s CPD Zone

2. Scan the QR code or enter the RDRLink code with the last article in this section.

3. Enter your name and email address.

4. Download your certificate for use as part of your annual CPD record

All certificates are valid for one year from the issue date If you’re having any issues with downloading your certificate or using the system, please email us at: pe@hamerville.co.uk

THE CODEBREAKERS

When we consider the installation of socket- outlets we have to look at Regulation 411.3.3 which lays out the additional requirements for socket- outlets and mobile equipment for use outdoors.

Previously under BS 7671:2018 there was an exception to carr y out a risk assessment for anything other than a dwelling, but since BS 7671:2018+A2:2022 the criteria for the risk assessment has altered.

BS 7671 requires RCD protection for socket- outlets not exceeding 32 A locations liable to be used by children, ordinar y or disabled persons, other locations or for use outdoors

The risk assessment is only applicable for other locations, but as this is a business premises and those work ing are not considered to be electrically sk illed or instructed persons, therefore the risk assessment exception would not apply.

In the case of carr ying out periodic inspection and testing on these premises the absence of RCD protection for a 32 A socket- outlet single or three -phase in a position where it can be used outdoors, as it is in a location at a roller shutter door, would result in a non- compliance that may give rise to danger

Therefore, the classification code would be a C2, Potentially dangerous, urgent remedial action required due to the lack of additional protection for children, ordinar y or disabled persons If the socket- outlet could only be used indoors then it would be a C3 improvement recommended

The Observations, Regulation infringements and Codes applicable to this observation would

GET THE BOOK AND CRACK THOSE CODES!

Updated for BS 7671:2018+A2:2022, NAPIT ’s EICR Codebreakers publication is purpose -written to

tors,

tors and clients, and now includes updates to align with Amendment 2 of the IE T 18th Edition Wiring Regulations The book is the per fect technical aid for electrical professionals and their customers

Need help with cracking those all-impor tant EICR codes? Ever y month the technical team at NAPIT will be studying your latest ‘Caught on Camera’ photos and offering advice on the next steps, should you find a similar installation. If you want the team at NAPIT to help crack your codes then send your pic tures through to us at: pe@hamer ville.co.uk

WILLIAM CULLETON: “MY ELEC TRICS TRIP WHEN IT RAINS!”

These ex tension lead connec tions were

discovered dur ing per iodic inspec tion and

testing Str ic tly speak ing, por table appliances

and flexible cables connec ted via plugs are not

par t of the elec tr ical installation that is gover ned

by BS 7671.

Obviously, the means of connec tion to the

ex ter nal socket- outlet utilising a multi-way

adaptor is preventing the cover IP rated

socket- outlet from being closed to remove the

effec ts of moisture or water penetration Fur ther

complications ar ise by utilising an ex tension lead

which is not suitable for ex ter nal use

The client quer y about the installation

tr ipping when it rains shows a lack of

understanding of basic elec tr ical safet y.

The area of concer n when having these t ypes

of equipment plugged into the elec tr ical

installation is that they are por table and may not

be connec ted or in place when the per iodic

inspec tion and testing is car r ied out As a result,

they ’re at r is

, Pote nt i a ll y d a

Observations, Regulation infringements and Codes applicable to this observation would be: W

The A2:2022 18th Edition Codebreakers publication is priced at £22.00 (members) and £24.00 (non-members). It is available in both hard copy and digital versions * Price is VAT exempt and excludes postage and packaging.

SHOCK PROTECTION IN MEDICAL LOCATIONS

This article from the experts at NICEIC looks at the requirements of Section 710 of BS 7671 for electrical installations in medical locations, and in particular, considers the requirements for the protection against electric shock in such types of environments.

Th i s a r t i c l e f o c u s e s o n t h e

r e q u i r e m e n t s f o r s h o c k

p r o t e c t i o n , i n c l u d i n g t h e

r e q u i r e m e n t s f o r t h e p r o t e c t i v e

m e a s u r e o f Au t o m a t i c

D i s c o n n e c t i o n o f S u p p l y ( A D S ) t h a t

a r e i n a d d i t i o n t o t h e g e n e r a l

r e q u i r e m e n t s i n S e c t i o n 4 1 1

T h e r e q u i r e m e n t s f o r S E LV a n d

P E LV a n d a d d i t i o n a l p r o t e c t i o n b y

s u p p l e m e n t a r y b o n d i n g i n a m e d i c a l

l o c a t i o n w i l l a l s o b e c o n s i d e r e d

S h o c k p r o t e c t i o n

L i ke m a n y o t h e r t y p e s o f i n s t a l l a t i o n s

c o n s i d e r e d i n Pa r t 7, t h e p r o t e c t i v e

m e a s u r e s o f o b s t a c l e s a n d p l a c i n g

o u t o f r e a c h a r e n o t p e r m i t t e d i n

m e d i c a l l o c a t i o n s ( 7 1 0 4 1 0 3 5 )

L i ke w i s e, t h e p r o t e c t i v e m e a s u r e s

o f n o n - c o n d u c t i n g l o c a t i o n , e a r t h - f r e e

e q u i p o t e n t i a l b o n d i n g a n d e l e c t r i c a l

s e p a r a t i o n f o r m o r e t h a n o n e i t e m o f

c u r r e n t - u s i n g e q u i p m e n t s h a l l n o t b e

u s e d ( 7 1 0. 4 1 0. 3 .6 ) .

It should be noted that while medical IT systems offer additional protection against first fault conditions, such use of electrical separation is not intended as the sole means of protection against electric shock (see note to 710.410.3.6). The medical IT system also provides

supply reliability

A d d i t i o n a l l y, o n l y p r o t e c t i o n b y

i n s u l a t i o n o f l i v e p a r t s , o r b y t h e u s e

o f C l a s s I I e q u i p m e n t a r e p e r m i t t e d .

Au t o m a t i c d i s c o n n e c t i o n i n c a s e o f

a f a u l t

T h e r

a r e g e n e r a l l y w e l l

u n d e r s t o o d ( BS IEC 60479-1 ) S u c h

t h a t , t h e a v e r a g e b o d y i m p e

This value will differ between person to person and is influenced by additional factors such as voltage, frequency, skin wetness, physical contact area and

duration of current flow

H o w e v e r, i n G r o u p s 1 a n d 2

m e d i c a l l o c a t i o n s w h e r e M E

e q u i p m e n t i s u s e d a n d w h e r e t h e

n a t u r a l p r o t e c t i o n o f t h e h u m a n b o d y

i s e x p e c t e d t o b e r e d u c e d b y f a c t o r s

s u c h a s c u t s o r b r o ke n s k i n , t h i s

i m p e d a n c e v a l u e t e n d s t o b e m u c h

l o w e r a n d i s a s s u m e d t o b e 1 k Ω ( BS EN 60601-1 ) , f u r t h e r i n c r e a s i n g t h e

v u l n e r a b i l i t y o f p a t i e n t s t o t h e r i s k s o f

e l e c t r i c s h o c k

A d d i t i o n a l l y, t h e p a t i e n t ’s d e f e n s i v e

c a p a b i l i t y m a y a l s o h a v e b e e n

r e d u c e d b y t h e e f f e c t s o f m e d i c a t i o n

o r a n a e s t h e s i a

F o r t h i s r e a s o n , r e g u l a t i o n

7 1 0 4 1 1 3 2 5 r e q u i r e s a r e d u c t i o n i n

t h e c o n v e n t i o n a l m a x i m u m t o u c h

v o l t a g e f r o m 5 0 V, t o 2 5 V AC a n d

6 0 V D C b e t w e e n s i m u l t a n e o u s l y a c c e s s i b l e e x p o s e d - c o n d u c t i v e - p a r t s

a n d / o r e x t r a n e o u s - c o n d u c t i v e - p a r t s i n

G r o u p 1 a n d 2 l o c a t i o n s w h e n

s u p p l i e d f r o m T N , T T a n d I T s y s t e m s

T h i s m a y b e a c h i e v e d b y t h e p r o v i s i o n

o f s u p p l e m e n t a r y b o n d i n g , w h i c h i s

c o n s i d e r e d l a t e r i n t h e a r t i c l e

A d d i t i o n a l p r o t e c t i o n b y R C D s

I n a T N s y s t e m , R C D s h a v i n g t h e

c h a r a c t e r i s t i c s s p e c i f i e d i n r e g u l a t i o n

4 1 5 1 1 s h a l l b e u s e d t o p r o v i d e

a d d i t i o n a l p r o t e c t i o n f o r f i n a l c i r c u i t s i n :

● G r o u p 1 m e d i c a l l o c a t i o n s , w i t h a

r a t e d c u r r e n t u p t o a n d i n c l u d i n g

3 2 A , a n d

● G r o u p 2 m e d i c a l l o c a t i o n s , e xc e p t

f o r t h o s e c i r c u i t s s u p p l i e d b y a

m e d i c a l I T s y s t e m a s s p e c i f i e d i n

7 1 0 4 1 1 6

H o w e v e r, R C D s m a y a l s o b e u s e d o n

f i n a l c i r c u i t s r a t e d a b o v e 3 2 A

e m p l o y e d i n G r o u p 1 l o c a t i o n s

( 7 1 0. 4 1 1 . 4 ) .

W h e r e m e d i c a l l o c a t i o n s o f a

G r o u p 1 a n d 2 c l a s s i f i c a t i o n a r e

s u p p l i e d f r o m a T T s y s t e m e a r t h i n g

a r r a n g e m e n t , r e g u l a t i o n s 7 1 0 4 1 1 5

a n d 7 1 0 4 1 5 1 r e q u i r e t h a t R C D s s h a l l

b e u s e d a s t h e p r o t e c t i v e d e v i c e s f o r

f i n a l c i r c u i t s , e xc e p t w h e r e t h e s e

c i r c u i t s a r e

s u p p l i e d f r o m a n

I T s y s t e m

s p e c i f i e d i n

r e g u l a t i o n

7 1 0. 4 1 1 .6 .

W h e r e R C D s

a r e r e q u i r e d i n

G r o u p 1 a n d 2

m e d i c a l l o c a t i o n s ,

a n d d e p e n d i n g o n

t h e f a u l t

c h a r a c t e r i s t i c s ,

o n l y Ty p e A i n

a c c o r d a n c e w i t h

BS EN 61008 o r

BS EN 61009 , o r

Fi g 2 A t y p ic a l m e d i ca l e q ui p o t e n t ia l bo nd i ng bu s b a r (E B B )

Ty p e B o r Ty p e F t o BS EN 62423

s h a l l b e u s e d T h e u s e o f Ty p e AC

R C D s i s n o t p e r m i t t e d ( 7 1 0. 5 3 1 . 3 ) .

E x t r a - l o w v o l t a g e p r o v i d e d b y S E LV

o r P E LV

W h e r e S E LV a n d / o r P E LV i s u s e d

w i t h i n s u c h l o c a t i o n s , t h e n o m i n a l

v o l t a g e s u p p l y i n g c u r r e n t - u s i n g

e q u i p m e n t s h o u l d n o t e xc e e d 2 5 V

AC r m s o r 6 0 V r i p p l e - f r e e D C

A d d i t i o n a l l y, p r o t e c t i o n b y b a s i c

i n s u l a t i o n o f l i v e p a r t s , o r a l t e r n a t i v e l y

p r o t e c t i o n b y b a r r i e r s o r e n c l o s u r e s

a s r e q u i r e d b y r e g u l a t i o n 4 1 6 1 a n d

4 1 6 2 r e s p e c t i v e l y s h a l l b e p r o v i d e d

( 7 1 0. 4 1 4 .1 ) .

W h e n u s i n g S E LV a n d / o r P E LV

c i r c u i t s i n G r o u p 1 a n d 2 m e d i c a l

l o c a t i o n s , a s o u r c e a s d e s c r i b e d i n

r e g u l a t i o n 4 1 4 3 ( i v ) s h o u l d n o t b e

u s e d ( 7 1 0 4 1 4 3 )

F u r t h e r m o r e, w h e r e P E LV i s u s e d i n

a G r o u p 2 l o c a t i o n , f o r e x a m p l e t o

s u p p l y t h e t h e a t r e l u m i n a i r e s , a n y

e x p o s e d - c o n d u c t i v e - p a r t s o f s u c h

e q u i p m e n t s h o u l d b e c o n n e c t e d t o

t h e c i r c u i t p r o t e c t i v e c o n d u c t o r

( 7 1 0 4 1 4 4 1 )

A d d i t i o n a l p r o t e c t i o n b y

s u p p l e m e n t a r y p r o t e c t i v e

e q u i p o t e n t i a l b o n d i n g

Re g u l a t i o n 7 1 0 4 1 5 2 1 r e q u i r e s t h a t

s u p p l e m e n t a r y p r o t e c t i v e

e q u i p o t e n t i a l b o n d i n g i s i n s t a l l e d i n

G r o u p 1 a n d 2 m e d i c a l l o c a t i o n s .

T h e p u r p o s e o f s u c h p r o t e c t i v e

b o n d i n g i s t o p r o v i d e a d d i t i o n a l

p r o t e c t i o n a g a i n s t e l e c t r i c s h o c k b y

l i m i t i n g t h e m a g n i t u d e o f t o u c h

v o l t a g e s d u r i n g a f a u l t

T h e s u p p l e m e n t a r y b o n d i n g

c o n d u c t o r s s h a l l b e c o n n e c t e d t o t h e

E q u i p o t e n t i a l B o n d i n g B u s b a r ( E B B ) t o

f a c i l i t a t e t h e e q u a l i s a t i o n o f p o t e n t i a l

d i f f e r e n c e s b e t w e e n t h o s e s p e c i f i c p a r t s a s l i s t e d i n i n d e n t s ( i ) t o ( v ) i n

r e g u l a t i o n 7 1 0 4 1 5 2 1 t h a t a r e l o c a t e d , o r t h a t m a y b e m o v e d i n t o, t h e p a t i e n t

e n v i r o n m e n t

F o r t h i s r e a s o n , s u p p l e m e n t a r y

b o n d i n g c o n n e c t i o n p o i n t s s h a l l b e

m a d e a v a i l a b l e f o r M E e q u i p m e n t

u s e d i n G r o u p 2 l o c a t i o n s , a n d

s i m i l a r l y, s h o u l d a l s o b e c o n s i d e r e d

f o r G r o u p 1 m e d i c a l l o c a t i o n s

T h e n u m b e r o f c o n n e c t i o n p o i n t s

r e q u i r e d s h a l l b e d e t e r m i n e d b y t h e

d e s i g n e r i n c o n s u l t a t i o n w i t h t h e e n d

u s e r H o w e v e r, N o t e 1 t o r e g u l a t i o n

7 1 0. 4 1 5 . 2 .1 r e c o m m e n d s t h a t :

● I n G r o u p 1 m e d i c a l l o c a t i o n s –a

m i n i m u m o f o n e s u p p l e m e n t a r y

b o n d i n g c o n n e c t i o n p e r p a t i e n t l o c a t i o n i s p r o v i d e d , a n d

● I n G r o u p 2 m e d i c a l l o c a t i o n s –a

m i n i m u m o f f o u r s u p p l e m e n t a r y

b o n d i n g c o n n e c t i o n p o i n t s b u t n o t

l e s s t h a n 2 5 % o f t h e t o t a l n u m b e r

o f i n d i v i d u a l m e d i c a l I T

s o c ke t - o u t l e t s i s p r o v i d e d p e r

p a t i e n t l o c a t i o n

P r o t e c t i v e c o n d u c t o r s i n G r o u p 1 a n d

2 m e d i c a l l o c a t i o n s m u s t b e c o r r e c t l y s i z e d a n d a r r a n g e d

s o t h a t t h e i r r e s i s t a n c e d o e s n o t e xc e e d 0 2 Ω

( 7 1 0 4 1 5 2 2 )

T h e r e s i s t a n c e b e t w e e n t h e p r o t e c t i v e c o n d u c t o r s a n d

t h e e a r t h t e r m i n a l o f a n y s o c ke t - o u t l e t ( o r f i xe d

e q u i p m e n t ) a n d a n y e x p o s e d - c o n d u c t i v e - p a r t a n d / o r

e x t r a n e o u s - c o n d u c t i v e - p a r t m u s t b e s u c h t h a t t h e

v o l t a g e s o f 2 5 V AC o r 6 0 V D C , g i v e n i n r e g u l a t i o n

7 1 0 4 1 1 3 2 5 a r e n o t e xc e e d e d

I n a d d i t i o n , t h e c r o s s - s e c t i o n a l a r e a ( c s a ) o f a

s u p p l e m e n t a r y b o n d i n g c o n d u c t o r m u s t b e a t l e a s t t h a t

r e q u i r e d b y r e g u l a t i o n G r o u p 5 4 4 2

S e c t i o n 7 1 0 r e c o g n i s e s t h a t , i n s o m e c a s e s ,

s u p p l e m e n t a r y b o n d i n g c o n d u c t o r s i n s t a l l e d i n l o o p s c a n

l e a d t o e l e c t r o m a g n e t i c i n t e r f e r e n c e ( E M I ) d u e t o t h e

p r e s e n c e o f c i r c u l a t i n g c u r r e n t s a n d m a y a f f e c t s o m e

t y p e s o f s e n s i t i v e e l e c t r i c a l M E e q u i p m e n t ( 7 1 0 4 4 4 )

To m i t i g a t e a n y p o t e n t i a l i s s u e s i n G r o u p 1 a n d 2

m e d i c a l l o c a t i o n s , N o t e 2 t o r e g u l a t i o n 7 1 0 4 1 5 2 3

r e c o m m e n d s t h a t r a d i a l w i r i n g p a t t e r n s a r e u s e d t o a v o i d

s u c h ‘ e a r t h l o o p s’ t h a t m a y i n t e n s i f y s u c h e l e c t r o m a g n e t i c

i n t e r f e r e n c e

E q u i p o t e n t i a l b o n d i n g b u s b a r ( E B B )

All supplementary bonding conductors should be connected individually to the EBB (see Fig 2), which in addition, must be made readily accessible and located in or near1 each medical location in which it serves (see Fig 1)

T h e E B B s h o u l d b e c o n n e c t e d t o t h e m e a n s o f e a r t h i n g

f o r t h e i n s t a l l a t i o n w i t h a p r o t e c t i v e c o n d u c t o r h a v i n g a

c r o s s - s e c t i o n a l a r e a ( c s a ) g r e a t e r t h a n o r e q u a l t o t h e

l a r g e s t c s a o f a n y c o n d u c t o r c o n n e c t e d t o t h e E B B A l l

c o n n e c t i o n s s h a l l b e c l e a r l y v i s i b l e, i d e n t i f i e d a n d s o

a r r a n g e d t o e n a b l e b o n d i n g c o n d u c t o r s t o b e i n d i v i d u a l l y

d i s c o n n e c t e d ( 7 1 0 4 1 5 2 3 )

W h e n i n s t a l l i n g t h e E B B , c o n s i d e r a t i o n s h o u l d b e g i v e n

t o m e e t i n g t h e l o c a l i n f e c t i o n p r e v e n t i o n a n d c o n t r o l

r e q u i r e m e n t s f o r s u c h t y p e s o f l o c a t i o n T h e E B B s h o u l d

b e c o n t a i n e d i n a s u i t a b l e e n c l o s u r e a n d n o t b e i n s t a l l e d

i n a c e i l i n g v o i d w h e r e, f o r e x a m p l e, d u r i n g a n i n s p e c t i o n ,

f a l l i n g d e b r i s d u e t o t h e r e m o v a l o f a c e i l i n g t i l e m a y l i ke l y

i n c r e a s e i n f e c t i o n r i s k ( 7 1 0 4 1 5 2 3 )

S u m m a r y

T h i s a r t i c l e h a s f o c u s e d o n t h e r e q u i r e m e n t s f o r s h o c k

p r o t e c t i o n i n G r o u p 1 a n d 2 m e d i c a l l o c a t i o n s a n d

c o n s i d e r e d t h e n e c e s s a r y p r e c a u t i o n s t o p r e v e n t a n

i n c r e a s e d r i s k o f e l e c t r i c s h o c k t o v u l n e r a b l e p a t i e n t s w i t h i n s u c h t y p e s o f e n v i r o n m e n t s

We would like to acknowledge and thank Brandon Medical for providing some of the images used within this article

G E T M O R E D E TA I L S A B O U T N I C E I C R E G I ST R AT I O N AT: W W W. R D R . L I N K / E B N 0 1 5

Dr. Zzeus

IN THIS REGULAR COLUMN, DR. TOM BROOKES, MD AT ZZEUS TRAINING AND CHAIRMAN OF THE FSA, ANSWERS YOUR QUESTIONS RELATED TO FIRE SAFETY. IN THIS MONTH’S EDITION HE LOOKS AT SOME OF THE CHANGES THAT WILL BE INTRODUCED AS PART OF THE NEW FIRE ALARM STANDARD.

In the draft for public comments, I noticed that the new 2025 fire alarm standard BS 5839-1:2025, which was due for release in April, has changed the competency clause. Is this to be in line with the BAFE Scheme?

In short, yes, the competency clause has changed The new standard should have arrived at the end of April and contains several changes There are too many changes to list them all here, but I will highlight a few of them:

Clause 3 13: competent person

Person, suitably trained and qualified by knowledge and practical experience, and provided with the necessary instructions, to enable the required task(s) to be carried out correctly.

Note: Maintenance of competence is likely to require continuing professional development (CPD)

(Source: BS 9991:2024, 3 4, modified –note added)

This is represents a big step forward, and I would like to thank Will Lloyd, the FIA's Technical Manager, for his support in making this change a standard.

So now, in line with BS 9991 Fire safety in the design, management and use of residential buildings, BS 5839-1:2025 has a beefed-up competence requirement

The first part is that you must be suitably trained, so training is required on the current standard, equipment being used, wiring considerations for installers etc

Next, you will be qualified by knowledge and practical experience. This is important, as you must prove your theoretical knowledge (training and qualifications) and practical experience

You should also be provided with the necessary instructions to enable the required task(s) to be carried out correctly. These will take the form of equipment instructions, standards, design specs, drawings, etc , to enable you to design, install, and commission a fire system to the latest standards. The critical word here is ‘correctly’

Finally, the note states that you will need to complete CPD hours to maintain your competence

So, in reality, you are now going to have to prove the aforementioned items to be classed as a competent fire system technician

I feel that a couple of points in the ‘Use of this document’ section are worthy of mention It states that it is a code of practice and that ‘Users are expected to ensure that Claims of compliance are not misleading’.

In a nutshell, if you state that it fully meets BS 5839-1:2025 category 2, it should meet every recommendation unless you state a variation

In this section, we assume that the users of this standard will be appropriately qualified and competent people. This means that if you’re to use this standard to install or maintain a fire system, you

should have qualifications in fire alarm and detection and be competent

In scope, it states that this standard doesn’t cover temporary fire detection and fire alarm systems So, if you’re installing any temporary fire alarm system, you can’t claim it meets BS 5839-1:2025.

Clause 6 6 states that three things now should not be allowed as a variation to exclude from your system –where there is more than one storey, particularly where people sleep

a) A zone plan or suitable diagrammatic representation is allowed in clause 22 2 5

b) The absence of an ARC connection in supported housing or residential care homes

Clause 7.9 no longer allows stairway lobbies to be areas of low risk, so they will now need detection

Clause 14 2 2 recommends that if your system is connected to an ARC, a label should be placed on the front of the panel stating so, with a contact number provided

Please note that this article was written before official publication of the standatd

As a result, some of the highlighted items could be changed if there was any legal challenge before the release date

IT’S THAT TIME AGAIN

As the 2025 deadline for electrical safety checks in the Private Rented Sector (PRS) fast approaches, Frank Bertie, Managing Director at NAPIT, outlines the key responsibilities to ensure tenant safety and legal adherence.

Landlords in the PRS are being reminded of the upcoming deadline for the next round of electrical safety checks The original regulations, introduced in 2020, require regular inspections to ensure the safety of tenants.

The intention of the government was to improve the electrical safety standards of the Private Rented Sector, which up until then had been lacking in detailed requirements for landlords to carry out electrical inspections

The 2020 legislation requires landlords to ensure electrical safety checks in new tenancies from 1st July 2020 and existing tenancies from 1st April 2021, as shown in Fig 1

As we move through 2025, the five-yearly inspections are fast approaching (see Fig 2).

Qualified and competent tradespeople

It’s essential that only qualified and experienced professionals carry out electrical inspections A competent person is someone with the required qualifications, skills and experience to carry out the particular task

They upgrade those attributes when new ways of working and changes to relevant regulations dictate any requirements for Continuing Professional Development (CPD)

Simply having the necessary qualifications is not enough; inspectors must have practical experience to carry out the complex tasks required from them during an electrical safety check or Electrical Installation Condition Report (EICR) This ensures they can identify any risks or issues accurately

It’s essential that only adequately qualified, experienced, skilled and monitored Inspectors are engaged in the inspection and any testing of dwellings, in accordance with the PRS legislation

From an industry skills perspective, the requirements for inspection, testing, verification and certification, of even new installations, are seen as a highly-skilled job, due to the extensive knowledge of BS 7671 needed, which can only be gained through

2020 - 2021

experience. Fig 3 details the requirements for a qualified and competent person

Landlord considerations

Landlords should confirm the Inspector’s qualifications and competency before engaging their services.

The Inspection and Testing shall follow BS 7671 Wiring Regulations and use the EICR to record the findings of the electrical safety check

The PSR regulations require the landlord to obtain ‘a report’ – this may be the full EICR or a report of its findings, provided it gives the results of the Inspection and Testing and quotes the date of the next inspection

Landlords must ensure they’re in possession of the previous EICR to provide to the person carrying out the next due electrical safety check. This will assist the information regarding the extent of the electrical installation contained in the previous EICR

2025 - 2026

Fig 2: Date for when the PRS Regulations 2020 require the next EICRs to be carried out
Fig 1: The starting dates for the PRS Regulations 2020

Steps for compliance

T h e r e h a v e b e e n n o c h a n g e s t o t h e

o r i g i n a l l e g i s l a t i o n l a i d o u t i n 2 0 2 0,

t h e r e f o r e a l l t h e r e q u i r e m e n t s t h a t

l a n d l o r d s h a d t o c o m p l y w i t h w i l l

r e m a i n t h e s a m e f o r t h e n e x t e l e c t r i c a l

s a f e t y c h e c k s . When the new EICR is received by the landlord they must:

● Supply a copy to each existing tenant within 28 days of the inspection and testing.

● If requested in writing to do so, supply a copy to the local housing authority within seven days of such a request Note that it isn’t a requirement to inform the local authority of every report.

● Keep a copy of the report at least until the next inspection

● Provide a copy of the report to the person carrying out the next inspection.

● Provide a copy of the report to any new tenant moving into the property, before they take up occupation

● If requested in writing to do so, supply a copy to a prospective tenant within 28 days of a request

Unsatisfactory EICR

An Unsatisfactory EICR highlights there are requirements for further investigations or rectifications Any such work must be carried out by a qualified, competent person

Wr i t t e n c o n f i r m a t i o n o f t h e

r e c t i f i c a t i o n w o r k s b e i n g c a r r

r e m e d i a l w o r k s o r f u r t h e r

i n v e s

b e i n g t h e E l e c t r i c a l I n s t a l l a t i o n

C e r t i f i c a t e ( E I C ) a n d f o r l e s s e r w o r k ,

t h e M i n o r E l e c t r i c a l I n s t a l l a t i o n

Wo r k s C e r t i f i c a t e ( M E I WC ) , a s d e f i n e d b y B S 7 6 7 1

It should be noted that any remedial work may also be notifiable and

£2,000,000 public iability insurance and ADEQUATE INSURANCE

£250,000 professional

and certification of

governed by Building Regulations, specifically Approved Document P (England), which covers electrical safety in dwellings.

2 Confirm inspector qualifications

Only hire qualified professionals with the required experience

Any documentation regarding further investigation or remedial work carried out must be supplied to the tenant within 28 days and the local housing authority

Where this highlights further required works, the landlord must again present this information to the tenant within 28 days and local housing authority, and when the works are complete and acceptable, a further 28 days limit to supply the tenant and local housing authority with the acceptable documentation will be enforced.

Quick action steps for landlords

1 Check inspection dates

Review the dates of previous inspections and ensure the next one is scheduled before the deadline.

3 Complete and distribute reports

Ensure all required reports are provided to tenants and authorities promptly

Ensuring compliance and safety

Landlords are legally required to carry out electrical safety checks and maintain proper documentation in line with the 2020 PRS regulations; it’s important to remember that anyone conducting EICRs for the Private Rented Sector has to demonstrate their qualifications and competence.

The 2025 deadline is fast approaching, and compliance ensures the safety of tenants and the continued legality of rental properties

Fig 3: Standard requirements for a qualified and competent person

CURRENT AFFAIRS

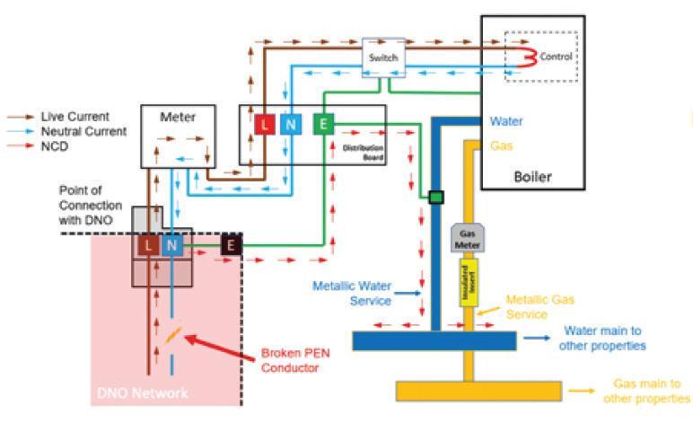
What is neutral current diversion (NCD) and where is it most likely to occur? This article, delivered collectively by some of the industry’s leading authorities, aims to provide some of the answers.

Neutral current diversion (NCD) is a term used to describe ‘stray’ neutral currents that take an alternative or diverted route back to the earth connection of the supply transformer.

Metallic service pipes entering a building, such as continuous metallic water or gas pipes, can provide such an alternative route

Normally, load current flowing in a circuit will return via the circuit neutral conductor to the supply transformer via the neutral conductor of the network supply cable.

However, NCD can occur under load conditions due to a parallel path that may exist in the network or if a break in the neutral conductor of the supply cable occurs

Where NCD occurs, the current flowing may consist of all or part of the neutral current that would normally return in the network supply cable

Where to find it

NCD may be a particular issue in multi-occupancy type buildings where metallic service pipes are common to all properties The return path that NCD could take in such a property could potentially have multiple parallel routes

NCD is most likely to occur in an earthing system where the neutral and earth functions are combined, such as where a TN-C-S earthing system has been provided by the DNO.

It can also exist where the neutral and earth functions are considered to be separate, as in a TN-S earthing system

NCD can also occur where a main protective bonding conductor connection is made between the main earthing terminal and extraneousconductive-parts that may exist in the consumer's installation.

TN-C-S earthing systems, also known as PME, were first introduced in the early 1970s and are known as Combined Neutral and Earth (CNE) systems by DNO network operators Prior to this, Separate Neutral and Earth (SNE) DNO networks were universal However, over time, many legacy SNE networks have been modified to PME or made PME-enabled

Take care in older properties

Older properties are also more likely to have metallic water services and therefore provide a more supportive environment for NCD

Protective equipotential bonding in these properties may be specified to an older version of BS 7671, therefore may not have been upgraded as BS 7671 has evolved.

Consequently, the smaller crosssectional area (CSA) of protective bonding conductors in older properties may not be suitably sized for PME conditions, and therefore not rated to withstand the levels of NCD that can occur in a PME network

Some relatively low NCD is a ‘normal’ condition that has been on networks for several decades It’s only really of concern when a broken neutral or high impedance neutral fault occurs on the PEN conductor on PME networks

Your help is required

The IET, ECA, Electrical Safety First, NAPIT, NICEIC and SELECT are working together to investigate the prevalence of Neutral Current Diversion (NCD) incidents across the UK

As an electrical installer, you’re in the perfect position to provide vital information If you encounter any incidents of NCD, please complete the survey on the IET website, which will take less than five minutes

CHECKING FOR NEUTRAL CURRENT DIVERSION

Before working on an existing electrical installation, it is recommended that the following safety check is carried out to determine the possibility of neutral current diversion (NCD):

RCDS FOR HEAT PUMPS

Heat Pumps (HP) producing leakage currents above 1 kHz, will not be compatible with Type B RCDs that are only manufactured to meet the lowest requirement of BS EN 62423, i e operation up to 1 kHz

Type B RCDs rated for use up to 1 kHz may trip unexpectedly when subjected to leakage currents above 1 kHz, or worse, the detection circuit may be saturated (blinded) This will result in the device not detecting residual currents under fault conditions

BS 7671 offers essential guidance for the installation design for those who have the experience to ask the right questions If unsure, the “skilled person” will seek the advice of the HP and RCD manufacturers, to verify that the characteristics of the equipment they intend to use are compatible.

Compatibility of characteristics –Ref BS 7671

134 1 1 “The installation of electrical equipment shall take account of

manufacturers’ instructions”

The Domestic Heat Pump Safety Standard BS EN 60335-2-40: 2024+A112024 advises that manufacturers state in their instructions the use of 30 mA RCD protection for equipment that is permanently connected to fixed wiring Check the manufacturers’ instructions relating to specification requirements for RCD protection

Modern HPs contain larger inverters, the characteristics of which must be considered when designing the installation Installers who have not been involved in commercial or industrial applications may not have had experience with this type of equipment or the application of Type B RCDs

Leakage current in AC circuits is an inherent function of circuit capacitance and increases as a function of frequency Modern HPs, to improve efficiency, apply inverter technology with switching frequencies in the kHz range HP leakage current and the associated harmonic currents must not have a detrimental effect on the protection offered by the RCD, and the RCD should not trip due to normal circuit leakage current

Type B for use with HPs – Understanding the

standards

At the time of writing, BS 7671 Appendix 1 refers to BS EN 62423 2012 for Type B: To claim compliance, RCDs do not have to work above 1 kHz The VDE standard 0664-400 (B+) sets an

upper limit of 20 kHz *

This is a recognised issue for larger inverter applications, usually associated with non-domestic installations. Doepke and several European manufacturers’ Type B RCDs exceed the requirements of the existing BSEN standard and the VDE standard Consequently, for applications exceeding the 1 kHz value (see clause 133 1 1), reference must be made to the individual manufacturer’s Type B RCD characteristics and the HP manufacturer’s instructions, relating to the compatibility of upstream protection devices

* The performance limit for an RCD with regard to frequency, is a function of the quality and properties of the magnetic materials and the design of detection circuits used in the product: Characteristics above 1 kHz are based on extrapolation of the tripping requirements in 62423 and the advice/limits given in IEC60479-2 thresholds < 150 kHz The Doepke 30 mA HP & BSK characteristics are within the threshold limits for ventricular fibrillation < 150 kHz/IEC609479-2.

Chaz Andrews, Technical Manager at Doepke UK, looks into the requirements for Type B RCD use in Heat Pump installations, following Amendment 3 to BS 7671.

The diagram (pictured above) gives an example of two 30 mA Doepke Type B characteristics for use with Heat Pumps

The red dashed line shows the existing 1 kHz requirement for BS EN 624232 Doepke Type B RCCBs will operate <150 kHz, the graph is truncated at 100 kHz to increase the horizontal axis (readability)

● Grey shaded area: Tripping characteristic for DFS HP and DFS BSK

● Blue line: 20 kHz limit of operation for VDE 0664-400 B+

● Green line: DFS HP operating limit 150 kHz

● HP leakage currents > 20 kHz result from incorrect EMC protection or high supply harmonics

● Example: If 150 mA leakage current at say 4 kHz flows in the circuit, it should not trip the RCD

Conclusion

Greener homes require more innovative solutions (equipment) than those traditionally associated with domestic installations This involves consideration of the characteristics of the equipment we intend to supply with electricity

Manufacturers such as Doepke publish characteristics for their Type B RCCBs; these can be used to verify that they are compatible with the HP model HP manufacturers who do not clearly state RCD compatibility requirements risk costly rework when things go wrong

In addition to safety, using inappropriate products in the HP installation will result in system availability problems for the final customer This, in turn, affects the reputation of the HP brand and the companies involved in the installation

As with any complex equipment, HP

“In addition to safety, using inappropriate products in the HP installation will result in system availability problems for the final customer.”

characteristics vary from one manufacturer to another Consequently, the design of the electrical supply requirements and associated protection devices may differ. This must be considered with the individual site design requirements based on BS 7671 and HP manufacturer’s recommendations

GET MORE DETAILS ABOUT DOEPKE’S FULL PRODUCT OFFERING BY VISITING:

WWW.RDR.LINK/EBN018

CPD ZONE! SCAN THE QR CODE TO CLAIM YOUR CPD CREDIT FOR THIS EDITION OR VISIT:

WWW.RDR.LINK/ EBN019

ELEX 2025

CONTINUE YO UR P ROF E S SION A L DEVELOPMENT AT ELE X SHOW!

Taking place across two days at the Yorkshire Event Centre in Harrogate, the ELEX tour hits the road again this month. What’s more, we’ve got great news for visitors that are serious about CPD!

Recent changes to The Electrotechnical Assessment

Specification (EAS) which sets out the minimum requirements for a business to be recognised as technically competent by a Certification or Registration Body, includes a requirement for businesses to maintain appropriate records of qualifications, training (including Continuing Professional Development) and experience

To support this requirement, EVERY ELEX seminar is now CPD accredited, ensuring those individuals who make the time and effort to attend will receive a direct certificate of completion, which can

form a key part of your ongoing Continuing Professional Development record.

With industry regulation and legislation changing constantly, the extensive ELEX seminar programme will cover an array of topics, including the latest Amendment 2 to the 18th Edition and the changes this covers, along with best practice and technical advice for professionals to get stuck into Presentations will be delivered by experts in their field and the only cost to delegates is their time.

All seminars will take place in the IET Seminar Theatre located centrally in the exhibition hall and there’s no need for delegates to pre-book, just pre-register to attend the show

Whether you need some advice on the direction the sector is heading, want to chat with manufacturers about their latest solutions, view live demonstrations of the latest products or bag yourself a great

YOUR S H OW, NEA R YO U. . .

● At a venue near you

● Across two days

● Free parking (van friendly)

● Free entry

● Free T-Shirt & a free bacon roll* (*limited to first 1,000 visitors)

● Show bargains

● Hands-on demos

● Meet manufacturers

● Networking opportunities

● CPD accredited seminars and certificates

show deal on tools and equipment from leading brands, your regional ELEX tradeshow has it all

The latest stop on the ELEX 2025 tour takes place this month at the Yorkshire Event Centre in Harrogate –15th/16th May, 10am - 4pm

Working on your own? Need some technical advice? Don’t know where to turn? Ask Megger What it doesn’t know about installing and testing electrical systems isn’t worth knowing Every question will be answered by the Megger Technical Team, and the best will be published in Professional Electrician So, take advantage of the ‘ every question answered’ guarantee today Email your questions to: meggermeasures@hamerville co uk

You ask:

MY PAT TESTER IS ON ITS LAST LEGS AND I NEED A REPLACEMENT. I’M LOOKING FOR A COMPACT AND AFFORDABLE INSTRUMENT THAT WILL RECORD TEST RESULTS AUTOMATICALLY. WHAT DO YOU RECOMMEND?

Megger says:

An excellent choice would be one of the new Megger PAT250 handheld portable PAT testers These provide all the features you would expect in a portable PAT tester plus convenient remote control from your own smartphone, tablet or computer The PAT250SX uses standard batteries while the PAT250SRX has rechargeable batteries These testers are designed to be used with Megger’s CertSuite PAT App which is available for iOS and Android devices, and as a version that’s compatible with standard web browsers When used with a PAT250 tester, CertSuite PAT lets you control tests from your own device, and it automatically captures the results, so that producing reports is fast and easy CertSuite PAT also stores your results securely, and it’s preloaded with standard report forms that you can easily customise Regular updates mean you will always be testing in line with the latest standards and regulations All PAT250 testers come with a 12-month licence for CertSuite PAT and, if you ’ re already using Megger’s CertSuite Installation software, you can add CertSuite PAT to your licence to provide convenient access to both Apps

In

this article, Jake Green, Head

of Technical Engagement, Scolmore Group,

considers where threephase supplies come from and some of the general terms used. In subsequent articles Jake will consider fault currents, harmonics, triple-n harmonics and neutral conductors, as well as maximum demand and diversity.

THE POWER OF THREE

It has long been recognised that it is more efficient and effective to generate three-phase supplies rather than single-phase supplies.

Three-phase machinery is more efficient than its single-phase equivalent and three-phase supplies can deliver higher power more effectively than a single-phase arrangement

Generation of three-phase

Typically, a three-phase supply is generated when a series of

three-windings spaced 120° apart are rotated at 3,000 rpm (50 rps) within a magnetic field (Fig 1)

Fig 1 shows the DC supply to the rotor coils creating the magnetic field, whilst three windings (black, grey and brown) are set apart by 120° As the coils are rotated within the alternator, the voltages generated within the windings will rise and fall as each passes the relative ‘north’ (N) and ‘south’ (S) of the magnetic field

The generated voltage will be sinusoidal in shape (Fig 2) and the voltage

will depend on the nature of the alternator but is typically in the region of 25 kV in the UK This voltage is transformed up for transmission purposes and then transformed down for distribution to business and domestic consumers

Irrespective of the level of voltage, the three phases remain constant, that is, separated by 120°

Terminology

When considering anything to do with three-phase supplies, it is important

that correct terminology is used The labels for voltage and current vary because the relative relationships are different depending on what is being measured

Delta connection

The start of one coil is connected to the end of the other into a closed loop In delta-connected systems the line voltage and phase voltage are the same. For example, a 400 V line voltage is the same as the phase voltage. However, the relationship between line and phase currents differs by a factor of

For example, for a phase current of 10 A the line current would be: .

This equation can be shown in a phasor diagram (Fig 4).

Star connection

The end points of each coil are connected to a common point (the neutral point). In star-connected systems the line current and phase current are the same For example, a 13 A line current is a 13 A phase current However, the relationship between line and phase voltages differs by a factor of . For example, a 230 V phase voltage means that the line voltage would be

This equation can be shown in a phasor diagram (Fig 5)

Supplies

to premises

The final supply to premises is generally derived from a local distribution transformer and the connection at the transformer is in ‘star’

The low-voltage side of the transformer allows for a series of single phase, split-phase (two-phase), or three phase supplies Because the supply is

star connected a neutral conductor is provided, and this conductor is connected to the general mass of Earth at the star point of the transformer (refer to Fig 6) The neutral is assumed to be at Earth potential (taken as 0 V)

Conclusion

This is a general introduction to three-phase systems It is important to note that line and phase currents and voltages may have different values depending on whether the system is star or delta connected.

There are many questions which will need further consideration as they relate to the system described in Fig 6, such as: ‘What happens when single-phase loads have differing current values or the other loads are unbalanced? How much current will flow through the neutral conductor? What happens when harmonics are present on the neutral conductor?

These and other questions will be addressed in subsequent articles

We sit down with Philip Grove, Circuit Protection Product Manager at Luceco, to chew the fat over the latest developments in circuit protection as we head towards a more prosumer-conscious society.

EVERY SECOND COUNTS

Although he may be a relative newbie to employment within the electrical sector, having started his role as Product Manager for Circuit Protection at BG/Luceco in July of last year, electrical blood certainly runs through Philip’s veins via his father who was a sparky by trade and whose experience dates back to the 14th Edition, way back in 1966 By amazing coincidence, his initials are also ‘BG’

With that experience of being around the electrical industry throughout his life, Philip is now tasked with the development of BG’s circuit protection offering and to put into practice the brand’s vision for the future

an exciting challenge for me moving forwards As a very hands-on Product Manager, I also want to get out and about and meet people, including our wholesaler partners and our end user electrical customers.

He explains: “First and foremost I have a passion and aptitude for products and product development in general, so this is

“Here we can garner valuable feedback and market intelligence so that we’re able d opportunities or, and to have ion of where e need to be heading in terms of uct elopment ” One particular a of focus that ep Philip ing forwards is the growing shift towards ‘prosumer’ adoption and applications, and the need for circuit protection solutions that can meet these demands

He explains: “The biggest change we’re noticing is that individuals are now looking much more closely at the cost of energy

and where there may be opportunities to make savings, which points back towards the prosumer side of things

“Obviously the government’s net-zero commitments are also a significant factor that will drive industry and change, with more consumers pushing to have EV charging capability at home It’s the integration of these products, and the solutions required to make this possible, that is the real challenge currently ”

Second thoughts

With increased power demands on residential properties, and because of the nature and set up of modern homes these days, the requirement for the installation of a secondary consumer unit is now a very important consideration.

Philip believes this forms one of two key trends that have emerged when it comes to EV chargepoint installations:

1. In the case of a brand new installs, it’s the provision and the ability to engineer consumer units that can handle heavy, continuous loads of up to 7 kW which can

CIRCUIT

be running for anything up to 10 hours on charge. In this case, you need to make sure you have the right devices and also a certified and approved enclosure, which has been a big development that the market has had to deal with

2. Many electricians simply don’t want to touch an installation that’s already there, as they have absolutely no idea what they might find inside once they take the cover off As a result, the quickest and easiest route to avoid this is to install a secondary consumer unit

With that latter point in mind, there are a number of mixed industry messages currently regarding the ideal location for the secondary unit, something Philip is keen to clear up

He states: “You actually have a choice to install either outside or inside. Ideally you’d want the unit installed internally, sat alongside the main CU so that if you do get a problem or fault you have everything contained within one location

“However, with new builds you’re often dealing with a switch fuse unit that is in your meter cabinet and you’ve got a 3 metre+ distance to where your main consumer unit is positioned

“A lot of houses are smaller now and the fabrication and structure makes it difficult to install second units in the same location as the existing unit As such, many installers are taking an easier option to either install outside, or inside in close proximity to the existing meter ”

The IP crowd

When considering the installation of a secondary outdoor unit, one may automatically look towards the IP rating as the main factor in the choice of the product, but Philip is quick to point out that this is just one consideration that

needs to take place.

He says: “Although it’s important, the IP rating is not the only critical element of the enclosure, so we’ve looked at a whole spectrum of factors that will support that application For example, we also take into account the temperature of where the product will be installed (outside or inside). Your devices might be certified for indoor use temperatures but what about outside?

“We’ve type tested our devices and certified them down to -25˚C to meet this need, and I’d always recommend that you look for the symbols and identification points in that regard.”

Philip continues: “We’ve also made the provision within the enclosures for the changes that came with Amendment 3, as well as making sure they’re tested to Pollution Degree 3

“This is important because if you put the consumer unit outside, the characteristics of the unit outdoors compared to indoors will be completely different as you’re potentially dealing with lots of contamination that can build up over time and cause issues Pollution Degree 3 helps to safeguard the product in that regard ”

Indoors or outdoors?

As someone who is able to speak to electricians on their level, Philip is keen to simplify the whole conversation around secondary consumer unit use and its suitability for either indoor or outdoor applications, stating: “We basically explain that we have three platforms and a choice of three locations:

1. For indoor use in a dry environment there is our IP20 unit,

2. For indoor or outdoor use you have our IP65 fire rated unit,

3. For sole outdoor use there is our new plastic alternative which is IP66 rated.

“Within these units we can offer a whole array of configurations, such as having them populated with MCBs, RCBOs, RCDs, or additional combinations of devices We can also offer bespoke, configured solutions through both the Sync Energy and BG websites, where you can choose and tailor the solution for yourself

“All of these products are ready to go off-the-shelf, but if you want something special for a particular application, we have the ability to build a configured bespoke offering at our Telford site ”

In the second part of this interview, which will be published in PE’s June issue, we’ll be talking to Philip about the latest updates with bidirectional devices and taking a look at BG’s technical and training support offering to the industry

TAKING ‘PUMP’ ACTION

As the electrical industry gains a greater understanding of heat pump installations and the safety requirements involved, we put the questions to Mark Kimberley, Residential Market Manager at Hager UK, to find out how and why the brand is aiming to lead the education drive.

QYou've recently started a significant awareness programme around the correct use of Type B RCDs in heat pump installations. What is the key message you're trying to drive home? The key message here is simple: safety and compliance matter Many heat pump installations generate high-frequency leakage currents that standard RCDs are simply not designed to handle

Our new Type B HP RCCB ensures the correct level of protection by operating at frequencies above 20 kHz, preventing nuisance tripping while maintaining full safety compliance.

We want to ensure installers understand the risks of using incorrect devices and have the right solution for the job

QHow do you see the growth opportunities in the adoption/installation of heat pumps and why is it so important for electrical installers to be armed with the right information and the correct products?

The UK’s transition to low-carbon heating is creating a huge demand for heat pumps, with government incentives and sustainability goals driving adoption. As installations increase, so does the need for robust electrical protection

It’s vital that installers are equipped with the right knowledge and products to ensure safety, reliability, and compliance

Using the wrong RCD type can lead to improper fault detection or nuisance tripping, both of which can cause significant issues for homeowners and businesses alike.

QHave you been working with any prominent heat pump brands in the development of your own solutions? How has this been helpful to you? Yes, we’ve collaborated with some of the leading heat pump manufacturers during the development of our Type B HP RCCB Working with them has given us valuable insights into the real-world electrical characteristics of heat pumps, particularly around highfrequency leakage currents This collaboration has helped us refine our product to meet the specific demands of modern installations, ensuring it provides effective and reliable protection

QWhat sort of supporting materials and training will be on offer for both installers and wholesalers?

We’re committed to supporting the industry with comprehensive training and resources This includes CPD-accredited training

sessions, technical guides, installation best practices, and online webinars

We’re also producing detailed product literature and working closely with wholesalers to provide in-branch training and demonstrations

Our goal is to ensure that everyone involved in specifying and installing heat pumps has the knowledge and confidence to select the right RCDs for the job.

QHow do you plan to further raise awareness of this important industry message throughout the year? Our awareness campaign will continue through industry events, trade publications, and direct engagement with installers and wholesalers

We’ll be hosting training sessions, featuring in trade magazines, and leveraging digital channels, including SM and webinars, to educate the industry

Additionally, we’ll work with regulatory bodies and associations to reinforce best practices and ensure that guidance around RCD selection for heat pumps is clear and widely understood

For installers who are keen to be educated further, we’ve also produced a handy bite-sized guide, which is free to download It provides all the essential details on the Hager B-HP protection device for heat pumps in one easy-to-read guide

‘TIS ALWAYS THE SEASON FOR SAFE ISOLATION

With the industry collective – Team Safe Isolate – continuing its safe isolation awareness campaign in 2025, we talk to Steve Hayes, Managing Director at Test Instrument Solutions (TIS), to find out more about the brand’s commitment to furthering the message.

QWhy, as a company, is the subject of safe isolation such an important one to TIS?

As can be seen from the survey conducted by Team Safe Isolate, there are still far too many deaths, injuries and hospitalisations caused by people not having the right equipment, training (or both) to undertake correct electrical safe isolation practices

QYou were invited last year to join the Team Safe Isolate group – what are your thoughts on the group's overall purpose and what has your involvement been so far?

If the group only saves one life, then as we see it the purpose can only be a positive one TIS’ involvement so far has been to help with others to secure exhibition space at ELEX shows, with particular thanks to Hamerville Media Group for this

The exhibition stands have been used to educate people as to the importance of correct safe isolation procedures along

with displaying the various options for test equipment, proving units and lock-off devices We were also happy to donate a selection of TIS safe isolation products to be used for demonstration at the events

QDo you believe the group's formation and work so far is having an impact on awareness?

Talk is cheap – so let’s not be complacent straight away – but the feedback is that everyone’s hard work is having an impact on awareness The real acid test result will be when we see a fall in the unacceptable levels of deaths, hospitalisations and injuries in the future

QAre there some things you've learned as a company (from being part of the group) that you weren't aware of previously?

It has been a real eye-opener as to the complacency and disregard some can have when it comes to understanding how dangerous working with electricity can be Being part of the group has made us realise

that there are lots of passionate people within our industry willing to give up their time and money for this important cause

QWhat types of safe isolation solutions and equipment do you offer as a company?

We provide fully compliant Voltage & Continuity testers, proving units and lock-off products in either individual or kit formats, so that purchasing the right equipment can be affordable and appropriate for the job

We’ve produced a priced brochure (which you can access at the end of this article), showing that full safe isolation kits are available from TIS for well under £100! That means that cost should never be an excuse

QAside from products, and your work with Team Safe Isolate, what

other activities or education do you provide around safe isolation?

The first of our aims is to make the right safe isolation equipment affordable, so that there is no reason or excuse not to invest in the appropriate tools Additionally TIS has produced a free of harge safe isolation CPD in conjunction with eFIXX, with osters left with the ollege for display roughout the year as art of the ‘College onnections’ initiative hich is running oughout the country e posters contain a code (pictured)

which will take the student directly to this critically important training We’d encourage readers to give it a go themselves at the same time

For any colleges and learning organisations who are wishing to engage, TIS can donate a selection of equipment as well as providing educational banners and posters with the ‘12 steps to safe isolation’ guidance printed on them Just get in contact with one of our team if you’re interested

QDo

you have any final messages for readers who might be tempted to cut corners in their safe isolation process just that one time?

Imagine your family not being able to welcome you home one evening – that’s as effective as any message can be

BESPOKES KEEP THE WHEELS TURNING

In this case study article, we learn how standardised bespoke EV switchboards from Proteus have been utilised in the rollout of EV charging infrastructure for some of the UK’s retail parks.

Did you know that Proteus offers a large range of custom designed, bespoke LV switchboards, panelboards, distribution boards and consumer units?

This service has been evidenced in a recent project where Proteus has designed and manufactured a bespoke EV switchboard for a client to roll out across multiple retail park locations across the UK.

Working closely with customers ensures that they achieve the exact switchgear arrangement that their installations require

Specific requirements

For this particular project the customer’s requirement was to feed 5 x 100 kW EV fast chargers and provide protection against an open PEN conductor, as the supply was derived from a shared

transformer with PME earthing Additionally, the mains supply was to be rated at 1,000 A.

The challenge for the Proteus Design & Quotations department was to standardise a design to suit these requirements as closely as possible, providing a suitable solution for a 20+ site EV charger roll out installation

A bespoke board was designed at Proteus’ Telford-based operation and fitted with 2 x 1,000 A, 3 pole, motor operated MCCBs, controlled by a matt:e O-PEN monitor to provide open PEN protection.

The monitor works in conjunction with an interlocking relay system which ensures the correct opening and closing sequence of the 1,000 A MCCBs These MCCBs switch the supply to the distribution busbars which supplies 5 x Proteus 200 A, 4 pole, thermal/mag MCCBs for the EVC supplies

This design was detailed in technical drawings for the client to see and approve

“Working closely with customers ensures that they achieve the exact switchgear arrangement that their installation requires.”

before the manufacturing commenced. Once approved, the design was processed through the various operations within the factory, taking the materials from their raw formats to the designed and tested PRO2000 that is delivered to site

Further challenges

There was also a width restriction at the installation location, which with the flexibility of the PRO2000 panel system and the in-house design expertise, Proteus was able to easily accommodate.

To provide further protection, the panel was also fitted with Type 2 mains surge protection and thermostatically controlled, anti-condensation heaters

RCBOs were fitted for local services and supply to a panel mounted 3 pin socket, all designed and assembled onsite before QC, testing and despatch

All of this resulted in a once bespoke (but now standardised for the customer) floor standing panel, with incoming cables top entry and EVC cables bottom exit

GET MORE DETAILS ON THE BESPOKE PRODUCT OFFERING FROM PROTEUS SWITCHGEAR AT: WWW.RDR.LINK/EBN026

O-PEN DIALOGUE

As you’ll have just read in the previous case study feature, Proteus bespoke EV switchboards have utilised the matt:e Guardian O-PEN monitor to provide further protection. We talk to Richard Winter, Director at matt:e, to discover more about the product and its benefits.

QOur readers have been introduced to the Guardian solution over the last couple of years. How have things been going for you so far this year and are you finding the product is in use on more projects/installations?

A s w i t h m o s t o f o u r

h a s p r e d o m i n

m a n d

This year, we’ve received some particularly interesting enquiries, including its use for monitoring metal containers, pumping stations, generators, and solar PV canopies

It’s exciting to see the Guardian being adopted and ensuring electrical safety across multiple industries

QHave there been any interesting developments with the product? Yes, we’ve recently completed the latest updates to Guardian, further enhancing

its functionality The new features include a simplified user interface and the ability to remotely switch connected loads via our cloud portal, providing more control and flexibility

and reliability across the industry.

QWhy should our readers consider utilising this type of product in future installations and projects?

Electrical safety and efficiency is more critical than ever, especially with the increasing demand for EV infrastructure and renewable energy solutions

QYourtechnology has been utilised as part of the case study example our readers have just read about How have you been working with brands like Proteus to improve the overall safety and suitability of the EV circuit protection solutions they produce? We collaborate closely with third-party panel manufacturers like Proteus Switchgear to gain valuable insights into end-user needs, which helps drive our continuous development Partnering with leading brands not only enhances the overall safety and suitability of EV circuit protection solutions but also provides users with greater flexibility in their choice of switchgear

This collaboration ensures that our technology is widely accessible, helping to improve safety standards

Our Guardian technology provides real-time monitoring, remote control capabilities, and intelligent fault detection, to prevent potential hazards before they become costly failures

By integrating Guardian into future installations, users can enhance safety and improve energy efficiency

Ultimately, it’s about providing peace of mind, reducing downtime, and futureproofing electrical systems for a more resilient and reliable operation

“ ... Guardian has predominently been used as a means of EV protection, however we’re now starting to see a growing demand for its application in a variety of new scenarios.”

GROWING A LEGACY

On the eve of the release of its new KCM AFDD, Tom Jones, Channel Partner Director at Kempston Controls, takes a deeper dive into some of the featu benefits of the product.

Following the purchase of the original Holyhead factory in 2021, Kempston Controls Manufacturing proudly became custodians of the MEMSHIELD 1 & 2 ranges, which have since been rebranded as the MEM Classic 1 & 2 ranges

Building on this legacy, we’re now excited to announce the latest product to sit alongside the MEM Classic range – the KCM AFDD We believe this launch will provide an ideal solution to the legacy product range, offering customers greater choice, flexibility and a sustainable option to extend the life of their existing MEMSHIELD 2 distribution boards.

A growing arc

Arc fault detection devices (AFDDs) are becoming increasingly vital in modern electrical systems, driven by the growing emphasis on safety regulations and the need to prevent electrical fires ca by dangerous arc faults

As electrical infrastructures grow more complex and power demands continue to rise, the ris associated with arc faults in residential, commercial, and industrial environments have become a significant concern

Current market trends show a heightened focus on fire prevention and system reliability, fuelled by regulatory frameworks such as the UK’s 18th Edition regulations, which emphasise the importance of advanced safety measures like AFDDs

of the MEM allowing the leave the or MEMSHIELD distribution b place whilst their capabil meeting the ever-changi landscape o regulations Designed and mitigate faults early, AFDD will re the risk of el fires, saving protecting p and ensuring compliance evolving saf standa

With the introduction of the KCM AFDD alongside the MEM Classic range, Kempston Controls is set to bridge this gap by offering an easy-to-integrate solution that combines cutting-edge technology with the reliability and legacy

y

ust and complexity, this AFDD has the potential to accelerate market adoption, enabling contractors and engineers to meet stricter safety requirements without compromising on quality or performance As a result, the KCM AFDD is poised to play a ansformative role in shaping a more resilient electrical industry

atures and benefits include:

● Type A, single-pole module width for streamlined installation

● All 10 Ka rated

● Available in multiple ratings: 6, 10, 16, 20, 32, and 40 A

● Tripping characteristics Curves B & C, offering flexibility for different applications

hed neutral design, ensuring nced safety and reliability eamlessly into Memera 2000, AD single-phase boards plus SHIELD 2 TPN steel distribution ds

n Bluetooth functionality – utilised n App, this tells you which type of has occurred, as well as providing s of previous historic events Trip indication flags – through the use different colour LEDs the unit will indicate a range of eight specific faults, including both AF & RCBO for quick and easy fault diagnosis.

A name you can trust

Kempston Controls is a trusted name in the electrical and industrial controls sector, known for delivering high-quality products and exceptional service for over 80 years

With an extensive product portfolio that includes control components, automation products, and electrical safety equipment, we’re committed to providing innovative solutions that meet the evolving demands of today’s industry challenges

MORE DETAILS ABOUT THE KCM AFDD FROM KEMPSTON CONTROLS BY VISITING:

The team at Phoenix Contact look into the latest requirements around the use of surge protection and introduce a new range that aims to meet and exceed these needs.

SURGING DEMANDS

Since the introduction of BS 7671:2018 Wiring Regulations Amendment 2 in 2022 and the corrigendum in 2023, the general awareness for surge protection has improved It can, however, still be a bit of a grey area for device selection and product installation.

With the ever-complex requirements and need for protection not only with general circuit protection, AFDD units, RCBO devices and even new bi-directional protection requirements, the sensitivity and protection of electrical installations and equipment is paramount With the largest percentage of failures in equipment being either internal or externally induced faults, it’s essential that surge protection is selected to prevent issues arising within all types of domestic, commercial, and industrial applications

Surge protection is a necessity

The replacement of the recommendation for installation of surge protection via Calculated Risk Level (CRL) within section 443 of BS 7671 in force since 2022, (the requirement within the regulations), has now become a ‘shall be’ installed for transient overvoltage protection, not only for atmospheric occurrences but switching events also

The consequence of this is that unless a customer or end user defines the risk as tolerable, surge protection must be installed in all installations for compliance

Additionally, Chapter 13 of the regulations also references fundamental principles specifically item 131 1 covering risk of injury inclusive of voltage disturbances, further substantiating the inclusion of surge protection

While there are a wide variety of surge protection units out on the market, devices can differ in protection levels and installations do require different levels of transient protection These can range from existing installations with or without a lightning protection system, type of earthing system and even voltage types such as AC or DC supplies.

Introducing a new family

Phoenix Contact has launched a new family of Type 2 AC and DC products – The Valvetrab SPP – which aims to set the surge protection standards of the future – today!

You’ll find a number of important features in the units which encompass the new IEC 61643 standards for compliance, whilst offering new and improved safety and installation benefits

The product range, benchmarking and setting new levels in protection, offers superior performance across a wide range of applications, whilst providing a quick, efficient installation in an innovative and simple solution for protection requirements

Key benefits include:

● Easy and safe installation with forward-thinking handling and safety features

● Reliable system protection with maximum performance and endurance

● Can be used in a wide range of applications due to the optimised design and broad portfolio.

● Simple planning due to comprehensive easy to use digital data and selectors

To make life easier for installers, the Phoenix Contact website provides the full range of surge protective devices for all types and levels of system protection, lightning and surge protection guides, plus additional information covering device selection, installations and guidance on the electrical standards

VISIT THE PHOENIX

CONTACT WEBSITE BY SCANNING THE QR CODE OR GO TO: WWW.RDR.LINK/EBN029

PLAY IT SAFE

Have you ever considered the internal safety protection that needs to be incorporated in some of the products you use every day? Joshua Hammerton, Co-Founder at Enkin, discusses its importance in modern dimming technology.

There’s no denying technological advancements are revolutionising our lives From smart homes to electric vehicles, the world is becoming more accessible and convenient

While the rest of the lighting industry has moved with the flow, there’s one aspect of modern living that’s been somewhat left behind, and that’s dimming technology Issues such as overheating, short circuit malfunctions, and incompatibility are problems that have plagued electricians and end users alike for many years.

A major concern of mine during the years I spent on the tools was the safety of the dimmer modules I was installing There rarely seemed to be any sort of safety protocols in place to detect or prevent overheating, and we knew we had to do something about that And do something we did

With rigorous product development and testing, we’ve incorporated leading technology into our dimming products to ensure that our dimmers perform reliably and safely.

Let’s look at some of the ways we’ve been able to make lighting control safer and smarter:

Self-resettable thermal fuses

We’ve incorporated innovative safety features such as self-resettable thermal fuses and oversized heat sinks to ensure exceptional thermal protection

These features are particularly crucial for LED bulbs and dimmable lighting systems where heat management directly impacts performance, efficiency, and lifespan of the dimmer module itself

The self-resettable thermal fuse prevents overheating by cutting off the power supply when the internal temperature rises excessively, safeguarding both the lighting system and

the dimmer module Once conditions normalise, the fuse resets automatically, ensuring uninterrupted functionality

Meanwhile, the oversized heat sinks enhance heat dissipation, preventing thermal build-up that can degrade dimmer circuits over time

Overcurrent protection

Overload protection software is an essential component in Enkin dimmer modules, and its primary function is to safeguard both the dimmer modules and the lighting system itself by preventing damage caused by excessive current flow.

When an electrical circuit experiences an overload, often due to high demand from connected devices or a fault in the system, our integrated software swiftly detects the anomaly and interrupts the flow of current to protect the equipment

Lighting systems, including smart systems, are designed to operate within specific voltage and current ranges If the

circuit is overloaded, it could cause the load to fail prematurely

Overload protection software is critical for both safety and reliability, ensuring that fire hazards or electrical faults are avoided by cutting off the power, when necessary, thereby prolonging the lifespan of the entire lighting system.

Dimmers control the brightness of lights by adjusting the voltage supplied to the bulbs However, when paired with incompatible bulbs or subjected to excessive loads, dimmers can cause current surges, potentially damaging the system Overload protection software adds an extra layer of security by detecting such conditions early and preventing potential hazards.

While our thermal fuses work to protect the home, our overload protection software’s primary function is to protect the lighting system itself, as well as preserving the dimmer in case of a fault We created our dimmers to keep working after all faults have been cleared without

having to replace any components

Short circuit protection

Enkin dimmer modules come equipped with advanced built-in short circuit protection software

This innovative technology automatically shuts down the system when a fault such as a short circuit in the system is detected Once it has determined that the fault has been cleared, the module will automatically restart, safeguarding not only the dimmer module but the entire lighting system

This cutting-edge protection is critical for LED lighting which can be sensitive to voltage fluctuations and electrical anomalies.

Whether you're using dimmable LED bulbs or dimmable lighting fixtures, this feature aids in extending the lifespan of the lighting system and reduces the risk of electrical damage In conjunction with our self-resettable thermal fuses and the overcurrent protection, this

“Overload protection software adds an extra layer of security by detecting such conditions early and preventing potential hazards.”

technology enhances the overall safety of your lighting setup

Built-in short circuit protection ensures optimal performance while minimising the risk of costly repairs and replacement. To this end, selecting Enkin dimmer modules means choosing safety and reliability without compromising on performance

GIVE A LIT TLE RESPECT

William Winter, Director at Navitas, explains why a healthy respect for customers, quality products and the electrical industry in general is helping to secure the brand’s reputation as a serious player in the circuit protection market.

Navitas was created to do something different in the world of circuit protection We’re a joint venture between the UK team and our manufacturing partner, built from the ground up with one goal in mind: to raise the standard across the board

This isn’t a business driven by chasing revenue or racing to the bottom on price Every shareholder in Navitas shares the same belief: that true market leadership comes from respect Respect for the people using our products Respect for quality. And respect for the trade.

A team effort

There’s no one person running the show here We’re a team Every decision gets challenged, every idea is pushed to be better, and every product we launch is something we’re proud to put our name on. That shared vision and team mentality

is what keeps us sharp It is why we’re moving fast, and it’s why the market is taking notice

Navitas lives and breathes circuit protection That’s our focus and it’s what we do best We offer a complete range of consumer units, MCBs, RCBOs, and RCDs that are designed to make life easier for electricians and deliver maximum safety for customers

Let’s start with the board Our consumer units are loaded with features that installers love Clear neutral bars, generous spacing, rock solid terminals, easy gland entry points and clever little touches that just make installs cleaner and faster The feedback we get all the time is simple: users can tell this board was designed by people who’ve actually fitted one

attention, but it’s the devices that make them stay

But here’s where the real story kicks in. The board might be what grabs people’s

To this end, our RCBO range is something we’re genuinely proud of Compact 2 pole Fully bidirectional Individually tested. Every unit that leaves our production line has been tested for

consistent tripping times. That’s not something we say to sound impressive. It’s something we do because we believe reliability should never be left to chance

We offer Type A RCDs as standard and also provide Type B options for specialist installations like EV charging and solar

Our MCBs are Type AC like the rest of the market, but we focus our innovation where it matters most – on the devices that protect people and property

Complete control over quality

Our setup is different from most We are a joint venture with our factory which means we do not just buy stock, we help shape it from day one This gives us access to serious infrastructure for R & D, testing and product development

It also gives us complete control over our quality processes We’re not batch testing and crossing our fingers, instead we’re testing every single RCBO that leaves the line That

reasons why installers trust what we make

Here in the UK we hold our own stock and distribute nationally. Our products are available through an ever growing network of electrical wholesalers across the country, including independents and larger groups

Navitas is not just about boxes and devices – we’re here to back the professionals who use them. That means offering real support in the areas that matter most

We create detailed technical content that helps make complex regs easier to understand, while we also publish white papers and training resources to help electricians stay ahead of the curve. Our customer support team is UK based and staffed by people who understand the trade No scripts No fluff Just real answers from people who care

We’re also launching a loyalty programme built around excellence, though this isn’t about points for pens –it’s about rewarding ambition and backing the kind of tradespeople who push themselves to be better every day

Raising awareness

For us, this year is all about showing up and being seen We’re attending every ELEX show in 2025 and we’re turning up with purpose Not just to display products but to have real conversations

Electricians are smart They can see through empty noise So we’re bringing knowledge, value and honest answers. Our stand isn’t about flashy gimmicks, it’s about showing the level of care and quality that o s, we’re ntent across be, Instagram, and beyond. ocus is always same: ducation, sight and ontent that helps electricians make better decisions

“For us, this year is all about showing up and being seen. We’re attending every ELEX show in 2025 and we’re turning up with purpose.”

platform that gives everyone in the industry a voice Not just manufacturers like us, but wholesalers, electricians, trainers, mentors and business owners. Everyone plays a role. Everyone has a story.

We talk about the things that really matter The decline in apprenticeships

Mental health in the trade What regulation changes actually mean We bring in people from across the spectrum and just let them speak. No agenda. No scripts.

It’s not about monetisation, it’s about connection, and giving people access to parts of the industry they’d never normally get to see

The response has been amazing People listen because it is real and speaks to them. That honesty has helped build deeper relationships between us and the trade we serve

Give it a try

If you have never used Navitas before, I believe that now is the time Try one board. Fit one RCBO. And judge us on the experience Not on the brand name or the price tag, but the end result

Our popular Torque Up podcast came om a simple a: let’s create a

We’re here for electricians who care about their installs Who want their work to reflect their standards Who are tired of compromise and want to build their reputation on solid, reliable protection. We

The team at Parrot PR and Marketing offer some pointers on helping you to grow your business in just one hour.

power HOUR

Melectrical contractor and it instantly creates feelings of dread and wasted time. However, in a world where customers and clients are able to access and compare contractors and their work in an instant through social media and websites, it’s actually a much-needed part of an electrical contractor’s business strategy to enable growth and a pipeline of new business

To really evidence this point, 80% of new business leads come from social media –whether that be through direct searches and outreach or recommendations from friends or connections

But, what if growing your business through marketing strategies only took an hour of your week? And even better still, whilst sat at home or in the van?

With modern technology and innovation, this can be a reality, instantly raising your brand awareness and opening up new business opportunities. You can also achieve this in as little time as possible by following a few ‘must know’ tips:

Platforms

Not all social platforms are suitable for you Each is built with an audience in mind, and this will help you decide which is best for your business

platform for smaller and localised businesses to be discovered. Instagram is all about the visuals, which makes it perfect for showcasing installs using short video clips and images

And then there’s the platform that has grown by 75% since 2020 – TikTok This offers a varied audience, but the high-quality short clips need forward planning and editing to make them as engaging as possible

Planning

There’s no need for daily social posts to achieve audience growth and engagement Instead focus on two or three posts per week Ideally these will be planned and scheduled in advance, meaning you can forget about them, and leave them to do their magic whilst you’re busy on-site or at a customer’s house

Think ahead about what jobs you will be completing in the coming week, and arrange to take photos or videos to then build your content But don’t completely post then ghost – you need to respond to comments in a timely manner to show you’re on the ball

Great content

Content is key for getting your audience to engage with your posts Variety is

fixings is all golden content

Another thing to consider is what your audience actually wants to see. If you’re targeting homeowners, they want to see the finished job, so think aesthetics and ambience Focus on taking clear images from multiple angles Additionally, don’t forget the text that will accompany the graphics or video Keep it snappy, write as you’d speak, use relative emojis, and add a call to action like an email address for enquiries Don’t overlook the use of hashtags that are relative to your work, but also those that your audience will follow

In short, you can grow your business in as little as one hour per week by following these simple steps Plus, with technology such as Meta, it can be even simpler to schedule, manage, and review your content and engagement

The good folk at Parrot PR and Marketing regularly share top tips and industry news on LinkedIn to help electricians to prosper and stay informed

A BIT OF LIGHT RELIEF

In this article Ben Pratt, the founder of B Electrical, looks into some of the ways you can make smarter lighting simple through the use of Shelly devices.

When it comes to modern lighting control, I’m a firm believer in keeping things simple, smart, and energy-efficient That’s why I’m a big fan of Shelly

Whether I’m working on residential projects, hospitality venues, or commercial installations, I always leverage the Shelly ecosystem to deliver seamless lighting experiences

With the use of the free Shelly App to over 200+ integrations, Shelly makes it easy to control lighting alongside heating, blinds, and more, all in one unified system

With that in mind, I’m going to give you a closer look at some of my go-to Shelly products and how I use them to create smarter, more energy-efficient lighting setups

Shelly Mini 1PM – the perfect retrofit solution

The Shelly Mini 1PM is my secret weapon for turning ordinary light switches into smart ones without ripping up walls

As the smallest relay in the world for smart control, I generally like to install them behind existing light fittings and switches so customers can control everything via the App, integrations or voice assistants

Just like the other Shelly devices, it allows customers to set custom scenes and schedules, and to remotely switch lights on or off from anywhere

Plus, with built-in power monitoring, my clients can track energy usage on individual circuits and optimise this accordingly, making more informed decisions about how and when they use their lighting

Shelly dimmer series – versatile control for any lighting project

I rely on Shelly’s dimmer range to deliver flexible, reliable control across a wide variety of projects

For residential retrofits, the Shelly Dimmer 2 is my go-to, especially in older properties where there’s no neutral at the switch It fits neatly behind existing wall plates and allows seamless dimming of LEDs and traditional lighting

For larger-scale or more advanced installations, I often install the Shelly Pro Dimmer 2 – a DIN rail-mounted, professional-grade option ideal for distribution boards in hotels or commercial spaces It offers leading and trailing-edge dimming, LAN connectivity, and built-in protections, delivering robust, centralised control

Shelly 0-10 V dimmers provide precise

brightness control for 0-10 V compatible lights – perfect for landscapes or architectural highlights

Shelly RGBW relays – colour and LED strip control

For customers who want dynamic lighting – think garden features, home cinemas, or ambient room lighting – I’ll always go for the Shelly RGBW PM. With impressive responsiveness, it supports RGB or RGBW LED strips, as well as four independent white strips – perfect for cupboard lighting Whether my customers are setting the mood for a chilled night in or a party, I’ll programme scenes so that they can activate their favourite presets through the Shelly App, schedules, or even a wall switch

Shelly i4 – the master control panel

For advanced setups, the Shelly i4 is my favourite installation route, giving my clients multi-function control from a simple interface I’ll wire up the i4 behind an existing switch or on a control panel to trigger up to 16 different scenes and actions (i e turn all lights off by pressing the switch by the front door)

The i4 doesn’t switch power directly but sends commands, making it perfect for customers who want button control without me having to spend a lot of time rewiring

Wall Display – one touch control

Designed to fit the size of a standard pattress box, I’ll often add a Shelly Wall Display to offer a seamless retrofit solution to control lighting, heating, appliances, and music.

The centralised touch-screen control gives my clients an easy way to turn on/off lights or activate scenes without needing to grab for a smartphone They can also see at a glance how much power their lights are using, helping them make smarter decisions about energy usage

Switching options

I love Shelly because I can offer my clients a wide range of switch control options, making it easy to tailor the system to each project Whether it’s using existing retractable wall switches, installing momentary push-buttons, or adding multi-gang keypads, Shelly works seamlessly behind the scenes

In addition to retrofitting behind existing switches, I also lean on Shelly’s

dedicated light switches, which are designed to complement the smart relays and dimmers

For projects where a sleek, modern look is important, I recommend the Shelly Wall Switch series – available in single, double, and triple rocker configurations, as well as wireless Bluetooth versions They offer a clean, minimalist design with high-quality finishes that fit well in both residential and commercial spaces

Summary

Shelly strikes the perfect balance of affordable, flexible, and powerful It works with existing wiring, offers both local and cloud control, and integrates easily with other platforms like Home Assistant, Google Home, and Amazon Alexa

With Shelly, I can offer my clients top-notch smart lighting that doesn’t break the bank or complicate their lives Simple, smart, and it just works

COMMERCIAL PROJECT –SHELLY FOR HOSPITALITY LIGHTING

One of my standout projects was at the Marriott Hotel in London, where I integrated Shelly devices with the hotel’s existing Lutron lighting system By leveraging Shelly’s open API and compatibility with over 200+ platforms, I was able to bridge the two systems seamlessly

This allowed the hotel to maintain its premium Lutron dimmers for guest room controls while using Shelly’s cost-effective modules for energy monitoring, and simplified management

The result? A fully integrated system that enhanced guest comfort, improved energy efficiency, and provided the hotel’s facilities team with remote access and real-time control, without needing to overhaul the entire setup

GET MORE DETAILS ON THE SHELLY RANGE OF DEVICES, AVAILABLE FROM NETXL, BY VISITING: WWW.RDR.LINK/EBN034

HIDDEN HELPERS

Ben Dyer, CEO and Co-founder of Powered Now, looks at some of the hacks available through the business management software that can make it easier to run your business.

Powered Now is regularly used by lots of electricians, and with significant success Sometimes it can be the case, however, that users don’t always know or understand some of the easy-to-use features that can make it an even more powerful tool for their business.

We have to accept that not everyone wants to spend their time playing around with software and exploring all of the options But sometimes the investment of a little time can pay serious dividends

In this article I hope to point out a few of the things that can be opened up in Powered Now to make running your business just that little bit easier.

If you’re an exisiting Powered Now user and would like to take advantage of some of these hacks, feel free to contact our support team to get further help

Think through your job or project stages and use the reminder date It’s always hard to keep track of everything and to remember what’s been

promised to different customers Hidden away in Powered Now’s General Settings | Project tab is a mysterious switch called “Project next action date”

When this is enabled, you can set a “Next action date” against your project and this will appear on the project summary. You can also sort by the date and at the same time select project status. You can define all of your own statuses, allowing you to dictate how your workflow is used, with an inbuilt reminder of when things need to be done

Note: if you can’t set the “Next action date”, you need to view the project instead and then click “Convert project”

Highlight your appointment status

Another great feature is the ability

to set up your own statuses for appointments, though some users find them hard to see in the diary If this is the case, go to the “Diary & Schedule” settings, then scroll down and set “Appointment colour” to “Colour used as background ” That will make the status much clearer to see.

Set your appointment time using drag

Most people know that when you click in

the diary you can set the start time What fewer realise is that if you then drag the end of the appointment, you can set the total time. It’s a small point, but it’s another thing that’s easier to do.

Get your customers to sign documents when you visit

Imagine a scenario where you’re on-site with only your mobile phone to hand, and you require a customer to sign an important document Thanks to Powered Now, you can open any document – simply press “+” and then click “Sign” This then allows your customer to sign the document there and then on your mobile Simple!

Let’s talk tax

The final point I’d like to make isn’t really about Powered Now, but is simply some advice for trade professionals in general. If you’re a sole trader, you should know about Making Tax Digital for Income Tax (MTD for IT)

It will be introduced over the next three years and is a new law that applies to sole traders with total sales (including any interest, property income etc ) of over £50k from April 2026, over £30k from April 2027 and over £20k from April 2028

To comply, it requires three things from business owners:

1. That you keep digital records of sales and costs in a system like Powered Now or an accounting system like Xero.

2 That you submit a digital quarterly return

3 That you submit your annual return based on the same

It’s useful to know that these new requirements are coming and, of course, Powered Now will be developing a system to meet this need

Less hassle, more time

If you’ve made the investment in business management software, it’s important that you know how to get the best from it I hope I’ve managed to touch on a couple of points here that you find helpful, so you have less hassle and more time to spend on important jobs or with your friends and family

POWERING THE FUTURE, TOGETHER

Over the course of 48 hours we were able to showcase three game-changing technologies: new products, a new App and a new system, to over 250 industry VIPs, with an overwhelmingly positive response from all

As we continue to demonstrate our passion to drive forward the EV industry we’ve been emboldened by our conversations with installers, wholesalers and customers, who have watched us grow over the past three decades

With 35 years’ expertise in manufacturing, Rolec is a trusted name in the EV, leisure, and marina industries, having been chosen as hardware suppliers for big names in those respective sectors since our establishment Throughout it all, our product range has always been expansive, and now, it's bigger, better, and bolder than ever before

Le t ’s t a ke a n i n - d e p t h l o o k a t o u r l a t e s t r e s e

e v e r y b ox :

EVO: your easiest install yet At Rolec, we’ve built close relationships with our global team of electrical contractors, giving us unique insights into both our customers’ needs and

preferences for creating a unit that is more installation-friendly than ever before

EVO features a highly modular design with three key components: a base, a click-in module, and a cover that provides easy access for installers

This practical and efficient design allows for quick, hassle-free installation and configuration in as little as 15 minutes, while the CT clamp’s plug-and-play capability further reduces installation time.

The EVO will always prioritise stable and efficient charging Supporting dynamic load balancing as standard and 3-to-1 phase switching (22 kW model only), the unit can adjust its charger output based on a property’s available electricity usage, preventing grid overload, optimising energy use, and protecting the power supply, for easy charging and peace of mind

The introduction of EVO also marks the arrival of a new way to solar charge With three charging modes: CHARGE NOW (Plug & Go), ECO (solar + grid), and ECO+ (surplus solar only), EVO offers flexibility to suit your lifestyle

With the ECO+ smart solar feature, EVO can detect and allocate surplus solar energy generated from the home to charge an electric vehicle, creating an opportunity for cost-free charging.

We’re so confident in EVO’s reliability

y p p g y ntre recently, providing the perfect opportunity to shine a spotlight on the brand’s latest innovations. Lexi Van Rensburg, Marketing Manager, shares some of the highlights from a busy couple of days.

that we’re providing customers with an extended five-year manufacturer’s warranty

Units are available now, with next-day delivery for our UK customers.

RolecConnect: work smarter and faster

This all-in-one installer software service is designed to help you work smarter and faster With all current information on product specifications and configuration in one place, this App is the hub of knowledge for all Rolec products and, better still, it’s free to use for all Rolec contractors

RolecConnect is much more than just a knowledge base, however, as we’ve captured every single step of the installation process to give you tailored support and guidance at every turn.

Additionally, our LeadConnect platform utilises your unique installer profile to match you with installation or maintenance leads in your area From here you can manage current projects, conduct EV-tailored site surveys, and generate customer quotations instantly.

Utilising the ‘See it Before you Build It’ augmented reality (AR) feature gives you the power to visualise your installations before breaking ground, leveling up your site planning tools

Once you’ve completed your installation, all you need to complete

successful product configurations is on-hand All the up-to-date information required to streamline installation is within reach, reducing unit set-up time from start to finish to as little as 15 minutes

However, if any issues should arise, you can get instant answers. From product specific FAQs to technical troubleshooting, all the information you could need is waiting for you in RolecConnect

If you were looking for a bit of extra support or guidance, RolecConnect’s in-App AI assistant ‘Zuzu’ has been soaking up all the knowledge from every area of our business to become your ultimate installer sidekick

Just like your work doesn’t end once the install is complete, neither do our in-App features The SupportConnect platform has been engineered to give you full visibility and management of post installation services, helping you to keep an eye on customer warranty and maintenance plans once the initial project is complete with reminders and notifications

We also encourage installers to engage with each other and build a community The Installer Forum acts as our connected community of electrical contractors, giving you the unique opportunity to network with

fellow professionals and share expertise.

RolecConnect won’t just connect you with peers online, it also brings you to in-person training and resources Stay ahead of the curve by attending one of our tailor-made training courses curated for professional development. You can gain information on industry developments, product insights, and more by booking through the App

Metpow: revolutionising energy and water tracking/consumption

We’ve joined forces with Metpow, a pioneer in wireless utility management software, to create the ultimate berth/pitch services management platform

With sustainability at its core, this partnership aims to optimise resource management, reduce operational costs and support eco-friendly practices. 100% carbon neutral energy at caravan and residential sites, marinas, and waterfront destinations means operators can offer greener solutions while enhancing efficiency

By combining Rolec’s LoRaWAN hardware with Metpow’s innovative software, we’ve created an advanced system designed to simplify guest management and enable automated utility solutions, revolutionising how energy and water are tracked and consumed

Metpow software opens a range of potential options for site owners and operators, all managed through a centralised platform The system is fully MID compliant, ensuring accurate and legally approved energy metering,

“RolecConnect won’t just connect you with peers online, it also brings you to in-person training and resources.”

giving operators and visitors security in knowing that they’re paying solely for what they use

Site operators can also track consumption via the App's remote monitoring function as well as receiving instant notifications about unusual usage, including 24/7 health monitoring for breaker trips and system faults This enables sites to reduce downtime and focus on providing reliable services to guests and residents

For even more control over site efficiency, operators have the option to set thresholds to encourage responsible resource use, helping reduce overall consumption and optimise operations Additionally, the platform provides a solution for operators to incorporate service charges for CAPEX recovery, ensuring compliance with OFGEM regulations

The system is designed for ease of use, including straightforward installation It is fully scalable for both single-site and multi-site operations, growing alongside the business so that sites can continue to provide a network with constant, reliable performance in remote or challenging environments, on a network that ensures connectivity without Wi-Fi or 4G

Metpow also serves as a seamless platform for guests and residents to manage their utilities, ensuring full transparency over real-time energy usage, as well as convenient, secure payment and billing Users have full visibility over their usage, giving them the power to make conscious decisions

The technology offers a wide range of applications for leisure parks and marinas of all sizes, helping them stay on top of rising electricity costs while ensuring fair charging for end users

ELEX 2025

“IT WAS GLOVE AT FIRST SIGHT”

Mike Humphries, electrician at Greenhawk Construction, gets his hands into a pair of Olba work gloves from MCR Safety.

Aside from that thing that resides between our ears, it’s widely accepted that an electrician’s most valuable asset is their hands, so it’s important that we give them as much care and protection as we can when we’re out on-site every day.

I was intrigued to have the chance recently to test out a new pair of gloves from MCR Safety – the Olba work glove

Part of MCR Safety’s Tornado Gloves portfolio, this is billed as the ultimate general handling safety glove, designed to provide abrasion resistance, grip, dexterity and comfort for many different uses

Like wearing a second skin

The first thing to say is that the gloves are very comfortable, providing the user with a snug fit that almost makes you feel like you’r wearing a sec skin at times. They’re also great for keeping your hands warm in site conditions that might be a little on the chilly side of things As we all know, fiddly little tas can become significantly t you’ve got fro fingers!

When I’m t inspecting on utilise an iPad test results W gloves that I’v to remove them because they fail to provide the dexterity required to scroll through and input results That’s not the case with these little beauties, and saved me having to take them off at any stage during the process

Further still, in keeping with a sparky’s reputation for being a bit clumsy, the screen on my iPad is cracked from a recent

op, which makes it even more mpressive that I can still use the gloves with it.

The gloves feature a lightweight shell for minimal hand fatigue, offer maximum abrasion resistance and utilise a nitrile foam palm coating for wet and dry grip Precision handling tasks are made significantly easier due to their fine construction and they offer great flexibility and durability.

All in all, I’ve been really mpressed with these gloves and ’m looking forward to using them further in my daily work with the assurance that my hands will be safe and protected If you value your prized assets as much as I do, I’d recommend that you give them a try

Free outdoor lighting design sparks lighting season into life

Garden lighting is seasonal work, right?

Well, demand may rise as people spend more time outdoors, but its benefits go beyond recreation – outdoor lighting enhances safety, security, and the overall appeal of a space year-round All in all, it's business worth pursuing for electricians

But how do you stand out from the competition in this space?

When Andy Ireland decided he needed his garden illuminated, electrician Richard Gaunt sealed the deal because, as Andy noted, he was the only contractor to offer him a free lighting design!

“The MyROBUS App removed the burden of lighting design from me, the installer, while maintaining flexibility for modifications. The ability to show realistic visualisations of the final result impressed the customer, providing clarity and confidence before installation. The client noted that no other electricians had provided such a comprehensive design preview before installation, which set this project apart.”

Richard Gaunt

Project brief: enhancing safety and ambience with garden lighting

Let’s set the scene The area in question was Andy’s back garden, measuring approximately 88 m² and shaped like a trapezoid It features a terrace by the back door, with steps leading down to a small patio with a shed The patio runs parallel to a wider green area with a couple of football nets.

Andy wanted to transform this garden into a welcoming space for evening entertaining while ensuring it remained functional and safe His vision included creating a warm, inviting atmosphere for social gatherings with carefully placed aesthetic lighting.

At the same time, practical considerations were key – ensuring well-lit pathways, decking, and steps for both safety and ease of movement, especially for young children playing outdoors.

Additionally, security and accessibility were a priority, with lighting designed to enhance visibility at the rear entrance –the main access point to the home – as well as illuminating the shed housing an outdoor freezer

Free lighting design with 3D models of the outdoor lighting

Richard happens to be a fan of the MyROBUS App, especially its free lighting design service. This turned out to be the cherry on top of this project!

ROBUS has an in-house lighting design team to help electricians create the perfect lighting plan for every job All you have to do to avail of the service is submit a request through the MyROBUS App ROBUS’ team of experts will then deliver a

free, customised lighting design within 24 hours for standard projects

Robust, smart-ready and easy to install

The chosen ROBUS products were the perfect fit for this project, delivering style, reliability, and ease of installation that makes the electrician’s workday easier:

● KINGLET ground lights: Built with 316 marine-grade stainless steel housing, these luminaires provide superior corrosion resistance, making them ideal for outdoor use on steps to enhance visibility and safety

● VEGAS LED strip: This is an electrician's favourite! VEGAS matches with ROBUS’ clear, easy-clip connectors for a quick and easy installation A warm white 3000K colour temperature was chosen for a relaxed, inviting atmosphere

● ULTIMUM EXPRESS downlights: Developed with contractor-led design,

these CCT4 selectable downlights feature a transparent 2-part connector for a super easy installation

● DALI drivers: The current system is switch-operated, but the client is considering integrating a smart relay for automated dusk-to-dawn control while retaining manual switch functionality. For this reason, DALI was installed to offer precise dimming and control options for a more adaptable environment

A professional outdoor lighting solution

Andy was delighted with the final result, praising the ease of visualisation enabled by the lighting design and the quality of the installation For Richard, that’s a job well done!

Interested in boosting your electrical contracting business with free lighting designs? Download the MyROBUS App today to get started Don’t forget to check out the ROBUS garden lighting brochure which has tips to elevate your outdoor lighting game

BROWSE THE ROBUS GARDEN LIGHTING BROCHURE ONLINE AT: WWW.RDR.LINK/EBN039

Ovia gets top marks for school lighting upgrade

Having recently undergone a total upgrade of their lighting schemes to LED, two primary schools in Surrey are reaping the benefits with reduced operational costs and improved lighting levels, thanks to new lighting solutions from Ovia

Decarbonisation goals

Kingswood Primary School is a small village primary school occupying extensive grounds in Lower Kingswood in Surrey Worplesdon Primary School is a much larger school located in Guildford

While they may be very different in terms of size, both schools are committed to playing their parts in the decarbonisation of their schools in partnership with Surrey County Council (SCC)

The first phase of this work has been the upgrading of the lighting systems throughout the schools, replacing old and inefficient fittings with LED replacements

With all areas of the schools to benefit from

the lighting upgrade, a broad selection of Ovia fittings were specified to satisfy the various requirements that the different rooms/areas of the schools called for

All classrooms, corridors, stairwells and cloakroom facilities were included, along with the hall, kitchen, reception areas, offices, staff rooms, store rooms, plus libraries, IT and music rooms. The provision for emergency lighting and external lighting was also part of the project

Responsible for specifying and installing fittings for the LED lighting upgrade was Stuart Gibson, Divisional Manager with Niblock Electrical Services, a specialist electrical division within Niblock Building Contractors, working on domestic, commercial, maintenance, fire alarms/emergency lighting and EV charging projects, and operating across London and the South East regions

Stuart has worked with Ovia for a number of years and has installed a

variety of the company s fittings across numerous commercial projects.

Lighting solutions from across Ovia’s vast collection have been installed including products from the commercial, utility, emergency and floodlighting ranges. These included:

Inceptor A-Lite – a range of 4 and 5ft LED linear battens that are available in standard, microwave sensor and emergency versions, and in a choice of wattages – 17, 25, 32, 50 and 60 W They all include a CCT (correlated colour temperature) switch – a built-in, three position switch to allow instant change of the colour temperature

Inceptor U-Lite – a slimline, non-corrosive utility LED luminaire, designed to offer protection against the elements With a removable diffuser and gear tray, the Inceptor U-Lite ensures a hassle-free installation It comes in three different lengths: 1,200, 1,500, and 1,800

www electricalcharity org mm and each length is available in a single lamp and a twin lamp equivalent output. It is suitable for wall, ceiling or suspension mounting with adjustable fixing centres

Inceptor Duo – a sleek, up and down dimmable linear luminaire that offers installers and their clients a complete custom dual lighting solution and is perfect for accentuating design features both high and low

It’s available in two lengths – 1,200 and 1,500 – and two wattages – 42 and 56 W

The luminaire features a dual CTT switch –OFF, cool white, warm white and day light, and the up and down lights can be controlled separately It is dimmable and emergency versions are available

Inceptor Slate Backlit – a premium range of TP(a) rated backlit LED panel lights with a low, <19 UGR diffuser, making them suitable for a range of installations and working environments They come with pre-wired push-fit 3-Pole Flow connector, making for quick and easy installation

They’re designed to fit standard 600 x 600 mm panel sizes, making them ideal retro fits for existing, less efficient lighting options The 30 W range includes Standard; 3 in 1 Dimmable; Low-Glare, plus a 3 in 1 Dimmable, Low-Glare option

Evo Orb – this LED bulkhead with a distinctive 113 mm depth provides stylish and effective illumination It features an IP65 rating for excellent protection against dust and water, adjustable colour temperature controls for customisable lighting, and comes with a five-year warranty, ensuring reliable performance and durability.

Pathfinder – an extensive range of powerful and robust, metal LED floodlights, providing a modern solution

for retrofits and new installations alike

The range comprises standard floodlights as well as versions with Photocell and PIR sensors.

In total the Pathfinder range offers 40 floodlight options from 10 - 300 W, with fittings up to 50 W available in both black and white finishes and in warm white and cool white colour temperature options.

Commenting on the results, Niblock’s Stuart Gibson concluded: “We’re delighted with the results, as the new lighting systems have significantly improved the overall brightness and ambiance of both schools, creating a more productive and comfortable atmosphere for all.

“The professionalism and dedication of both teams throughout the project was exceptional, and we look forward to future collaborations with Surrey County Council and Ovia Lighting.”

BROWSE OR DOWNLOAD THE LATEST EDITION OVIA LIGHTING CATALOGUE ONLINE AT: WWW.RDR.LINK/EBN040

Achieve unparalleled performance and versatility with All LED

In the ever evolving world of LED lighting, the Barracuda CCT IP20 LED batten and the Barracuda Extreme CCT IP66 anti-corrosive LED batten stand out as exceptional solutions for both indoor and extreme environments

Designed with cutting-edge technology and an emphasis on efficiency, durability, and ease of installation, these luminaires set a new benchmark in the industry.

When paired with the Q-Nex Plug & Play Emergency Pack and the Q-Nex Plug & Play 2-in-1 Microwave & Corridor Sensor, they deliver a comprehensive, smart lighting solution

The Barracuda IP20 LED batten is designed to cater to a wide range of indoor applications, from commercial offices to educational institutions Featuring Q-Nex Plug & Play Technology, installation is made simple, reducing downtime and labour costs. The CCT Selectable feature (3000, 4000, and 6500K) offers the flexibility to adjust our peratures ording to cific lighting ds, ensuring mal ambience comfort

With a wattage ction dependent on size variance, with 4-, 5- and 6-ft versions available, users can -tune their consumption fiting from an ency of

≤147lm/W

≤152lm/W (4 6-foot version bright and eff illumination. The innovative drop-down g ease of installation and maintenance, while dynamically located push terminals and integrated Besa mounts ensure seamless electrical connectivity

Flexible installation

The batten also includes multiple cable entry holes, providing additional installation flexibility. Backed by a five-year guarantee, the Barracuda IP20 batten is a reliable and future-proof lighting solution With an operational temperature variance which goes down to -35°C this batten is ArcticSafe. A suspension kit is available, expanding its application to a wider variety of settings

For industrial and outdoor environments requiring robust and long-lasting illumination, the Barracuda Extreme offers durability and efficiency

Retaining the Q-Nex Plug & Play Technology, this batten ensures a quick and hassle-free installation process Like its IP20 counterpart, it also features CCT and wattage selection options (wattage depends on the size option with 4-, 5- and 6-ft options available), allowing users to adjust brightness and energy usage based on operational requirements

What sets this batten apart is its IP66 and IK10 rating, making it both water and impact-resistant – ideal for harsh environments such as warehouses, manufacturing plants, and car parks With a staggering efficiency of ≤152lm/W -

6 ft versions), it delivers bright, niform light intaining p-down LED de easy access downtime and operational disruptions

Featuring integrated Besa mounts, dynamically located push terminals, and a five-year guarantee, the Barracuda Extreme CCT IP66 LED batten is built to withstand the most demanding conditions, including industrial freezer environments with its operating temperature variance which goes as low as -35°C. For added versatility, a suspension kit is available to accommodate different mounting requirements

Emergency lighting is a critical component of any commercial or industrial setting, and the Q-Nex Plug & Play Emergency Pack ensures seamless integration with both Barracuda IP20 and Barracuda Extreme IP66 battens With a quick connection design, this emergency pack allows for conversion in seconds, ensuring a hassle-free setup.

Enhancing the efficiency and functionality of the Barracuda LED batten range, the Q-Nex Plug & Play 2-in-1 Microwave & Corridor Sensor introduces intelligent lighting control.

This sensor is designed for effortless integration, with an easy commissioning process and DIP switch programmability, allowing users to customise detection settings according to their needs.

BROWSE THE LATEST EDITION ALL LED CATALOGUE ONLINE AT: WWW.RDR.LINK/EBN041

MARTINDALE ELECTRIC

TL326-EV Adapter

Test and measurement specialist Martindale Electric has announced the launch of the TL326-EV, a new electric vehicle (EV) charger adapter designed for accurate and easy testing of EV chargepoints With the continued expansion of EV infrastructure, the need for reliable and straightforward testing solutions has never been greater The TL326-EV allows users to connect a range of test equipment to an EVSE charging point via a Type-2 connector It provides direct access to key measurement points, including L1, L2, L3, N, CP and PE, via six standard

jack sockets so contractors can perform comprehensive testing using an EV compatible Multifunction Tester (MFT) or other suitable instruments, ensuring that chargepoints are correctly installed and operating within specification Designed with both single-phase and three-phase systems in mind, the TL326-EV has a CP selection switch that simulates various states: vehicle connected but not ready to charge; vehicle ready to charge; and a fault simulation position which induces a failure of the CP signal that should cause the EV charger to stop charging. The unit is also equipped with LED status indicators giving a clear visual confirmation of the operational state of the chargepoint before further testing For electrical contractors working with EV infrastructure, the TL326-EV simplifies the process of carrying out essential tests such as voltage and frequency measurement, phase indication, phase sequence verification, insulation resistance testing and loop and line impedance checks. You can also test various RCD configurations, ensuring that critical safety functions are operating correctly

Feel the Force with Thorn’s latest sustainable solution

Sustainable and efficient solutions are critical in the world of lighting – and they’re fast becoming the foundation on which modern installations are built Thorn Lighting’s latest innovation, the Beta Force recessed panel, exemplifies this shift, offering a solution that balances technical performance with long-term environmental responsibility

For installers, the sustainability credentials of the products you specify are increasingly critical Clients want more than just energy savings; they need durable, low-maintenance systems that reduce waste and carbon footprints across their entire lifecycle Beta Force delivers on all fronts, combining robust build quality with cutting-edge efficiency

Energy efficiency and longevity

At the heart of Beta Force’s sustainability credentials is its impressive energy performance. With a luminous efficacy of up to 145 lm/W, this panel extracts maximum light output from minimal energy input For installers, this means reducing energy consumption without compromising on brightness or uniformity – an essential consideration as commercial spaces push toward net-zero goals

Moreover, the panel boasts a remarkable lifetime of 100,000 hours to L80 This extended operational lifespan not only minimises the frequency of replacements but also reduces the embodied carbon associated with manufacturing, transport, and disposal Over the years, fewer panels will need to be produced, transported, and installed, making Beta Force a product that truly aligns with circular economy principles

Durability that reduces waste

The robust construction of Beta Force is another significant factor in its sustainability story With IP65 protection from the front and IK08 impact resistance, this panel is built to withstand tough environments, from damp changing rooms to busy hospital corridors Installers can fit it with confidence, knowing it will resist moisture, dust, and accidental impacts

This resilience drastically cuts the likelihood of premature failures Fewer breakages mean less waste, and a product that keeps functioning in demanding settings ensures the need for replacement is pushed far into the future

Reducing

site wastage and stock complexity

Another often-overlooked sustainability gain comes from the

panel’s switchable colour temperature (CCT) functionality With 3000, 3500, and 4000K options selectable on-site, installers can adapt the light output to suit different environments without needing multiple product variations.

This not only simplifies stock management and reduces the risk of ordering the wrong specification but also curbs unnecessary product returns and excess inventory Ultimately, this flexibility translates into fewer deliveries, less packaging waste, and lower transport emissions – small changes that add up across multiple installations

Low-glare, high-comfort environments

Sustainability doesn’t stop at reducing power consumption; it extends to creating spaces that support human wellbeing Beta Force’s low Unified Glare Rating (UGR < 19) and high colour rendering (CRI 80 and CRI 90 options) enhance visual comfort and reduce eye strain This is particularly crucial in offices, educational institutions, and healthcare environments.

Minimising installation time and costs

From an installer’s perspective, sustainability is also about optimising the time spent on-site Beta Force is designed with this in mind, featuring a slim 35 mm depth, twist-and-lock connections, and loop-in, loop-out wiring These thoughtful design elements simplify installation, reducing labour costs and minimising time on-site, which, in turn, lowers the indirect carbon footprint associated with travel and site operations

Additionally, the panel’s compatibility with DALI-2 dimmable systems offers future-proofing for clients exploring advanced lighting controls Dimming and smart lighting solutions help to further reduce energy consumption by tailoring light levels to occupancy and natural daylight – ensuring that energy is only used when and where it’s needed

NETXL

Shelly Wall Display

The Shelly Wall Display is the ultimate control hub for a smart home or business, offering instant access to all your Shelly devices through a sleek, intuitive 4” touchscreen panel Designed to fit the size of a standard pattress box, this wall-mounted display offers a seamless retrofit solution to control lighting, heating, appliances, and music – and even monitors energy consumption in real time Its customisable, user-friendly touchscreen makes it easy to control Shelly devices, scenes, and automation routines From adjusting lighting to managing heating schedules, the display brings all these functions together in one place, allowing you to arrange shortcuts for quick access to essential functions, tailoring the interface to your needs.

ATC RF Smart Heating Range

The ATC range of smart electric heating solutions is designed to deliver total comfort and efficiency, through wireless control via the Gateway and App At the heart of this innovative collection is the Sunray RF –a stylish, energy-efficient radiator that combines fast heating with silent operation. With customisable heating schedules and smart controls, the Sunray RF makes it easy to create the perfect environment, while helping you save on energy costs Alongside this is the Merida RF Panel Heater, offering slimline, contemporary design and powerful performance The Merida delivers consistent, comfortable heat with advanced features and energy-saving modes Finally, you can complete your space with the Pacific RF Towel Radiator, bringing warmth and luxury to the bathroom. Not only does it keep towels warm and dry, but it also heats the room efficiently, combining practicality with modern style

I f y o u r w o r k h a s y o u o n y o u r k n e e s ,

y o u r j o i n t s c a n r e a l l y t a ke a h i t . B u t

C a r h a r t t ’s n e w c e r t i f i e d I n t e r o p e r a b l e

K n e e p a d s o f f e r t h e p r o t e c t i o n a n d

c o m f o r t p r o f e s s i o n a l t r a d e s p e o p l e

n e e d t o s t a y o n t h e j o b w i t h o u t i n j u r y

o r s t r a i n W h e t h e r f i t t i n g p i p e s , l a y i n g

f l o o r i n g , w o r k i n g i n l o f t s o r u n d e r

s i n k s , k n e e l i n g o n u n p r o t e c t e d k n e e s

c a n l e a

a n d t i m e o f f t h e j o b T h a t ’s w

C a r h a r t t h a s i n t r o d u c e d i t s

I n t e r o p e r a b l e K n e e p a d s ( 1 0 7 5 5 2 ) , d e s i g n e d t o d e l i v e r s t u r d y p r o t e c t i o n

w i t h o u t c o m p r o m i s i n g t h e u s e r ’s

c o m f o r t o r m o b i l i t y

L i g h t w e i g h t a n d f l e x i b l e

These super-light kneepads are ergonomically designed to flexibly fit around the knee and are certified to EN 14404-4:2024, helping to reduce injuries caused by continuous pressure and sharp objects when kneeling

Made from lightweight polyethylene foam, they offer optimal pressure distribution while maintaining their shape, ensuring reliable protection throughout the workday

We i g h i n g j u s t 7 0 g a p i e c e a n

n

C a r

Carhartt’s Interoperable Kneepads provide reliable,

and certified protection so that trade professionals can focus on the important job at hand without worrying about their knees

KNIPEX

Cable Cutter for SWA Cables

Electricians working with steel wire armoured (SWA) cables need tools that offer precision, power and simplicity KNIPEX has answered this demand with its VDE tested Cable Cutter (95 36 315 A), designed to cut through SWA cables up to Ø 45 mm 380 mm² with minimal effort With a robust yet lightweight design, weighing just 800 g and measuring 315 mm in length, this ratchet action cutter is built for efficiency and control. Its compact size makes it ideal for use in confined spaces, allowing electricians to make clean, precise cuts with one or two-handed operation The precision-ground blades and induction-hardened cutting edges ensure smooth, crush-free cutting, making it an essential tool for professionals who require accuracy and reliability. Equipped with a high-leverage three-stage ratchet drive, the Cable Cutter maximises cutting force while reducing strain on the user

UNICRIMP

Heavy Duty Flooring Protection

Designed to offer superior protection, this Heavy Duty Flooring Protection Film ensures that sensitive surfaces remain free from dirt and damage during storage, transportation, and processing It provides a reliable solution for safeguarding carpet, as well as leather and fabric surfaces The film ensures easy and clean removal, offering a convenient and effective way to protect valuable surfaces during handling and construction activities It’s available in two roll sizes: 25 M x 500 mm and 50 M x 500 mm.

It’s a first for Forum with smart lighting launch

Forum Lighting Solutions is pleased to announce the launch of its new smart home product: ikonects – a smart light switch which allows any home to be quickly and easily turned into a smart home. It has been designed to be retrofitted into any homes and is extremely simple to wire due to a removable connector, saving electricians time An electrical screwdriver can convert a whole property into a smart home in no time whatsoever

How does it work?

Ikonects is the ultimate way for homeowners to achieve a smart home lifestyle with their lighting – without requiring a rewire or channelling into walls. It couldn’t be easier – you simply replace the existing light switch with an ikonects one – you only need one central control unit for the house, as this acts as the brains of the system.

It can be installed in a few simple steps:

● Ensure the installation area is made safe, ready for installation,

● Separate the switch base plate from the switch housing, using a flat head screwdriver,

● Separate the connection terminal from the switch housing, by simply pulling the terminal away,

● Wire the terminal into the appropriate wires (this unit can be fitted with or without a neutral wire),

● Reattach the now wired-in terminal by simply pushing it into the switch

housing,

● If you’re installing the ikonects smart switch in a shallow junction box, use the provided spacer to allow enough room for the wiring,

● Secure the switch housing in place using the two screws and apply the switch cover,

● When it is safe to do so, power up and test the switch,

● Connect the smart hub to the provided power cable and connect the Ethernet cable to your router,

● Download the ikonects App from Google Play or via the App store Follow the sign-up steps, set up and you’re good to go.

The ikonects switch can also be customised There is an internal back light which can be changed through the App to match your décor. This can be programmed one colour when the switch is off and another colour when the switch is on The intensity of the colours can also be personalised

The sensitivity of the switch can also be altered to suit An added benefit is that it can be locked to prevent children messing with it or to make it more secure There is also a proximity sensor option, and timers can be set up through the App The range currently consists of white

glass in one and two gang and black glass in one and two gang. More colours and designs are in creation

WATCH A VIDEO SHOWING HOW SIMPLE IKONECTS IS TO INSTALL AT: WWW.RDR.LINK/EBN049

How do you choose quality emergency lighting?

You wouldn’t buy the cheapest parachute in the store, so why buy the cheapest emergency lighting? After all, both are designed as life-saving devices!

When it comes to emergency lighting, safety is non-negotiable But with so many options available, how can you be sure you’re choosing a product that meets the highest standards?

That’s where the new Enhanced ICEL Product Certification Scheme comes in Launched by the Lighting Industry Association (LIA) and the Industry Committee for Emergency Lighting (ICEL), this certification guarantees that emergency luminaires have undergone rigorous independent testing It’s a mark of quality that gives you confidence in the products you install knowing they’ve been verified for performance, reliability, and compliance.

For some manufacturers, meeting this new certification will require major changes But for those already committed to high standards, it’s simply an endorsement of the quality they’ve always delivered That’s exactly why ROBUS is achieving ICEL certification across its emergency lighting range. Eleven products are already certified, with more on the way, proving the brand’s commitment to top-tier safety and reliability

The list of ROBUS ICEL-Certified Emergency Luminaires is as follows: EBLANA, SAPPHIRE, SWISS, BLADE, FINCH, MUSTER, DESMOND, CARINA, AVIOR, REX and EXIT BOX

So, when you're choosing emergency lighting, look for ICEL certification It’s a simple way to ensure you’re installing trusted, high-quality luminaires that keep people safe when it matters most. That’s quality thinking.

SWITCHTEC

SCL Industrial Plugs and Sockets

Switchtec has introduced its latest high-protection industrial plugs and sockets, designed for maximum safety, reliability, and durability across various industries Built to withstand harsh conditions, the new industrial plugs and sockets feature an IP44 or IP67 protection rating, ensuring exceptional resistance to dust, water, and environmental hazards With a robust yet visually refined design, they offer easy wiring, extended service life, and a choice of split or integrated housing structures to meet diverse application needs

Engineered for versatile industrial applications the range is ideal for oil, chemical industry, power plants, coal mines, machinery, textiles, ports, and other industries. The innovative plugs and sockets guarantee secure and efficient electrical connections in critical environments Available in 110, 240, and 415 V, each voltage option is color-coded for easy identification, ensuring safe and efficient usage

The product range includes industrial plugs, in line connectors, surface mount sockets, panel sockets, angled sockets, straight and surface panel mount appliance inlets and interlocked sockets with and without windows

CED ELECTRICAL Airmaster Ventilation Range

Whilst the Airmaster Brand by the CED Electrical Group is best known for its space heating and cooling products, it also boasts one of the Industry’s widest ventilation ranges of extractor fans. We start with 4” and 6” fans designed for wall or ceiling installation First is the (RFP) series of timer extractor fans: modern slim designed units featuring low in-use noise and LED indicators when on Suitable for kitchen, bathroom or toilet, both sizes are available in white, stainless steel or chrome, whilst the 4” unit also has a glass motion sensor version finished in white

The second (XF) 4”+ 6”series comes in three standard voltage versions – a basic fan, a pull cord option and a timer model, plus double insulated versions of both Separate brown or white fan grills are also available for this series Completing the ceiling/wall extractor fan range are the (XFE) Low voltage 12 V double insulated safety fans, with or without separate controller and designed for fitting within 0 6 m of a bath or shower, where current regulations prevent the use of conventional fans Finally, the Airmaster range concludes with complete 4” in-line shower extractor fan kits, either standard or complete with timer, centrifugal extractor fans plus 4” & 6” pvc or aluminium ducting

ZIRCON MultiScanner L550c OneStep

The Zircon MultiScanner L550c OneStep multifunction wall scanner sets a benchmark for detection technology, combining five decades of engineering excellence with precision that serious electricians demand The wall scanner locates timber studs, metal pipes, and live mains wiring behind walls, floors, and ceilings with exceptional reliability True to Zircon's philosophy of "making tools that are as reliable as a hammer," this scanner delivers consistent performance for both commercial and domestic electrical installations Featuring Zircon's user-focused design approach, the intuitive 4-mode system includes:

● StudScan mode: Precisely locates the centre and edges of wood or metal studs up to 19 mm deep,

● DeepScan mode: Doubles scanning depth to 38 mm for thicker surfaces,

● Metal Scan mode: Detects copper pipe up to 38 mm deep and steel pipe up to 75 mm,

● AC Scan mode: Locates live, unshielded mains wiring up to 50 mm deep

Safety is paramount with WireWarning detection technology, which alerts users to potentially dangerous live electrical cables during scanning operations The ultra-bright ColorTrip display screen, patented SpotLite Pointer, and audio tone work together to clearly indicate target locations Advanced features include ACT (Auto Correcting Technology), signal strength indication, and an ergonomic pivot pinch grip –innovations driven by Zircon's five decades of expertise

C AM E RA CAUGHT ON

SOCIAL SNAPS!

SARAH WATSHAM: I CAME ACROSS THIS EXCELLENT, NEW PIECE OF WORK FROM A PLUMBER. THE JOIN, DIRECTLY ABOVE THE SERVICE HEAD WAS LEAKING, SO THEY WRAPPED IT IN A CLOTH IN WHAT WORLD IS THIS SET UP A GOOD IDEA?

STEVE SPOOR: I'M NOT SURE WHETHER TO BLAME THE GARDENER OR THE INSTALLER, BUT I CAN’T PIN IT ON THE ELECTRICIAN! THIS PLACE WAS A PROPER HOUSE OF HORRORS, FULL OF C2S AND WHAT LOOKS LIKE A BIT OF DODGY DIY I’VE SEEN FAR WORSE, BUT THIS ONE DEFINITELY GAVE ME THE BIGGEST CHUCKLE!

ADVERTISER INDEX

Here is a useful summary of all the adverts that appear in this issue of Professional Electrician. Each is listed with its page number and a direct URL that will get you straight to the relevant online information.

ALL LED Ltd ...........................................outside back cover

www.rdr.link/EBN100

ATC Electrical ..............................................................page 93

www.rdr.link/EBN101

Carhartt B.V. ................................................................page 12

www.rdr.link/EBN102

Castline Systems ........................................................page 78

www.rdr.link/EBN103

Chauvin Arnoux UK Ltd .........................................page 67

www.rdr.link/EBN104

CHUMPFix .....................................................................page 95

www.rdr.link/EBN105

CMD Ltd ..........................................................................page 15

www.rdr.link/EBN106

Connexbox Ltd ........................................inside back cover

www.rdr.link/EBN107

CONTACT 19 Ltd ........................................................page 89

www.rdr.link/EBN108

C-TEC Ltd ...................................................................pages 6, 7

www.rdr.link/EBN109

C-TEC Ltd .......................................................................page 45

www.rdr.link/EBN110

Doepke UK Ltd ...........................................................page 43

www.rdr.link/EBN111

Electrical Contractors Association (ECA) ...page 39

www.rdr.link/EBN112

Electrical Industries Charity ..............................page 95

www.rdr.link/EBN113

Electrorad UK Ltd .....................................................page 11

www.rdr.link/EBN114

ELEX ..................................................................................page 82

www.rdr.link/EBN115

Elite Security Products Ltd .................................page 87

www.rdr.link/EBN116

FireAngel Safety Technology Ltd .....................page 27

www.rdr.link/EBN117

Forum Lighting Solutions Ltd ............................page 81

www.rdr.link/EBN118

Hager Ltd .......................................................................page 55

www.rdr.link/EBN119

Hoyles Electronic Developments Ltd ............page 13

www.rdr.link/EBN120

Hultafors Group UK Ltd ........................................page 77

www.rdr.link/EBN121

IDEAL INDUSTRIES EMEA ....................................page 48

www.rdr.link/EBN122

Kempston Controls ..................................................page 65

www.rdr.link/EBN123

Lawson Fuses Ltd .....................................................page 52

www.rdr.link/EBN124

Makita (UK) Ltd .........................................................page 72

www.rdr.link/EBN125

Megger Ltd ....................................................................page 28

www.rdr.link/EBN126

Metrel UK Ltd ..............................................................page 72

www.rdr.link/EBN127

ML Accessories Ltd ..................................................page 21

www.rdr.link/EBN128

NetXL Distribution Ltd ......................inside front cover

www.rdr.link/EBN129

NICEIC ..............................................................................page 18

www.rdr.link/EBN130

NVC Lighting ................................................................page 30

www.rdr.link/EBN131

Ovia Lighting ...............................................................page 78

www.rdr.link/EBN132

Powered Now ..............................................................page 81

www.rdr.link/EBN133

Renault Trucks ...........................................................page 22

www.rdr.link/EBN134

ROBUS ................................................................................page 8

www.rdr.link/EBN135

Rointe ..............................................................................page 47

www.rdr.link/EBN136

Rolec Services Ltd ....................................................page 34

www.rdr.link/EBN137

Saxby Lighting ...............................................................page 4

www.rdr.link/EBN138

Saxby Lighting ............................................................page 71 www.rdr.link/EBN139

Schneider Electric ....................................................page 59

www.rdr.link/EBN140

Scolmore International Ltd ................................page 52

www.rdr.link/EBN141

Scolmore International Ltd ................................page 75 www.rdr.link/EBN142

Selectric ..........................................................................page 25

www.rdr.link/EBN143

Sevadis ............................................................................page 37

www.rdr.link/EBN144

Switchtec Ltd ...............................................................page 62

www.rdr.link/EBN145

Sync Energy ..................................................................page 56

www.rdr.link/EBN146

theben .............................................................................page 62 www.rdr.link/EBN147

The L.S. Starrett Company Ltd ..........................page 85

www.rdr.link/EBN148

UNICRIMP Ltd .............................................................page 91 www.rdr.link/EBN149

XS Training Ltd ..........................................................page 75 www.rdr.link/EBN150

Turn static files into dynamic content formats.

Create a flipbook
Issuu converts static files into: digital portfolios, online yearbooks, online catalogs, digital photo albums and more. Sign up and create your flipbook.