Revista interactiva Geotecnia 272 julio-agosto 2024

Page 1


Esfuerzo cortante

Esfuerzos efectivos

Esfuerzos totales

Esfuerzo normal

LA RESISTENCIA AL CORTE NO DRENADA DEL SUELO

¿QUÉ SON LOS DEPÓSITOS PROFUNDOS EN LA ESTRATIGRAFÍA DE LA CUENCA DEL VALLE DE MÉXICO?

garantizan el éxito de la obra y el cuidado del medio ambiente

Beneficios:

CANAL PRESA DE JALES - MINERA POLIMETÁLICA ZACAZONAPAN

Campos de aplicación

Taludes

Canales

Cierre minero y rellenos sanitarios

Muros de suelo reforzado

Reservorios

Mesa Directiva 2023-2024

Presidente

Ricardo Enrique Ortiz Hermosillo

Vicepresidenta

Natalia del Pilar Parra Piedrahita

Secretario

Miguel Ángel Mánica Malcom

Tesorera

María del Carmen Cabrera Velázquez

Vocales

María Elena Acevedo Valle

Jorge Armando Rábago Martín

Yary Yanela López Calix

Giovanni A. Quintos Lima

Yoleida del Valle Suárez Arellano

Gerente

Brenda Aguilar Silis

Delegaciones regionales

Baja California

Michoacán

Occidente

Puebla

Querétaro

Sureste

Tabasco

Veracruz

Representaciones

Chiapas

Ciudad Juárez

Irapuato

Monterrey

Síguenos en @smiggeotecnia

Sociedad Mexicana de Ingeniería Geotécnica inggeotec

Integrando la ingeniería geotécnica

La ingeniería geotécnica agrupa a tres especialidades básicas de las ciencias de la Tierra: geología, mecánica de suelos y mecánica de rocas, con la especialidad de geofísica –entre otras– como un apoyo complementario fundamental de las básicas. De todas ellas, la geología y la geofísica cuentan con sociedades y colegios gremiales conformados por especialistas y profesionistas que mantienen el mismo compromiso de nuestra sociedad: divulgar las actividades y conocimientos en sus respectivas materias. Nuestra sociedad se ocupa básicamente de la mecánica de suelos y, desde su cambio a Sociedad de Ingeniería Geotécnica, incluyó también a la mecánica de rocas y se apoyó adicionalmente con especialistas en geología y geofísica, agremiados o no, para la impartición de conferencias y cursos auxiliares sobre estos temas.

En este bienio hemos incorporado en nuestros eventos una mayor presencia de temas sobre estas especialidades (geología, geofísica y mecánica de rocas), que son de gran importancia para los geotecnistas, reconociendo que una comprensión completa del espectro geotécnico de conocimientos dará lugar a una mejor caracterización del medio y a la evaluación del comportamiento esperado de suelos, rocas y materiales híbridos (medios complejos que incluyen suelo, roca alterada y sana) para contar con diseños confiables y seguros de las obras.

De esta forma, en lo que va de este bienio se han impartido cursos y conferencias de geología aplicada, geofísica del terreno, mecánica de rocas, caracterización avanzada de macizos rocosos aplicada a excavaciones subterráneas, inyección de macizos rocosos, detección de fracturas y de cavidades por métodos geofísicos, evaluación con métodos geofísicos de la integridad de pilas y pilotes, entre otros, algunos de ellos organizados por nuestros comités técnicos de Mecánica de Rocas y de Geofísica, y otros en convenios con el Colegio de Geofísicos (CG) y con la Asociación Mexicana de Túneles y Obras Subterráneas (AMITOS); con esta última mantenemos un tradicional vínculo en la organización del importante Simposio Internacional de Túneles y Obras Subterráneas, que este año se celebró en modo no presencial y gratuito con gran éxito.

En otro orden de cosas, estamos ya en la antesala de la XXXII Reunión Nacional de Ingeniería Geotécnica y de la XXIII Reunión Nacional de Profesores, por celebrarse los días 3 a 7 de septiembre próximos, que nos permitirán informarnos y actualizarnos sobre los más recientes avances en la enseñanza, investigación y práctica ingenieril de nuestra disciplina en los diferentes ámbitos de sus aplicaciones, por lo que hacemos una cordial invitación a todos para que asistan inscribiéndose a cualquiera de las modalidades que se ofrecen. Toda la información actualizada y con mayor detalle se encuentra en nuestro sitio web smig.org.mx. No dejen de asistir.

Geotecnia, año 14, núm. 272, junio-agosto 2024, es una publicación trimestral editada por la Sociedad Mexicana de Ingeniería Geotécnica, A.C. Valle de Bravo 19, colonia Vergel de Coyoacán, alcaldía Tlalpan, CP 14340, teléfono (55) 5677 3730 · www.smig.org.mx. Editor responsable: Carlos Roberto Torres Álvarez. Reserva de Derechos al Uso Exclusivo núm. 04-2017-060819470900-102, otorgada por el Instituto Nacional del Derecho de Autor. ISSN: en trámite. Responsable de la última actualización de este número: Ediciones de la Sierra Madre, S.A. de C.V., 8 de Septiembre 42-2, colonia Daniel Garza, alcaldía Miguel Hidalgo, CP 11830, Ciudad de México. Fecha de última modificación: 31 de mayo de 2024.

Los artículos firmados son responsabilidad de los autores y no reflejan necesariamente la opinión de la SMIG. Los textos publicados, no así los materiales gráficos, pueden reproducirse total o parcialmente siempre y cuando se cite la revista Geotecnia como fuente. Para todo asunto relacionado con la revista Geotecnia, dirigirse a helios@heliosmx.org.

CONVOCATORIA

Además de comentarios y sugerencias de sus lectores sobre los contenidos, Geotecnia está abierta a las colaboraciones de los profesionales vinculados a la especialidad. De igual forma se invita a presentar artículos que permitan inaugurar una nueva sección en la que se haga prospectiva o se aborden casos insólitos en el ejercicio de la especialidad. Quien desee proponer trabajos debe comunicarse a través de helios@heliosmx.org para ser informado de los requisitos para el envio de materiales. Los textos serán puestos a consideración del Consejo Editorial para su eventual publicación.

Contenido

3

Conversando con…

Cada generación de geotecnistas en México va superando a sus antecesoras

José Francisco de la Mora Gálvez

8

La geotecnia en la historia

Los asentamientos del Templo Mayor analizados por la mecánica de suelos

Marcos Mazari, Raúl J. Marsal y Jesús Alberro

14

Ámbito académico

(Qué) Enseñar o no enseñar –Ahí está el detalle

Juan Carlos Santamarina

18 CALENDARIO

19 RESEÑAS - Libros

20 Tema de portada / Artículo técnico

La resistencia al corte no drenada del suelo

Miguel A. Mánica, Antonio Gens y Efraín Ovando Shelley

28 Nota técnica

¿Qué son los depósitos profundos en la estratigrafía de la cuenca del Valle de México?

José Luis Rangel Núñez

35 CULTURA

35 CARTELERA

36 Nota técnica

Conflictos en el subsuelo

Walter I. Paniagua y Roberto Avelar

39

40

Nota informativa

Retrocálculo de deformaciones unitarias en pavimentos

Paul Garnica Anguas

43 Doctorado honoris causa al profesor Enrique Tamez González

43 Día Internacional de la Mujer Métodos geotécnicos de exploración de campo

44 Jornada Técnica Iberoamericana –Temas de Vanguardia en Ingeniería Geotécnica

44 1er Simposio Internacional sobre Depósitos de Jales

46 7º Simposio Internacional de Túneles y Lumbreras en Suelos y Rocas

46 Noticias de la Vicepresidencia por Norteamérica de la ISSMGE

48 DELEGACIONES REGIONALES Asamblea ordinaria

Delegación Regional Puebla

48 Rinde protesta la Mesa directiva de la Delegación Querétaro

PORTADA: DETERMINACIÓN DE LA RESISTENCIA AL CORTE NO DRENADA; ENSAYO TRIAXIAL, PRUEBA DE VELETA

E INTERPRETACIÓN DE LA PRUEBA UU.

FOTO DE PORTADA: ARIEL IRAM CASILLAS Y MIGUEL A. MÁNICA

Dirección general

Ricardo Enrique Ortiz Hermosillo

Dirección ejecutiva

Natalia del Pilar Parra Piedrahita

Consejo Editorial

Juan de Dios Alemán Velásquez

Gabriel Yves Armand Auvinet Guichard

Roberto Avelar Cajiga

María del Carmen Cabrera Velázquez

Jorge E. Castilla Camacho

Francisco Alonso Flores López

Moisés Juárez Camarena

Germán López Rincón

Raúl López Roldán

Miguel Ángel Mánica Malcom

Héctor Moreno Alfaro

Rodrigo Murillo Fernández

Ricardo Enrique Ortiz Hermosillo

Alexandra Ossa López

Walter Iván Paniagua Zavala

Margarita Puebla Cadena

Luis Bernardo Rodríguez González

Juan Jacobo Schmitter M. del C.

Guillermo Springall Cáram †

Carlos Roberto Torres Álvarez

Comercialización

Brenda Aguilar Silis

Realización

HELIOS comunicación

+52 (55) 29 76 12 22

Dirección ejecutiva

Daniel N. Moser da Silva

Dirección editorial

Alicia Martínez Bravo

Contenidos

Ángeles González Guerra

Diseño

Diego Meza Segura

Dirección comercial

Daniel N. Moser da Silva

Comercialización

Laura Torres Cobos

Difusión

Bruno Moser Martínez

Dirección operativa

Alicia Martínez Bravo

RESEÑAS - Tesis

Francisco

Cada generación de geotecnistas en México va superando a sus antecesoras

La teoría básica y la matemática siguen siendo las mismas; no de ayer, las derivaciones son de hace 100 o más años. Sin embargo, la aplicación es mejor con las herramientas actuales. Ha mejorado mucho la instrumentación, y la electrónica ha sido un gran apoyo; al igual que en las estructuras, las computadoras vinieron a facilitar el trabajo. Lo otro es la parte dinámica: los espectros de sitio ya son otra cosa, lo mismo que las mediciones. Ya se pueden hacer cálculos más complejos, porque antes no eran rentables y a veces ni posibles.

José Francisco de la Mora Gálvez rememora su niñez cuando le preguntamos cómo decidió dedicarse a la ingeniería civil, y en particular a la geotecnia: “De chico siempre me gustó ver la naturaleza, me encantaba la vida… nací en un pueblito muy cerca del campo, y eso me gustaba mucho. Luego, ya cuando conocí las matemáticas, vi que las ciencias exactas iban a ser mejor para mí, porque yo buscaba una explicación cruda de la ciencia. De hecho, la filosofía no era mi fuerte sino las ciencias duras. Así me fui encaminando por ahí; mi padre trabajaba en una constructora, veía yo la maquinaria, sobre todo las máquinas grandes, y me impresionaban. Entonces me fui inclinando hacia la ingeniería civil”.

Llama la atención que, siendo su pasión la naturaleza, terminó estudiando ingeniería; le consultamos si además del trabajo de su padre hubo otras influencias.

“Yo creo que influyeron mis maestros”, dice, y le preguntamos cuáles. “En la secundaria, mi maestro de matemáticas, el profesor Wenceslao

En el puente El Zopilote, en la sierra entre Nayarit y Zacatecas, con ingenieros de la SAHOP.

de la Mora, quien –independientemente del parentesco, porque era tío mío– era muy buen maestro; nos la hacía tan fácil, tan bonita… nos daba explicaciones más lógicas que mis maestros de química. Ello influyó en mi decisión por las ciencias exactas”.

José

Puente de la Av. Vallarta sobre las vías del ferrocarril. Este fue el primer puente con estribos de muros con tierra armada en Guadalajara. José Francisco de la Mora trabajó en su cimentación y fue residente de la obra desde el inicio hasta su inauguración, hace 40 años.

Quisimos conocer su experiencia durante la carrera, cuando era estudiante de ingeniería civil: si hubo momentos trascendentes o anécdotas para compartir.

“Bueno, yo soy uno de 10 hermanos que vivíamos en el pueblo, y mi papá decidió emigrar a Guadalajara porque en el pueblo, en Tecalitlán, Jalisco, no había más que hasta la secundaria, y él estaba consciente de que teníamos que estudiar. Entonces, ya en Guadalajara, me decidí por la ingeniería civil porque seguía impresionado con la maquinaria que veía en las obras en las que trabajaba mi padre”.

Estando en la universidad le surgió la oportunidad de trabajar en la Secretaría de Asentamientos Humanos y Obras Públicas (SAHOP).

“Estaba en la Universidad de Guadalajara, cuando tuve la oportunidad de ocupar un puesto en el sector público. Mi maestro de geotecnia fue Javier Saborío Ulloa, un profesor que había estudiado en la UNAM y estaba arrancando en Guadalajara. Me gustó sobre todo la pasión con la que impartía su materia. Trabajando en la SAHOP logré que me dieran una beca para ir a estudiar a la UNAM. En ese momento tenía 21 años de edad, era muy joven”.

Allí tuvo el privilegio de contar con buenos profesores, nos dice. “El doctor Juárez Badillo, el profesor Rico Rodríguez y también el profesor Neftalí Rodríguez Cuevas”.

Sobre recuerdos y anécdotas, nos cuenta: “Yo iba muy seguro de mí mismo, porque me había ido más o menos bien en Guadalajara, pero cuando llegué a la UNAM me di cuenta de que la maestría era un nivel un poco más alto. De momento me sentí presionado porque había muchos conocimientos que tenía que recuperar,

pero se me facilitó porque los profesores eran muy buenos. El primer semestre se me hizo pesado porque el nivel de la maestría era mucho más exigente que el de la licenciatura”.

José Francisco de la Mora responde a nuestra curiosidad sobre cómo identificaba personalmente a los maestros que consideraba más importantes para su formación personal y humana. “Fue interesante, porque el perfil del profesor Juárez era muy diferente al del profesor Rico: el primero más teórico, el segundo más práctico, pero los dos sabían encontrar soluciones a los problemas. Esa era y es para mí la clave: siempre debe ser resolver el problema, más que solo comprenderlo. Personalmente, siempre me he identificado con que el centro de nuestra profesión es resolver problemas, desafíos”.

Estaba en la Universidad de Guadalajara cuando tuve la oportunidad de ocupar un puesto en el sector público. Mi maestro de geotecnia fue Javier Saborío Ulloa, un profesor que había estudiado en la UNAM y estaba arrancando en Guadalajara. Me gustó sobre todo la pasión con la que impartía su materia. Trabajando en la SAHOP logré que me dieran una beca para ir a estudiar a la UNAM. En ese momento tenía 21 años de edad, era muy joven.

Juárez Badillo era muy aficionado a la filosofía, que solía ser tema en casi todas sus clases. Quisimos saber cómo enfrentaba esos momentos como estudiante José Francisco de la Mora Gálvez.

“Yo tuve muy buena relación con él, al grado de que me consideré su amigo; cuando él venía a Guadalajara me llamaba y yo lo acompañaba a sus actividades. Un día me dijo que quería saludar al profesor Javier Saborío, que era muy amigo, a ver si lo podía localizar. ‘Pues claro que sí’, le dije. La imagen que le comparto es significativa porque ellos tenían más de 20 años sin verse”.

Le pedimos que compartiera algún recuerdo, alguna anécdota con el maestro Rico. “En una clase nos comentó de una situación que vivió cuando hubo un huracán en Baja California, que tiró como cinco puentes: lo llamó el secretario para preguntarle qué había pasado, por qué se habían caído esos puentes, y él le contestó: ‘Yo pensé que me llamaba porque se habían salvado los otros 50. ‘¡Váyase!’, le contestó el secretario. Ese huracán fue excepcional. Los puentes no estaban diseñados para uno de esa categoría”.

Cuando el estudiante está en los últimos semestres de la carrera –a veces desde el comienzo– es común que piense en las posibles oportunidades laborales, ya sea en el sector académico, el empresarial o el público. Nuestro interlocutor nos cuenta qué pasó por su mente cuando estaba en los últimos meses de la carrera.

“Tenía yo, como le comenté al comienzo, una beca con compromiso de reciprocidad: debía regresar a la secretaría. En esa época México era un país muy cerrado que vivía casi exclusivamente del presupuesto público; era el sector pre-

dominante, el público, a menos que uno tuviera recursos para hacer su propia empresa”.

Esto era particularmente evidente en el caso de la especialidad de geotecnia (entonces mecánica de suelos) en Guadalajara, según nos relata José de la Mora.

“En Guadalajara no había ninguna empresa de ingeniería especializada en geotecnia; todos los estudios de suelo los hacía la secretaría. Entonces, había un dicho: ‘Vivir con el presupuesto es vivir en el error’, pues era una economía regida por el Estado. En ese marco yo tenía que volver a Guadalajara, a la secretaría, por la reciprocidad de la beca; estuve ocho años en el servicio público”.

En la SAHOP comenzó a definir sus preferencias por la especialidad. Nos dice: “Como estaba en el área de carreteras, de momento pensaba yo en los pavimentos, pero conocí los puentes y fue lo que más me gustó, a lo que le dediqué la mayor parte de mi tiempo profesional. Empezamos con estudios de cimentación de puentes y era interesante, porque siempre eran sitios diferentes, bonitos, alejados de la civilización. Yo creo que fue una de las etapas que más me han gustado en la vida. Muchos de los puentes se ubicaban en lugares vírgenes, donde el camino aún no se construía y las brigadas de exploración montaban un campamento durante varias semanas, y mientras veía el agua cristalina y las aves me preguntaba qué tanto cambiaría todo después de terminada la obra”.

Siempre prefirió el trabajo en campo, mucho más que el del cubículo de investigador. “El ver las cosas que uno imaginó ya realizadas, pues eso no tiene precio, ¿verdad?”

Le pedimos que describiera la evolución del papel de la componente geotécnica en las obras

Empezamos con estudios de cimentación de puentes y era interesante, porque siempre eran sitios diferentes, bonitos, alejados de la civilización. Yo creo que fue una de las etapas que más me han gustado en la vida. Muchos de los puentes se ubicaban en lugares vírgenes, donde el camino aún no se construía y las brigadas de exploración montaban un campamento durante varias semanas, y mientras veía el agua cristalina y las aves me preguntaba qué tanto cambiaría todo después de terminada la obra.

de ingeniería a lo largo de su trayectoria profesional: en cuanto a la importancia que se le daba, su aplicación y su impacto en las obras de ingeniería civil.

“Aquí en Guadalajara, como el suelo no es tan complejo como en el Valle de México y en otras regiones del país, para los edificios que eran bajos normalmente la capacidad de carga del suelo era muy buena y no se necesitaba mayor investigación; se construía casi sin estudios de mecánica de suelos. Pero ahora que están haciendo grandes edificios, la situación cambia, porque ya resulta necesario excavar 30 o 40 metros para cimentar un edificio de, por ejemplo, 50 pisos; ya se requieren estudios más precisos y que sean óptimos en cuanto al costo. Entonces, sí hubo un cambio gigantesco, sobre todo en los últimos 20 años”.

En cuanto a los desafíos más importantes que enfrentó a lo largo de su carrera profesional, reflexiona: “Creo que en todas las profesiones hay que saber equilibrar el tiempo que dedicamos al trabajo y actualización profesional con el que dedicamos a la familia”.

En las últimas décadas estuvo trabajando en el sector académico y empresarial, por lo que le pedimos nos cuente cuando abandonó el sector público y las circunstancias en que lo hizo. “Los cambios económicos del país fueron los que me hicieron tomar algunas decisiones. En uno de esos cambios económicos salí del gobierno, en la crisis de 1982, una crisis que dejó al gobierno sin obras y, por lo tanto, no había nada que hacer. Entonces, no iba conmigo el que me siguieran pagando estando ahí sin hacer nada. Me ofrecieron una oportunidad en Tabasco para un programa de puentes que desarrollaba Pemex y me fui para allá. Fue algo interesante”. Las condiciones de clima y tipos de suelos son muy diferentes en Tabasco, comparados con Jalisco, y tuve que enfrentar otro tipo de retos, desde trabajar con mucha agua hasta cuidarme de los mosquitos y otros animales. En una ocasión llegamos a la orilla del río y en el suelo húmedo se veían, aún frescas, las huellas de un cocodrilo. Nunca lo vimos, pero el puro tamaño de las marcas fue suficiente para volvernos muy cautelosos en todas las visitas”.

No fue el único periodo de crisis económica que enfrentó con cambio en su desarrollo profesional. “Impacto tuvo también la crisis de 1995, que comenzó en diciembre de 1994. En ese momento ya no había opciones de salidas laborales interesantes, atractivas; no había nada de traba-

José Francisco de la Mora Gálvez con Eulalio Juárez Badillo y Javier Saborío Ulloa.

jo, y me invitaron a ser profesor en la Universidad Panamericana. No esperaba que me fuera a gustar tanto, pero me quedé ahí 25 años”.

Nuestro interlocutor lo pone en contexto: “Se estaba abriendo la carrera de Ingeniería Civil en la Universidad Panamericana. Me invitaron y acepté. Y lo que yo siempre había rechazado –el dar clases, porque prefería estar en campo, en las obras– acabó gustándome más. La docencia ofrece una experiencia que a todo el mundo le recomiendo.

”Como profesor tuve la oportunidad de tener de alumnos a muchos jóvenes valiosos. Sé que todo el éxito que tienen se lo han ganado con su esfuerzo, pero me da gusto que lo tengan. En una ocasión un amigo mío me dijo que su hijo tenía problemas con una materia y estaba a punto de reprobarla, me pidió que hablara con su maestro para ayudarlo y le dije: ‘No te preocupes, yo me encargo de que pase’; por la tarde vino el alumno a darme las gracias por haberle ayudado a no reprobar la materia, y le contesté que aún no aprobaba, que yo había hablado con su profesor para que me dijera en qué temas andaba mal y que íbamos a repasar juntos. Se sorprendió, pero aceptó y lo apoyé a estudiar hasta que finalmente aprobó el examen con 8 de calificación.

”Mi pasión por la ingeniería y el poder transmitirla a los alumnos ha sido muy enriquecedor. En especial tuve la suerte de tener a uno de mis hijos como alumno; por cierto, él no quería entrar porque yo iba a ser su maestro, y mire lo que son las cosas: hace 15 días se graduó como doctor en Berkeley. Es ingeniero civil en estructuras.

Durante mi vida me quedé con espinitas en varias materias que estoy tratando de sacarme y me pongo a estudiar. Uno de los primeros trabajos que hice en el laboratorio de materiales fue medir el módulo de elasticidad de un concreto, y ahora me puse a estudiar cómo vibra un cilindro de concreto. Es un programita con el iPhone que mediante un golpecito, con el sonido que produce el cilindro de concreto, mide el módulo de elasticidad. Ahora estoy haciendo una corrección por humedad, porque a veces el cilindro está saturado, aumenta su masa pero no su rigidez. CONVERSANDO

”De chico, mi hijo me comentó que los papás de sus compañeros les daban un premio a sus hijos cuando sacaban buenas calificaciones, y me preguntó qué le iba a dar por sus buenas notas. Le respondí que las buenas notas eran de él, que

lo que aprendía era para él y yo no ganaba nada más que estar orgulloso de su desempeño; en cambio él tendría mejores oportunidades en la vida. Nunca volvimos a hablar de calificaciones, y sus estudios en Berkeley se cubrieron con becas que se ganó él”.

Aprovechando su trayectoria como docente le pedimos una reflexión sobre qué les recomendaría a los estudiantes que consideran especializarse en geotecnia. “Les diría que el campo de trabajo es muy bonito, amplio y muy gratificante. Sobre todo les recomendaría que vieran cómo son los días de trabajo de los ingenieros geotecnistas, que conversaran con los que tienen historia en la especialidad, que investiguen para ver si le gustaría hacer eso el resto de su vida laboral”.

Después de la experiencia de 1982 ya no regresó al sector público. “En una ocasión me encontré con el profesor Rico y me dijo: ‘¡Véngase!’, pero no…”

Regresó a Guadalajara. “En la ciudad se estaban construyendo muchos puentes urbanos. Un gran amigo, el ingeniero Enrique Padilla Corona, me invitó a trabajar en la supervisión de esos puentes y acepté”.

Le pedimos su opinión sobre la evolución de la geotecnia, por lo menos en la época de su experiencia profesional, y también haciendo referencia al pasado.

“Bueno, entre las cosas que han mejorado está definitivamente la instrumentación; la electrónica ha ayudado mucho y, al igual que en las estructuras, las computadoras vinieron a facilitar el trabajo. Lo otro es la parte dinámica: los espectros de sitio ya son otra cosa, lo mismo que las mediciones. Ahora ya hay mucho equipo electrónico”.

José Francisco de la Mora Gálvez emite su opinión respecto a la evolución de la geotecnia en sí misma, desde el punto de vista teórico y en la aplicación práctica: “Las bases teóricas siguen siendo las mismas, pero ahora, igual que en las estructuras, ya se pueden hacer cálculos más complejos, porque antes no eran rentables y a veces ni posibles. Cuando yo estudié no usaba ni calculadora; la parte matricial ni se soñaba. Sí se sabía, toda esa teoría ya estaba, pero no se podía llevar a la práctica. ¡Y los planos! El tema de los planos era todo un rollo. Hacerlos a mano, corregirlos, era un lío. Ahora veo que mucha gente resuelve cosas a prueba y error, pero la teoría básica y la matemática siguen siendo las mismas; no de ayer, sino las derivaciones son de hace 100 o más años. Sin embargo, la aplicación es mejor con las herramientas actuales”.

Visita a Panamá con alumnos de Ingeniería Civil y Administración de la Universidad Panamericana.

Le pedimos una reflexión acerca de la evolución de la especialidad de geotecnia particularmente para el caso de México, que tiene tantos tipos de suelos, algunos muy complicados (como los del Valle de México), y teniendo en cuenta que la geotecnia mexicana es muy reconocida en el ámbito mundial.

“Sí. Pienso que cada generación de geotecnistas en México ha ido superando a sus antecesoras. Los jóvenes ya no sacan solo una maestría sino un doctorado, y dedican sus primeros 30 años a estudiar; empiezan a trabajar ya grandes. Ahora la competencia es mayor: para ser destacados tienen que dedicar mucho más tiempo de su vida al estudio. Yo veo muchos jóvenes geotecnistas muy buenos. Tampoco se suple muy rápido a quienes tienen muchos años, pero con las herramientas que manejan, pienso que no tardan en mejorarlo todo. La geotecnia en México no hay duda de que está bien, es reconocida en el mundo por su calidad”.

José Francisco de la Mora cuenta con una maestría en Mecánica de Suelos y otra en Estructuras, dos especialidades muy relacionadas. Le preguntamos cómo cree que es y debería ser la interacción actual entre geotecnistas y estructuristas en los proyectos, y qué se debería mejorar en esa interacción por el bien de los proyectos. Responde: “Creo que interacción entre las dos especialidades debe mejorarse. Es necesario hablar con los clientes de la importancia de la coordinación de estas disciplinas. Muchas veces se les contrata por separado y solo se conocen cuando hay problemas”.

Con la relevancia que ha cobrado en la actualidad la modelación numérica, le consultamos también cómo considera que deban balancearse los esfuerzos y recursos entre exploración, laboratorio y modelación numérica.

“La modelación numérica –responde– es una herramienta de gran apoyo; ahora tenemos computadoras cada vez más rápidas y con más decimales. Con la modelación podemos observar de una forma muy visual y agradable el comportamiento de una estructura en un suelo, pero este modelo se parecerá a la realidad solo si los parámetros con que se alimentó han sido obtenidos y caracterizados adecuadamente. Con el modelado numérico es posible hacer un análisis de sensibilidad de los parámetros del problema y decidir si aumentamos la exploración o no”.

Nuestro entrevistado tiene también un doctorado en Ciencia y Tecnología; quisimos saber

Con su esposa Carmen Bayardo, sus hijos José Francisco, Diego y Pablo Iván, y su nuera Montserrat.

sobre la relación de esta especialidad con la geotecnia, y apunta: “El laboratorio de suelos y materiales es muy importante. Me tocó una época de crecimiento de la electrónica y la computación, y pensando en la instrumentación y automatización del laboratorio me inscribí en el Programa del Doctorado en Ciencia y Tecnología. Gracias a esto pude manejar distintos sensores y crear programas para automatizar y modernizar distintos equipos de laboratorio”.

Cerca del final de la conversación le pedimos a nuestro interlocutor que se refiriera al mayor reto técnico en su práctica profesional y, si debió enfrentarse a dilemas éticos, cuál fue el más relevante.

“Todos los proyectos son un reto y hay que estudiarlos a fondo; algunos nos hacen sentir una satisfacción mayor. Respecto al principal dilema ético que experimenté, en varias ocasiones se me sugirió una solución diferente a la que yo proponía solo para beneficio económico del dueño de una patente o un constructor. Obviamente, me opuse y finalmente se aceptó lo que planteé”.

Hoy nuestro interlocutor está retirado, al menos de la actividad regular en obra y de la academia, pero sigue activo con algunas inquietudes: “Mire, durante mi vida me quedé con espinitas en varias materias. Ahorita estoy tratando de sacármelas y me pongo a estudiar. Ya estoy retirado, pero me pongo a estudiar detallitos que me quedaron pendientes. Uno de los primeros trabajos que hice en el laboratorio de materiales fue medir el módulo de elasticidad de un concreto, y ahora me puse a estudiar cómo vibra un cilindro de concreto. Es un programita con el iPhone que mediante un golpecito, con el sonido que produce el cilindro de concreto, mide el módulo de elasticidad”.

Ya logró su propósito: “Lo tengo ya registrado. Está en mi iPhone, y ahora lo que estoy haciendo es una corrección por humedad, porque a veces el cilindro está saturado, aumenta su masa pero no su rigidez, y hay que hacer la corrección por humedad: en eso estoy”.

José Francisco de la Mora apunta que le da prioridad a la convivencia cotidiana con su esposa y sus nietos: “Y, como decía mi padre, estoy contento porque veo mi vida y digo que ha sido y es buena”

Entrevista de Daniel N. Moser

Apreciamos su opinión e información sobre el tema de este artículo. Escríbanos a geotecnia@heliosmx.org

Los asentamientos del Templo Mayor analizados por la mecánica de suelos

Posiblemente, el Templo Mayor de la Ciudad de México (Huey Teocalli) sea, entre los edificios construidos por el hombre, en el que existe evidencia de uno de los mayores asentamientos registrados en cimentaciones. Al visitar el lugar y observar el gran asentamiento, así como la notable inclinación de la pirámide construida en la segunda etapa, se pensó que deberían tener una explicación, inclusive sin conocer cómo eran en detalle las pirámides que los españoles arrasaron hasta el nivel de piso, al conquistar la capital del imperio azteca.

Entre las cosas que se saben es que la última pirámide (sexta etapa constructiva) contaba con 120 escalones. Para conocer la geometría de las seis principales etapas constructivas, se supuso a partir de la información proveniente de excavaciones recientes y su posible configuración (figura 1).

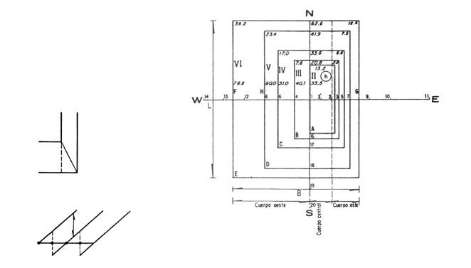
En cuanto a las propiedades de los materiales del subsuelo, particularmente su compresibilidad, se recurrió a los valores medios para un contenido de agua inicial dado y un intervalo de presiones impuestas, determinados durante los ensayes de consolidación de muestras de sondeos que forman parte de los estudios del subsuelo de la Ciudad de México (Marsal y Mazari, 1969). Dicha información se escogió después de haber comparado varios sondeos de la zona céntrica de la ciudad, atendiendo a sus características mecánicas y a los hundimientos registrados. El sondeo continuo efectuado bajo el Palacio Nacional (Pc128-1) es representativo de un sitio en el que, bajo un amplio relleno artificial de 15 m de espesor y por consolidación unidimensional, el subsuelo ha sufrido asentamientos. En la figura 2 se muestran las características generales de este sondeo.

Figura 1. Configuración de las cinco principales etapas constructivas.

En una primera aproximación que se analiza aquí, la estimación de los asentamientos de las pirámides durante sus largos periodos de construcción se hizo suponiendo que se trata efectivamente de un fenómeno de consolidación unidi-

Tabla 1. Valores medios de las propiedades mecánicas por estratos, Sondeo Pc128-1, Palacio Nacional. Elev 2234.5 msnm Prof. (m) Ss e w wL wP IP σr

Ss = densidad de sólidos, e= relación de vacíos, w= contenido de agua inicial, wL= límite líquido, wP= límite plástico, IP= índice de plasticidad, σr= resistencia a la compresión simple, kg/cm2

mensional, o sea no se consideraron deslizamientos debidos a alguna falla por capacidad de carga o a extrusión lateral por deformación plástica de la arcilla, hipótesis apoyada también por un análisis de resistencia del subsuelo bajo ciertas condiciones de carga.

Los grandes asentamientos sufridos por el Templo Mayor proporcionan una razonable evidencia de que en el lugar de su construcción no existía alguna prominencia natural que emergiera del lago, sino, como se verá más adelante, se infiere la posibilidad de un islote artificial, previo al de las pirámides (el llamado Isla de los Perros, Téllez 1982).

Los valores medios de las propiedades mecánicas por estratos que se presentan en la tabla 1 se han obtenido del perfil de la figura 2. El espesor de la Formación Arcillosa Superior es de a 23.5 m, muy similar a lo observado también en el subsuelo ocupado por la Catedral (Ortiz y Zavala).

Ese resultado da confianza para afirmar que, aun bajo estas grandes deformaciones, el fenómeno de asentamiento puede atribuirse principalmente a consolidación unidimensional y no a falla plástica de la arcilla con desplazamiento lateral del suelo. Las grandes deformaciones observadas en el Huey Teocalli también permiten aseverar que en ese lugar el subsuelo está formado por arcillas compresibles similares, y que no fue construido sobre un islote natural apoyado rígidamente en capas firmes del subsuelo. Téllez-Pizarro habla de un desnivel con el lago de 8.5 m, todavía a fines del siglo XIX. Se menciona además en la misma referencia el hecho de que durante las grandes inundaciones, en particular la de 1629, no se anegaron ese lugar ni las zonas que ocupaban el arzobispado y el área ceremonial de Tlatelolco.

Como se verá más adelante, simples estimaciones de los asentamientos inducidos en la zona central de las pirámides por las cinco primeras etapas constructivas sobre suelo virgen arrojan un valor de 11.2 m, o sea más del doble de lo realmente observado. Esto indica la imposibilidad de que los aztecas hubieran construido sus templos directamente sobre terreno natural. Para alcanzar un total del orden de 5.6 m observado en la realidad y como lo sugiere la información existente, es adecuado suponer que la Isla de los Perros, con unos 5 m de altura sobre el fondo del lago, fue construida por los aztecas con anterioridad a sus templos, por lo menos a partir de la tercera pirámide. Se estima que para alcanzar un relleno formado básicamente de tierra (1.6 t/m3) que sobresaliera aproximadamente 5 m sobre el fondo del lago tuvo que construirse un macizo de 11.6 m de altura, que por

Resistencia a la compresión simple Esfuerzo por peso propio del terreno Carga de preconsolidación Nivel freático NF Densidad de sólidos Ss

Relleno

Arcilla

Limo

Arena

Grava

Figura 2. Corte estratigráfico y propiedades mecánicas. Sondeo Pc128-1, en el Palacio Nacional.

el mismo fenómeno de consolidación quedó en parte bajo la superficie libre del lago.

Ya en el siglo XX, el hundimiento de los mantos compresibles por bombeo de los acuíferos del subsuelo ha originado un descenso de la superficie de 6 m en la Catedral y de 7 o más en la vecindad. Estos hundimientos por pérdida de la presión del agua intersticial en los mantos profundos, proceso que con el tiempo avanza hacia la superficie, también ayudan a explicar en parte las inclinaciones de los patios de las pirámides con pendiente hacia el exterior, ya que en el perímetro la compresibilidad sigue siendo mayor que debajo del templo.

Una inspección ocular a la zona, a pesar de que siempre se han corregido niveles con nuevos materiales de aporte en las calles, restaurado entradas y fachadas de los edificios, modificando escalones y accesos, señala en varios lugares hundimientos menores que en sus alrededores. ¿Cómo se

explicaría, por ejemplo, la gran inclinación de la iglesia de Santa Teresa la Antigua (inclinación respecto de la vertical de 3.5º; la inclinación de la torre de Pisa es de 5º) hacia el oriente, sabiendo que la mayor carga se encuentra en su fachada poniente sobre la calle de Lic. Primo Verdad, de no admitir la ocurrencia de un asentamiento mayor general del subsuelo a partir y hacia afuera de la frontera de un importante relleno sobre el que se apoya la fachada menos hundida? Esta inclinación aumentará con el tiempo debido al hundimiento de la ciudad y conviene analizar la estabilidad de la estructura.

Dimensiones para la estimacón de volúmenes de las distintas etapas constructivas

Correcciones de esquinas

¿Cómo es que en el Palacio Nacional, a lo largo de la calle de Moneda y también en la de Corregidora, aparecen puntos altos en vez de valles en la propia estructura del edificio de Palacio? Se sabe que estos desniveles del terreno ya empezaban a provocar fallas en Palacio en la década de los cincuenta. Carrillo (1952) indica la aparición de grietas, inclusive en los pisos, que corrían de norte a sur a lo largo de toda la manzana del edificio primero o frontal, pasando por la puerta que mira hacia la calle de Lic. Primo Verdad. Los españoles arrasaron las construcciones de los aztecas hasta el nivel del piso y utilizaron los materiales originales seguramente para ampliar y elevar la isla, lo que permite explicar el gran espesor de rellenos (15 m) tanto en la zona de Palacio como en buena parte de la Catedral, excepto en su cara poniente. No es de asombrar entonces los problemas de cimentación y de movimientos que por dicha heterogeneidad de los rellenos sufrió la Catedral durante su construcción en 300 años.

PESO DE LAS PIRÁMIDES

Se propone una posible geometría de las diferentes etapas constructivas, suponiendo que la corona de las primeras cinco fue casi igual a la de la segunda (figura 1), a partir de los arranques e inclinaciones descubiertos durante la exploración reciente del Templo Mayor. Se supone que en la sexta etapa se alcanzó una altura de 36 m, coronando en un adoratorio más amplio que los anteriores, con base en la información de que a la llegada de los españoles tenía 120 escalones. Como se verá más adelante, es probable que las excesivas deformaciones tanto por consolidación como por una posible iniciación de falla en la cara poniente de esta última estructura, hayan sido un factor determinante para que los aztecas no intentaran proseguir y elevar considerablemente su altura hasta alcanzar un adoratorio de tamaño similar a las anteriores. En una primera aproximación para los fines de cálculo que siguen, se consideraron laderas con una geometría recta en vez de escalonada o en bermas, compensando la diferencia en peso que resulta de esta hipótesis con el peso del relleno necesario para nivelar

y deformaciones.

el piso, deformado por el hundimiento propio de cada cuerpo. Para simplificar la estimación de los volúmenes de material que cada una contenía, ya que la mayor parte de los rellenos agregados resultan prácticamente de espesor constante, se propone la geometría de la figura 3. Las dimensiones aquí anotadas no corresponden al origen de los arranques de los costados, sino a los lugares desde donde estos espesores agregados pueden considerarse constantes. Se ha supuesto, para la tierra que principalmente integraba el grueso de la masa de las estructuras, un peso volumétrico de 1.6 t/m3

ESFUERZOS INDUCIDOS EN EL SUBSUELO

Se propone el método de Terzaghi (1948) para la estimación del esfuerzo inducido en un medio semiinfinito, bajo la aplicación de una carga uniforme q sobre un área rectangular BxL. La distribución de los incrementos de esfuerzo o presiones verticales, responsables de la deformación por expulsión de agua de los diferentes estratos del subsuelo, se resume para las principales etapas de las pirámides en la figura 4. La distribución de esfuerzos con la profundidad corresponde a los puntos identificados en las figuras 1 y 3. Con base en esa información, los resultados de los ensayes de consolidación y los espesores H2-H1 de la estratigrafía, pueden valorarse las deformaciones acumuladas conociendo la contribución de cada estrato.

ESTIMACIÓN DE LOS ASENTAMIENTOS DE LAS PIRÁMIDES

A fin de valorar las deformaciones (δ) acumuladas en distintos puntos, bajo incrementos de esfuerzo vertical ( Δσ z) obtenidos, correspondientes a las diferentes etapas constructivas, se dividió verticalmente el subsuelo en nueve estratos entre 0 y 72 m de profundidad. Se tabularon horizontalmente los valores medios del coeficiente de compresibilidad (mv), propios de cada estrato, en función de los contenidos de agua y de la presión, extraídos de los ensayes y siguiendo la historia carga-deformación en laboratorio. Para situaciones en las que la deformación es considerable

Figura 3. Geometría de pirámides para la estimación de pesos

NF Nivel fréatico

∆σz Incremento de esfuerrzo, en kg/cm2

Esq. Esquina

wi Contenido de agua inicial

mv Coeficiente de compresibilidad volumétrica

h Espesor

e Relación de vacíos

σr Resistencia a la compresión sin confinar

Arena

Nota: Las escalas horizontales corresponden a los valores de ∆σz cuando γ = 1.6 t/m3 (renglón superior) y γ = 1.8 t/m3 (renglón inferior)

Figura 4. Distribución de incrementos de esfuerzo vertical en el subsuelo inducidos durante las cinco etapas constructivas.

conviene proceder en esa forma, evitando emplear, por ejemplo, la envolvente de propiedades estadísticas de las arcillas correspondientes a los contenidos de agua iniciales, encontrados en la naturaleza. La fórmula que se empleará para estas determinaciones es:

δ = n ∑ j=1 mvj Δσzj (H2-H1 )j

Habrá que seleccionar los valores de las tres variables mencionadas para cada situación de esfuerzo, e ir corrigiendo los espesores de los estratos j a cada paso, por tratarse de deformaciones de importancia, adoptando además valores de mv que varían con el estado de carga.

CONSTRUCCIÓN DE LAS PIRÁMIDES

SOBRE TERRENO VIRGEN

Con objeto de ilustrar el procedimiento empleado, se muestran algunos puntos de las etapas II a V, suponiendo que éstas fueron edificadas sobre terreno virgen. El perfil de asentamientos a lo

largo del corte E-W por el centro de los edificios se muestra en la figura 5. Hay que destacar dos aspectos de esta información:

a. Las deformaciones así obtenidas, por ejemplo, en el punto 1 y apenas para los cuatro primeros incrementos de carga, etapas I-II, III IV, arrojan valores de 58, 498 425 cm, respectivamente, sumando 9.81 m, muy arriba de los 5.6 m observados en la realidad; dichos valores no incluyen las deformaciones de las últimas dos pirámides. Esto ha sido principal argumento para proponer que antes de la construcción de las pirámides mismas, y por lo menos previamente a la construcción de la segunda fase, los aztecas comprimieron considerablemente terreno en una amplia zona varias veces mayor que el área ocupada por el Templo Mayor, mediante una plataforma anteriormente denominada la Isla de los Perros. Como se mencionó, para que ésta sobresaliera unos 5 m fue necesario, por la compresibilidad de los mantos que se contemplan en el ejemplo, que esta base desplazara las arcillas en unos 6.6 m y permaneciera en su mayor parte sumergida por abajo del nivel freático.

b. Otro punto interesante es la influencia de la asimetría de cargas de la tercera y cuarta pirámides

sobre la inclinación de la segunda. El asentamiento diferencial entre los puntos 1 y 2 resulta de 270 cm para estas tres etapas. Evidentemente, el ejemplo únicamente ilustra la tendencia, aquí exagerada, según la cual la inclinación de la pirámide fue provocada por el mayor espesor y peso agregado en las laderas poniente como parte de las escaleras de los cuerpos, admitiendo que dicha inclinación no se debió a una falla por capacidad de carga del terreno. Como se verá, de haberse construido las pirámides sobre terreno virgen, una estimación de resistencia o de capacidad de carga muestra que el subsuelo hubiera fallado por esa razón desde su cuarta etapa constructiva. Más adelante se comparará el asentamiento observado con el estimado bajo una situación posiblemente más realista.

CONSTRUCCIÓN DE LAS PIRÁMIDES

SOBRE UN RELLENO FLEXIBLE

Estimaciones con el mismo procedimiento, bajo el supuesto de una precompresión del manto arcilloso debido a un relleno

Arcilla Grava Limo

previo de espesor total de 12 m, seis de ellos por abajo del nivel freático, llevan al empleo de valores de mv en un intervalo de presiones mayores. Además, al considerar los incrementos de esfuerzo con la profundidad indicados en la figura 4, se obtienen los perfiles de deformación a lo largo de los ejes E-W mostrados en la figura 6, correspondiente a cada uno de los incrementos de carga. Puede observarse que las etapas constructivas II y III producen asentamientos en forma de olla, y que en las etapas IV y V, la parte central tiende a quedarse arriba, con mayores asentamientos hacia el exterior y más notables hacia el poniente, hacia la región de las escalinatas del templo. Se aprecia en esta figura que los patios que seguramente se construyeron horizontalmente en los perímetros al finalizar cada etapa han sufrido asentamientos con pendientes hacia el exterior dejando una protuberancia hacia el centro.

• Desnivel observado en la base de II: 1.87 m

• Asentamiento diferencial registrado entre los puntos 1 y 2: 1.30 m

• Asentamiento diferencial calculado hasta la 3ª etapa entre los puntos 1 y 2: 2.70 m

Peso volumétrico γ = 1.6 t/m3

Eje E-W

∆σ Incremento medio de esfuerzo Áreas descubiertas Áreas construidas

Figura 5. Perfiles de asentamientos de las pirámides sobre terreno virgen de las etapas II a V. Corte E-W.

consolidación sufrieron los diferentes estratos durante las seis etapas constructivas, permite, previamente a la aplicación del siguiente paso, estimar su capacidad de carga, salvando la posibilidad de que la consolidación no se hubiera completado durante dicho incremento.

Las inclinaciones hacia el exterior de los patios perimetrales de la sexta etapa constructiva, de mayor pendiente cerca del Templo Mayor y disminuyendo su magnitud con la distancia, se deben a importantes rellenos (~ 3 m) de los españoles, y a la influencia de las deformaciones que ya se dejan sentir hasta la superficie debidas al bombeo profundo de la ciudad.

Se estimó la recuperación de los movimientos al ser arrasados estos edificios por los españoles hasta el nivel de piso; la recuperación o expansión por descarga del manto es considerable, del orden de 80 cm en la zona central. El desnivel final entre los puntos 1 y 2 del primer edificio en el cálculo resulta de 146 cm, mientras que el observado (Matos, 1982) es de 130 cm entre los mismos puntos.

Verificación de la estabilidad por capacidad de carga Tratándose de presiones tan considerables, impuestas por la construcción del Templo Mayor en un suelo arcilloso con un muy alto contenido de agua como el de la Ciudad de México, resulta importante efectuar una estimación de la estabilidad de estos edificios por resistencia o capacidad de carga, particularmente en una formación como la que originalmente tenía el Lago de Texcoco.

En los cálculos relativos a la capacidad de carga, se han considerado las fórmulas qD = 5.7 c para un cimiento largo y qD = 1.3 × 5.7 c para uno cuadrado sometido a una carga q (Terzaghi, 1943), donde c es la cohesión o resistencia al esfuerzo cortante, y se tomó como la mitad de la resistencia a la compresión simple.

La variación de la resistencia en función del cambio en el contenido de agua, deducido de las deformaciones que por

Construcción de las pirámides sobre terreno virgen. Bajo esta suposición de construcción, únicamente las primeras dos etapas alcanzan factores de seguridad mayores de uno, demostrando una franca inestabilidad a la falla desde el cuarto incremento.

Construcción de las pirámides sobre la Isla de los Perros.

Con el mismo procedimiento, bajo el supuesto de la construcción de la Isla de los Perros previa a la de las pirámides, los factores de seguridad van disminuyendo desde 7 para la etapa II, a 1.05 para la cuarta, hasta un valor 1.02, muy próximo a 1 para el sexto incremento de carga. Es posible que la plataforma frontal todavía de la etapa V se hubiera agregado para detener los inicios de una falla incipiente de la pirámide V en su frente W. Tanto las grandes deformaciones diferenciales por consolidación como la posible iniciación de una falla por capacidad de carga en la última etapa fueron probablemente indicios que influyeron para que los aztecas limitaran la altura de la etapa VI, aproximadamente a los 36 m, con un adoratorio de mayores dimensiones a ese nivel, que el de los correspondientes a las etapas III a V con posibles dimensiones similares al de la segunda pirámide. De haber construido estas estructuras sobre un mejor terreno, es posible que el nivel de la etapa VI hubiera alcanzado una mayor altura. Nuevamente, dichas estimaciones proporcionan evidencia de que los aztecas no pudieron haber construido sus pirámides directamente sobre terreno virgen. Vuelve a mostrarse la necesidad de la construcción previa de la Isla de los Perros.

COMENTARIOS FINALES

De haberse levantado instantáneamente las seis etapas constructivas en un perfil virgen del lago, los asentamientos hubieran alcanzado fácilmente el doble de los observados. La asimetría de las pirámides con mayor peso del lado oeste por la presencia de las escaleras explica la notable inclinación hacia ese costado de la segunda estructura. Ésta no se debe a una falla por capacidad de carga o por haberse construido con esa inclinación; por consolidación, las etapas posteriores inclinaron a esa estructura hacia el oeste.

Para alcanzar las deformaciones descubiertas debió existir un manto de considerable espesor, que en esa época sobresalía unos 5 m sobre el nivel del lago con 6 m sumergidos; este relleno tuvo que construirse previamente a la edificación de las pirámides o por lo menos a partir de la etapa II de la monumental obra. La Isla de los Perros pudo haberse construido antes de la conquista española, quizá iniciada con el método de las chinampas, seguramente desarrollado durante un tiempo considerable. No parece haber existido un islote natural en el lugar.

Estimaciones de la capacidad de carga confirman que las pirámides no pudieron ser construidas sobre terreno virgen. Desde la cuarta etapa el suelo hubiera presentado signos evidentes de falla. Aunque con factores de seguridad muy próximos a 1 para las etapas V y VI, la estabilidad ante una falla del subsuelo todavía se mantiene bajo el supuesto de la construcción previa de la Isla de los Perros.

Tanto los grandes asentamientos diferenciales estimados para la etapa constructiva VI, como los indicios de una ini-

ciación de falla del suelo posiblemente observados por los aztecas, fueron causa de que la construcción se limitara a los 120 escalones, rematada con un adoratorio más amplio. Debido a la descarga inducida durante la excavación efectuada para descubrir las pirámides, también se ha presentado una segunda recuperación elástica del terreno. Se conserva un bombeo que mantiene abatido el nivel freático actual alrededor de 3 m en el interior del Templo Mayor. Aunque dicho bombeo debe ser pequeño en volumen, si el abatimiento del nivel freático se propaga en la vecindad, esto equivaldrá a una sobrecarga que seguramente provocará movimientos irregulares en las construcciones vecinas. En principio, para mantener el nivel freático en las áreas colindantes, esta agua debe reintegrarse al suelo. Salvo por la presencia de alguna grieta o conducto abierto, la cantidad de agua que se ha de reinyectar no debe ser grande, dada la tan baja permeabilidad de las arcillas. Es recomendable la vigilancia de este mecanismo de recuperación del nivel freático en la vecindad.

De seguir los hundimientos de la ciudad, en esa zona céntrica las deformaciones serán menores en la parte más fuertemente consolidada por los considerables rellenos y cargas que en las áreas vecinas. El templo de Santa Teresa la Antigua aumentará su desplome; en el Palacio Nacional, a lo largo del quiebre observado por el centro del edificio frontal de norte a sur, seguirán incrementándose los desniveles y daños en su estructura.

Téllez (1982) menciona que durante las grandes inundaciones no llegaron a anegarse ni la zona céntrica de la ciudad (Obispado-Catedral-Palacio Nacional) ni la zona de Tlatelolco. Se sugiere como interesante propiciar estudios similares a los expuestos aquí en la zona de la Plaza de las Tres Culturas, que seguramente estuvo sujeta a un proceso semejante al de la misma Tenochtitlan

Referencias

Carrillo, N. (1952). Informe final del estudio de los movimientos observados en el edificio del Palacio Nacional. Para la Secretaría de Hacienda y Crédito Público, México.

Marsal, R. J., y M. Mazari (1969). El subsuelo de la Ciudad de México México: Facultad de Ingeniería, UNAM.

Matos M., E. (1982). El Templo Mayor de Tenochtitlan. Planos, cortes y perspectivas. México: Instituto Nacional de Antropología e Historia. Ortiz L., J., y S. Zavala. Comunicación personal.

Construcción previa de la Isla de los Perros con 5 m de altura y asentamiento total de 6.6. m (consolidación)

Desnivel observado en toda la base de II: 1.87 m

Desnivel real entre 1 y 2: 1.30 m

Desnivel calculado entre 1 y 2: 1.46 m

Eje E-W Áreas descubiertas Áreas construidas

Figura 6. Asentamientos estimados de las seis etapas constructivas del Templo Mayor. Recuperación del fondo al ser arrasados los edificios. Corte E-W.

Téllez P., A. (1982). Apuntes acerca de los cimientos de los edificios en la Ciudad de México. Compilación de artículos técnicos de ingeniería escritos a principio de siglo. México: Sociedad Mexicana de Mecánica de Suelos.

Terzaghi, K. (1943). Theoretical soil mechanics. Nueva York: John Wiley and Sons.

Este es un extracto, en versión libre, del original publicado originalmente en la revista Estudios de Cultura Náhuatl 19 (octubre, 1989):145-82, Universidad Nacional Autónoma de México. Instituto de Investigaciones Históricas.

Apreciamos su opinión e información sobre el tema de este artículo. Escríbanos a helios@heliosmx.org

Comunicación corta: (Qué) Enseñar o no enseñar Ahí está el detalle*

En este artículo se hace una profunda reflexión sobre cómo enseñar ingeniería geotécnica para adaptarla a las condiciones que se viven actualmente en la práctica. Se destaca la importancia del aprendizaje de los conceptos básicos para explicar, lo mejor posible, el comportamiento del suelo en las diferentes condiciones a las que una obra de ingeniería lo somete. No es posible abarcar en un programa de ingeniería geotécnica todo el conocimiento que existe sobre esta ciencia; por ello, el egresado deberá seguir formándose en la práctica, al cobijo de las empresas líderes del sector que les permitan un continuo aprendizaje.

Ha habido una explosión de conocimiento en ingeniería geotécnica; sin embargo, el paradigma del arte y la ciencia permanece profundamente arraigado en el campo. Los estudiantes de ingeniería geotécnica se enfrentarán a las dificultades imperantes en la actualidad, así como a nuevos y exigentes desafíos geotécnicos, como los asociados con la energía y con el medio ambiente. Hacer frente a estas situaciones y necesidades requiere una base sólida e ingeniosa. Por lo tanto, los profesores de ingeniería geotécnica deben revisar sus programas educativos a) para reconsiderar el papel del empirismo, b) para podar conceptos y sesgos incorrectos (por ejemplo, nombres inapropiados duraderos, explicaciones incorrectas, enfoques gráficos obsoletos, trucos poco sólidos y correlaciones frágiles, y una educación basada en extremos [seco-saturado, arcillo-arenoso, drenado-no drenado]), y c) promover una comprensión cuidadosa de los fundamentos (por ejemplo, la naturaleza particulada de los suelos y de las rocas fracturadas, la historia de la formación, la importancia esencial del esfuerzo efectivo, los procesos acoplados termo-hidro-químico-mecánicos, las

cargas repetitivas y las localizaciones ubicuas [que están en todas partes]). Por último, deben seguir reflexionando sobre el papel del ingeniero en la sociedad, dentro de un mundo en constante evolución, como motor de la innovación.

INTRODUCCIÓN

El primer siglo de la geotecnología moderna está llegando a su fin. Ha habido una explosión de conocimiento en el campo, y se ha logrado una gran comprensión del comportamiento del suelo y de las rocas a través de capacidades experimentales y numéricas excepcionales. Hoy en día, el campo es más amplio de lo que cualquier persona puede dominar, y los ingenieros geotécnicos publican en más revistas de las que cualquiera puede seguir (probablemente más de 30 revistas, complementadas por un número similar de publicaciones comerciales). El acceso a la información es ilimitado y se dispone de sistemas de medición eficaces y de potentes herramientas de análisis y diseño.

El primer siglo también ha puesto de relieve las dificultades en el diseño geotécnico, hasta el punto de que los

* Una versión abreviada de este artículo apareció como un ensayo en el blog de LinkedIn de Géotechnique Letters. Varios colegas participaron en el debate que siguió; las observaciones más destacadas, extraídas directamente del blog, se resumen en el Apéndice al final de este informe. La minuciosa contribución de L. Wesley se reproduce íntegramente como manuscrito complementario.

Profesor, King Abdullah University of Science and
Thuwal, Reino de Arabia Saudita.

Tabla 1. Los suelos son geomateriales particulados: observaciones relacionadas causalmente

Los suelos son geomateriales particulados; por lo tanto: Los suelos son inherentemente no lineales (Hertz y contactos eléctricos), no elásticos (contacto Mindlin), porosos y permeables (es decir, la porosidad entre los granos está interconectada).

Las características y los procesos a nivel de partícula se integran para dar la respuesta a macroescala:

• Tamaño: determina el equilibrio entre las fuerzas a nivel partícula (las fuerzas capilares y eléctricas ganan relevancia cuando las partículas son menores de 10-50 μm).

• Forma: refleja la historia de la formación y afecta el empacado de los granos, la anisotropía, la rigidez, la resistencia y la permeabilidad, entre otros.

• Disposición espacial de los granos: determinada por las fuerzas eléctricas en sedimentos de grano fino (pH del fluido poroso y concentración iónica) y por la forma del grano y el tamaño relativo de partículas en suelos de grano grueso.

• Porosidad: varía ampliamente y depende de la tensión en suelos de grano fino (no estructurados), pero varía en un rango estrecho y se define principalmente en el momento del empacado en suelos de grano grueso.

• El esqueleto particulado (friccionante) coexiste con los fluidos de poros (viscosos):

• Ambos son muy diferentes: la clave es anticipar sus distintas respuestas a los cambios de frontera impuestos.

El esqueleto y el fluido interactúan, lo que da lugar a la presión acoplada del fluido, el esfuerzo efectivo, las deformaciones volumétricas y la respuesta al esfuerzo cortante.

• Los fluidos mezclados añaden efectos capilares al esqueleto de partículas.

• Generalización: todos los procesos hidro-químico-bio-termo-mecánicos están acoplados.

El comportamiento mecánico del esqueleto de partículas depende del esfuerzo efectivo:

• Esto incluye la rigidez (Hertz), la resistencia a la fricción (Coulomb) y la dilatación/contracción al esfuerzo cortante (Taylor).

• La resistencia a la fricción limita la anisotropía máxima de esfuerzos que puede experimentar un suelo.

• Otras propiedades también pueden depender del esfuerzo efectivo (por ejemplo, la conductividad térmica de los suelos secos).

Los mecanismos de deformación a nivel partícula cambian con el nivel de deformación:

• Deformación unitaria pequeña: tiene lugar en el tejido constante y las deformaciones del grano se concentran en los contactos entre partículas; en este régimen de deformación, el cambio de volumen, la generación de presión de poro y las pérdidas por fricción son mínimos.

• Deformación unitaria grande: implica cambios en el tejido (desaparece el papel de la deformación del grano a nivel de contacto).

• Umbral de deformación entre los dos regímenes: es mayor para partículas más pequeñas y con mayor confinamiento.

• Los suelos no son inertes y a menudo cambian dentro de la escala de tiempo de los proyectos de ingeniería.

• Corolario: los suelos naturales pueden comportarse de manera diferente a la arcilla recién remoldeada o a la arena recién compactada.

ingenieros geotécnicos han aceptado ampliamente que el campo es una combinación de arte y ciencia. ¿Podría ser esta la razón de los ejercicios de predicción a ciegas consistentemente decepcionantes? Es necesario reevaluar el papel del empirismo, cuestionar los sesgos a menudo invisibles y los conceptos o enfoques incorrectos que se han infiltrado en la enseñanza y la práctica, y volver a poner énfasis en la

profundización de la comprensión unida a la fluidez multidisciplinaria.

La investigación y la educación están justificadas por las dificultades y desafíos en la práctica de la ingeniería geotécnica. Los estudiantes actuales de la especialidad alcanzarán el tope de sus carreras profesionales en el momento en que los desafíos de la ingeniería geotécnica que están brotando hoy dominen sus vidas profesionales, por ejemplo, los problemas relacionados con el cambio climático, el aumento del nivel del mar, las necesidades energéticas y la sostenibilidad. Para hacer frente a esas necesidades se requerirá una base científica sólida e ingeniosa. En este contexto, los profesores de ingeniería geotécnica deben hacer una pausa para reflexionar sobre sus programas educativos.

NÚCLEO BÁSICO: LOS

FUNDAMENTOS

Si bien el conocimiento se ha ampliado, el tiempo de enseñanza sigue siendo limitado y solo se puede cubrir en el plan de estudios un subconjunto muy pequeño de conceptos. El autor a menudo se pregunta acerca de los conceptos fundamentales clave que los estudiantes deberían comprender profundamente si los programas académicos se vieran obligados a reducir los contenidos de los cursos a un mínimo –digamos, unas pocas páginas– y al mismo tiempo satisfacer la fluidez multidisciplinaria. La suposición subyacente es que los ingenieros jóvenes serán capaces de añadir fácilmente procedimientos pragmáticos a una estructura de conocimiento bien cimentada, al tiempo que conservan la versatilidad de la ingeniería que proporciona los fundamentos. Es obvio que los ingenieros jóvenes necesitarán fundamentos de mecánica (por ejemplo, equilibrio y plasticidad), física (por ejemplo, conservación), química (por ejemplo, agua y minerales), biología (por ejemplo, factores limitantes para la vida y procesos biomediados), ciencias de la Tierra/ geología (por ejemplo, historia de las formaciones) y ciencia de los materiales (por ejemplo, materia particulada).

En aras de esta exposición, el autor abordará el último de ellos. El curso sobre los suelos comienza con la comprensión fundamental de que los suelos son materiales particulados. Entonces, todas las observaciones resumidas en la tabla 1 son verdaderas y están relacionadas causalmente. La naturaleza particulada de los suelos se reconoce en las primeras etapas de la mecánica de suelos, pero rara vez se enfatiza en clase. Las observaciones de la tabla se aplican a todos los suelos y a rocas fracturadas.

NO ENSEÑAR (PODAR)

Hay nombres inapropiados perdurables, prácticas obsoletas y recetas restrictivas en la especialidad. Todos los miembros de la comunidad de ingeniería geotécnica comparten la responsabilidad de podarlos; en particular, los educadores, los editores de revistas y los organizadores de conferencias pueden desempeñar un papel eficaz con este fin. Los siguientes son ejemplos.

• Términos con múltiples semánticas. El término “arcilla” se utiliza para indicar el tamaño, el mineral (cristalino o amorfo) o cualquier suelo que caiga por encima de la línea

A en la tabla de plasticidad. Utilice el término “arcilla” para indicar los minerales arcillosos y clasifique los suelos de grano fino según su sensibilidad a los cambios en la química de los fluidos que llenan los poros.

• Nombres inapropiados. El ejemplo más destacado es el “suelo cohesivo”, que es de hecho un oxímoron peligroso. Abandonar el clasificatorio “cohesión”, y expresiones conexas, como “suelo cohesivo” y “suelo sin cohesión”.

• Conceptos incorrectos. El término “lubricación” a menudo se usa incorrectamente en las discusiones sobre la fricción y en las explicaciones de la rama seca de la curva de compactación. Las consolidaciones primaria y secundaria se imaginan como procesos secuenciales en lugar de concurrentes. La resistencia máxima y la relación de vacíos en estado crítico se infieren incluso cuando las muestras han experimentado una falla progresiva y una localización por esfuerzo cortante. La resistencia a la tensión se invoca para explicar la formación de grietas por desecación. Y el término “tixotropía” se utiliza indiscriminadamente en relación con los cambios dependientes del tiempo en los sedimentos de grano fino.

• Obsolescencia. Todavía se enseñan enfoques gráficos que se han separado de su base fisicomatemática (por ejemplo, la determinación del coeficiente de consolidación utilizando métodos square-root of time o e–log σ’: una simple expresión en una hoja de cálculo puede ajustar fácilmente la ecuación de difusión a los datos e incorporar otros efectos como el cambio de permeabilidad con la relación de vacíos). Los profesores mantienen los conceptos desarrollados para el trazado y los cálculos manuales (por ejemplo, el significado de la presión de preconsolidación y su determinación), y preservan el uso de parámetros que agregan información limitada (por ejemplo, el límite plástico (PL) está altamente correlacionado con el límite líquido para suelos predominantemente arcillosos; luego, necesitamos reevaluar su magnitud y la adecuación de las correlaciones basadas en el índice de plasticidad).

• Trucos restrictivos/simplistas que no tienen una base sólida. Desde el “peso volumétrico sumergido” y las pruebas no consolidadas-no drenadas hasta los análisis de esfuerzos totales; parafraseando a J. Atkinson, ¿aún no estamos preparados para una separación limpia del criterio de esfuerzos totales?

• Correlaciones frágiles y ecuaciones con validez local. Los síntomas diagnósticos incluyen expresiones y ecuaciones dimensionalmente no homogéneas que violan las tendencias asintóticas para valores extremos de la variable (por ejemplo, la ecuación lineal e–log σ’ ). En su lugar, concéntrese en las correlaciones inspiradas en la física para lograr ecuaciones más robustas que satisfagan las condiciones asintóticas.

En un intento por aportar claridad, las condiciones del suelo se han polarizado y se ha desarrollado un plan de estudios en torno a los extremos. Consideremos dos casos. En primer lugar, los suelos se enseñan como si estuvieran secos o saturados de agua, mientras que la realidad implica estos dos extremos y todas las condiciones no saturadas intermedias. En segundo lugar, se cubren los análisis drenados y no drenados; sin embargo, estos son dos extremos en los que la tasa de disipación de la presión de poro es mucho más rápida (drenada) o mucho más lenta (no drenada) que la tasa de aplicación de carga.

Hay algunos conceptos que suenan antiguos, pero muy elegantes, que al autor le gusta cubrir en clase, pero con un énfasis renovado en la comprensión, en lugar de dedicarse por completo al desarrollo de soluciones de ingeniería. Los ejemplos incluyen la “sensación” del equilibrio con el círculo de Mohr, la combinación de condiciones de equilibrio y falla en un análisis de Mohr-Coulomb para mostrar la anisotropía de esfuerzos límite en los suelos, la elegancia de las soluciones elásticas, la “naturaleza esencial de ingeniería” de los límites superior e inferior (es decir, lo que se necesita no es la solución exacta, sino límites confiables y estrechos), e incluso las redes de flujo (es decir, para destacar la identificación de las condiciones de frontera y para experimentar patrones de flujo y fuerzas de filtración).

ENSEÑAR (ÉNFASIS EVOLUTIVO)

Poco a poco, las conferencias del autor van evolucionando al cambiar el énfasis e incorporar otros temas que, en su opinión, los estudiantes necesitarán para mantenerse actualizados e intelectualmente ágiles en un mundo cambiante.

• ¡Ponga énfasis continuo en la naturaleza particulada de los suelos y de las rocas fracturadas, y en la relevancia crítica del esfuerzo efectivo! Amplíe la cobertura de otros fundamentos científicos necesarios (Nota: los primeros revisores de este informe sugirieron una doble vía: una que enfatiza las habilidades que serán inmediatamente útiles en la práctica –con exposición a los fundamentos científicos– y otra que enfatiza los fundamentos científicos y proporciona menos de las habilidades orientadas a la práctica.)

• Presentar una discusión actualizada de la historia de la formación y de la diagénesis (con una cobertura adecuada de los suelos residuales), la cementación y los suelos estructurados (es decir, las desviaciones más destacadas de las observaciones realizadas en la tabla 1), los suelos naturales y artificiales (por ejemplo, relaves mineros y cenizas volantes), la estratigrafía y la variabilidad espacial (a todas las escalas).

• Aumentar el énfasis en las pruebas de campo bien diseñadas para medir las propiedades para el diseño de ingeniería. Principalmente, la rigidez/compresibilidad medida en laboratorio se ve afectada críticamente por los efectos del muestreo y agravada por los efectos del asiento. En

particular, los ensayes odométricos deben limitarse a situaciones en las que el acortamiento vertical previsto sea una fracción significativa de la altura inicial de la muestra.

• Ampliar los ejemplos didácticos a una amplia gama de fluidos, presión, tensión efectiva y condiciones de temperatura que impondrán los próximos problemas geotécnicos (incluidos los efectos de trituración de granos).

• Hacer hincapié en el seguimiento del comportamiento a corto y a largo plazo, centrándose en la realización de predicciones y en la evaluación de las interpretaciones (teniendo en cuenta que existen limitaciones innatas en el seguimiento, como la aceleración de las bifurcaciones).

• Aumentar la concienciación sobre la tendencia generalizada a localizaciones de todo tipo que rompen con la hipótesis común de homogeneidad (desde bandas de cortante y bandas de compactación hasta tubos de disolución, localización de flujo, digitación y una amplia gama de discontinuidades o fracturas en modo de apertura).

• Aplicación de cargas repetitivas (mecánicas, térmicas, químicas, humedad): pueden determinar el comportamiento a largo plazo.

• Seguir reflexionando sobre el papel del ingeniero en la sociedad, dentro de un mundo en constante cambio como motor de la innovación.

CONCLUSIONES

La ingeniería geotécnica ha evolucionado y continúa desarrollándose como resultado de la interacción sinérgica entre la educación, la investigación y la práctica. Esta sinergia es necesaria hoy más que nunca a medida que la especialidad adquiere un papel preeminente en los problemas más desafiantes a los que se ha enfrentado la humanidad. Se debe alentar a los estudiantes a aceptar estos desafíos para que prosperen en las nuevas oportunidades que presenta la especialidad y dejar que esta emoción penetre en el aula.

La educación geotécnica ha minimizado la importancia de los principios básicos al tratar de enfocarse en las soluciones prescriptivas que necesitan los profesionales para resolver los problemas actuales. Si se permite que el péndulo oscile aún más hacia el extremo de la “práctica”, los avances necesarios para mejorar la solución de los problemas actuales se retrasarán y las futuras generaciones de estudiantes estarán mal preparadas para abordar los desafíos que enfrentará la profesión.

Los profesores de ingeniería geotécnica se enfrentan al reto de tomar decisiones difíciles sobre su plan de estudios. Además, están limitados por la evolución de los programas de ingeniería civil que los contienen. Deben liderar el cambio y definir su rol

Agradecimientos

Este trabajo informativo se benefició de los escritos, conversaciones y comentarios de muchos colegas, en particular E. Alonso, C. Arson, J. Atkinson, R. Bachus, R. Bonaparte, S. Chong, M. Dusseault, D. Frost, A. García, A. Gens, G. Gudehus, J. Jang, P. Mayne, J. Mitchell, M. Pantazidou, S. Roshankhah, A. Schofield y R. Sullivan.

Apéndice: Recopilación de las respuestas publicadas en el blog Varios colegas participaron en la discusión que siguió a la publicación de este ensayo. El autor se toma la libertad de resumir las observaciones más destacadas extrayéndolas directamente de sus escritos. La minuciosa contribución de L. Wesley se reproduce íntegramente como manuscrito complementario.

Geotecnia: parte del programa más amplio de ingeniería civil. Un colega recordó a los profesores que la ingeniería geotécnica forma parte del programa de ingeniería civil. Por lo tanto, tiene que encajar dentro del plan de estudios más amplio y en el desarrollo de habilidades, capacitación y educación. Estos proporcionan restricciones sobre lo que pueden cubrir de manera realista. En este contexto, el curso de ingeniería geotécnica desempeña un papel fundamental en la formación para la resolución de problemas, el manejo de la incertidumbre, la comprensión de las limitaciones de los supuestos y la importancia de la experiencia.

¿Cómo contra qué? Mientras que B. Anderson afirmó que los profesores se están centrando en el material equivocado, especialmente en los casos en los que solo se requiere un curso de geotecnia para el título, V. Diyaljee hizo hincapié en “cómo enseñar qué enseñar”, y señaló que muchos profesores carecen de exposición de campo y de la experiencia de la observación para apreciar el significado y la corrección de los resultados (discutido extensamente en la contribución de L. Wesley). En la misma línea, B. Jeffcoat-Sacco señaló el valor del “trabajo real” cuando es guiado por grandes mentores y sugirió que debería ponerse énfasis en “cómo pensar, en lugar de qué pensar”. Observaciones similares fueron hechas por otros colegas; estos conceptos resurgieron en una publicación posterior de E. Alonso en el mismo blog (grupo de LinkedIn para Géotechnique Letters), quien destacó el papel central del pensamiento abstracto nutrido por la experiencia en la resolución creativa de problemas.

J. Endicott nos ha recordado que el profesor Andrew Schofield se ha pronunciado ampliamente contra el mal uso del término “cohesión” en las arcillas (Nota: escuché un argumento similar por primera vez por parte de T.W. Lambe en 1983, el cual finalmente condujo al ensayo “Suelo cohesivo: un oxímoron peligroso”, que circuló en EUA años más tarde [Santamarina, 1997]). B. Kutter y U. Cilingir estuvieron de acuerdo en que enseñar la cohesión como una propiedad intrínseca del suelo es falso y puede conducir a conceptos erróneos peligrosos. B. Kutter sugirió que un mejor descriptor sería “suelos con límite plástico (PL) medible”.

La transición contracción-dilatación es una terminología más clara que “transformación de fase” o “estado característico” (B. Kutter).

Mecánica de suelos de estado crítico (CSSM). En varias respuestas se reflexionó sobre el valor de la mecánica de suelos de estado crítico como marco para la comprensión del comportamiento del suelo (U. Cilingir). Sin embargo, los inconvenientes de la CSSM deben reconocerse debidamente, por ejemplo, en el modelado de suelos mixtos (J. Endicott).

Experimentos. Un colega impulsó un debate sobre el papel de los experimentos y de los modelos físicos para comprender los conceptos básicos y anclar los modelos numéricos, a menudo mal utilizados, en la realidad física.

Modelos. V. Barvashov parafraseó al matemático británico George Box, quien escribió: “Todos los modelos son erróneos, pero algunos son útiles”, para resaltar la necesidad de aprender la toma de decisiones en condiciones de gran dispersión en los escasos datos de pruebas de suelos. J. Endicott sugirió que la especialización requiere un segundo título y que no se debe esperar que un recién graduado sea capaz de realizar modelos avanzados desde el primer día.

Cambio sin fin. E. C. Leong recordó a los maestros que el conocimiento siempre está evolucionando; por lo tanto, existe una tensión continua entre lo que se enseña y lo que se requiere en la práctica. J. Endicott dijo que la enseñanza debe ser fundamental y estar en consonancia con los conceptos actualmente aceptados, y no ser anticuada o excesivamente elaborada. Por último, un colega advirtió que, en esta época de información fácilmente disponible, los estudiantes a menudo se ven envueltos en la recopilación de información y no logran adquirir conocimientos.

Referencia

Santamarina, J. C. (1997). “Cohesive soil”: a dangerous oxymoron. The Internet Geotechnical Engineering Magazine. Georgia Institute of Technology, Atlanta. http:// www.ejge.com/iGEM/Oxymoron/Dangeoxi.htm (consultado el 28/11/2015).

Traducido del inglés por Raúl Esquivel Díaz. Apreciamos su opinión e información sobre el tema de este artículo. Escríbanos a geotecnia@heliosmx.org

10

junio16 agosto

23 Agosto

Conferencias Técnicas

Verano 2024 En línea www.smig.org.mx

Octavas Jornadas

Luso-Españolas de Geotecnia Lisboa, Portugal semsig.org/8-jornadas-luso-espanolasde-geotecnia-lisboa-23-de-agosto-2024

26-30

Agosto

18ª Conferencia Europea de Mecánica del Suelo e Ingeniería Geotécnica Lisboa, Portugal www.ecsmge-2024.com

3-7

Septiembre

XXXII Reunión Nacional de Ingeniería Geotécnica

XXIII Reunión Nacional de Profesores de Ingeniería Geotécnica

Ciudad de México www.smig.org.mx

4

Septiembre

Curso “Caracterización geotécnica de residuos mineros con pruebas de campo”

Ciudad de México www.rnig2024.com.mx/cursos/cursos_ rnig2024.php

4

Septiembre

Curso “Instrumentación y monitoreo geotécnico”

Ciudad de México www.rnig2024.com.mx/cursos/cursos_ rnig2024.php

4

Septiembre

Curso “Recorrido histórico por el centro de la Ciudad de México”

Ciudad de México www.rnig2024.com.mx/cursos/cursos_ rnig2024.php

4

Septiembre

Curso “Aplicaciones geotécnicas de mejoramiento y refuerzo de suelos usando geosintéticos”

Ciudad de México www.rnig2024.com.mx/cursos/cursos_ rnig2024.php

4

Septiembre

Visita técnica al túnel del tramo estación Valentín Campa-Mixcoac de la ampliación de la línea 12 del metro

Ciudad de México www.rnig2024.com.mx/cursos/cursos_ rnig2024.php

4-5

Septiembre

VI Olimpiada en Geotecnia

III Concurso de Geomuros

IV Reto en Geotecnia

Ciudad de México www.smig.org.mx

17-20

Septiembre

XVI Congreso Latinoamericano de Hidrogeología

XII Congreso Argentino de Hidrogeología

Santa Rosa, Argentina aihgacomar.wordpress.com/2023/07/31/ xvi-congreso-latinoamericano-dehidrogeologia-xii-congreso-argentinode-hidrogeologia

12-16

Noviembre

XVII Conferencia Panamericana de Mecánica de Suelos e Ingeniería Geotécnica

La Serena, Chile panamgeochile2024.cl/es

13-16

Noviembre

XXIV Congreso Nacional de Ingeniería Estructural Cancún, México www.smie.org.mx

20-22

Noviembre

5ª Conferencia Internacional sobre Geotecnia del Transporte

Sídney, Australia www.ictg2024.com.au

28-29

Noviembre Geomandu Katmandú, Nepal geomandu.ngeotechs.org

LIBROS

DESIGN OF PILE FOUNDATIONS

IN

LIQUEFIABLE SOILS

Gopal Madabhushi, Jonathan Knappett y Stuart Haigh

Londres, Imperial College Press, 2009

Las cimentaciones sobre pilotes son la forma más común de cimentaciones profundas que se utilizan tanto en tierra como en altamar para transferir grandes cargas superestructurales a estratos de suelo competentes.

Este libro proporciona muchos casos históricos de fallas de cimientos de pilotes debidas a cargas sísmicas y licuefacción del suelo. Con base en los casos observados, se postulan los posibles mecanismos de falla de las cimentaciones de

pilotes. El libro también trata de la carga adicional atraída por pilotes en suelos licuables por causa de la extensión lateral del terreno inclinado.

Investigaciones recientes en Cambridge forman la columna vertebral de este libro con metodologías de diseño que se desarrollan directamente con base en resultados cuantificados de pruebas centrífugas y análisis numéricos. El libro proporciona a los diseñadores e ingenieros civiles en ejercicio un conocimiento sólido del comportamiento de los pilotes en suelos licuables y métodos fáciles de utilizar para diseñar cimientos de pilotes en regiones sísmicas. Para estudiantes de posgrado e investigadores, reúne los últimos hallazgos de la investigación relacionada con cimentaciones sobre pilotes de una manera relevante para la práctica geotécnica

A PARTICLE OF CLAY THE BIOGRAPHY OF ALEC SKEMPTON, CIVIL ENGINEER

Judith Niechcial

El libro está escrito en idioma inglés y presenta la vida del profesor sir Alec Skempton, ilustre ingeniero que formó el primer departamento de mecánica de suelos en el Imperial College en Londres, Inglaterra. Sin embargo, este libro no solo trata sobre la actividad académica de Skempton y la mecánica de suelos, sino que en él se relatan muchos episodios de su vida, cómo concebía la existencia y afrontaba los retos, nos cuenta de su incansable compromiso por entregar un trabajo bien realizado y la manera en que combinaba su gusto por la música, la historia y muchos intereses más.

En este libro –al haber sido escrito por Judith Niechcial, hija de Skempton– se revela la vida privada del profesor detrás de su imagen pública; describe además la percepción

que tenían de él sus colegas, amigos y estudiantes a lo largo de su vida. Se ilustran aspectos sociales y científicos y su trabajo académico histórico, es decir, la contribución de los conocimientos de su padre a la ingeniería, las influencias que lo formaron y cómo desarrolló sus teorías.

El libro inicia con pasajes del núcleo familiar de Skempton, de su niñez y de las incidencias de dicha época; de manera sucesiva, el libro se divide en diferentes fases de su vida, que se describen en cada capítulo: Vida familiar, Estudiante en el Imperial College, Descubrimientos científicos, Científico en el Imperial College, Rankine Lecture, Un líder en la profesión y Retiro literario. Se incluyen numerosas fotografías familiares, la más antigua del año 1855 (los ancestros de Skempton fueron asiduos entusiastas y amateurs de las técnicas fotográficas).

Esta biografía fue desarrollada mientras Alec Skempton aún vivía, por lo que leyó muchos de los pasajes que se presentan en ella antes de ser publicada; sin embargo, Skempton falleció antes de que el libro saliera a la luz. Debido a lo anterior, la autora y el editor consideraron apropiado conservar la redacción en tiempo presente, y al hacerlo logran preservar la presencia de Skempton.

Judith alcanza su objetivo mediante un contexto dinámico de la ingeniería, de la vida de su padre y de su tiempo

Ir a TexTo CorrIdo

Miguel A. Mánica

Instituto de Ingeniería, Universidad Nacional Autónoma de México. Antonio Gens

Departamento de Ingeniería Civil y Ambiental, Universidad Politécnica de Cataluña, España.

Efraín Ovando Shelley

Instituto de Ingeniería, Universidad Nacional Autónoma de México.

La resistencia al corte no drenada del suelo

En este artículo se presenta una descripción racional del concepto de la resistencia al corte no drenada del suelo, así como de la interpretación de los resultados de pruebas triaxiales no consolidadas no drenadas (UU). El artículo no contiene ningún aporte novedoso, y todas las ideas y conceptos abordados están bien establecidos en la bibliografía. Sin embargo, se espera que el trabajo contribuya a aclarar la confusión que existe entre los conceptos de cohesión y resistencia al corte no drenada, así como a señalar la aplicabilidad del ensayo UU, que frecuentemente se usa de manera indiscriminada para cualquier tipo de suelo.

1. INTRODUCCIÓN

“Los suelos finos son cohesivos y los suelos gruesos son friccionantes”. Probablemente todos los ingenieros geotecnistas que lean el presente artículo habrán escuchado la frase anterior en algún momento de su formación. Esta clasificación general de los suelos fue postulada por el padre de nuestra disciplina, Karl von Terzaghi. Como sustento, Terzaghi (1943) aporta el siguiente argumento: “Es posible excavar una zanja de unos 20 a 30 pies de profundidad, con laterales verticales sin soporte. Este hecho indica la existencia de una firme unión entre las partículas de arcilla […] La unión entre las partículas de suelo se llama cohesión”. En efecto, una arcilla rígida muy probablemente tendrá una cierta cohesión que, como Terzaghi (1943) correctamente lo identificó, es el resultado de la unión o cementación entre las partículas del suelo. Sin embargo, la presencia de un suelo arcilloso plástico no necesariamente es indicativo de cohesión.

Como cualquier contratista lo habrá constatado, en una arcilla blanda, como la arcilla de la Ciudad de México, es posible realizar una zanja sin soporte hasta una cierta profundidad, lo cual refuerza el argumento de que los suelos finos son cohesivos. No obstante, como cualquier contratista también lo habrá notado, esta excavación solo se mantendrá estable un cierto tiempo limitado. Esto plantea la siguiente pregunta: ¿qué sucede con la cohesión inicial del suelo? En este caso (una arcilla blanda, saturada, normalmente consolidada y sin evidencia de la presencia de un agente cementante), la respuesta correcta es que esta cohesión nunca existió, y la condición de estabilidad inicial es consecuencia de la resistencia al corte no drenada del suelo su. Asimismo, la pérdida de estabilidad en el tiempo es el resultado de un proceso de difusión y deformación (esto es, de consolidación del suelo) debido al cambio en las condiciones hidráulicas generadas por la excavación, que modifica el es-

tado de esfuerzos efectivos del suelo en el tiempo y, por lo tanto, modifica su resistencia. Lo anterior es un hecho bien conocido en geotecnia desde hace bastante tiempo (Juárez y Rico, 1973; Skempton y Sowa, 1963; Zeevaert, 1973), y que encontró un fundamento teórico sólido con el desarrollo de la teoría del estado crítico (Schofield y Wroth, 1968). Sin embargo, en la experiencia de los autores, el concepto de la resistencia al corte no drenada del suelo genera una confusión significativa que, en el peor de los casos, puede derivar en consecuencias catastróficas (véase, por ejemplo, Simpson et al., 2008).

ϕ = 0º C =

Prueba triaxial UU

1. Resultados de pruebas triaxiales UU en arcilla de la Ciudad de México a diferentes confinamientos en términos de círculos de Mohr para la condición de falla.

En este contexto, el objetivo del presente trabajo es proporcionar una descripción clara y racional del concepto de la resistencia al corte no drenada del suelo, así como la interpretación de los resultados de pruebas triaxiales no consolidadas no drenadas (UU). También se pretende señalar la aplicabilidad de la prueba UU que, frecuentemente, se usa de forma indiscriminada en cualquier tipo de suelo.

2. UNA APARENTE INCONGRUENCIA

Partimos de la descripción más sencilla y ampliamente aceptada de la resistencia al esfuerzo cortante de un suelo: el criterio de Mohr-Coulomb. En el plano de Mohr, este se define como:

τmax = c + σ̓N tan ϕ (1)

donde τmax es el esfuerzo cortante, c es la cohesión, σ'N es el esfuerzo normal efectivo y ϕ es el ángulo de fricción. Podemos utilizar la ecuación 1 para definir a la cohesión; esta será la componente de resistencia al corte de un material independiente del estado de esfuerzos, en este caso independiente de σ'N

En la figura 1 se muestran resultados de una serie de pruebas triaxiales UU realizadas en arcilla de la Ciudad de México, en términos de los círculos de Mohr para la condición de falla. Las pruebas fueron tomadas de un informe geotécnico de un proyecto en la Zona Metropolitana del Valle de México. Se observa que la envolvente de resistencia, tangente a los círculos de Mohr, es horizontal y, por lo tanto, en el informe se reporta ϕ = 0° y c = 92.7 kPa. Los ensayos, realizados a diferentes confinamientos, alcanzaron el mismo esfuerzo cortante en la falla. Por lo tanto, siguiendo la definición de la cohesión planteada en el párrafo anterior, estos resultados son consistentes con un suelo puramente cohesivo. Por otro lado, en la figura 2 se muestran resultados de pruebas triaxiales consolidadas no drenadas (CU), también

en muestras de arcilla de la Ciudad de México, de la misma zona que las pruebas de la figura 1. Los resultados se presentan en términos de los círculos de Mohr para la condición de falla (figura 2a) y en términos de trayectorias de esfuerzo (figura 2b). Las trayectorias de esfuerzo se definen en el espacio del esfuerzo desviador q vs. el esfuerzo medio efectivo p', variables que son invariantes del tensor de esfuerzo y se definen de la siguiente forma:

= 1 3 tr(

= [ 3 2 tr(s2 )]½ (3)

donde σ̓ es el tensor de esfuerzos efectivos, s = σ̕ – p I es el tensor de esfuerzos desviador e I es el tensor identidad. Sin embargo, para una condición de carga triaxial, p’ y q se simplifican como:

donde σ̕1 y σ̕3 son el esfuerzo efectivo principal mayor y menor, respectivamente. De forma contradictoria, en este caso la envolvente de resistencia del material se puede caracterizar con el criterio de Mohr-Coulomb asumiendo ϕ = 36.9° y c = 0, es decir, como un material puramente friccionante. Por lo tanto, el mismo suelo, en este caso la arcilla de la Ciudad de México, resulta en un material puramente cohesivo en términos de los resultados de la prueba triaxial UU y puramente friccionante en términos de la prueba CU. Esta aparente contradicción no es más que una interpretación errónea de los resultados de la prueba UU; la ordenada que caracteriza la envolvente de rotura en la figura 1 no es la cohesión, sino es la resistencia al corte no drenada del suelo. La clave para

Figura

Figura 2. Resultados de pruebas triaxiales CU en arcilla de la Ciudad de México a diferentes confinamientos en términos de a) círculos de Mohr y b) trayectorias de esfuerzo.

entender esta diferencia radica en el hecho de que la interpretación de la prueba UU se realiza en términos de esfuerzos totales, mientras que la CU se hace en términos de esfuerzos efectivos, ya que en esta última se mide la presión de poro durante el ensayo. Lo anterior se discute con detalle en las secciones subsecuentes.

3. TRAYECTORIAS DE ESFUERZOS PARA DIFERENTES ENSAYOS

Para entender el comportamiento del suelo durante la prueba UU, partimos de un ensayo mucho más sencillo de interpretar: la prueba triaxial consolidada drenada (CD). La figura 3 muestra, de forma esquemática, los resultados de pruebas CD a diferentes confinamientos, con consolidación isotrópica, en términos de trayectorias de esfuerzo (curvas A, B y C). En este caso, todas las trayectorias exhiben una pendiente 3:1, lo cual no tiene ninguna relación con el comportamiento del suelo y es consecuencia, únicamente, de la configuración de carga impuesta por el ensayo triaxial y la definición de los invariantes p y q (ecuaciones 4 y 5). Esta pendiente se puede expresar de la siguiente manera:

Como en un ensayo triaxial convencional, el esfuerzo de confinamiento total σ3 (que en la prueba CD es igual al efectivo σ̓3) se mantiene constante, entonces ∆σ̓3 = 0. Sustituyendo lo anterior en la ecuación 6, tenemos que ∆q/∆p = 3, es decir, la pendiente de la trayectoria. Por otro lado, el esfuerzo desviador máximo alcanzado durante el ensayo (así como sus respectivas curvas esfuerzo-deformación, no mostradas) sí es una característica del material y, como se observa en la figura 3, este tiende a incrementarse con el esfuerzo de consolidación p0. En el caso de las arcillas de la Ciudad de México, son bien conocidas las dificultades para realizar ensayos triaxiales CD, debido a su baja permeabilidad y a la significativa componente de deformación diferida (creep). Sin embargo, en cualquier suelo arcilloso normalmente consolidado, no cementado, la envolvente de resistencia de los estados de falla generalmente se puede caracterizar con una línea recta, sin ordenada al origen, como se muestra en la figura 3. En este espacio de esfuerzos (q vs. p ), la pendiente de dicha envolvente se define con el parámetro M (véase Schofield y Wroth, 1968), que caracteriza la componente de resistencia friccionante del material y, por lo tanto, se relaciona con el ángulo de fricción mediante la siguiente expresión (para compresión triaxial):

M = 6 sinϕ 3 – sinϕ (7)

Otra característica importante de estos materiales (arcillas blandas normalmente consolidadas) en la prueba CD es que exhiben una disminución de volumen ante carga desviadora, es decir, son materiales contractivos.

En la figura 3 también se muestran las trayectorias de esfuerzo efectivo de pruebas CU (curvas D, E y F), con consolidación isótropa para los mismos esfuerzos de consolidación que las pruebas CD. En términos de esfuerzos totales, las trayectorias también tendrán una pendiente 3:1. Sin embargo, en este caso, donde se impide el drenaje en la etapa de falla, la tendencia del material (saturado) a disminuir su volumen ante carga desviadora resulta en un incremento de la presión del agua en los poros del suelo, que curva la trayectoria de esfuerzos hacia la izquierda, es decir, hay una reducción en el esfuerzo medio efectivo. Como es bien sabido, la resistencia de un suelo está controlada por los esfuerzos efectivos y, por lo tanto, para una misma condición de carga (en este caso, compresión triaxial), la envolvente de resistencia drenada y no drenada es la misma. Sin embargo, debido a la generación de excesos de presión de poro en el caso no drenado, que curva la trayectoria a la izquierda, el desviador máximo alcanzado es significativamente menor que para el caso drenado, y este define la resistencia al corte no drenada del suelo. No obstante, es importante notar que la resistencia al corte no drenada de un suelo no es única, y esta se incrementa al incrementar el esfuerzo efectivo de consolidación p0. Lo que sí tiende a ser único para un cierto suelo arcilloso (aunque hay excepciones), normalmente consolidado, es su

normalizado con respecto al estado de esfuerzos efectivos de consolidación (Ladd, 1974). Históricamente, se ha utilizado el esfuerzo vertical efectivo σ̕ v0 para esta normalización (por ejemplo, Henkel, 1960, y Parry, 1960), aunque también es común utilizar el esfuerzo medio efectivo p 0 (Mánica et al., 2022). A partir de las hipótesis de la teoría del estado crítico, también es posible demostrar que este cociente de resistencia no drenado es una propiedad intrínseca para un suelo dado.

Ahora bien, en el caso de la prueba UU, no es posible interpretarla en términos de esfuerzos efectivos, ya que la presión de poro ni se impone ni se mide durante el ensayo. También se desconoce el estado de esfuerzos efectivos inicial de la probeta, aunque en la sección 4 se describen las hipótesis que asumimos al respecto. Por el momento, solo supongamos que la probeta tiene el mismo esfuerzo medio efectivo de consolidación que en el ensayo CU de la curva D en la figura 3. Debido a que la etapa de falla de las pruebas CU y UU es idéntica, la trayectoria de esfuerzos debería ser la misma que la curva D, obteniendo el mismo qu y, por lo tanto, la misma resistencia al corte no drenada su. Supongamos ahora que realizamos otra prueba en una probeta que tiene el mismo estado de esfuerzos inicial, pero la sometemos a un incremento en el esfuerzo de confinamiento total ∆σ̕3 o ∆p. Sin embargo, a diferencia de las pruebas CU, en la prueba UU también se impide el drenaje durante la aplicación del confinamiento, por lo que este genera un exceso de presión de poro. Si el suelo está saturado, es decir, si tiene un parámetro B de Skempton (1954) cercano a la unidad, el incremento de presión de poro ∆u será aproximadamente igual a ∆p. Por lo tanto, sin importar la magnitud de ∆p, el esfuerzo medio efectivo p permanece constante, es decir, no modificamos el estado de esfuerzos efectivo inicial de la probeta antes de la etapa de falla. Consecuentemente, sin importar el esfuerzo de confinamiento aplicado, obtenemos la

Prueba triaxial CD

Prueba triaxial CU

Esfuerzo desviador q (kPa)

qmax = 2su qmax = 2su

Envolvente de resistencia qmax = 2su

misma resistencia; básicamente estamos haciendo la misma prueba n veces. Esta es la razón por la cual el radio de los círculos de Mohr de la figura 1 es el mismo. Si pudiésemos interpretar la prueba UU en términos de esfuerzos efectivos (lo cual no es posible porque no medimos la presión de poro durante el ensayo), los tres círculos en realidad serían un único círculo, cuya envolvente de resistencia no tiene ordenada al origen (figura 4).

En el caso de la prueba CU, el confinamiento se aplica en condiciones drenadas, permitiendo la disipación de los excesos de presión de poro. Por lo tanto, el esfuerzo de consolidación inicial efectivo de pruebas a distintos confinamientos es diferente y, consecuentemente, el desviador máximo alcanzado es distinto, lo que resulta en círculos de diferente tamaño, como los mostrados en la figura 2a).

Considerando lo expuesto, parece redundante ejecutar tres pruebas triaxiales UU a diferentes confinamientos de una cierta muestra de suelo. Teóricamente, una única prueba, incluso en compresión simple, debería resultar en el mismo valor de su. Sin embargo, existen motivos válidos para realizar los tres ensayos usuales a diferentes confinamientos. Por ejemplo, el muestreo puede derivar en la apertura de fisuras preexistentes que reducen la resistencia al corte. En este caso, la aplicación de un cierto nivel de confinamiento permite cerrar dichas fisuras y obtener una resistencia más consistente con el suelo in situ (Craig, 2004). Asimismo, nos permite identificar situaciones donde no se obtiene una envolvente de resistencia horizontal, como en la figura 5, que podría sugerir que la prueba UU no es aplicable a este material. Este último aspecto se discute en la sección 5. Es evidente que una serie de pruebas UU nos permite determinar la resistencia al corte no drenada asociada a un cierto estado de esfuerzos efectivo inicial de consolidación. Sin embargo, ¿cuál es este estado inicial? La respuesta a la pregunta anterior se examina en la siguiente sección.

Esfuerzo medio efectivo p’ (kPa)

4. RESISTENCIA AL CORTE NO DRENADA DE CAMPO

Asumamos un depósito homogéneo, con un nivel freático superficial y una distribución hidrostática de la presión de poro, en donde consideramos un elemento de suelo a una cierta profundidad h, como se muestra en la figura 6. El elemento de suelo está sometido a un cierto estado de esfuerzos total y a una cierta presión de poro, esto es, a un cierto estado de esfuerzos efectivo. Ahora supongamos que podemos realizar un muestreo perfecto, donde removemos de forma instantánea el esfuerzo total y la presión de poro actuando en el contorno del elemento (cosa que,

Figura 3. Trayectorias de esfuerzo para pruebas triaxiales CD y CU.

Esfuerzos efectivos

Prueba triaxial UU

Esfuerzos totales

4. Círculos de Mohr para pruebas triaxiales UU en términos de esfuerzos totales y efectivos.

Esfuerzo normal total σN (kPa)

Figura 5. Resultados de pruebas triaxiales UU en términos de círculos de Mohr para la condición de falla en donde no se identifica una envolvente de resistencia horizontal, probablemente debido a la saturación parcial del material.

por supuesto, no es posible). También asumamos una condición no drenada perfecta, donde no se permiten cambios de volumen. En este caso, la remoción del esfuerzo total en el contorno del elemento resulta en una tendencia del material a expandirse, es decir, una tendencia de las partículas de suelo a alejarse unas de otras. Sin embargo, como asumimos una condición sin cambio de volumen, esta tendencia del suelo a expandirse genera una relajación del agua en los poros y, por ende, una reducción de su presión inicial. Si el suelo está saturado, esta reducción de presión de poro ∆u será aproximadamente igual a la reducción del esfuerzo medio total ∆p que resulta del muestreo. Por lo tanto, el esfuerzo medio efectivo p permanece constante. Esto es análogo a lo que ocurre cuando incrementamos el confinamiento sin permitir el drenaje en una prueba UU, pero en este caso corresponde a una descarga y a una disminución de la presión de poro.

Si realizamos una prueba UU a nuestro elemento de suelo, obtendremos la resistencia al corte no drenada asociada

con el esfuerzo medio efectivo de consolidación p0 a la profundidad que se encontraba in situ. De hecho, esta es la hipótesis que asumimos en el ensayo UU; la resistencia no drenada determinada es la del suelo in situ, a la profundidad de donde se extrajo la muestra. Haciendo pruebas en muestras extraídas de diferentes profundidades obtenemos el perfil de resistencia al corte no drenada del depósito, donde, según lo discutido en la sección 3, su debe aumentar con la profundidad; un hecho ampliamente documentado en la bibliografía (véase, por ejemplo, la figura 7).

5. APLICABILIDAD

DE LA PRUEBA TRIAXIAL UU

En la sección anterior asumimos un muestreo perfecto y un comportamiento no drenado del suelo desde el muestreo y hasta la ejecución de la prueba UU. Por supuesto, ninguna de estas dos hipótesis es completamente correcta.

Con respecto a la primera hipótesis, siempre existirá una cierta perturbación asociada con el muestreo. Sin embargo, desde los inicios de la mecánica de suelos se han propuesto procedimientos para minimizar esta alteración (por ejemplo, Hvorslev, 1949). En el caso de arcillas blandas, recomendaciones contemporáneas sugieren el uso de tubos muy delgados, biselados y lisos, introducidos en el suelo mediante un pistón estacionario con un buen sistema de control (De Groot et al., 2005).

En cuanto a la segunda hipótesis, imaginemos que inmediatamente después del muestreo sacamos la muestra del tubo (lo que también implica cierta alteración) y la dejamos sin carga expuesta a las condiciones atmosféricas. En este caso, los esfuerzos totales que actúan en la muestra son nulos (en realidad, tienen un pequeño valor con un gradiente desde la parte superior debido a la gravedad) y existe una cierta succión actuando como condición de contorno, en equilibrio con la humedad relativa del ambiente vía la ecuación de Kelvin (Von Helmholtz, 1886). Si el material tiene una permeabilidad baja, al reducir los esfuerzos totales también se reduce la presión de poro hasta valores negativos, tal como se explicó en la sección anterior, que tienden a mantener el esfuerzo medio efectivo que tenía el suelo en campo (Ladd y Lambe, 1964). Por lo tanto, existe un gradiente entre la

Figura

presión del agua en los poros del suelo y en el contorno de la muestra que debe equilibrarse. Este equilibrio gradual es un fenómeno hidromecánico acoplado que involucra un proceso de difusión y cambio de volumen, es decir, involucra la consolidación del suelo. Este proceso es el mismo al que se hacía alusión en la introducción del presente documento, cuando se excava una zanja en un material arcilloso saturado (no cementado). Inmediatamente después de la excavación, el esfuerzo medio efectivo se mantiene aproximadamente constante, lo cual le confiere un cierta resistencia al corte incluso a los elementos de suelo adyacentes a la pared de la excavación (es importante mencionar que, incluso en una condición no drenada perfecta, la excavación induce un incremento en los esfuerzos desviadores, y es esta la razón por la que la excavación no puede profundizarse indefinidamente. El cálculo de esta profundidad crítica se describe en cualquier libro de texto de geotecnia). Sin embargo, a medida que ocurre el equilibrio de la presión de poro, el esfuerzo medio efectivo se reduce progresivamente y, por lo tanto, se reduce la resistencia al corte del suelo, lo que eventualmente provoca la inestabilidad de la excavación.

En la práctica, el cambio de los esfuerzos efectivos después del muestreo se minimiza protegiendo a la muestra ante cambios de humedad (ASTM, 2015a). Además, el tubo metálico proporciona una cierta reacción ante la tendencia de expansión del suelo y, por lo tanto, un porcentaje de los esfuerzos totales de campo se mantienen hasta antes de extraer la muestra del tubo. Sin embargo, una vez extraída la muestra, la velocidad con la que esta se equilibra con el ambiente dependerá, principalmente, de la permeabilidad del suelo. En materiales con una permeabilidad considerable, esto puede ocurrir rápidamente, lo que modifica el estado de esfuerzos efectivos antes de realizar el ensayo, que será distinto al de campo.

El suelo también puede llegar a desaturarse, lo que deriva en resultados como los mostrados en la figura 5, con una

envolvente de resistencia inclinada con ordenada al origen. Desde luego, esto también puede ocurrir debido a que el suelo se encuentra parcialmente saturado en el campo. En este caso, en las pruebas UU, una porción del incremento en el esfuerzo de confinamiento se traduce en un incremento en el esfuerzo efectivo, lo que resulta en la inclinación de la envolvente de resistencia. Sin embargo, es básicamente imposible determinar esta proporción, por lo que no se puede realizar una interpretación objetiva de la prueba. En la opinión de los autores, el concepto del ángulo de fricción no drenado ϕu es simplemente incorrecto. Asimismo, parte de la ordenada al origen estará asociada a la saturación parcial del suelo, comúnmente conocida como cohesión aparente (Taylor, 1948). Esta es resultado de la succión, principalmente la succión mátrica, la cual está estrechamente relacionada con el fenómeno capilar, y puede verse como una variable que expresa el grado de adhesión del líquido a la fase sólida que resulta de la interacción general entre el sólido, el agua y la interfaz entre ambos (Gens, 2010). Esta cohesión aparente representa un aporte real a la estabilidad mecánica del suelo. Sin embargo, no es una componente de resistencia intrínseca, y esta se pierde si el suelo llegase a saturarse. Por lo tanto, considerarla en algún diseño puede ser riesgoso. En este caso, el ingeniero diseñador deberá considerar la posibilidad de saturación de un cierta zona del dominio, en función de posibles condiciones atmosféricas y de precipitación futuras. Este tipo de análisis se realizan en el contexto de la mecánica de suelos no saturada (Fredlund y Rahardjo, 1993), e involucran una complejidad significativa y pruebas de laboratorio especializadas (véase, por ejemplo, Gens, 2010) que con mucha frecuencia escapan a las capacidades de la ingeniería práctica.

En presencia de suelos parcialmente saturados, una alternativa mucho más práctica es saturar el suelo y realizar pruebas CU con medición de presión de poro. De esta forma despreciamos el aporte de la succión a la resistencia y, por lo tanto, estamos del lado de la seguridad. Si persiste alguna cohesión en este ensayo después de saturar el suelo, esta es “verdadera” y puede utilizarse con certidumbre en el diseño. Sin embargo, es importante mencionar que esta cohesión “verdadera” puede degradarse ante carga mecánica (véase, por ejemplo, Mánica et al., 2021).

Con esta discusión es evidente que el uso de la prueba triaxial UU está limitado a suelos saturados de baja permeabilidad, en donde las hipótesis involucradas en el ensayo no difieren significativamente de la realidad. Además, la resistencia al corte no drenada se utiliza para representar una condición particular

Figura 6. Condición inicial de un elemento de suelo a una cierta profundidad en un depósito de suelo homogéneo.
Depósito homogéneo de arcilla

Triaxial CU

Triaxial UU

Corte directo simple

Veleta

Modificado de Huang et al., 2023.

en análisis de estabilidad: la condición a corto plazo. En esta se asume que las cargas se aplican lo suficientemente rápido de manera que no hay suficiente tiempo para la disipación de los excesos de presión de poro, lo cual es razonable en materiales de baja permeabilidad, como las arcillas. Citando el apartado 4.5 de la norma ASTM D2850-15 (ASTM, 2015B), que describe la ejecución de la prueba triaxial UU: “La resistencia al corte no drenada es aplicable a situaciones donde se asume que las cargas ocurren lo suficientemente rápido que no hay tiempo para que se disipe la presión inducida y para que ocurra la consolidación del suelo (es decir, el drenaje no ocurre)”.

Por supuesto, la realidad siempre es más compleja y siempre habrá cierta disipación de la presión a medida que avanza la construcción. Sin embargo, la condición perfectamente no drenada en general es la más desfavorable, por lo que garantizar la estabilidad del problema de contorno ante esta condición nos pone del lado de la seguridad. No obstante, como es el caso de la excavación que se describe en la introducción del presente documento, existen problemas geotécnicos en donde la condición a largo plazo es más desfavorable.

6. ALGUNAS LIMITACIONES DEL TRABAJO

El presente artículo se limitó a considerar suelos arcillosos normalmente consolidados, no cementados. En el caso de suelos sobreconsolidados (no cementados), es decir, en el lado “seco” del estado crítico, se identifica un desviador pico que tiende a disminuir con la deformación hasta la condición de estado crítico (flujo plástico del suelo a volumen constante). Este comportamiento tampoco es consecuencia de la cohesión, sino que es el resultado de la dilatancia y la “trabazón” (interlocking) de las partículas de suelo (Taylor, 1948). Una notable discusión al respecto puede consultarse en Schofield (1998).

En el caso de suelos sobreconsolidados (no cementados), la resistencia al corte no drenada dependerá de la resistencia para la condición normalmente consolidada y del grado de sobreconsolidación, lo cual puede describirse con la siguiente ecuación (Ladd, 1991):

( su σ̕v0 ) OC = ( su σ̕v0 ) NC OCRm (8) donde OCR es la relación de sobreconsolidación, m es un parámetro del suelo y los subíndices NC y OC refieren las condiciones normalmente consolidada y sobreconsolidada, respectivamente. En este caso, se invita al lector a consultar a Ladd (1974 y 1991) para profundizar en el tema.

La cohesión “verdadera” es la unión entre las partículas, consecuencia de la precipitación de algún agente cementante o como resultado del proceso de litificación, y se considera una componente de estructuración del suelo (la otra es el arreglo geométrico de las partículas: el fabric) (Mitchell, 1976). El estudio de los suelos estructurados representa una amplia área de la ingeniería geotécnica. Como punto de partida, se recomienda al lector consultar a Burland (1990) y a Gens (2013). También, debido a su implicación práctica en problemas de ingeniería, se recomienda al lector consultar a Mánica et al., (2021) respecto a las dificultades inherentes al análisis de estabilidad en presencia de suelos estructurados que exhiben reblandecimiento.

Otros aspectos importantes del comportamiento del suelo relacionados con la resistencia al corte no drenada, no abordados en el presente trabajo, son la anisotropía (Conesa et al., 2019; Nishimura et al., 2007; Zdravković y Jardine,

Figura 7. Perfil de resistencia al corte no drenada de arcilla de Onsoy determinado a partir de diferentes pruebas de campo y laboratorio.

2000 y 2001) y la dependencia con la velocidad de carga (Graham et al. , 1983; Sheahan et al. , 1996). También se invita al lector a consultar las referencias citadas.

CONCLUSIONES

Los suelos finos no necesariamente son suelos cohesivos. La cohesión “verdadera” es la unión entre las partículas de suelo, consecuencia de la precipitación de algún agente cementante o como resultado del proceso de litificación. A la resistencia al corte a corto plazo que se observa en suelos arcillosos (no cementados) se le conoce como la resistencia al corte no drenada. Esta está asociada con la envolvente de resistencia efectiva y con la trayectoria de esfuerzos específica que experimente el suelo, la cual depende de la tendencia del material a generar excesos de presión de poro ante carga desviadora.

La prueba triaxial UU representa una alternativa rápida y económica para evaluar la resistencia al corte no drenada del suelo, a utilizarse en un análisis de estabilidad a corto plazo. Sin embargo, esta prueba es solo aplicable a materiales saturados de baja permeabilidad.

Para un suelo dado, la resistencia al corte no drenada no es un parámetro intrínseco, y depende del estado inicial de esfuerzos efectivos de consolidación. Lo que sí tiende a ser una constante para un cierto suelo es la resistencia no drenada normalizada con respecto al esfuerzo vertical (o esfuerzo medio) efectivo de consolidación.

La prueba UU no es aplicable a suelos parcialmente saturados. En este caso, se recomienda saturar el suelo y realizar pruebas CU con medición de presión de poro. La envolvente de resistencia efectiva resultante estará del lado de la seguridad, ya que estaríamos despreciando el aporte de la succión. En caso de querer utilizar el aporte de la succión, el diseño deberá realizarse en el contexto de la mecánica de suelos no saturada. Esto requiere considerar la posible saturación del suelo en función de condiciones atmosféricas y de precipitación futuras. También involucra análisis mucho más complejos y pruebas de laboratorio especializadas con control de succión

Referencias

American Society for Testing and Materials, ASTM (2015a). D1587/ D1587M-15: Standard practice for thin-walled tube sampling of finegrained soils for geotechnical purposes. West Conshohocken. ASTM (2015b). D2850-15: Standard test method for unconsolidated-undrained triaxial compression test on cohesive soils. West Conshohocken. Burland, J. B. (1990). On the compressibility and shear strength of natural clays. Géotechnique 40: 329-378.

Conesa, S., et al. (2019) Numerical simulation of the undrained stability of slopes in anisotropic fine-grained soils. Geomechanics and Geoengineering 14: 18-29.

Craig, R. F. (2004). Craig’s soil mechanics. Nueva York: Taylor & Francis. De Groot, D. J., S. E. Poirier y M. M. Landon (2005). Sample disturbancesoft clays. Studia Geotechnica et Mechanica 27: 91-105.

Fredlund, D. G., y H. Rahardjo (1993). Soil mechanics for unsaturated soils John Wiley & Sons.

Gens, A. (2010). Soil-environment interactions in geotechnical engineering. Géotechnique 60: 3-74.

Gens, A. (2013). On the hydromechanical behaviour of argillaceous hard soils-weak rocks. En: Anagnostopoulos et al. (eds). Proceedings of the 15th European Conference on Soil Mechanics and Geotechnical Engineering - Geotechnics of Hard Soils - Weak Rocks. Atenas: IOS Press: 71-118.

Graham, J., J. H. A. Crooks y A. L. Bell (1983). Time effects on the stressstrain behaviour of natural soft clays. Géotechnique 33: 327-340.

Henkel, D. J. (1960). The shear strength of saturated remolded clays. Proceedings of the ASCE specialty conference on shear strength of cohesive soils. Boulder: University of Colorado: 533-554.

Huang, B., et al. (2023). Undrained strength of clay determined from simple shear test. Frontiers in Earth Science 10: 1-13.

Hvorslev, M. J. (1949). Subsurface exploration and sampling of soils for civil engineering purposes. Report on a research project of the Committee on Sampling and Testing, Soil Mechanics and Foundations Division. American Society of Civil Engineers, Waterway Experiment Station. Vicksburg.

Juárez, E., y A. Rico (1973). Mecánica de suelos. Tomo 1, Fundamentos de la mecánica de suelos. México: Limusa.

Ladd, C. C. (1974). New design procedure for stability of soft clays. Journal of the Geotechnical Engineering Division 100: 763-786.

Ladd, C. C. (1991). Stability evaluation during staged construction. Journal of Geotechnical Engineering 117: 540-615.

Ladd, C. C., y T. W. Lambe (1964). The strength of “undisturbed” clay determined from undrained tests. Laboratory Shear Testing of Soils. ASTM International.

Mánica, M., M. O. Ciantia y A. Gens (2021). Sobre la simulación numérica de materiales cuasi-frágiles en problemas de ingeniería. XXX Reunión Nacional de Ingeniería Geotécnica. Sociedad Mexicana de Ingeniería Geotécnica.

Mánica, M. A., et al. (2022). Application of a critical state model to the Merriespruit tailings dam failure. Proceedings of the Institution of Civil Engineers: Geotechnical Engineering 175: 151-165.

Mitchell, J. K. (1976). Fundamentals of soil behavior. Nueva York: John Wiley & Sons.

Nishimura, S., N. A. Minh y R. J. Jardine (2007). Shear strength anisotropy of natural London clay. Géotechnique 57: 49-62.

Parry, R. H. G. (1960). Triaxial compression and extension tests on remolded saturated clay. Géotechnique 10: 166-180.

Schofield, A., y C. P. Wroth (1968). Critical state soil mechanics. Londres: McGraw-Hill.

Schofield, A. N. (1998). Mohr Coulomb error correction. Ground Engineering.

Sheahan, T. C., C. C. Ladd y J. T. Germaine (1996). Rate-dependent undrained shear behavior of saturated clay. Journal of Geotechnical Engineering 122: 99-108.

Simpson, B., et al. (2008). Collapse of the Nicoll Highway excavation, Singapore. En: B. S. Neale (ed.) Forensic engineering: From failure to understanding. Londres: 1-14.

Skempton, A. W. (1954). The pore-pressure coefficients A and B. Géotechnique 4: 143-147.

Skempton, A. W., y V. A. Sowa (1963). The behaviour of saturated clays during sampling and testing. Géotechnique 13: 269-290.

Taylor, W. (1948). Fundamentals of soil mechanics. Nueva York: Wiley. Terzaghi, K. (1943). Theoretical soil mechanics. Nueva York: Wiley.

Von Helmholtz, R. (1886). Untersuchungen über Dämpfe und Nebel, besonders über solche von Lösungen. Annalen der Physik 263: 508-543.

Zdravkovic, L., y R. J. Jardine (2000). Undrained anisotropy of Koconsolidated silt. Canadian Geotechnical Journal 37: 178-200.

Zdravković, L., y R. J. Jardine (2001). The effect on anisotropy of rotating the principal stress axes during consolidation. Géotechnique 51: 69-83.

Zeevaert, L. (1973). Foundation engineering for difficult subsoil conditions. Nueva York: Van Nostrand Reinhold.

Apreciamos su opinión e información sobre el tema de este artículo. Escríbanos a helios@heliosmx.org

¿Qué son los depósitos profundos en la estratigrafía de la cuenca del Valle de México?

En este trabajo se pretende dar una visión general de los Depósitos Profundos a partir de la información que actualmente existe, principalmente desde el punto de vista de su origen, su composición y del impacto que tienen en aspectos del diseño y proceso constructivo de la cimentación.

La estratigrafía típica de la Ciudad de México para las zonas geotécnicas II (Transición) y III (Lago) consiste en cinco unidades geotécnicas (citadas a partir de la superficie): la Costra Superficial (CS), la Serie Arcillosa Superior (SAS), la Capa Dura (CD), la Serie Arcillosa Inferior (SAI) y los Depósitos Profundos (DP). A este modelo estratigráfico se le puede nombrar original y, en principio, define a los Depósitos Profundos como aquellos estratos muy competentes pero que aún no se consideran macizos rocosos, que se localizan por debajo de las series arcillosas de las zonas geotécnicas II y III.

El modelo estratigráfico original supone que los Depósitos Profundos son el basamento de todas las unidades deformables que se tienen por arriba y, por tanto, si la cimentación de un edificio se apoya en ellos se pueden evitar los problemas de capacidad de carga, amplificación dinámica, agrietamiento y asentamientos absolutos y diferenciales a corto y largo plazo. Sin embargo, esta idea podría ser incorrecta –al menos parcialmente– a la luz de la información recientemente generada en las campañas de investigación geotécnica.

En efecto, de acuerdo con las necesidades actuales de los proyectos de edificación de la Ciudad de México, en los que se requieren excavaciones más profundas a fin de alojar

los sótanos de los estacionamientos, y en casos extremos ha sido necesario remover todo el espesor de las series arcillosas, se opta por desplantar la cimentación a alguna profundidad dentro de los Depósitos Profundos, lo que provoca que las campañas de investigación sean profundas, del orden de 150 m. Los resultados de estas campañas de exploración revelan aspectos sobresalientes de los DP: son heterogéneos lateralmente y a profundidad, contienen capas de poco a muy deformables y agrietadas, sus condiciones hidráulicas son distintas de las existentes en los depósitos arcillosos superiores, su resistencia y deformabilidad difieren de las encontradas en los depósitos volcánicos competentes que se localizan en la Zona de Lomas al poniente de la ciudad y, finalmente, los DP también participan en el hundimiento regional.

ASPECTOS GEOLÓGICO-GEOTÉCNICOS GENERALES

Castillo (1978), Murillo (1978) y Zeevaert (1983) fueron de los primeros en documentar los DP. En el modelo del subsuelo indicado por Zeevaert (1983), que se presenta en la figura 1, se observa que la CS y la SAS forman parte de las formaciones Becerra (8,000 a 16,000 años) y Tacubaya (30,000 a 45,000 años), respectivamente, y que pertenecen

¿Qué son los depósitos profundos en la estratigrafía de la cuenca del Valle de México?

Figura 1. Modelo estratigráfico de la zona central de la Ciudad de México propuesto por Zeevaert (1983).

al Pleistoceno (tabla 1). Por su parte, la CD, la SAI y los DP –a consideración del autor– son parte de la Formación Tarango, del Plioceno medio y superior, y esta descansa sobre la Sierra de las Cruces del Plioceno inferior. Sin embargo, dado que el origen de las series arcillosas (SAS y SAI) es lacustre y el de los DP es fluvial, aluvial, lacustre o alguna combinación de ellos –es decir, en ambos casos el origen es sedimentario, con edades fluctuantes entre 120,000 a 430,000 años–, no es posible considerar que alguna de estas unidades pertenezca a la Sierra de las Cruces, ya que su origen es volcánico (tobas, lahares, basaltos, riolitas, andesitas, etc.); asimismo, es conveniente destacar que la Sierra de las Cruces ya existía cuando se formaron la SAI y los DP, debido a que su edad oscila entre 2.6 y 5 millones de años.

Otro aspecto por destacar de los DP es que contienen capas cuyo origen es francamente lacustre; en efecto, existen dos capas de arcillas blandas, la primera entre 36 y 45 m de profundidad y la segunda entre 61 y 72 m, cuyas humedades son menores que las de las series arcillosas superiores. Finalmente, los DP están sumergidos y con diferentes niveles de abatimiento en las presiones de poro, mientras que en las tobas del poniente no existe un nivel de aguas freáticas superficial.

En el modelo estratigráfico de Zeevaert (1983) se indica que los DP se componen por depósitos arenolimosos con dos capas arcillosas y los niveles piezométricos ligeramente abatidos. Murillo (1978) divide y detalla aún

más a los DP de la manera siguiente:

• Depósitos Profundos Superiores (DPS). Limos, arenas finas y limosas muy compactas con contenidos de agua cercanos a 50%.

• Tercera Formación Arcillosa (FA-3). Depósitos de arcillas y limos de espesor superior a 6 m con contenidos de agua de 147% en promedio y máximos de 280%.

• Depósitos Profundos Inferiores (DPI). Estratos arenosos, limosos y limoarenosos que en ocasiones contienen arcillas y gravas con un contenido medio de agua del 37%.

• Cuarta Formación Arcillosa (FA-4). Depósitos arcillosos localizados entre 145 y 160 m de profundidad.

Un aspecto importante que resalta Murillo es que en los DP se presenta una cuarta capa de arcilla localizada entre 145 y 160 m de profundidad. La presencia de las capas

Tabla 1. Edades geológicas de las formaciones principales de la CDMX

Era Periodo Época Tiempo (Ma)

Holoceno 0.0117 Costra superficial

Cuaternario

Pleistoceno 2.6

Plioceno 5

Cenozoico

Terciario

Formaciones geológicas y Sierras

F. Becerra (8,000 a 16,000 años; contiene huella de actividad humana, como el hombre de Tepexpan)

F. Tacubaya (30,000 a 45,000 años, con ausencia de vida humana) y F. Noche Buena

Sierra Chichinautzin (inicio del Plioceno), con lo cual el Valle de México se trasformó en cuenca endorreica (700,000 años).

F. Tarango (abanicos volcánicos entrelazados y depositados al pie de las sierras) Grupo de Sierras Mayores (i.e. Sierra de las Cruces y Zempoala, del Pleistoceno inferior)

Mioceno 23 F. Xochitepec (Tepozteco) y F. Xochitepec Grupo de Sierras Menores (Guadalupe, Tepotzotlán, etc.)

Oligoceno 34 Serie Huehuetoca y Grupo Balsas

Eoceno 56 F. El Morro (conglomerados)

Paleoceno 66

Formación Arcillosa Superior

Figura 2. Modelo estratigráfico O-E al centro de la Ciudad de México (Gutiérrez, 1996).

Serie Lacustre Superior

Arcillas poco consolidadas

Capa Dura~120,000 a.c

Serie Lacustre Inferior

Arcillas y arcillas arenosas muy consolidadas año a.c Presente Holoceno ~10,000 años ~28,600 ± 200 años a.c

~270,000 años Coincide con erupciones de arenas azules

A: arcillas

S: paleosuelos

Ar: arenas arcillosas lacustres

E: erupción importante con pómez x

Principio Illin. ~300,000 años a.c

1 Suelos del Holoceno superior

2 Arcillas negras del Holoceno

3 Caliche ~9,000 años

Coincide con erupciones Xolopo ~430,000 años

4 Pómez tripartita del Nevado de Toluca ~11,000 a.c

5 Pómez con andesita del Popocatépetl ~15,000 a.c

6 Ceniza “Negra Durazo” del volcán Santa Catarina ~28,600 a.c

7 Dos erupciones de pómez (30 cm); edad determinada por P. Schaf (2003) ~60,000 a.c ± 5,000

Figura 3. Edades de los depósitos sedimentarios de la Ciudad de México en la Zona del Lago (Santoyo et al. 2005).

arcillosas en los DP y los respectivos abatimientos de las presiones de poro observados refuerzan la idea de que los DP participan en el hundimiento regional.

A partir del modelo de Zeevaert (1983) se han producido diferentes interpretaciones de cortes estratigráficos oeste-

este de la Ciudad de México, como el mostrado en la figura 2, donde se observa que al poniente de la ciudad los DP van disminuyendo de espesor, y se sugiere que debajo de ellos podrían encontrarse las tobas de la Formación Tarango, y hacia el oriente el basamento de los DP está formado por coladas de basalto. Es conveniente recordar que al sur de la Ciudad de México, casi en la frontera entre las zonas del Lago y Lomas, es común encontrar coladas de basalto dentro de las series arcillosas.

Por otra parte, Federico Mooser modificó algunos aspectos del modelo de Zeevaert, proponiendo que la Formación Tarango no se encuentra por debajo de los DP en la Zona del Lago de la ciudad, dadas las edades (figura 3), y que el origen de las series arcillosas y de los DP es lacustre, fluvial o aluvial, y no volcánico.

En la figura 4 se muestra el modelo propuesto por F. Mooser (Santoyo et al. 2005), que se basa en información obtenida de sondeos geotécnicos cortos realizados en toda la ciudad y de los sondeos profundos Roma, Mixhuca y Texcoco (SHCP, 1969). En este perfil estratigráfico se indica que el contacto entre los depósitos sedimentarios de la Ciudad de México y los volcánicos de la Sierra de las Cruces es discordante a través de los suelos de pradera, que son depósitos que se encuentran sobre la Formación Tarango, y que esta última no se encuentra por debajo de los DP (denominados ahora Depósitos Aluviales, DAL), sino que más bien la base de los DP podrían ser los Depósitos Lacustres Taxhimay, los aglomerados del Tepozteco o las lavas y lahares del Tepozteco (Mioceno).

Recientemente, Mooser (2018) presentó un corte estratigráfico que se desarrolla a lo largo de la línea 12 del metro de la CDMX y que se muestra en la figura 5. En este corte, en la Zona del Lago de la Ciudad de México, la Formación Tarango se coloca por debajo de los DP (aquí nombrados Depósitos Arenosos Fluviales, DAF), y los DAF y las series

Capa Dura
Depósitos Profundos Formación Arcillosa Inferior
Capa Arcillosa Profunda
Depósitos profundos aluviales
Basalto

Elevación

¿Qué son los depósitos profundos en la estratigrafía de la cuenca del Valle de México?

1 Suelos de pradera (Qal)

6 y D DP

W E

2 Costra Superficial y relleno

Av. Palmas

Fuente Petróleos

Auditorio Reforma Reforma y Río Tíber

F. Tarango

3 Hundimiento del Templo Mayor 4 SAS 5 SAI P Playas

A Ceniza negra B Ceniza volcánica

C Capa Dura

Zócalo

7 F. Tarango

Proyección horizontal, km

I. Zaragoza y Av. Telecom 2280 2260 2240 2220 2200 2180 2160 2140 Pómez gruesa

Peñón Viejo

Conglomerado Balsas

Vulcanitas del Mioceno

Vulcanitas del Oligoceno Cerro Telapón

Vulcanitas

Figura 4. Propuesta de sección geológica WE (O-E) al centro de la cuenca del Valle de México y detalle de la estratigrafía de la Ciudad de México de F. Mooser (modificación de Santoyo et al., 2005).

arcillosas (SAS y SAI) se encuentran en contacto lateral discordante, en la Zona de Pradera. Al parecer, aún está en discusión qué se encuentra debajo de los DP en la Zona del Lago y si la Formación Tarango o los DP que se indican en la figura 5 están en contacto lateral discordante con las series arcillosas.

CARACTERIZACIÓN GEOMECÁNICA DE LOS DEPÓSITOS PROFUNDOS

A partir de los resultados de las campañas actuales de investigación de los DP (campañas de exploración e instrumentación), el modelo estratigráfico original de la Ciudad de México se transforma en uno más detallado donde se incluye la subdivisión de los DP, es decir: Costra Superficial (CS), Serie Arcillosa Superior (SAS), varias Capas Duras (CD), Serie Arcillosa Inferior (SAI) y los Depósitos Profundos (DP o DAL), que hasta 100 m de profundidad se encuentran subdivididos en:

• Depósitos aluvio y fluviolacustres, formados por arenas arcillosas (DP-AF1 y 2).

• Series arcillosas profundas, constituidas por arcillas lacustres (DP-SAP1 y 2).

• Depósitos aluvio y fluviolacustres formados por arenas arcillosas lacustres (DP-AF3 y 4).

En la figura 6 se presenta un corte estratigráfico poniente-oriente que va desde la Estela de Luz (cerca del cerro de Chapultepec) hasta la glorieta Colón, con una longitud de 2.5 km, y que se localiza en la Zona del Lago de la Ciudad de México. En este corte también se muestra la variación con la profundidad de la presión de poro medida con piezoconos y con piezómetros eléctricos, así como la presión hidrostática de referencia, que en este caso particular inicia donde se midió el NAF (inicialmente la hidrostática empezaba algunos metros por arriba del nivel del terreno debido a la existencia del lago).

❘ ¿Qué son los depósitos profundos en la estratigrafía de la cuenca del Valle de México?

Poniente

Mixcoac Insurgentes Sur 20 de Noviembre Zapata Parque Los Venados Eje Central Ermita Mexicaltzingo Atlalilco

Perfil del terreno natural

Las Lomas Praderas

Isla Mexicaltzingo

Serie Arcillosa Superior

Capa Dura Serie Arcillosa Inferior

Suelos limosos Depósitos Arenosos Fluviales

Formación Tarango

Planicie lacustre

Flanco Cerro de la Estrella

Figura 5. Corte estratigráfico a lo largo de la Línea 12 del metro de la Ciudad de México, entre las estaciones Mixcoac y Atlalilco (Mooser, 2018).

Poniente Oriente

Estela de Luz Diana Cazadora Río Volga Reforma Glorieta Colón

* Las profundidades están referidas aproximadamente al nivel promedio de la superficie del terreno sobre la Av. Reforma en el tramo indicado

Figura 6. Corte estratigráfico Poniente-Oriente a lo largo de la Av. Reforma en la Ciudad de México.

Con base en la figura 6, surgen los siguientes comentarios:

• Heterogeneidad. Si bien se aprecia homogeneidad vertical y lateral en cada una de las unidades de DAL (o DP), esto es aparente, pues cada una de las capas DP-AF 1 a 4 presenta una interestratificación importante entre lentes duros y suaves, como se aprecia en la variación del número de golpes.

• Abatimiento de las presiones de poro. Se distingue claramente el abatimiento de las presiones de poro, tanto en los DAS, incluyendo la CD (SAS, CD y SAI) como en los DP (DP-AF 1 a 5 y DP-SAP), y estos abatimientos crecen

hacia el poniente. En los depósitos arcillosos el abatimiento es variable y en general se observan presiones nulas en los lentes arenosos. A partir de los DP, las presiones de poro crecen linealmente desde cero con una tendencia paralela a la hidrostática que se indica en la figura.

• Propiedades mecánicas. Se realizaron mediciones de las propiedades mecánicas principales en los DP utilizando el presiómetro (PMT) y el ficómetro (PHI) en estratos duros, y piezoconos (sCPTu), dilatómetros (sDMT) y pruebas de laboratorio rutinarias en estratos suaves. Los valores

Tabla 2. Valores promedio de las propiedades mecánicas de los DP Estrato Eu (kN/m2) cu (kN/m2) ϕ (°) Vs (m/s)

Duros DP-1 y 2

Suaves

a 30,000

y 4

DP: Depósito Profundo, SAP: Serie Arcillosa Profunda, Eu: módulo de elasticidad no drenado, cu: cohesión no drenada, ϕ: ángulo de fricción interna y Vs: velocidad de onda cortante.

promedio obtenidos, que son representativos de cada una de las unidades, se indican en la tabla 2.

• Esfuerzo cortante resistente. Se observa en los depósitos duros que los esfuerzos cortantes resistentes son altos, mayores para las unidades DP-3 y DP-4. Los estratos suaves también tienen valores altos de cohesión. Es importante comentar que, si bien son valores altos, el agrietamiento que existe en estas unidades hace que estos valores en la práctica tiendan a ser menores. En efecto, en los barrenos de perforación y en las excavaciones que se han realizado para la construcción de las pilas y barretes es frecuente que las paredes sean inestables, lo que conduce al empleo de fluidos de estabilización, como lodos de bentonita o de polímero.

• Velocidades de onda cortante. Los valores de la velocidad de onda cortante para los DP se ubican en el intervalo de 200 m/s ≤ Vs,DP ≤ 600 m/s, con un valor promedio de V s,DP-prom = 350 m/s. Comparando estos valores con los de las series arcillosas (60 m/s ≤ Vs,SAS-SAI ≤ 120 m/s y valor promedio de Vs,SAS-SAI-prom = 80 m/s) y con la Formación Tarango (320 m/s ≤ V s,Tarango ≤ 850 m/s y V s,Tarango-prom = 500 m/s), se puede comentar lo siguiente:

– Las velocidades de los DP son mayores que las de las series arcillosas, pero menores que las de la Formación Tarango.

– El valor promedio de la velocidad cortante en los DP es menor de 720 m/s, por lo que estrictamente no podría considerarse que los DP sean el basamento sísmico de la Ciudad de México; sin embargo, el valor promedio de la Formación Tarango, donde prácticamente no existen efectos de sitio y se considera como terreno firme, también es menor de 720 m/s, por lo que cabalmente tampoco se cumple con el criterio de terreno firme o basamento. Lo anterior sugiere que el valor límite de 720 m/s debería ser menor para la Ciudad de México, por ejemplo, 350 m/s. Por tanto, resulta conveniente llevar a cabo una discusión más amplia sobre la frontera del basamento sísmico.

• Hundimiento regional. En mediciones del hundimiento regional a diferentes profundidades en la Catedral Metropolitana (Santoyo et al., 2005) se determina que la participación de los DP en el hundimiento regional fluctúa entre el 32 y el 38% del observado en superficie.

IMPACTO EN EL DISEÑO Y PROCESO CONSTRUCTIVO DE LAS CIMENTACIONES PROFUNDAS

Si bien la resistencia y deformabilidad en los DP y la Formación Tarango son sustancialmente mejores que las de los depó-

sitos lacustres superiores (SAS y SAI), se ha observado que en los DP pueden presentarse problemas durante la construcción de las cimentaciones profundas (pilas o barretes), y esto repercutir en una reducción importante de su capacidad de carga.

Las soluciones de cimentación de edificios muy altos en los DP y en la Formación Tarango se limitan al empleo de pilas o barretes, debido a la imposibilidad de hincar un pilote. Durante la construcción de estos elementos en el centro de la Ciudad de México suelen presentarse problemas de estabilidad de las paredes de la excavación, por lo que es necesario emplear lodos, ya sea de bentonita o poliméricos, pero, debido al preagrietamiento existente en estos materiales, se producen fugas de importancia de los lodos de perforación, ya sea por la reactivación del agrietamiento o porque se produjo el fracturamiento hidráulico. Igualmente, durante el colado de las pilas se presentan fugas del concreto. Para resolver esta problemática, actualmente se llevan a cabo –de manera previa a la construcción de la cimentación– campañas de mejoramiento del subsuelo, principalmente con inyecciones de lechadas de cemento-arena. Debido a la alteración generada en las paredes de las excavaciones por el empleo de lodos durante la construcción de las pilas o barretes (ya sea por una penetración importante del lodo en el suelo o por la falla local de las paredes de las excavaciones), ha sido difícil alcanzar los esfuerzos teóricos resistentes por fuste y punta de la cimentación profunda (fs y σp, respectivamente), que teóricamente deberían obtenerse al considerar los parámetros mecánicos medidos en los DP (tabla 2). Este aspecto constructivo es crítico en el caso de las cimentaciones profundas ubicadas en los DP, ya que es común que los valores de resistencia del fuste y punta medidos en pruebas de carga sean sustancialmente menores, del orden de 36 ≤ fs ≤ 150 kN/m2 y 2,000 ≤ σp ≤ 12,000 kN/m2

En la figura 7 se presentan los resultados de pruebas de carga de pilas de 1 m de diámetro (excepto la prueba con línea de color negro, que fue de 1.2 m, y la amarilla, de 0.8 m) llevadas a cabo en DP y en la Formación Tarango. Obsérvese que en las pruebas de carga realizadas en los DP se generan deformaciones mayores, así como una capacidad de carga menor, lo que sugiere que las propiedades mecánicas de los DP son bajas, y menores a las que se pueden obtener al utilizar las propiedades indicadas en la tabla 2, pero en realidad lo que sucede es que en los DP el procedimiento constructivo de las cimentaciones profundas se dificulta a profundidades mayores de 50 m, debido a que se afecta el mecanismo de transferencia de carga de la pila al suelo, principalmente por la alteración generada en la resistencia cortante por fuste (fs) y en el esfuerzo

Centro Bancomer

Miyana, Cervantes y Antara H265, R432 y Torre Bancomer

Lafragua Zócalo Fuente Petróleos Auditorio Reforma Reforma y Río Tíber Pómez gruesa Turbas Pómez gruesa Elevación (m)

Formación Tarango Depósitos profundos

I. Zaragoza y Av. Telecom

Carga (t)

Le=22 m Df=50 m D=1 m Le=22 m Df=70 m D=1 m Le=1 m Df=65 m D=1 m

Le=38.6 m Df=65 m D=1 m

Le=38.6 m Df=65 m D=1 m Le=55 m Df=55 m D=1 m

Le=30.5 m Df=55 m D=1 m

Le=23.8 m Df=53.8 m D=0.8 m

Le=23.8 m Df=53.8 m D=1.2 m

rango, pero en una escala menor, pues generalmente la excavación se hace en seco y se tienen problemas mínimos de inestabilidad en las paredes.

CONCLUSIONES

Figura 7. Pruebas de carga realizadas en pilas localizadas en los DP y en la Formación Tarango. Las pilas fueron de 1 m de diámetro, excepto la indicada con línea negra, de 1.2 m, y la amarilla de 0.8 m.

máximo de la punta (σp), como previamente se mencionó. En efecto, a tales profundidades la presencia del agrietamiento del depósito y las condiciones de saturación de los estratos hacen necesario emplear lodos para estabilizar las paredes de la excavación, particularmente los de bentonita, dependiendo del tiempo que esté expuesto este lodo a las paredes del suelo. Para pilas a profundidades mayores de 50 m este tiempo se incrementa de manera importante; llega a ser del orden de días. A mayor tiempo de exposición del lodo en las paredes de la excavación, mayor será su penetración en el suelo de las paredes, que formará un mayor espesor de enjarre, o cake; ocasionará una disminución importante del esfuerzo resistente por fricción (fs) y por consiguiente el descenso de la capacidad por fuste de la pila. Asimismo, para la punta de la pila es común que se generen azolves de importancia en la base de la excavación, aun después de haber teóricamente limpiado de forma adecuada el fondo de la excavación, por lo que se producirá una reducción de la capacidad por punta de la pila. En estas condiciones inadecuadas para el trabajo por punta de la pila, la solución más común ha sido llevar a cabo una postinyección de la punta, y así eliminar este defecto, al menos parcialmente. Todo lo anterior también puede ocurrir en la Formación Ta-

Los DP son aquellas capas que se localizan en las zonas del Lago y de Transición de la Ciudad de México por debajo de la SAI y que presentan una alta resistencia y baja deformabilidad. Están constituidos por suelos granulares, principalmente arenolimosos con o sin gravas, intercalados con estratos de arcilla o limo, y en general están afectados por agrietamiento y son heterogéneos tanto lateralmente como a profundidad. Se observan reducciones importantes en la presión de poro, pues inicialmente su nivel del agua coincidía con el de la superficie del terreno, pero actualmente este nivel ha descendido a la parte superior del depósito. Anteriormente se consideraba que los DP eran una continuación de la Formación Tarango, pero esta última es de origen volcánico, mientras que los DP son de origen sedimentario. Las diferencias están no solo en el origen de estas unidades sino también en que los DP tienen menor rigidez y resistencia; asimismo, presentan mayor inestabilidad al ser excavados, y en general la capacidad de carga de las cimentaciones profundas es menor y se producen mayores deformaciones. Los DP participan con entre el 32 y el 38% del hundimiento regional de la Ciudad de México, y si bien su velocidad de onda cortante es menor de 720 m/s, pueden considerarse, para fines prácticos, el basamento sísmico de la ciudad

Referencias

Castillo M., R. (1978). El subsuelo y la ingeniería de cimentaciones en el área urbana del Valle de México. Cap. 3. México: SMMS.

Gutiérrez, C. (1996). Comunicación personal.

Mooser, F. (2018). Geología del valle y otras regiones del país. Vol. I. México: Colegio de Ingenieros Civiles de México.

Murillo F., R. (1978). El subsuelo y la ingeniería de cimentaciones en el área urbana del Valle de México. Cap. 4, Ex-Lago de Texcoco. México: SMMS.

Santoyo, E., et al. (2005). Síntesis geotécnica de la cuenca del Valle de México. México: TGC.

Secretaría de Hacienda y Crédito Público, SHCP (1969). El hundimiento de la Ciudad de México. Vol. Nabor Carrillo. México.

Zeevaert, L. (1983). Foundation engineering for difficult subsoil conditions. Van Nostrand Reinhold.

Apreciamos su opinión e información sobre el tema de este artículo. Escríbanos a helios@heliosmx.org

El silbido del arquero

Cultura Cartelera

Irene Vallejo, Random House

Esta novela (publicada originalmente en 2015) se mueve entre la historia y la leyenda. Los personajes principales son conocidos: por un lado está Eneas; por el otro, el poeta Virgilio; también Eros y la reina Elisa. El héroe troyano parte de su ciudad tras la derrota con algunos de los suyos y naufraga ante Cartago, donde es recibido por la reina Elisa, y empieza a entrever que la profecía que le habían vaticinado (la fundación de la estirpe romana) empieza a cumplirse.

Ya del lado de la historia, siglos después el emperador Augusto le encarga al poeta Virgilio que retome aquella historia para celebrar el imperio.

El silbido del arquero apuesta a reconocer que en esa doble historia de la Antigüedad –centrada en varios personajes, incluidos los femeninos– se esconden conflictos arquetípicos, en los que cualquier lector puede seguir reconociéndose.

El nombre de la obra alude al sonido de las flechas: las de la guerra y las lanzadas por Eros, las del amor

Temporada de verano

La Orquesta Sinfónica de Minería iniciará su temporada de verano el próximo sábado 6 de julio. Ofrecerá funciones durante ocho fines de semana, terminando el domingo 24 de agosto.

El programa incluye obras de Rachmaninoff, Debussy, Ravel, Haydn, Mozart, Shostakóvich, Sibelius, Revueltas, Beethoven, Mahler y Brahms, entre otros.

Las interpretaciones estarán a cargo de Inbal Segev al chelo; Agustin Hadelich, Anne Akiko Meyers y Vadim Gluzman al violín; Timothy McAllister al saxofón, Pacho Flores a la trompeta y Anne-Marie McDermott al piano.

El Concierto de Gala se llevará a cabo en cinco fechas, del 28 de agosto al 1 de septiembre, para presentar Till Eulenspiegel, de Johann Strauss, y Carmina Burana, de Carl Orff, con la participación de la soprano Anabel de la Mora, el tenor Carlos Velázquez y el barítono Hugh Russell, con el Coro de la Orquesta Sinfónica de Minería.

Carlos Miguel Prieto será el director artístico y José Luis Gómez Ríos el director huésped

Sala Nezahualcóyotl, Centro Cultural Universitario. Av. Insurgentes Sur 3000, Coyoacán, Ciudad de México Del 6 de julio al 24 de agosto. mineria.org.mx/conciertos/abonotv2024/

Ir a TexTo CorrIdo
Ir a TexTo CorrIdo

Conflictos en el subsuelo

En las ciudades, especialmente en las grandes urbes como la Ciudad de México, es cada vez más amplio el uso que se hace del espacio del subsuelo. Se emplea para colocar infraestructura municipal (agua, electricidad, teléfono, gas, comunicaciones en general, etc.), de transporte (metro), el drenaje mayor, túneles para ferrocarril o carreteras, estacionamientos, cimentaciones de edificios y anclas en excavaciones profundas. En algunos lugares ya se ha saturado el espacio. Su uso se vuelve cada vez más conflictivo (Jaime, 2004). En esta nota se describen algunos conflictos que se han reportado, durante la construcción, entre diferentes elementos instalados en el subsuelo.

Una visión general típica del uso del espacio subterráneo urbano se muestra en la figura 1. Se observa que se definen profundidades en función del tipo de suelo y roca encontrados, y la posibilidad de cimentar edificios y otras estructuras.

CONFLICTOS CON INSTALACIONES SUBTERRÁNEAS

En el decenio de 1980, durante la construcción de la torre

El Caballito, se suspendieron los trabajos de hincado de pilotes hasta que se revisó la afectación de estos elementos sobre el Drenaje Profundo. En esta misma década, también durante el hincado de pilotes para un edificio en Paseo de la Reforma, se dañaron más de 13,000 líneas telefónicas cuya localización no estaba precisada en planos.

En 2011, durante la construcción de pilas de cimentación en la zona de Ecatepec, Estado de México, se reportó la perforación de una línea de gas natural, cuyo trazo se modificó sin haberse plasmado en planos definitivos.

Tomando en cuenta la profundidad, relativamente pequeña, de la ubicación de estas instalaciones subterráneas, sería factible detectarlas con ayuda de técnicas de exploración como el radar de penetración terrestre, que llega a tener un alcance de hasta 9 m de profundidad.

CONFLICTOS TÚNEL-CIMENTACIÓN PROFUNDA

Se han reportado evidencias de diversos conflictos de este tipo, como la perforación de pilotes con máquinas tuneladoras o la interferencia de cimentaciones profundas con túneles.

Propiedad privada Vía pública

Avenida Parques

Alineamiento

Nivel de suelo Edificios

Servicios municipales

Centro comercial estacionamientos

Metro Calles Infraestructura mayor*

–5 ~ 10m

Drenaje

Metro Calles

Drenaje

–50m

Pilas o pilotes

Pilas o pilotes

*Subestaciones de potencia, plantas de bombeo, plantas de generación de electricidad

Figura 1. Zonificación para usos del suelo (Jaime, 2004).

Un caso fue la construcción en la Ciudad de México de un edificio habitacional de 12 niveles, planta baja y dos sótanos, ubicado en la calle Arquímedes, en la colonia Polanco. La cimentación consistió en pilas de 80 cm y 100 cm de diámetro (figura 2); en el eje paralelo y adyacente a la calle Arquímedes, la profundidad de desplante de las pilas era de 32 m. Al perforar uno de estos elementos, se encontró un obstáculo en la cota –27 m a partir del nivel de banqueta, por lo que se suspendió la perforación y se rellenó con suelo-cemento, con el propósito de que no quedara abierta mientras

Edificios

se revisaba la información contenida en la exploración geotécnica. Se decidió realizar otra perforación sobre el mismo eje, en el trazo más alejado a la perforación rellenada, pero no fue posible avanzar por encontrarse otro obstáculo en la misma profundidad, por lo que se rellenó con el mismo criterio. Después de revisar la información disponible e identificar que los obstáculos encontrados eran muy resistentes y no se desplazaban en ninguna dirección con diferentes herramientas de perforación, se concluyó que lo que se intentaba atravesar era la bóveda de la línea 7 del metro –recuérdese que es la línea más profunda del metro de la Ciudad de México–, cota que coincidía exactamente con los 27 m alcanzados en los dos trazos mencionados. Se resolvió la cimentación recortando la longitud de las pilas del eje adyacente a la calle Arquímedes a 20 m de profundidad y construyendo pilas adicionales en el siguiente eje con una profundidad de 26 m.

Esta situación no es exclusiva de la Ciudad de México: el 19 de enero de 2024, en la ciudad de Estambul, Turquía, se detectó la perforación de la línea del metro MecidiyeköyAeropuerto. La perforadora atravesó el techo del túnel y dañó las vías del tren (figura 3). El sistema de trenes turco detectó de inmediato el incidente y detuvo el tráfico de todos los trenes, con lo que evitó un accidente.

Recientemente, Uribe (2024) señaló una filtración y afectación a la bóveda del túnel de la línea 12 del metro (figura 4). En primera instancia, se determinó que esto se debió a la perforación de pilas de cimentación que se efectuaba en una obra ubicada arriba del trazo del túnel.

CONFLICTOS CON ANCLAS

Este tema ha sido tratado anteriormente (Cuevas y Paniagua, 2022) y se ejemplifica en la figura 5. Un aspecto que conviene destacar es la profundidad de excavaciones que se estabilizan con este sistema, que alcanzan a la fecha hasta 54.5 m en la Ciudad de México. Los principales conflictos son:

• Instalación de anclas sin la verificación de colindancias, lo que ha provocado la perforación de sótanos u otras instalaciones vecinas (figura 6).

• Excavación de sitios en los que se instalaron anclas previamente; esta situación se complica si las anclas no fueron desconectadas previamente (figura 7).

En un estudio realizado por la Asociación Internacional de Túneles (ITA, 1990), se obtuvo como resultado que internacionalmente se distinguen cuatro modalidades de propiedad del subsuelo: 1) no hay propiedad privada de la tierra; 2) la propiedad del terreno incluye hasta una profundidad limitada (por ejemplo, en Finlandia, 6 m; 3) la propiedad del

terreno incluye hasta una profundidad de interés razonable (en la práctica, es el caso de México); y 4) la propiedad del terreno abarca hasta el centro de la Tierra (como es el caso en Turquía).

En la Ciudad de México, en el artículo 172 de la RCDF (Gaceta Oficial, 2022) se indica: “Deben investigarse el tipo y las condiciones de cimentación de las edificaciones colindantes en materia de estabilidad, hundimientos, emersiones, agrietamientos del suelo y desplomos, y tomarse en cuenta en el diseño y construcción de la cimentación en proyecto. Asimismo, se investigarán la localización y las características de las obras subterráneas cercanas, existentes o proyectadas, pertenecientes al Sistema de Transporte Colectivo, de drenaje y de otros servicios públicos, con objeto de verificar que la edificación no

Figura 2. Corte con la profundidad de desplante de las pilas y la calle Arquímedes.
Figura 3. Perforación de un túnel en Estambul (Akbar, 2024).
Figura 4. Filtraciones hacia el túnel de la línea 12 del metro (Uribe, 2024).

Muros de contención

Vía pública o terreno vecino Anclas

Anclas

Estabilización de laderas naturales o cortes

Vía pública o terreno vecino

Vía pública o terreno vecino

Anclas Excavación profunda

Túnel

Anclas

Figura 5. Uso de anclas en excavaciones, obras subterráneas y elementos de soporte (Jaime, 2004).

Figura 6. Corte que muestra la problemática presentada; una vista general del sitio del proyecto (Cuevas y Paniagua, 2022).

Figura 7. Anclas de cable de presfuerzo de vecinos, encontradas durante la excavación de un muro Milán y durante la perforación de pilas de cimentación.

cause daños a tales instalaciones ni sea afectada por ellas”. Es necesario que las disposiciones de este artículo se apliquen estrictamente, para evitar los problemas arriba descritos.

COMENTARIOS FINALES

A veces se modifican los proyectos durante la excavación o construcción de la cimentación porque se encuentran estructuras enterradas, como fosas sépticas (ocasionalmente del vecino), depósitos de combustibles y aceites, anclas o infraestructura municipal. O bien, algún amigo o funcionario se acuerda de que por debajo del terreno pasa algún colector profundo, tubería u otra obra y recomienda preverlo en el diseño. Cuando se está muy cerca de alguna instalación subterránea mayor del tipo del metro, pasos a desnivel, sifones, acueductos, gasoductos y otras similares, se tienen que tomar las previsiones necesarias para no afectarlas (Jaime, 2004). El uso del espacio del subsuelo es un aspecto que no está regulado en la legislación mexicana, por lo que los conflictos descritos en este trabajo son frecuentes.

Sin embargo, muchos de estos problemas podrían evitarse con algunas acciones, como la realización de planos as-built para entregarlos a las autoridades competentes, aplicando lo señalado en el artículo 172 del RCDF, y revisar la localización de estructuras subterráneas. Finalmente, es deseable recurrir al buen juicio ingenieril para acotar la problemática y evitar estas situaciones o resolverlas con el menor perjuicio posible

Referencias

Akbar, A. (2024). Foundation rig drills into subway line in Turkey. www. geoprac.net.

Cuevas, A., y W. Paniagua (2022). Uso y abuso de anclas postensadas en zonas urbanas. Geotecnia 262. Sociedad Mexicana de Ingeniería Geotécnica.

International Tunnelling Association, ITA (1990). Legal and administrative issues in underground space use: a preliminary survey of member nations of the ITA. Tunnelling and Underground Space Technology 6 (2). Jaime, A. (2004). El uso del espacio del subsuelo. Serie Investigación y Desarrollo 643. México: Instituto de Ingeniería, UNAM.

Gaceta Oficial de la Ciudad de México (2022). Reglamento de Construcciones para el Distrito Federal, RCDF.

Uribe, B. (2024). Se filtra cemento de obra a Línea 12 del Metro. Reforma: 14 de marzo.

Apreciamos su opinión e información sobre el tema de este artículo. Escríbanos a helios@heliosmx.org

TESIS

Estudio de una metodología para la deconvolución de señales sísmicas en materiales elastoplásticos

Tesis de Eduardo Daniel Hernández Tiempo

Para obtener el grado de maestro en Ingeniería Programa de Maestría y Doctorado en Ingeniería.

Universidad Nacional Autónoma de México.

Tutor: Miguel Ángel Mánica Malcom

Al realizar análisis numéricos de interacción dinámica suelo-estructura, por ejemplo con el método de elementos finitos, el movimiento de entrada debe prescribirse en la base del modelo. Sin embargo, los registros de aceleraciones o los espectros de diseño se definen en la superficie y, por lo tanto, el movimiento debe deconvolverse a la profundidad requerida. En presencia de un suelo no lineal, esta deconvolución se realiza, generalmente, resolviendo la propagación unidimensional elástica de ondas de corte en el dominio de la frecuencia; la no linealidad se considera mediante el método lineal equivalente, donde la rigidez y el amortiguamiento se modifican iterativamente como función

del nivel de deformación. Sin embargo, si en el análisis de interacción dinámica pretendido se utiliza un modelo constitutivo complejo, el movimiento definido en superficie no se recupera mediante la propagación en campo libre de la señal a través del modelo numérico, debido a los muy diferentes enfoques utilizados para describir el comportamiento no lineal del suelo en el análisis numérico y en el proceso de deconvolución. En este contexto, el presente trabajo estudia un procedimiento iterativo para la deconvolución de señales sísmicas en el dominio de tiempo que permite el uso de modelos elastoplásticos complejos. Dicho procedimiento se emplea en diferentes escenarios, mediante el código de elementos finitos Plaxis2D, con el objetivo de validar su aplicabilidad y estudiar diferentes aspectos respecto a su uso. Asimismo, se emplea en un caso de estudio para generar el movimiento de entrada en un depósito de suelo durante el sismo de Loma Prieta de 1989. Los resultados obtenidos proporcionan información relevante respecto al uso y desempeño del procedimiento de deconvolución estudiado

Ir a TexTo CorrIdo

Consultor holístico en infraestructura del transporte y gestor de su conocimiento.

Retrocálculo de deformaciones unitarias en pavimentos con redes neuronales artificiales

Resumen ejecutivo

El objetivo de este trabajo es demostrar que es posible retrocalcular las deformaciones unitarias críticas en una sección de pavimento a partir de las mediciones usuales de deflexiones que se realizan periódicamente en la red carretera, mediante la utilización de un modelo de red neuronal artificial, sin necesidad de conocer los espesores de las capas constituyentes.

Uno de los problemas actuales al intentar evaluar la capacidad estructural de los pavimentos existentes es el cálculo inverso, o retrocálculo, de los módulos de cada capa de la estructura, a partir de las mediciones de deflexiones verticales en superficie bajo el impacto de un cierto nivel de carga. El procedimiento habitual del retrocálculo requiere un conocimiento previo de los espesores y encuentra dificultades de interpretación, ya que no hay una solución única de los módulos y espesores correspondientes a cada cuenca de deflexión y existe el efecto de la temperatura del pavimento en el momento de la medición y aspectos de comportamiento no lineal en los suelos y materiales granulares compactados. Una vez determinados estos módulos, se utilizan métodos mecanicistas para calcular las deformaciones unitarias críticas y evaluar la vida remanente.

La idea que aquí se expone consiste en afirmar que la cuenca de deflexión es una respuesta del pavimento en su conjunto, incluyendo espesores y módulos, y que es posible retrocalcular directamente las deformaciones unitarias

críticas mediante algoritmos basados en redes neuronales artificiales (RNA) sin necesidad de conocer los espesores.

Para demostrar lo anterior, se propone generar una base de datos calculando, con un software de elasticidad multicapa, deflexiones y deformaciones críticas para un modelo estructural de tres capas con un amplio rango de variación en espesores y módulos, y entrenar una red neuronal utilizando uno de los muchos softwares de ciencia de datos disponibles actualmente en el mercado.

El trabajo centra su análisis en cómo la ciencia de datos actual, especialmente los algoritmos basados en redes neuronales artificiales, pueden cambiar la forma de plantear los problemas relacionados con los pavimentos, y así encontrar nuevas soluciones a viejos problemas que pueden cambiar algunos aspectos de la práctica actual.

En el caso del problema planteado, imaginar que podemos retrocalcular deformaciones unitarias y no módulos –ya que esas deformaciones son las respuestas que realmente nos interesan del sistema estructural– y sin necesidad de conocer espesores nos permitiría buscar nuevas

formas de realizar nuestras evaluaciones de capacidad estructural en las redes carreteras.

También es preciso argumentar que ya existen herramientas de ciencia de datos que se pueden utilizar inmediatamente sin necesidad de ser especialistas en ello, y que lo único que se requiere, como hacemos con cualquier herramienta nueva en el campo de la ingeniería, es aprender, entender su esencia y empezar a utilizarla de la mejor manera.

EL INGENIERO Y LOS MÉTODOS DE SOLUCIÓN DE PROBLEMAS

Es necesario destacar que hoy en día los ingenieros contamos con la ciencia de datos como uno de los métodos posibles para encontrar soluciones a los problemas que se encuentran habitualmente.

Históricamente hemos tenido métodos analíticos, cuando ha sido posible, y en las últimas décadas métodos numéricos para la solución de sistemas de ecuaciones diferenciales parciales con condiciones de frontera, utilizando elementos finitos o elementos de frontera en problemas formulados con la mecánica del medio continuo, o métodos basados en la mecánica de medios discretos más adecuados para medios particulares, como un medio granular. También existen métodos de modelación física, como cuando estudiamos pequeños modelos en una centrífuga donde los niveles de esfuerzo se ajustan artificialmente mediante la imposición de aceleraciones superiores a la de la gravedad, o cuando mediante análisis dimensional estudiamos modelos reducidos de estructuras portuarias sometidas a la acción del oleaje.

Las soluciones basadas en redes neuronales artificiales no pertenecen a ninguna de estas categorías, aunque pueden obtener y utilizar datos de todas ellas –que es su entrada de trabajo, los datos– y pueden presentarse al final como sofisticadas ecuaciones algebraicas obtenidas mediante procesos iterativos con algoritmos muy particulares.

Al basarse en datos, y estar en cierto modo libres de cualquier sesgo teórico que pudiéramos tener, nos ofrecen una oportunidad única de abordar de forma diferente, y a veces atrevida, los problemas de ingeniería de pavimentos que nos interesan.

PLANTEAMIENTO DEL PROBLEMA

Lo anterior puede ilustrarse con un problema clásico de la ingeniería de firmes actual: el retrocálculo de los módulos de la sección estructural de un pavimento.

El planteamiento del problema es básico: conociendo los valores de las deflexiones en determinados puntos de la superficie del pavimento que se producen al aplicar una carga, deducir –lo llamamos retrocalcular– los módulos elásticos de cada capa conociendo previamente sus espesores. Una vez determinados estos módulos con la precisión adecuada, deberíamos ser capaces de realizar análisis mecanísticos y calcular las deformaciones críticas para nuestros cálculos de vida remanente en términos de fatiga y deformación permanente, entre otros tipos de deterioro.

Las tecnologías para medir estas deflexiones han evolucionado con el tiempo, desde la viga Benkelman hasta el deflectómetro de impacto actual y los nuevos deflectómetros de alta velocidad, pasando por el uso de técnicas no destructivas basadas en el radar de penetración en el suelo para la determinación de los espesores de las capas.

Los algoritmos para retrocalcular los módulos elásticos también han evolucionado, incluido el uso de algoritmos genéticos. Yo mismo intenté hace 25 años, sin mucho éxito, utilizar una red neuronal para este problema. El planteamiento básico del problema siempre ha sido el mismo.

No obstante, la fiabilidad de los resultados obtenidos depende de que se disponga de buenas estimaciones de los espesores de las capas. Además, dado que un algoritmo de retrocálculo implica la resolución de un problema de optimización no lineal, una determinada respuesta del pavimento puede dar lugar a diferentes soluciones de retrocálculo en función del algoritmo de resolución no lineal y de los valores iniciales de los parámetros.

Por estas razones, a veces puede ser preferible analizar los datos del pavimento utilizando un método de análisis más simple y menos ambiguo. La utilización de índices de deflexión del pavimento ofrece una forma sencilla de analizar los datos del pavimento.

Sin embargo, sigue siendo triste, al menos para quienes gustamos del cálculo mecanicista, tener que conformarnos con el uso de estos índices para el análisis a nivel de red. La cuestión es que las deflexiones son un mal estimador de la capacidad de carga de un pavimento. Todos sabemos que es el campo de deformaciones el que está directamente relacionado con los posibles deterioros que puedan aparecer.

Si este es el caso, tenemos que hacer un esfuerzo para procesar la información disponible sobre deflexiones de formas diferentes y más eficientes para nuestros análisis de vida remanente.

PROPUESTA DE SOLUCIÓN

Fue en este contexto que me llamó la atención un artículo de Nielsen, publicado en 2020, en el que demostraba matemáticamente, mediante transformadas de Henkel, que existía una relación entre los índices basados en las deflexiones –es decir, en última instancia, las deflexiones– y la respuesta de un pavimento en términos de deformaciones.

Estos resultados teóricos son utilizados luego por Gronskov y Nielsen en los retrocálculos de deformaciones en tiempo real que suelen presentarse en los análisis más recientes que utilizan deflectómetros de alta velocidad (TSD).

Se me ocurrió entonces la hipótesis de que si, de alguna manera, la cuenca de deflexión completa representa la respuesta de un pavimento a una carga aplicada… es posible retrocalcular directamente las deformaciones críticas sin necesidad de conocer a priori los módulos de las capas y, sobre todo, sin necesidad de conocer los espesores, utilizando un modelo basado en redes neuronales artificiales.

Valor predicho por la red neuronal para ε rut, en με

y = 0.972x + 18.079

R2 = 0.9735

Valor exacto de εrut, en με

Capacidad de predicción de la red neuronal para la deformación unitaria de compresión en terracerías, εrut.

Entiendo que la idea de dejar de necesitar los espesores de las capas puede resultar incómoda, pero ese es el reto de las nuevas ideas. Con esta idea en mente, construí una pequeña base de datos calculando en secciones teóricas las deformaciones críticas, la deformación a tensión en la capa asfáltica y la deformación a compresión en la parte superior de la subrasante, y como los resultados iniciales eran prometedores, decidí aumentar el tamaño de la base de datos utilizando 7,350 secciones diferentes cambiando los espesores y los módulos de las capas, y obteniendo las deflexiones en 10 puntos de la superficie del firme para una presión de contacto de 700 kPa y un área circular de 30 cm de diámetro.

Procediendo como ingeniero de pavimentos, como usuario de software de ciencia de datos, decidí utilizar software comercial para la creación de un modelo de red neuronal artificial para predecir la deformación crítica a partir del conocimiento de las deflexiones únicamente, sin utilizar los espesores de capa.

El modelo se basa en el método de grupos de tratamiento de datos. Los interesados pueden leer esta referencia de Anastasakis y Mort. El esquema de red neuronal de la figura de esta página es solo conceptual.

Las ecuaciones resultantes del modelo son algebraicas, donde intervienen términos con productos entre los valores de deflexión y sus raíces cúbicas.

No voy a detallar más la arquitectura de la red neuronal y me centraré en los resultados.

RESULTADOS CLAVE

En la figura se puede ver el alto nivel de correlación obtenido entre los valores calculados en la base de datos y los predi-

chos por el modelo RNA para la deformación a compresión en la subrasante, útil para la estimación de deformaciones permanentes o ahuellamiento. Algo similar se obtuvo para las deformaciones de tensión.

CONCLUSIONES

Se ha demostrado que es posible retrocalcular las deformaciones unitarias críticas en una sección de pavimento a partir de las mediciones usuales de deflexiones que se realizan periódicamente en la red carretera, sin necesidad de conocer los espesores de las capas constituyentes.

El objetivo del trabajo que aquí se presenta es ilustrar la forma en que se pueden resolver los problemas diarios de ingeniería utilizando métodos de solución actuales, como son las redes neuronales artificiales.

Como se mencionó en la introducción, el análisis se centró en cómo la ciencia de datos actual, especialmente los algoritmos basados en redes neuronales artificiales, puede cambiar la forma de plantear los problemas relacionados con los pavimentos, y así encontrar nuevas soluciones a viejos problemas que pueden cambiar algunos aspectos de la práctica actual.

Las soluciones a los problemas de ingeniería no son únicas, como tampoco lo son los métodos de solución

Puede consultar el artículo completo en la siguiente liga: https://www. smig.org.mx/biblioteca-digital/busqueda.php?avanzada=0&where0=&keyword-0=Retroc%C3%A1lculo+de+deformaciones+en+pavimen tos+con+un+modelo+de+redes+neuronales+artificiales

Apreciamos su opinión e información sobre el tema de este artículo. Escríbanos a helios@heliosmx.org

Doctorado honoris causa al profesor Enrique Tamez González

El pasado 22 de febrero se llevó a cabo la sesión solemne del H. Consejo Universitario de la Universidad Autónoma de Chapingo para la entrega de distinciones de profesor emérito, agrónomo ilustre y doctor honoris causa. En la ceremonia, que se desarrolló en el auditorio Álvaro Carrillo de la Universidad Autónoma de Chapingo, se otorgó post mortem la distinción de doctor honoris causa a Enrique Álvaro Tamez González “por su destacada contribución en el diseño y operación de presas y bordos de tierra para el almacenamiento y aprovechamiento del agua, en la elaboración de metodologías para los levantamientos fotogramétricos, por sus aportes a la teoría y práctica en ingeniería civil a nivel nacional e internacional, así como en la formación de recursos humanos” (Acuerdo No. 1226-3).

El doctorado honoris causa fue recibido por Enrique Adrián Tamez Rodríguez, hijo del ilustre profesor. Esta es la máxima distinción académica que otorga la Universidad Autónoma de Chapingo por la destacada trayectoria y aportaciones a la socie-

dad en los ámbitos académico, científico, profesional, cultural y humanista, en concordancia con los valores de esta honorable institución, a todos aquellos que hacen suyos la superación y características positivas del ser humano

Día Internacional de la Mujer Métodos geotécnicos de exploración de campo

En el marco de la conmemoración del Día Internacional de la Mujer, el 8 de marzo la SMIG llevó a cabo el curso “Métodos geotécnicos en exploración de campo”, impartido en su mayoría por jóvenes ingenieras de la práctica que compartieron sus conocimientos y experiencias en la ejecución e interpretación de pruebas de campo orientadas a la caracterización geotécnica. El curso, que tuvo formato híbrido, congregó a 30 ingenieras en la sede de la SMIG, provenientes de Campeche, Puebla, Ciudad de México y alrededores; además, vía remota se sumaron 252 participantes de Perú, España y el resto de la República mexicana. Natalia Parra, vicepresidenta de la SMIG, coordinó y moderó esta iniciativa, la

La SMIG continuará promoviendo la equidad de género en la práctica profesional de nuestro gremio otorgando a nuestras ingenieras más herramientas de conocimiento y espacios de crecimiento técnico que les permitan ser más competitivas en el ejercicio de la profesión.

cual contó con el apoyo y patrocinio de las empresas Cimentec, IEC, ALFO, Geotest y AI México, a las cuales la SMIG agradece su compromiso con las ingenieras mexicanas. La inauguración estuvo a cargo de Ricardo Ortiz Hermosillo, presidente de la SMIG. En la primera parte del curso, Griselda Rodríguez López habló sobre la preparación y desarrollo de un programa de exploración y muestreo con fines de caracterizar geotécnicamente el sitio de un proyecto. Luego, Jessica Alhelí Macedo

Tapia, Daniela Izel Mendoza Merino y Frida Itzel Calzada Silva, además de José Carlos Pérez Cano, explicaron con detalle aspectos relevantes de la extracción de muestras de suelo y de las pruebas de campo más empleadas en la práctica mexicana, como la penetración estándar, el piezocono, el piezocono sísmico, el phicómetro, el presiómetro de Menard, el cono dinámico de energía variable (PANDA), el dilatómetro de Marchetti, la veleta y pruebas de permeabilidad. Final-

mente, Andrea Beatriz Lara Viña se refirió a la exploración geofísica como apoyo a la caracterización geotécnica de campo. La jornada también tuvo un espacio de participación de las asistentes, donde pudieron comunicar su sentir como mujeres e ingenieras geotecnistas. Expresaron su agradecimiento hacia la SMIG por considerarlas en una actividad exclusiva para mujeres y darles la oportunidad de ganar conocimientos especializados y enriquecer sus currículos

Jornada Técnica IberoamericanaTemas de Vanguardia en Ingeniería Geotécnica

El 12 de marzo pasado se llevó a cabo la “Jornada Técnica

Iberoamericana - Temas de Vanguardia en Ingenier í a Geotécnica” en el auditorio José Luis Sánchez Bribiesca, ubicado en la Torre de Ingeniería del Instituto de Ingeniería de la UNAM (II UNAM). Este evento, realizado en colaboración por la SMIG y el II UNAM, se llevó a cabo en el contexto del 1er Simposio Internacional sobre Depósitos de Jales, celebrado en la ciudad de Chihuahua. Destacados profesionales e investigadores de renombre mundial, provenientes de países como España, Estados Unidos, Argentina, Chile y Perú, participaron en el evento presentando sus trabajos e investigaciones más recientes. Los temas

abordados incluyeron análisis numéricos avanzados, ingeniería geotécnica sísmica, análisis de riesgo geotécnico y geomecánica computacional, entre otros. Todas las ponencias fueron de un nivel excepcional y fueron recibidas con gran entusiasmo por parte de los asistentes. Tanto la SMIG como el II UNAM expresan su sincero agradecimiento a todos los asistentes y expositores, quienes realizaron un gran esfuerzo para contribuir al avance de la ingeniería geotécnica mexicana. Para aquellos que no pudieron asistir, los videos de las presentaciones están disponibles en el siguiente enlace: www.youtube.com/playlist?list=PLFT8ndTfqVt Uu2wUYNQuJGcqyraszXYt_

1er Simposio Internacional

sobre Depósitos de Jales

El 1er Simposio Internacional sobre Dep ó sitos de Jales, organizado con gran éxito del 13 al 15 de marzo de 2024 en la ciudad de Chihuahua, reunió a 371 participantes mexicanos y de otros países, incluidos Argentina, Chile, Canadá, Estados Unidos, España, Italia y Perú.

Con la presencia de renombrados expertos nacionales e internacionales, el

simposio ofreció un programa enriquecedor compuesto por 11 conferencias magistrales y la presentación de 27 artículos de investigación de alta calidad, los cuales fueron seleccionados para su publicación en las Memorias Técnicas del Simposio , disponibles en acceso libre a trav é s de la web y WebApp del evento y en la biblioteca digital de la SMIG. El evento comenzó el 13 de marzo con cuatro cursos presimposio altamente especializados, que cubrieron temas esenciales como la planificaci ó n de la disposición de jales, su caracterización geotécnica, los desafíos en el diseño de depósitos y las implicaciones de riesgo y legales relevantes para los ingenieros de registro. Estos cursos atrajeron a 111 asistentes y contaron con la participación de 15 distinguidos instructores.

En la ceremonia de inauguración, celebrada el 14 de marzo, estuvieron presentes autoridades gubernamentales y líderes del sector, con lo que se hizo patente la importancia del simposio para la comunidad de ingeniería geotécnica. La conferencia inaugural, a cargo de Peter Robertson y presentada por José Luis Rangel y Ramón Verdugo, puso el foco en la caracterización moderna de sitios para depósitos de jales, y destacó por su relevancia y calidad. Además de las sesiones académicas, el simposio facilitó una plataforma para expositores que presentaron sus proyectos, productos, equipos y servicios, con lo cual se promovió la interacción y el intercambio de conocimientos entre los participantes.

El éxito de este simposio fue posible gracias al esfuerzo y dedicación del Comit é Organizador, as í como de los comités Técnico, Editorial, Local y Asesor, que trabajaron incansablemente para garantizar una experiencia enriquecedora para todos los asistentes.

Expresamos nuestro más sincero agradecimiento a todos los que contribuyeron a hacer del 1er Simposio Internacional sobre Depósitos de Jales un evento memorable, para confirmar su impacto significativo en el avance de la ingeniería de depósitos de jales

7º Simposio Internacional de Túneles y Lumbreras en Suelos y Rocas

La SMIG tiene 67 años de haber sido fundada, y su principal objetivo es la divulgación de los conocimientos de la ingeniería geotécnica mediante los 16 Comités Técnicos Nacionales con los que cuenta. Sin embargo, los temas a los que principalmente se ha dedicado han sido los relativos a suelos saturados sensitivos de estructura dispersa (en particular a las arcillas de la Ciudad de México), a la investigación de las características dinámicas de dichos depósitos de suelo y al estudio del comportamiento estático y dinámico de las cimentaciones superficiales y profundas construidas en estos mismos medios. La SMIG colabora con la Asociación Mexicana de Ingeniería de Túneles y Obras Subterráneas (AMITOS) para ampliar la difusión de los temas técnicos de interés dirigida a ingenieros, tales como los relacionados con túneles y actividades de obras subterráneas. Es por ello que los días 14, 16, 21 y 23 de mayo del presente año se llevó a cabo el 7º Simposio Internacional de Túneles y Lumbreras en Suelos y Rocas (7° SITLSR) en modalidad en línea sincrónico. El evento fue organizado por la AMITOS y la SMIG, con el apoyo de las sociedades técnicas internacionales ISSMGE, ITA-AITES y la Sociedad Internacional de Mecánica de Rocas (ISRM). En este simposio se prepararon dos cursos técnicos presimposio con la participación de la ISRM. Se agradece

a Esteban Hormazábal, vicepresidente de la ISRM por América Latina, y a Valentín Castellanos, presidente del Comité Técnico de Mecánica de Rocas de la SMIG, por la organización de dichos cursos. Durante el 7° SITLSR se presentaron ocho sesiones de trabajo de alto nivel técnico. En esta ocasión, todas las sesiones del simposio contaron con traducción simultánea y fueron totalmente abiertas al público en general, por lo que se invita a consultar dichas mesas en la videoteca de la SMIG.

Se agradece a nuestros patrocinadores empresariales que participaron durante el 7° SITLSR en espacios intermedios entre conferencias mediante la difusión de información técnica que fue muy interesante para todos los asistentes: LYTSA, DIRAC, Penetron, Herrenknecht, G&G, GSS-Titan, DSI, Temocas, SRK, Soletanche-Bachy, Sandstorm GAM, Terra Insights, BarChipInc, Cimesa, Lombardi, Rockgro y Dolenco.

Finalmente, pero no menos importante, se agradece a todos los miembros del Comité Organizador por el apoyo recibido: a José Ángel Castro Nieto, Roberto González Ramírez, Jorge López Molina, Miguel Ángel Mánica Malcom, Carlos Alfonso Ramírez de Arellano y Jorge Armando Rábago Martín, y en especial a Juan Paulín Aguirre, presidente de la AMITOS, por la excelente coordinación de este evento

Noticias de la Vicepresidencia por Norteamérica de la ISSMGE

CONSEJO INTERNACIONAL

El pasado 20 de marzo se llevó a cabo, de forma virtual, una junta especial del Consejo Internacional de la ISSMGE con el objetivo de someter a aprobación la incorporación de la ISSMGE como una sociedad civil sin fines de lucro.

El consejo es el órgano máximo de la ISSMGE y está conformado por las sociedades miembro. En esta ocasión, se encontraban con derecho de voto 67 sociedades (de un total de 92); por parte de México asistieron Ricardo Ortiz y Miguel Ángel Mánica, presidente y secretario de la SMIG, respectivamente. El consejo se inició con un mensaje y reporte del presidente de la ISSMGE, Marc Ballouz, y posteriormente se verificó el quórum para llevar a cabo el consejo. La moción propuesta por la mesa directiva incluía:

a. Incorporar una nueva compañía, con garantía limitada, en Inglaterra y Gales, con el nombre International Society for Soil Mechanics and Geotechnical Engineering Limited.

b. Aprobar los artículos de la nueva asociación, con base en los estatutos originales, sujetos a cualquier corrección menor, apropiada para la incorporación.

c. Aprobar el nombramiento de Marc Ballouz, Charles W. W. Ng, Marawan M. Shahien, Keh-Jian Shou, Graham Scholey, Lyesse Laloui, Walter I. Paniagua, Andre P. Assis, Ir Chaido Doulala-Rigby, Daniela Pollak Aguilóas y Dimitrios Zekkos como los primeros miembros del directorio de la asociación.

d. Transferir los bienes de la ISSMGE a la nueva asociación y posteriormente disolver la ISSMGE, de acuerdo con la cláusula 19A de los estatutos.

La votación estuvo abierta desde las 13:00 h (tiempo de Greenwich) del 20 de marzo de 2024 y se cerró a las 13:00 h del 21 de marzo de 2024. Los resultados de la votación fueron como sigue: a favor, 63; en contra, 3; abstenciones, 1. De esta manera, se acordó proceder con los asesores legales para la incorporación.

GEOCONGRESS 2024

Del 26 al 28 febrero se llevó a cabo el GeoCongress, organizado por el Geo Institute (GI) de la ASCE, en la ciudad de Vancouver, Canadá. El congreso tuvo más de 1,600 asistentes, y además se desarrollaron cursos cortos, conferencias especiales y concursos estudiantiles, entre otros. Destaca la Conferencia Terzaghi, que fue dictada por Andrew J. Whittle, del MIT, con el título “Soil models in prediction, design and geotechnical problema solving”.

Asimismo, se sostuvo una reunión con la mesa directiva del GI para la planeación del Congreso Panamericano de 2028.

IFCEE 2024

Del 7 al 10 de mayo, en la ciudad de Dallas, Texas, se llevó a cabo el International Foundation Congress & Equipment Expo

(IFCEE), organizado por cuatro asociaciones: American Drilling Shaft Contractors, Deep Foundation Institute (DFI), Geo Institute y Pile Driving Contractors Association; hubo más de 2,500 asistentes. Este congreso, organizado cada tres años, cuenta con una exposición de maquinaria para cimentaciones profundas y trabajos geotécnicos. Se sostuvieron reuniones con el cuerpo directivo del DFI para la planeación del 6º Simposio Internacional de Cimentaciones Profundas, que se llevará a cabo en 2025.

GEOSHANGHAI 2024

El 25 mayo se desarrolló la primera reunión presencial de la mesa directiva de la ISSMGE, en el marco del congreso GeoShanghai 2024, que se llevó a cabo en China. Se continúa atendiendo los acuerdos derivados de la Junta del Consejo Internacional, llevada a cabo en marzo de 2024, además de darle seguimiento a diversos proyectos, como Ingenieros Geotécnicos sin Fronteras, Cápsula del Tiempo, etc. La siguiente reunión presencial será en el Congreso Panamericano, que se llevará a cabo en La Serena, Chile, en noviembre de 2024

Walter I. Paniagua

Delegaciones regionales

ASAMBLEA ORDINARIA

DELEGACIÓN REGIONAL PUEBLA

El 21 de marzo se llevó a cabo una asamblea ordinaria de la delegación regional de la SMIG en Puebla en las instalaciones del Colegio de Ingenieros Civiles de ese estado. Luego de la segunda convocatoria se dio una participación de 14 asociados pertenecientes a la delegación. El objetivo de la asamblea fue conocer la propuesta y plan de trabajo de José Alejandro Núñez Torres, candidato único a la vicepresidencia de la delegación regional, y elegir la nueva mesa directiva.

El candidato dio a conocer los ejes principales de su plan de trabajo, los cuales se centran en acciones para hacer crecer la delegación en número de participantes, gestionar con universidades y capítulos estudiantiles de la SMIG espacios de participación técnica y buscar apoyo a tesistas de licenciatura y posgrado ante la iniciativa privada. Otro tema importante es la equidad de género; se trabajará para vincular a más ingenieras en el trabajo de la delegación para fortalecerlas y darles mayores oportunidades de crecimiento profesional a través de cursos técnicos, mesas redondas y foros de discusión que generen mayor conciencia de la importancia de la participación igualitaria de mujeres y hombres en el ejercicio de nuestra disciplina.

Por otra parte, se incluirán cursos novedosos y atractivos que despierten el interés de los ingenieros locales, incluso de otras subdisciplinas de la ingeniería civil, como son las vías terrestres. En la asamblea se eligió al comité escrutador, que fue conformado por Margarita Rodríguez Trinidad, vicepresidenta saliente; Natalia Parra, vicepresidenta de la mesa directiva nacional, que se desempeñó como secretaria del comité; Paola Hueytletl Gavilán como vocal y representante de los asociados, y Marcos Ramón Hernández Álvarez, representante del candidato a la vicepresidencia. Una vez establecida la urna y firmadas las boletas electorales debidamente foliadas, se dio comienzo a la votación,

la cual se cerró a las 18:30 horas. Antes de realizar el conteo de votos, Margarita Rodríguez se despidió con un mensaje emotivo a los asociados de Puebla, e informó de los logros y actividades de su gestión.

La mesa directiva de la delegación regional de Puebla ante la SMIG quedó conformada por José Alejandro Núñez Torres como vicepresidente, Alfredo López Hernández como secretario, Félix Sosa Contreras como tesorero y Ana Elena Posada Sánchez como vocal.

RINDE PROTESTA LA MESA DIRECTIVA DE LA DELEGACIÓN QUERÉTARO

La ceremonia de toma de protesta de la delegación regional de Querétaro ante la SMIG se llevó a cabo el 7 de mayo en las instalaciones del Colegio de Ingenieros Civiles (CICQ) de la entidad.

El presidente del Consejo Consultivo del colegio, Román Tzintzum Flores, dio la bienvenida a los presentes y expresó su interés en fomentar la colaboración entre la SMIG y el CICQ en actividades de divulgación técnica.

Natalia Parra, vicepresidenta en funciones de la mesa directiva de la SMIG, tomó protesta a los miembros de la nueva Mesa

Directiva 2024-2026, elegida de acuerdo con los estatutos de la SMIG el 15 de abril de 2024. La mesa directiva quedó integrada de la siguiente manera:

Vicepresidente: Paul Garnica Anguas

Secretario: Jesús Daniel Rangel Reséndiz

Vocales: Natalia Pérez García, Eduardo Rojas González, Ángel

Trejo Moedano y Jesús Celedón Terrazas

La conferencia principal, “Habilidades geotécnicas para los directores responsables de obra”, fue impartida por Ángel Trejo Moedano, quien fue objeto de un merecido reconocimiento por su destacada labor docente en la Universidad Autónoma de Querétaro

Juan de Dios Alemán Velásquez, Miguel A. Mánica, Ricardo E. Ortiz Hermosillo y Natalia Parra Piedrahita.

Sociedad Mexicana de Ingeniería Geotécnica, A.C.

CONFERENCIAS MAGISTRALES PLENARIAS

VIGÉSIMOSÉPTIMA CONFERENCIA

"NABOR CARRILLO FLORES"

Dr. Antonio Gens Solé

"Comportamiento f rágil y rotura progresiva"

UNDÉCIMA CONFERENCIA

"RAÚL J. MARSAL CÓRDOBA"

Dr. Andy Fourie

"Restoring equilibrium to the design of Tailings Storage Facilities"

QUINTA CONFERENCIA

"EULALIO JUÁREZ BADILLO"

Mtra. Margarita Puebla Cadena

"El currículum oculto en las ingenierías"

SÉPTIMA CONFERENCIA

"LEONARDO ZEEVAERT WIECHERS"

Dr. Juan M. Pestana

"Comportamiento cíclico del suelo bajo cargas sísmicas multidireccionales"

CURSOS PRECONGRESO

MÉTODOS DE EXPLORACIÓN GEOTÉCNICA

INSTRUMENTACIÓN Y MONITOREO GEOTÉCNICO

RECORRIDO HISTÓRICO POR EL CENTRO DE LA CIUDAD DE MÉXICO

APLICACIONES GEOTÉCNICAS DE MEJORAMIENTO Y REFUERZO DE SUELOS USANDO GEOSINTÉTICOS

CARACTERIZACIÓN GEOTÉCNICA DE DEPÓSITOS DE JALES: PRUEBAS DE CAMPO, DE LABORATORIO Y ANÁLISIS GEOTÉCNICOS

VISITA AL TÚNEL DEL TRAMO ESTACIÓN V. CAMPA MIXCOAC DE LA AMPLIACIÓN DE LÍNEA 12 DEL SISTEMA DE TRANSPORTE COLECTIVO METRO

CONFERENCIAS MAGISTRALES EN LAS MESAS TÉCNICAS

Flujo de agua y de calor en medios porosos (FluACaMP) | Ruptura de diques: escenario y ejemplos complejos.

- Rémy Tourment

Geotecnia costa fuera | Nuevos paradigmas en Geotecnia Costa Fuera para energías renovables.

- Profesor Christophe Gaudin Modelado numérico | Simulación de problemas de penetración.

- Dr. Antonio Gens Solé

Suelos no saturados | Un enfoque de esfuerzos efectivos para el acoplamiento de las propiedades hidro-mecánicas de suelos no saturados.

- Dr. Hiram Arroyo Chávez

Vías terrestres | Situación actual y perpectivas del sistema ferroviario mexicano.

- M.I. Juan Carlos Miranda Hernández

Suelos blandos | Estudios recientes sobre el comportamiento de la arcilla de la Ciudad de México.

Dr. Efraín Ovando Shelley -

Exploración y ensayes de laboratorio | Evaluación de las condiciones del agua subterránea mediante pruebas in situ: el vínculo sísmico entre el piezocono (CPT) y la sonda de resonancia magnética nuclear (NMR)"

- Kelly Cabal

Cimentaciones profundas, sitios históricos y recimentaciones | Current practice and future trends for the seismic design of building pile foundation in Japan

- Junji Hamada

CONCURSOS

IV RETO EN GEOTECNIA VI OLIMPIADA EN GEOTECNIA III CONCURSO DE GEOMUROS

SEDE:

ápoles, Benito Juárez, 03810 Ciudad México, CDMX

Turn static files into dynamic content formats.

Create a flipbook
Issuu converts static files into: digital portfolios, online yearbooks, online catalogs, digital photo albums and more. Sign up and create your flipbook.
Revista interactiva Geotecnia 272 julio-agosto 2024 by Helios Comunicación - Issuu