
International Research Journal of Engineering and Technology (IRJET) e-ISSN:2395-0056
Volume: 12 Issue: 04 | Apr 2025 www.irjet.net p-ISSN:2395-0072
International Research Journal of Engineering and Technology (IRJET) e-ISSN:2395-0056
Volume: 12 Issue: 04 | Apr 2025 www.irjet.net p-ISSN:2395-0072
Amol R Sutar1, Mahadev S Patil2, Tejas N. Bagwe3, Omkar S. Chavan4, Manish V. Dambe5 , Bhagyashri S. Natekar6
1,3,4,5,6Department of Electronics and Telecommunication Engineering, Finolex academy of Management and Technology, Ratnagiri, Maharashtra, India. 2Department of Electronics and Telecommunication Engineering, Rajarambapu Institute of Technology, Islampur affiliated to Shivaji University, Kolhapur, Sangali, Maharashtra, India
Abstract - Compared to hybrid and combustion engine vehicles, electric vehicles have many advantages. However, the market for automobiles has yet to embrace electrified vehicles as widely as anticipated, primarily because of the lack of the fast charging and the issue of driving range anxiety. Additionally, the electric vehicle's onboard charging system is extremely slow and has a restricted power capacity. Therefore, fast charging systems capable of charging an electric vehicle in a few minutes and give it a long enough driving range are necessary for the advancement of the electric vehicle industry. This article aims to explore battery charging systems, as well as current and emerging developments in power electronic devices, converters, and research possibilities. It also provides an overview of the fundamental architectures of high-speed charging systems and assessment of power efficiency converters, along with their comparative analysis. Another challenge is developing high power, highly efficient, low-cost charging systems and their integration with renewable energy sources. This method of charging batteries promises increased energy conversion efficiency with variable power demands, guaranteeing steady and dependable operation that makes it appropriate for a variety of applications, such as renewable resources and electric vehicles
Key Words: (Electric Vehicles, Lithium-ion battery, EV chargers, Fast charging, onboard and offboard charging, renewable energy integration.)
Electricvehicle(EV)technologyhasadvancedsignificantly due to the increasing global demand for sustainable and energy-efficienttransportationsolutions.Batterycharging systems are one of the most important elements of an EV ecosystem since they guarantee effective energy storage and use. Electric vehicles provide several benefits compared to conventional internal combustion engine (ICE) vehicles. including zero tailpipe emissions, reduced dependenceonfossilfuels,andsuperiorenergyefficiency. As advancements in battery technology, charging infrastructure, and electric drivetrains continue to evolve, EVs are becoming more accessible, practical, and appealingforeverydayuse.Thisstudyaimstoexplorethe advantagesofusingaPSFB-basedbatterychargingsystem comparedtotraditionalchargingtechniques.
About 23% of the world’s energy-related CO2 emissions come from the sports industry, and between 2010 and 2015, emissions increased at a pace of 2.5 percent annually. Moreover, internal combustion engine (ICE) vehicles incur higher fuel and maintenance expenses due to regular oil changes, engine upkeep, and mechanical deterioration, unlike electric vehicles (EVs). Whereas EVs transform more than 80% of electrical energy into mechanicalpower,anICE'sefficiencyisnormallybetween 20% and 30%. Furthermore, the combustion and exhaust systemsofICEvehiclesproduceaconsiderableamountof noisepollution.Thedecarbonizationofthetransportation industry is anticipated to be significantly aided by transportation electrification. Over the past ten years, the market for EVs has grown at a never-before-seen rate. With so many advantages, EVs are becoming the favored option for transportation in the future. Since EVs don't emit tailpipes, they help to mitigate climate change and reduceairpollution.Theyuseenergymoreefficientlythan conventional gasoline-powered automobiles, with efficiency rates of 80%. Since electric vehicles contain fewermovingcomponents,theydemandlessmaintenance and operate without the need for gasoline. To further lessen carbon footprints, they can be charged using solar, wind, or other renewable energy sources. Incentives, tax breaks, and subsidies are provided by numerous governmentsacross theglobetosupportthetransition to EVs. A quieter and more comfortable ride is another benefit of not having an internal combustion engine. To providechargingservicestovariousbikes,cars,whichwill require the power electronic circuits to work with incredibly wide battery voltage ranges, is the obvious problem for EV chargers. Because of its benefits for the economy and the fight against global warming, the usage of EVs and plug-in hybrid EVs is growing daily. There are two types of EV battery chargers: onboard and offboard. The ability to charge a vehicle's battery from any power outlet is made feasible by on-board equipment while the abilitytochargeavehicle’sbatteryfromaspecificcharger at a charging station is called offboard charger. The electric vehicle (EV) market is experiencing significant global growth, fueled by increasing consumer awareness, stringent environmental regulations, and continuous improvements in battery technology. In 2023, the market was estimated at USD 500.48 billion and is expected to
International Research Journal of Engineering and Technology (IRJET) e-ISSN:2395-0056
Volume: 12 Issue: 04 | Apr 2025 www.irjet.net p-ISSN:2395-0072
reachapproximatelyUSD1,891.08billionby2032,with a compound annual growth rate (CAGR) of 13.8%.Governmentsworldwideareofferingsubsidies,tax breaks, and incentives to encourage EV adoption while investing heavily in charging infrastructure.Furthermore, advancements such as solid-state batteries and lithiumsulfur designs offer the potential for greater energy density and faster charging speeds, addressing key consumer concerns about range and convenience.Wireless charging technology and highpower DC fast chargers are further enhancing the practicalityofEVs.
One of the most transformative developments is Vehicle-to-Grid (V2G) integration, which enables bidirectional power flow between EVs and the grid. This technology allows electric vehicles (EVs) to serve as energy storage solutions, aiding in grid stabilization and offering users an opportunity to lower their charging costs.Furthermore,theintegrationofartificialintelligence (AI),theInternetofThings(IoT),andautonomousdriving technologies is enhancing EV performance, making them moreintelligentandefficient..
Onar, et al. (2008)[1]. This paper introduces a bidirectionalDC-DCconvertertailoredforautomotivefuel cell applications. The converter supports bidirectional power flow, enabling regenerative braking that recovers kinetic energy during deceleration and stores it in the energy storage system. It also improves overall system efficiency by allowing power exchange between the fuel cell stack and the battery or ultracapacitor. This setup reduces the dependence on the fuel cell during transient load demands, enhancing the vehicle's fuel efficiency. However, the study does not explore advanced control methods such as model predictive control or adaptive control.
Lukic et al. (2008) [2]. This paper offers an in-depth analysis of the progress and challenges in automotive powerelectronicsandmotordrives,highlightingkeyareas for improvement in electric and hybrid vehicles. It addresses various topics, including power converter designs, motor control strategies, and thermal management techniques, all of which are essential for boostingtheperformanceandefficiencyof thesesystems. The paper also examines the integration of power electronics with different automotive subsystems. However, it does not explore the role of emerging widebandgap semiconductor materials, such as silicon carbide (SiC) and gallium nitride (GaN), which could greatly enhance the efficiency, power density, and thermal performance of power converters and motor drives in automotiveapplications.
Wong et al. (2010) [3]. This paper details the design andanalysisofadual-statorpermanent-magnetmotorfor electric vehicles (EVs), offering increased torque density. Theproposedmotordesignfocusesonminimizingtorque ripple and enhancing reliability. However, the study does not provide an in-depth performance evaluation across differentoperatingconditions.
Khaligh,Lietal.(2010)[4]Itpaperoffersanextensive review of battery modeling and management techniques for electric vehicles (EVs), emphasizing current methods andfuturedirections.Itcoversdifferent batterymodeling approaches, such as equivalent circuit models and electrochemical models, which are crucial for estimating key battery states like state-of-charge (SoC) and state-ofhealth(SoH).However,thepaperdoesnotaddresstheuse ofmachinelearningalgorithms,whicharebecomingmore popular for precise battery state estimation because of theirabilitytoanalyzecomplexdatapatternsandenhance predictionaccuracy.
Emadi et al. (2011) [5] This paper offers a thorough overview of electric motor drive systems, covering their principles, modeling methods, and control strategies. However, it does not thoroughly examine the specific challenges associated with high-speed motor drives, such as thermal management, vibration control, and rotor dynamics.Thesechallengesarecrucialforreachinghigher rotational speeds (e.g., over 20,000 RPM) and necessitate advanced designs in motor components like rotors and stators, along with innovative cooling and balancing solutionstomaintainreliabilityandefficiency.
Husain (2011) [6] This paper offers a solid introduction to the design of electric and hybrid vehicles, covering key aspects like powertrain configurations and energy storage systems. However, it overlooks advanced thermal management techniques, such as phase change materials (PCM) and liquid cooling systems, which are vital for keeping battery temperatures within optimal ranges and preventing overheating. These modern approaches are crucial for improving battery efficiency, extending its lifespan, and supporting high-performance capabilitiesinelectricvehicles.
The review by Egbue et al. (2012) [7] highlights key barriers to EV adoption, such as high costs, limited charging infrastructure, and range anxiety. However, it lacks a detailed exploration of consumer perception, which is crucial for understanding the psychological and social factors influencing EV adoption. Research like surveys from AAA and Pew Research Center show that while environmental concerns and fuel savings motivate potential buyers, issues like battery replacement costs, cold weather impacts, and trust in advanced features like autopilot systems remain significant obstacles.A deeper assessment of these perceptions could help tailor strategiestoovercomesuchbarriers.
International Research Journal of Engineering and Technology (IRJET) e-ISSN:2395-0056
Volume: 12 Issue: 04 | Apr 2025 www.irjet.net p-ISSN:2395-0072
Larminieetal.(2012)[8]Thispaperoffersanin-depth lookatelectricvehicle(EV)technology,coveringessential topics such as power systems and drivetrain mechanics. However, it doesn't adequately address the cybersecurity anddataprivacychallengesthatariseinconnectedEVs.As modern EVs increasingly connect to personal devices for remote control and data sharing, they become more vulnerable to threats like phishing, malware, and data breaches. These risks could jeopardize user safety, financialdata,andvehiclefunctionality.Tominimizethese dangers, it's crucial to implement strong cybersecurity measuresandensurecompliancewithprivacyregulations suchasGDPRandCCPA.
Yilmazetal(2013)[9]Thispaperprovidesathorough overview of battery charger topologies, charging power levels, and the infrastructure required for plug-in electric and hybrid vehicles. However, it doesn’t explore the economic challenges associated with deploying EV charging infrastructure. These challenges include high upfront installation costs, ongoing operational expenses, and maintenance issues. Economic factors like fluctuating energypricesandthe"chicken-or-egg"dilemma wherea lackofchargingstationsdiscouragesEVadoption,andvice versa are significant obstacles to expanding infrastructure.Additionally,publicfundingprograms,such as the U.S. Bipartisan Infrastructure Law, aim to address theseeconomichurdlesbysupportingthedevelopmentof large-scale EV charging networks to promote widespread adoption.
The paper by Rajashekara (2013) [10] examines propulsion system strategies for electric, hybrid, and fuel cell vehicles, covering aspects like energy efficiency and powertrainintegration.However,itdoesnot fullyexplore advanced sensing technologies, such as LiDAR, radar, and multi-sensor fusion systems, which are essential for enhancing vehicle safety, performance, and situational awareness. These technologies enable precise environmental perception, collision avoidance, and optimized energy management, playing a critical role in connectedandautonomousEVs.
ThereviewbyGaoetal.(2016)[11]adetailedanalysis of charging strategies for lithium-ion batteries in electric vehicles (EVs), with a focus on methods like constant current-constant voltage (CC-CV) and pulse charging. However, it doesn't consider the effects of extreme weatherconditions,suchasverycoldorhottemperatures, which can greatly impact battery performance and charging efficiency. In cold weather, chemical reactions inside the battery slow down, leading to reduced range upto40% andlongerchargingtimes.Ontheotherhand, hot weather can accelerate battery degradation due to overheating, shortening the lifespan of the battery. Integrating thermal management techniques to address thesechallengesisessentialforensuringthatEVsperform reliablyinavarietyofclimates.
The paper by Cetin et al. (2016) [12] focuses on designing a high-efficiency phase-shifted full-bridge converter for on-board EV chargers, emphasizing operationalefficiencyandpowerdensity.However,itdoes not adequately address thermal management, which is critical for preventing overheating in high-power applications, especially with components like InsulatedGate Bipolar Transistors (IGBTs). Additionally, the paper lacks a long-term reliability analysis, essential for evaluatingthedurabilityofcomponentsundercontinuous thermal and electrical stresses, which are common in EV charging systems operating in diverse environmental conditions.
The review by Peltoniemi et al. (2016) [13] explores the impact of electric vehicle (EV) charging standards on the development of smart grids, focusing on factors such as interoperability and grid integration. However, it does notfullyaddressregulatoryandpolicychallenges,suchas the lack of consistent global charging standards and limited government incentives for infrastructure development.Theseissuesposesignificantbarrierstothe widespread adoption of EVs and smart grids, as fragmentedpoliciescanslowdownstandardizationefforts and deter private investment in advanced charging networks, which are essential for supporting the transitiontoelectrification.
The paper by Shafiei et al. (2016) [14] offers an indepth review of electric vehicle (EV) charging technologies, covering different topologies and operational strategies. However, it does not consider the cybersecurity risks that are becoming increasingly important as EV charging systems rely more on interconnected networks. Vulnerabilities, such as unauthorized access, malware attacks, and compromised communication protocols, could disrupt charging services or expose user data. To address these concerns, it is essential to implement strong encryption, intrusion detection systems, and standardized cybersecurity protocols to ensure the safety and reliability of EV charginginfrastructure.
ThepaperbyMouli,Baueretal.(2016)[15]presentsa system design for a solar-powered EV charging station at workplaces, focusing on optimizing the orientation of photovoltaic(PV)panelsandassessingstorageintegration to minimize grid dependence. However, it does not adequatelyconsidertheeffectsofweathervariability,such as lower solar insolation during cloudy or winter conditions, which can substantially impact energy production. To address these challenges, integrating strategies like dynamic energy forecasting models or hybridsystemsthatcombinesolarandwindenergycould help maintain consistent charging availability, regardless ofchangingweatherconditions.
International Research Journal of Engineering and Technology (IRJET) e-ISSN:2395-0056
Volume: 12 Issue: 04 | Apr 2025 www.irjet.net p-ISSN:2395-0072
ThereviewbyAlvarez-Alvarezetal.(2017)[16] paper offers a thorough examination of wireless power transfer (WPT) technology for electric vehicles (EVs), covering inductive and capacitive systems, standards, and safety factors.However,itdoesnotprovideadetailedanalysisof dynamic wireless charging, which presents challenges such as maintaining efficient power transfer despite coil misalignment, handling fluctuating power demands while the vehicle is in motion, and ensuring smooth communication between the EV and charging infrastructure.Addressingthesechallengesisessentialfor enhancing the reliability and scalability of dynamic WPT systemsinreal-worldapplications.
The review by Husain et al. (2017) [17] is integration ofrenewable energysources,suchassolarandwind,into EV charging stations is discussed, with a focus on grid integration and energy management strategies. However, it does not provide a comprehensive analysis of the economic feasibility and scalability of these systems, whichareinfluencedbyfactorslikehighinitialinstallation costs,payback periods,and thevarying renewable energy potential in different regions. Addressing these factors is essential for evaluating the long-term viability and ensuring the widespread adoption of renewable-powered EVcharginginfrastructure.
The paper by Hoffmann et al. (2018) [18] implementation of GaN-based phase-shifted full-bridge converters for EV battery chargers is examined, highlighting their high efficiency and compact design. However, the discussion does not sufficiently address cost-effectivenessandmanufacturability,whicharecrucial for scaling GaN technologies. Key challenges include the higher cost of materials, complex fabrication processes, and the need to ensure reliable mass production while preserving performance advantages, such as reduced thermaldissipationandhighpowerdensity.
The review by Deb et al. (2018) [19] provides a comprehensive overview of energy storage technologies for electric vehicles, including lithium-ion batteries and emerging alternatives. however, it does not evaluate the long-term performance of these technologies, which is essentialforunderstandingdegradationpatterns,lifecycle costs, and reliability under different operational conditions. addressing these factors would be crucial to assessthesustainabilityandeconomicfeasibilityofenergy storagesystemsinEVapplications.
The review by Musavi, Edington, and Eberle (2019) [20] provides a thorough analysis of on-board charger topologies for plug-in hybrid electric vehicles (PHEVs), discussing various converter types and control methods. however, it does not include a comparative analysis of bidirectional on-board charger topologies for vehicle-togrid (V2G) applications, which are essential for enabling energy flow back to the grid during peak demand.
challenges like optimizing power flow, ensuring grid compatibility, and tackling hardware complexity in bidirectional systems need more in-depth exploration to effectivelysupportV2Gintegration.
The paper by Iyer et al. (2020) [21] analyzes power deliverysystemsforextremefast-charging(XFC)stations, focusing on converter topologies and system design. however, it does not consider emerging semiconductor technologies like wide bandgap materials such as SiC and GaN, which provide higher efficiency, reduced switching losses, and more compact designs. incorporating these technologies could help address challenges in thermal management,high-frequencyoperation,andscalabilityfor XFCapplications.
ThereviewbyMahmoodetal.(2021)[22]exploresthe impact of EV charging infrastructure on the power grid, emphasizing grid integration and energy management strategies. however, it does not examine the environmental effects of EV charging, including emissions fromelectricitygenerationbasedonthegridmixandland use associated with charging stations. research indicates thatusingrenewableenergyforchargingcansignificantly cut greenhouse gas emissions, whereas reliance on fossilfuel-based grids and battery production adds to the environmental footprint. considering these factors is essential for evaluating the overall sustainability of EV chargingsystems.
The review by Khan et al. (2021) [23] examines EV charging techniques and their impact on the power grid, covering technical aspects like grid integration and charging methods. However,itlacksa detailedanalysisof the economic benefits and costs of different charging infrastructures, such as installation expenses, operational costs, and return on investment. Addressing these factors is crucial for evaluating the financial viability and scalability of public and private charging networks, especially in light of high upfront costs and varying utilizationrates.
The paper by Sutar and Patil (2022) [24] analyzes multistage constant current charging methods for batteries with an emphasis on improving charging efficiency. however, it overlooks the role of varying battery chemistries such as lithium-ion, lithium-metal, and solid-state which significantly affect charging performanceduetodifferencesinenergydensity,thermal behavior, and degradation patterns. for example, studies indicate that additives like cesium nitrate can boost the performance of lithium-metal batteries by enhancing interphase stability and supporting faster charging while preserving cycle life. recognizing these distinctions is essential for developing chemistry-specific charging strategies.
International Research Journal of Engineering and Technology (IRJET) e-ISSN:2395-0056
Volume: 12 Issue: 04 | Apr 2025 www.irjet.net p-ISSN:2395-0072
ThereviewbyLipuetal.(2022)[25]offersanin-depth examination of power electronics converter technologies used in EVs, exploring different topologies and their applications. however, it lacks an evaluation of nextgeneration semiconductor materials such as silicon carbide (SiC) and gallium nitride (GaN), which play a key role in enhancing converter efficiency by minimizing switching losses, operating at higher temperatures, and allowing for more compact system designs. these advancedsemiconductorsarecrucial for enabling quicker charging, improving driving range, and reducing powertraincostsincontemporaryEVplatforms.
The paper by Vishnuram et al. (2023) [26] explores how EVs integrate with renewable energy sources, highlighting their importance in the shift toward cleaner energy. however, it offers limited insight into the policy frameworks and infrastructure investments needed to support widespread EV adoption. effective measures such as zero-emission regulations, financial incentives, expanded charging infrastructure, and grid modernization are vital to overcoming challenges like equitableaccessandseamlessintegrationwithrenewable energysystems.
The paper by Sutar, Mhabadi, and Patil (2023) [27] proposes a compact and efficient EV charger design utilizing a quasi-Z-source-fed phase-shifted full-bridge converter, focusing on achieving reduced size and enhanced performance. however, it does not include experimentalvalidationforhigh-powerscenarios,whichis crucial forevaluatingthecharger'sreliabilityandthermal managementatincreasedpoweroutputs.conductingrealworld tests would help reveal possible concerns such as thermal overload, electromagnetic interference, and mechanical stress on components during extended operation.
ACchargersplayanessentialroleintheEVecosystem by offering a more affordable and easily accessible option for charging, particularly suited for home and public locations where slower charging speeds are acceptable. Unlike DC fast chargers, which supply high-power DC directlytothebattery,ACchargersdependonthevehicle’s onboard charger to convert grid-supplied AC into DC for battery storage. The basic operation of an AC charger starts with drawing AC power from a standard electrical outlet,usually120Vor240Vbasedonregionalstandards. Arectifier circuit within the chargerconvertsthisACinto pulsating DC, which is then filtered using capacitors and regulated to maintain a consistent output suitable for charging. Modern AC chargers often include microcontrollers or a battery management system (BMS) that track real-time battery conditions such as voltage,
current, and temperature and adjust the charging rate accordinglytoenhancesafetyandefficiency.
AC chargers are divided into Level 1 and Level 2 categories, depending on their power output. Level 1 chargers operate at 120V, delivering slower charging speeds, which makes them ideal for overnight home use. Level 2 chargers, operating at 240V, offer faster charging times, making them well-suited for residential garages or commercial locations. The benefits of ACchargersinclude their affordability, compatibility with standard electrical outlets, and ease of installation. However, they tend to offer slower charging speeds compared to DC fast chargers,limitingtheirsuitabilityforquicktop-upsduring long trips. Despite this, AC chargers are a critical part of the EV infrastructure because of their accessibility and cost-effectiveness. As the global EV market expands, continued investment in AC charger technology will be essentialforensuringbroadadoption,offeringconvenient andaffordablechargingsolutionsforeverydayusers.
DC chargers are crucial devices that deliver direct current power straight to batteries, eliminating the need for onboard conversion systems. Unlike AC chargers, whichrelyonthevehicle'sonboardchargertoconvertAC power into DC, DC chargers handle this conversion externally. This capability allows for quicker and more efficient charging, making them well-suited for applications like electric vehicles, renewable energy systems,and industrial environmentswhere rapid energy restorationisrequired.
International Research Journal of Engineering and Technology (IRJET) e-ISSN:2395-0056
Volume: 12 Issue: 04 | Apr 2025 www.irjet.net p-ISSN:2395-0072
TheoperationofDCchargersinvolvesreceivingACpower from the grid and converting it to DC using rectifiers and sophisticated power electronics built into the charger. This external conversion process allows DC chargers to bypasstherestrictionsofonboardsystems,enabling them to deliver higher power directly to the battery. The chargingprocessgenerallyincludesthreephases.Thefirst isthebulkchargingphase,wherethemaximumcurrentis providedtoquicklychargethebatterytoabout80%ofits capacity. Next is the absorption phase, where the current tapers off as the battery nears full charge, stabilizing the voltage and preventing overcharging. Lastly, the float phase maintains the battery at full charge, supplying a small maintenance current to keep it at 100% without affectingitslongevity.DCchargersarecommonlyfoundin EV fast-charging stations due to their ability to deliver highpower,rangingfrom50kWto350kWormore.This allowsformuchfasterchargingcomparedtoACchargers, enablinganEVbatterytogofrom20%to80%injust20–30 minutes, depending on the vehicle and charger specifications. Besides EVs, DC chargers are also used in renewable energy systems to store excess energy from solar or wind sources for later use. They are also employed in industrial applications like backup power systemsandlarge-scaleenergystoragesolutions.
The benefits of DC chargers include their speed and efficiency in delivering high power directly to batteries. They also integrate advanced communication protocols andsafetyfeaturesthatensureoptimalperformancewhile protectingagainstissueslikeoverheatingorovercharging. However, DC chargers are more expensive than AC chargers due to their intricate design and high-power components. Additionally, they require specialized infrastructure with high-capacity electrical connections, makingthemlesspracticalforresidentialuse.
Rectification refers to the conversion of alternating current(AC)intodirectcurrent,acrucialprocessinpower electronic systems, especially in power supplies and battery charging circuits. Rectifiers come in two main types:uncontrolledandcontrolled.Uncontrolledrectifiers use diodes to allow current to flow in only one direction. Half-wave rectifiers let only one half of the AC cycle pass, whilefull-waverectifiersmakeuseofbothhalves either by employing a center-tapped transformer with two diodes or a full-bridge configuration with four diodes. Controlled rectifiers use thyristors or power transistors, which allow for adjusting the output voltage and current bymodifyingthefiringangleofthesedevices.Thismakes them ideal for uses such as motor control, regulated powersupplies,andintelligent batterychargingsystems.
AC to AC conversion involves changing one AC waveformintoanotherwithdifferentvoltageorfrequency characteristics, without converting the signal to DC. One methodofachievingthisisthroughACvoltagecontrollers, which adjust the output voltage while keeping the frequency constant. These controllers typically use components like triacs or thyristors and are commonly used in applications such as controlling fan speeds, dimming lights, and regulating induction motors. Another technique is the cycloconverter, which directly converts a fixed-frequency AC input into a variable-frequency AC output. Cycloconverters are used in applications that require low output frequency and high torque, such as in industrialrollingmills.Matrixconvertersareanadvanced type of AC-to-AC conversion. They employ an array of bidirectional switches to directly link input and output phases, providing compact and efficient conversion with control over both voltage and frequency, though they presentdesignandcontrolchallenges.
Although the term "inversion" is typically associated with theconversionofDCtoAC,inACsystems,itcanalsorefer to situations where power flow is reversed, such as in regenerative braking or bidirectional energy transfer. These applications use regenerative converters or bidirectional AC-AC converters, which enable energy to flow back from the load to the source. This is commonly achievedthroughback-to-backconverters,whichcombine a rectifier and an inverter, or through matrix converters that support reverse power flow. These technologies play a key role in applications like electric drives and smart grids,whereeffectiveenergyrecoveryiscritical.l.
AC–DC–AC conversion consists of two main stages: rectificationfollowedbyinversion.Initially,theACinputis converted to DC using either uncontrolled or controlled rectifiers. This DC is then converted back to AC through a DC-AC inverter. This configuration is especially useful in systemsrequiringadjustablefrequencyorvoltage,suchas variable frequency drives (VFDs) for motor control, uninterruptible power supplies (UPS), and renewable energysystemslikewindorsolarinverters.Thebenefitof this method is its versatility and control, enabling precise regulation of output voltage and frequency. Additionally, modern techniques such as Pulse Width Modulation (PWM) in the inverter stage ensure high-quality AC waveforms, with minimized harmonic distortion and enhanced system performance. These systems can also facilitate bidirectional energy flow, supporting applications like regenerative braking and energy feedbacktothegrid..
International Research Journal of Engineering and Technology (IRJET) e-ISSN:2395-0056
Volume: 12 Issue: 04 | Apr 2025 www.irjet.net p-ISSN:2395-0072
AC–DC–AC conversion consists of two main stages: rectificationfollowedbyinversion.Initially,theACinputis converted to DC using either uncontrolled or controlled rectifiers. This DC is then converted back to AC through a DC-AC inverter. This configuration is especially useful in systemsrequiringadjustablefrequencyorvoltage,suchas variable frequency drives (VFDs) for motor control, uninterruptible power supplies (UPS), and renewable energysystemslikewindorsolarinverters.Thebenefitof this method is its versatility and control, enabling precise regulation of output voltage and frequency. Additionally, modern techniques such as Pulse Width Modulation (PWM) in the inverter stage ensure high-quality AC waveforms, with minimized harmonic distortion and enhanced system performance. These systems can also facilitate bidirectional energy flow, supporting applications like regenerative braking and energy feedbacktothegrid.
ii. Buck Converters (Step-Down)
A buck converter is a non-isolated step-down converter that lowers the input voltage to a reduced output voltage while maintaining high efficiency. It works by rapidly switching a power transistor on and off. When theswitchison,energyflowsfromtheinputtotheoutput via an inductor, charging the output capacitor. When the switch is off, the inductor continues to supply energy to theoutput,maintainingcurrentflow.Duetoitssimplicity, compact design, and high efficiency, the buck converter is commonly used to power devices that require a stable, lower voltage than the input. Applications include CPU voltage regulation, battery-operated electronics, and LED drivers. With efficiency levels often exceeding 90% and continuous outputcurrent, buck convertersare especially suitablefordevicesthataresensitivetoloadchanges.
A boost converter is a non-isolated DC-DC converter thatincreasestheinputvoltagetoahigheroutputvoltage. When the switch is closed, current flows through the inductor, storing energy in its magnetic field. When the switchopens, the magnetic fieldoftheinductor collapses, releasing energy to the output via the diode, thereby boosting the voltage. Boost converters are typically used when the input voltage is lower than the required output voltage. Common applications include powering highvoltage circuits from low-voltage sources, such as in flashlights, electric vehicles, or solar power systems. Although boost converters are efficient at low to medium power levels, the output current tends to be pulsating, requiringproperfilteringtominimizeripple.
A buck-boost converter integrates the features of both buckandboostconverters,allowingittoeitherincreaseor decrease the input voltage based on the duty cycle. This flexibility makes it especially useful in situations where the input voltage fluctuates above or below the required output voltage. The basic non-isolated design operates by switching an inductor in and out of the circuit to either store or release energy, adjusting the voltage level. A challenge with traditional buck-boost converters is that they invert the output voltage polarity relative to the input. However, modified designs like the SEPIC (SingleEndedPrimaryInductorConverter)andCukconvertercan deliver non-inverted outputs. Buck-boost converters are particularly suited for battery-operated systems with varying voltage levels, such as in portable devices or renewable energy systems that face unpredictable input conditions.
The DAB topology is a commonly used DC-DC converter design that facilitates efficient, high-frequency, and bidirectional power transfer. It is especially preferred in applications requiring galvanic isolation and bidirectional energy flow, such as battery energy storage systems, electric vehicle charging stations, and renewable energy systemslikephotovoltaicinvertersandfuelcells.TheDAB converter comprises two full-bridge circuits one on the primary side and one on the secondary side connected through a high-frequency transformer. Both bridges are activelycontrolled,incontrasttotraditionalunidirectional converters,wheretypicallyonlyonesideisswitched.This active control of both sides gives the DAB converter its distinctiveabilitytomanageseamlessbidirectionalpower flow. The phase shift between the square-wave voltages generated by the two full-bridges is the key control parameter. The power transfer’s magnitude and direction are directly influenced by this phase shift. When there is no phase difference, no power is transferred; altering the phase difference allows power to flow in either direction depending on which bridge leads. One of the main advantages of the DAB topology is its operation under ZeroVoltageSwitching(ZVS)conditions,applicableacross both high and low loads. ZVS minimizes switching losses and reduces electromagnetic interference (EMI), improvingtheconverter’sefficiency,particularlyathigher frequencies. Additionally, the use of high-frequency transformers reduces the size of passive components, resultinginamorecompactandlightweightdesign.
International Research Journal of Engineering and Technology (IRJET) e-ISSN:2395-0056
Volume: 12 Issue: 04 | Apr 2025 www.irjet.net p-ISSN:2395-0072
Source: GitHub, MathWorks MATLAB Central File Exchange
The DAB converter is inherently modular, making it easy to scale up in high-power systems. Its symmetric design facilitates the creation of distributed energy systems, where power can be transferred to or from different storage elements based on the system’s needs. Additionally, the transformer’s isolation ensures safety and adherence to grid standards in high-voltage applications. However, despite its many benefits, the DAB topology also comes with certain challenges. The complexity of control increases because of the need for synchronizedandprecisephasemodulationbetweenboth bridges. Furthermore, the converter's efficiency can decreaseunderlight-loadconditionsunlesssoft-switching is maintained across all operating points. Some advanced solutions tackle this issue through adaptive control techniques, variable frequency operation, or by incorporatingauxiliarycircuits..
TheFull-BridgeLLCresonantconverterisanadvanced isolated DC-DC topology, renowned for its high efficiency and exceptional performance in medium- to high-power applications. It is commonly used in power supplies for servers, telecommunications, battery chargers, and electric vehicle systems, where minimizing losses and electromagnetic interference (EMI) is essential. The name of the topology comes from the resonant tank, which consistsoftwoinductors(L1andLr)andacapacitor(Cr). This resonant tank shapes the system's resonant frequencyandfacilitatessoft-switchingconditions.
The LLC converter functions based on resonance, where energy oscillates between inductive and capacitive components. In each switching cycle, the energy stored in the resonant tank is transferred to the load through a high-frequency transformer that provides both isolation and voltage scaling. The converter is capable of achieving Zero Voltage Switching (ZVS) for the primary-side switches and Zero Current Switching (ZCS) for the secondary-side rectifiers. These soft-switching conditions significantly reduce switching losses and minimize component stress, enabling the converter to operate at
higher switching frequencies with better thermal performanceandlowerEMI.
One of the key features of the Full-Bridge LLC topology is itsabilityto maintainhigh efficiencyovera widerange of input voltages and load conditions. Unlike traditional hard-switched converters, which experience significant switching losses at light loads, the LLC converter maintains efficient operation due to its resonant nature. The full-bridge design, which uses four switches on the primary side, improves power handling capabilities compared to half-bridge converters, making it ideal for higherpowerapplications..
Control of the LLC converter typically involves adjusting the switching frequency rather than the duty cycle. This frequency modulation method enables the converter to stay in resonance with the tank's natural frequency, ensuringZeroVoltageSwitching(ZVS)undervaryingload conditions. However, the proper design of the resonant components, particularly the selection of inductors and capacitors, is critical to ensure that the gain and load regulation remain within acceptable limits. Incorrect design choices may lead to loss of resonance or suboptimal performance under specific operating conditions.
Source:ResearchGate
In a Full-Bridge LLC converter, the primary side consists of a full-bridge inverter and an LLC resonant network that includes a resonant inductor, magnetizing inductance, and a capacitor. This section takes the DC inputandgeneratesahigh-frequencyACsignal.Thesignal then passes through a high-frequency transformer that provides voltage scaling and isolation. On the secondary side, the AC signal is converted back to DC using a fullwave rectifier, and an LC filter smooths the output before itissuppliedtotheloadorbattery.
The Full-Bridge LLC topology offers excellent load regulation and fast transient response, which are critical fordynamicapplicationssuchasbatterycharging.Inthese scenarios,itisvitaltomaintainstablevoltageandcurrent profiles during both charge and discharge cycles. Additionally, LLC converters are naturally more resistant to noise and harmonics due to their sinusoidal current waveform and reduced switching spikes. With the
International Research Journal of Engineering and Technology (IRJET) e-ISSN:2395-0056
Volume: 12 Issue: 04 | Apr 2025 www.irjet.net
growing demand for compact and efficient power electronics, LLC converters are often paired with digital control systems such as the TI C2000 series microcontrollers. These controllers allow precise frequency control, real-time feedback monitoring, and protection features like over-voltage, over-current, and over-temperature safeguards. This integration of digital controlimprovessystemperformanceandreliability.
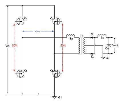
The design of a PSFB converter-based battery charging system using MOSFETs revolves around achieving high efficiency,reliability,andadaptabilityformediumtohighpower applications. This topology is particularly advantageous due to its ability to implement softswitching techniques such as ZVS, which significantly reduces switching losses and enhances overall performance.
Source :-(TexasInstrumentsIncorporated,2014)
p-ISSN:2395-0072
The PSFB converter functions by phase-shifting the gatesignalsbetweentheleadingandlagginglegsofan Hbridge configuration. The primary side of the converter uses MOSFETs arranged in this H-bridge layout, where they alternately switch the input DC voltage to AC, powering the transformer. During operation, diagonal switches (e.g., QA-QD and QB-QC) conduct at the same time, transferring energy to the transformer in their ON states. There are also intervals where either the top switches (QA-QB) or bottom switches (QC-QD) are ON simultaneously, creating a short circuit across the transformer’s primary winding. This short circuit condition supports ZVS transitions by keeping circulating currentthroughthetransformer’sleakageinductance.ZVS ensures that the MOSFETs turn ON when their drainsourcevoltageiszero,whichreducesswitchinglossesand minimizeselectromagneticinterference.
On the secondary side, synchronous rectification is used with standard diodes. Synchronous rectifiers are preferred due to their lower conduction losses, which significantly enhance the system's efficiency, especially in high-powerapplications.TherectifiedDCoutputfromthe secondary is regulated to meet the specific needs of battery charging. The transformer plays a crucial role by providing galvanic isolation between the primary and secondary circuits, while also stepping down the voltage as needed. Its leakage inductance is intentionally leveraged as part of a resonant circuit to enable Zero Voltage Switching (ZVS). If additional inductance is necessary to achieve ZVS across a broader load range, external inductors can be added to supplement the transformer's inherent properties. When comparing the PSFB to the DAB topology, one of the main benefits is the simpler control design. While the DAB allows for bidirectional power transfer and is highly modular, it requires precise synchronization between two actively controlledfullbridges,whichincreasesthecomplexityand computational load of the control system. In contrast, the PSFB uses a single full bridge on the primary side and avoids the need for complex bidirectional phase modulation, making it easier to implement in unidirectional systems like battery chargers. When compared to the Full-Bridge LLC topology, PSFB converters offer superior load regulation and more flexible control. Although LLC converters are known for their high efficiency due to their resonant operation and soft-switching capability across a wide load range, they typically require variable frequency control. This introduces additional design challenges and necessitates careful selection of resonant components. PSFB, however, operates with a fixed switching frequency, which simplifies the design of magnetic components, filter tuning, and synchronization with digital control systems. Another benefit of the PSFB is its strong performance under dynamic and high-load conditions, which are common in battery charging applications. The topology is capable of handling high currents and power levels without compromising efficiency or response time. It also integrates well with digital control platforms, such as the C2000 series, enabling advanced features like adaptive
International Research Journal of Engineering and Technology (IRJET) e-ISSN:2395-0056
Volume: 12 Issue: 04 | Apr 2025 www.irjet.net p-ISSN:2395-0072
phase control, digital regulation of current and voltage, and protection mechanisms such as overcurrent and undervoltage lockout. Additionally, PSFB provides improved scalability for varying power levels and load requirements, allowing for more efficient system designs indiverseapplications.Itsversatilityandrobustnessmake it an ideal choice for a wide range of power conversion tasks,especiallyinenergy-intensivesystems.
Electric vehicle charging systems are generally categorized into two main types: slow charging and fast charging. Level 1 and Level 2 onboard chargers are typicallyclassifiedasslowchargingsystems.Forexample, Level 1 onboard chargers require approximately 8 to 10 hours to fully charge a power battery, with their output power typically limited to residential applications of less than 10 kW. On the other hand, Level 2 chargers charge the batteries at a faster rate, with power levels that can reach up to 20 kW, and are commonly found in public locationssuchasshopping malls.Currently,therearetwo common types of topologies used for slow charging systems, one of which is the single-stage configuration. This system includes a high-frequency DC/DC converter andanunregulatedrectifier.Thesingle-stagetopologycan featurevariousdesignssuchaspush-pull,half-bridge,fullbridge, flyback, or forward configurations. Its main advantage is its simple structure and fewer components, but it has the downside of potentially causing grid pollution due to its direct connection to the grid. Alternatively, a two-stage charging system is used, where aDC/DCconverterisplacedinthebackstageandapower factor correction stage is implemented in the frontstage. This approach is more efficient in terms of managing grid power quality and offers better overall performance, though it involves a more complex design. The two-stage charging system can effectively address the issues of the lowpowerfactorandseriousharmonicpollutionbutithas a high costandlowefficiency.Currently,theconventional PID control method is widely used for slow-charging systems but more advanced control methods, such as BP neural network PID control methods and fuzzy adaptive PIDcontrolmethods,havealsobeendeveloped,whichcan significantly affect the charging output characteristics. Consumer demand for quicker charging systems has grownalongwiththenumberofEVsinusebecauseslowcharging systems offer poor power output and a lengthy charging period. Among the non-vehicle charging options are fast-charging systems, which can be categorized as either quick or ultra-fast. In the parts that follow, the offboard charging systems' structure and control approach arethoroughlyexplained.
Level 3 charging systems, often referred to as fast chargers,arecapableofdeliveringhighcurrentlevels up toaround400A.Thesesystemstypicallyoperatewithina
power range of 50 kW to 350 kW and can fully charge an electric vehicle’s battery in roughly 20 to 30 minutes. Takingthisastepfurther,ultra-fastchargingsystemspush the power level even higher, exceeding 400 kW, and are able to recharge a battery pack in close to 20 minutes or less. While fast charging technology has already seen significant development and widespread adoption, ultrafast charging is emerging as a promising solution for reducing charging time even further, making it more practical for long-distance travel and high-demand scenarios. This trend suggests that ultra-fast charging systemscouldbecomemoreprevalentinthecomingyears as the demand for rapid energy replenishment grows. Further discussions in Section 3 of this paper explore the specific standards and interface protocols relevant to these high-speed charging technologies. Additionally, Table 1 provides a breakdown of the different charging types and levels, and emphasizes the capabilities of advanced fast and ultra-fast chargers that operate in the highhundredsofkilowattsrange.
Charging Type (Battery Capacity)
Charging Time (Battery Capacity)
Table1.Charginglevels
The integration of the C2000 microcontroller into the design and control of a Phase-Shift Full Bridge converterbased battery charging system provides a highly efficient and intelligent platform for managing power flow. Developed by Texas Instruments, the C2000 family is engineered specifically for real-time control in power electronics, making it a strong fit for the demands of digitally controlled DC-DC converters such as the PSFB. These microcontrollers are equipped with key features including high-resolution Pulse Width Modulation (PWM) modules, fast and precise Analog-to-Digital Converters (ADCs), and a powerful Digital Signal Processing (DSP)
International Research Journal of Engineering and Technology (IRJET) e-ISSN:2395-0056
Volume: 12 Issue: 04 | Apr 2025 www.irjet.net
core. These elements work together to allow for accurate switching control, fast feedback loop response, and realtime execution of complex control algorithms, such as phase-shift modulation and ZVS essential for reducing switching losses and improving efficiency. In a PSFB converter,theC2000controlsthephaseshiftbetweenthe bridgelegs,whichdeterminesthe effectivedutycycleand regulatesoutputpower.Bymonitoringreal-timedatasuch as input/output voltage and current, the controller dynamicallyadjuststhe phaseangleto ensure the battery receives stable and optimal charging power, even under varying conditions. The ADCs provide rapid sampling of system parameters, while the PWM modules generate finely-tunedgatesignalsforthepowerswitches.
Additionally, the C2000 supports multiple communication protocols (SPI, UART, CAN, I2C), enabling smooth communication with other subsystems like the Battery Management System (BMS) and user interface modules. This integration allows for coordinated control, system diagnostics, safety monitoring, and user configurability. Furthermore, the microcontroller facilitates advanced features like adaptive control, fault detection, and thermal management, enhancing system robustness. It also supports digital compensation techniques (such as PID control or model predictive control) to ensure high performance across a wide range ofinputconditionsandloadprofiles.
MOSFETs are exclusively used in this design due to their superior switching characteristics compared to other semiconductor devices like IGBTs or BJTs. Their fastswitching speeds enable operation at high frequencies (typically100–150kHz),whiletheirlowconductionlosses reduce heat generation during operation. Additionally, robust body diodes in MOSFETs support ZVS operation effectively. The transformer used in this system is designed with optimized leakage inductance to facilitate resonant transitions required for ZVS operation. If necessary, external inductors can be added to improve performanceacrossvaryingloadconditions.
Parasitic output capacitances of MOSFETs are utilized as part of the resonant circuit, reducing component count whileenablingsoftswitching.
Efficiency optimization is a key aspect of PSFB converter design. Adjusting switching frequency based on load conditions ensures optimal efficiency across different operating ranges. Lower frequencies are used at light loadstomaintainZVSoperation,whilehigherfrequencies maximizepowertransferunderheavyloads.
p-ISSN:2395-0072
Maintaining ZVS at low loads can be challenging due to reducedcirculatingcurrents.Strategiessuchasincreasing leakage inductance or using auxiliary circuits can help sustainresonanttransitionsundertheseconditions.
Voltage equalization in battery charging systems is essential to ensure uniform voltage distribution across all battery cells, preventing overcharging or undercharging that can lead to reduced battery lifespan and safety risks. Integrating temperature sensors into the equalization process enhances the system's ability to monitor and regulate charging conditions, particularly for batteries pronetothermalinstabilityduringoperation.
In conclusion, this paper has explored the advancements and innovations in charging systems, highlighting their significance in modern technology. The evolutionofchargingsystemshasbeendrivenbytheneed forefficiency,sustainability,andconvenience.Keyfindings from this study include [list specific findings, e.g., improved chargingspeeds, enhanced energy efficiency, or innovative charging technologies. The implications of thesedevelopmentsaresubstantial,astheycontributetoa more sustainable energy future by supporting the widespread adoption of electric vehicles and renewable energy sources. Furthermore, the integration of advanced charging systems into existing infrastructure presents opportunities for economic growth and environmental benefits. Future research should focus on addressing the challenges associated with scalability, cost-effectiveness, and user accessibility to ensure that these technologies reach their full potential. By continuing to innovate and improve charging systems, we can accelerate the transition to cleaner energy solutions and create a more sustainablefutureforgenerationstocome.
1. Onar, O. C., Miller, J. M., & Ozpineci, B. (2008). A bidirectional DC–DC converter for automotive fuel cell applications. IEEE Transactions on Power Electronics, 23(4),2105-2113.
2. Lukic, S. M., Sun, P., & Emadi, A. (2008). Automotive power electronics and motor drives: Advances and challenges. IEEE Transactions on Industrial Electronics, 55(6),2283-2301.
3. Wong, Y. K., Chau, K. T., Gao, F., Liu, C., & Qingxin, L. I. (2010). Design and analysis of a dual-stator permanent-magnet motor for electric vehicles. IEEE Transactions on Industrial Electronics, 57(4), 14591467.
International Research Journal of Engineering and Technology (IRJET) e-ISSN:2395-0056
Volume: 12 Issue: 04 | Apr 2025 www.irjet.net p-ISSN:2395-0072
4. Khaligh,A.,Li,Z.,&Emadi,A.(2010).Batterymodeling and management of electric vehicle applications: State of the art and future trends. IEEE Transactions on Vehicular Technology, 59(9),4261-4276.
5. Emadi, A., Williamson, S. S., & Khaligh, A. (2011). Electric motor drives: Principles, modeling, and control. JohnWiley&Sons.
6. Husain, I. (2011). Electric and hybrid vehicles: Design fundamentals. CRCpress.
7. Egbue, O., & Long, S. (2012). Barriers to widespread adoption of electric vehicles: A review. Renewable and Sustainable Energy Reviews, 16(7),5445-5456.
8. Larminie, J., & Lowry, J. (2012). Electric vehicle technology explained. JohnWiley&Sons.
9. Yilmaz, M., & Krein, P. T. (2013). Review of battery charger topologies, charging power levels, and infrastructure for plug-in electric and hybrid vehicles. IEEE Transactions on Power Electronics, 28(5), 2151-2169.
10.Rajashekara, K. (2013). Propulsion system strategies for electric, hybrid, and fuel cell vehicles. IEEE Transactions on Industrial Electronics, 60(1),3-12.
11.Gao, Z., Lin, Y., & Hu, X. (2016). A review of charging strategies for lithium-ion batteries in electric vehicles. Journal of Power Sources, 336,117-134.
12.Cetin,S.,&Astepe,A.(2016).High-efficiencydesignfor a phase-shifted full-bridge converter in on-board EV chargers. IEEE Transactions on Power Electronics.
13.Peltoniemi,P.,&Kukkola,J.(2016).Areviewofelectric vehicle charging standards and their impact on smart grid development. Renewable and Sustainable Energy Reviews, 57,140-152.
14.Shafiei, S., Williamson, S. S., & Butt, M. M. (2016). Comprehensive review of electric vehicle charging technologies. IET Electric Power Applications, 10(7), 537-554.
15.Mouli, G. R., Bauer, P., & Zeman, M. (2016). System design for a solar-powered electric vehicle charging stationforworkplaces. Applied Energy, 168,434-443.
16.Alvarez-Alvarez, M., Lopez, G., Gonzalez-Diaz, V., & Lorenzo,P.(2017).ReviewofWirelessPowerTransfer TechnologyforElectricVehicles. Electronics, 6(4),83.
17.Husain, M. M., Tariq, M., Iqbal, A., & Rahman, M. K. (2017). Review on integration of renewable energy sources into electric vehicle charging stations. Journal of Energy Storage, 26,100991.
18.Hoffmann,F.,Prasobhu,P.K., Liserre,M.,&Buticchi,G. (2018). Challenges in implementing GaN-based phaseshifted full-bridge converters for EV battery chargers. IEEE Transactions on Power Electronics.
19.Deb, S., Tammi, K., Mahmud, A., & Salo, J. (2018). Review of energy storage technologies for electric vehicles. IEEE Transactions on Industry Applications, 54(5),4144-4156.
20.Musavi, F., Edington, M., & Eberle, W. (2019). A comprehensive review of on-board charger topologies for plug-in hybrid electric vehicles. IEEE Transactions on Vehicular Technology, 68(1),14-30.
21.Iyer,V.M.,Gulur,S.,Gohil,G.,&Bhattacharya,S.(2020). Powerdeliverysystemforextremefast-charging(XFC) stations. IEEE Transactions on Power Electronics.
22.Mahmood, F., Khan, I., Iqbal, J., & Hasan, A. (2021). A comprehensive review on electric vehicle charging infrastructure and its impact on power grid. International Journal of Energy Research, 45(12), 17295-17318.
23.Khan, W., Ahmad, A., Alam, A., & Zafar, M. (2021). A review on electric vehicle charging techniques and its impact on the grid. Archives of Electrical Engineering, 70(1),3-20.
24.Sutar, A. R., & Patil, M. S. (2022). Analysis of battery charging characteristics and a multistage constant currentchargingapproach.
25.Sutar, A. R., Mhabadi, S. H., & Patil, M. S. (2023). A lightweightandefficientEVchargerisdesignedusinga quasi-Z-source-fedphase-shiftedfull-bridgeconverter.