


• At RYER, all our feedstocks are manufactured to the highest level of quality, with excellent batch-to-batch repeatability.
• RYER is the ONLY commercially available feedstock manufacturer to offer all five debind methods.
• RYER offers the largest material selections of any commercially available feedstock manufacturer.
• RYER offers technical support for feedstock selection, injection molding, debinding and sintering.
• A direct replacement for all current commercially available catalytic debind feedstocks
• Improved flow
• Stronger green and brown parts
• More materials available and better surface finish
• Custom scale-up factors available
• Faster cycle times
• 65°C / 150°F mold temperature
AquaMIM®
• Water Debind
• Custom scale-up factors available
• Large selection of available materials
• Solvent, Super Critical Fluid Extraction (SFE) or Thermal Debind methods
• Hundreds of materials available
• Custom scale-up factors available
Publisher & Editorial Offices
Inovar Communications Ltd
11 Park Plaza
Battlefield Enterprise Park Shrewsbury SY1 3AF
United Kingdom
Tel: +44 (0)1743 469909 www.pim-international.com
Managing Director & Editor
Nick Williams nick@inovar-communications.com
Group News Editor
Paul Whittaker paul@inovar-communications.com
Assistant Editor
Charlie Hopson-VandenBos charlie@inovar-communications.com
Advertising Sales Director
Jon Craxford, Advertising Sales Director Tel: +44 (0)207 1939 749 jon@inovar-communications.com
Digital Marketer
Swetha Akshita swetha@inovar-communications.com
Production Manager
Hugo Ribeiro hugo@inovar-communications.com
Office & Accounts Manager
Jo Sheffield jo@inovar-communications.com
Consulting Editors
Prof Randall M German
Former Professor of Mechanical Engineering, San Diego State University, USA
Dr Yoshiyuki Kato
Kato Professional Engineer Office, Yokohama, Japan
Professor Dr Frank Petzoldt
Ingenieurbüro Dr. Petzoldt, Geestland, Germany
Dr David Whittaker
DWA Consulting, Wolverhampton, UK
Bernard Williams
Consultant, Shrewsbury, UK
Subscriptions
PIM International is published on a quarterly basis as either a free digital publication or via a paid print subscription. The annual print subscription charge for four issues is £150 including shipping.
Accuracy of contents
Whilst every effort has been made to ensure the accuracy of the information in this publication, the publisher accepts no responsibility for errors or omissions or for any consequences arising there from. Inovar Communications Ltd cannot be held responsible for views or claims expressed by contributors or advertisers, which are not necessarily those of the publisher.
Advertisements
Although all advertising material is expected to conform to ethical standards, inclusion in this publication does not constitute a guarantee or endorsement of the quality or value of such product or of the claims made by its manufacturer.
Reproduction, storage and usage
Single photocopies of articles may be made for personal use in accordance with national copyright laws. All rights reserved. Except as outlined above, no part of this publication may be reproduced or transmitted in any form or by any means, electronic, photocopying or otherwise, without prior permission of the publisher and copyright owner.
Design and production
Inovar Communications Ltd.
ISSN 2050-9693 (Print edition)
ISSN 2050-9707 (Online edition)
© 2023 Inovar Communications Ltd.
When I look back on the year that we launched PIM International , in the distant past of 2007, our world was a very different place. We knew that exciting things were happening in Metal Injection Moulding (MIM) and Ceramic Injection Moulding (CIM), but it often felt like an invisible industry. Being launched in the early years of the internet age and with a predilection to secrecy didn’t do wonders for the technology’s brand awareness.
Pigeonholed as a sub-category of the broader Powder Metallurgy industry, yet with very different potential markets to ‘press and sinter’ PM components, it faced quite different technical challenges to its older and more widely known big cousin.
Embracing the collective term for MIM and CIM – Powder Injection Moulding – we went to press with the formal title Powder Injection Moulding International , abbreviated to PIM International for more casual usage. We were lucky to be in the right place at the right time, and the industry flourished, finding successes in areas that we could never have imagined.
However, in a world where the technology is still not as widely known about as it should be, it remains in the nature of MIM and CIM producers to grasp opportunities when they arise. PIM companies as well as metal powder, feedstock and equipment producers were the very first to explore the opportunities presented by sinter-based AM processes, and we at PIM International have reflected this by exploring the growing synergies between PIM and sinter-based AM in recent years.
So for this first issue in 2023, we’ve taken the logical step of moving away from having the title Powder Injection Moulding International on our covers and have moved to a cleaner, fresher, new PIM International brand. As the industry moves forward at pace to commercialise AM technologies based on the powders and binders with which producers are already so familiar, we look forward to reporting on developments across both PIM and sinter-based AM with continued enthusiasm.
Nick Williams Managing Director & EditorShop System
The original plug-and-play solution from Desktop Metal to get started 3D printing metal parts fast - no prior binder jetting experience required
Everything you need at an affordable price. Intuitive software drives a complete system, from 3D printer and depowdering station to an industrial-grade furnace
Shop System+
A more economic solution for high-power customers to reduce operating costs with locked in discounts on DM powder and binders
Lower the cost of additive operations and improve part costs to drive faster ROI with the same plug-and-play experience and materials as the base package
Shop System Pro
A more flexible solution for customers with powder metallurgy experience that unlocks custom printing and sintering process parameters
Expand beyond DM-supplied alloys to new applications or reduce operating costs through the use of third-party or proprietary powders
Learn more by downloading the Shop System specifications teamdm.com/ShopPackages
From the creation of increasingly elaborate high-strength components with complex geometries to decorative elements, Metal Injection Moulding has become the go-to manufacturing process for the eyewear industry.
Italy’s Visottica Group is a leading supplier to this sector and, in recent years, has expanded its capabilities through acquisitions, resulting in the optimisation of the entire production chain. Luca van der Heide reports for PIM International >>>
Over the last decade, the Metal Injection Moulding industry enjoyed dramatic growth on the back of the rise of applications in smartphones. There are indications, however, that the tide is turning and the industry can no longer rely on the types of components that it once produced by MIM in the tens of millions a month.
Here, Dr Chiou (Dr Q) reflects on the rise of MIM in the consumer electronics industry and explains what Chinese producers are doing to grow their businesses in MIM’s post-smartphone era. >>>
Elnik’s innovations and experiences in all areas of temperature and atmosphere management have led us to become the leaders for the Batch-based Debind and Sinter equipment industry. We have applied these core competencies across a wide variety of industries through our 50 year history and look forward to the emergence of new technologies that will continue to drive demand for new innovative products.
We offer:
First Stage Debind Equipment (Catalytic, Solvent, Water)
Debind & Sinter Furnaces (All Metal or Graphite)
Elnik’s experienced team is driven to be the only partner you need for all your MIM and Metal AM equipment for 2022 and beyond.
We are driven by these values.
77 Ceramic AM at scale: The story of how Steinbach AG scaled production to 12,000 parts a year for Da Vinci Surgical Systems
Steinbach AG is considered a pioneer in the use of Additive Manufacturing for the serial production of high-performance technical ceramics. This case study describes its pioneering path to successfully implement the manufacturing of a new type of ceramic tube, with highly complex geometries, to be used in Da Vinci Surgical Systems robotic solutions for endoscopic surgery. With this application, Steinbach has achieved an annual production rate of 12,000 units and, in doing so, established itself as a leading service provider in ceramic AM. >>>
85 MIM F75 (Co-Cr-Mo) for high-volume production: The impact of sintering conditions on microstructure and properties
This study analyses the potential for large-scale production of Metal Injection Moulding (MIM) F75 Co-Cr-Mo alloys using low-carbon atomised powders sintered in industrial-scale continuous furnaces under various atmospheric combinations. The goal was to achieve the required properties without the need for Hot Isostatic Pressing (HIP) or conventional heat treatments, promising MIM a competitive advantage for the high volume production of parts for consumer electronics and beyond.
Hao-Ming Chen and colleagues, from Chenming Electronic Technology Corp. (UNEEC), Taiwan, present their findings. >>>
99 World PM2022: Research into the Binder Jetting of aluminium, Ni-free stainless steel, hardmetals and metallic glass
As exploration of the potential of metal Binder Jetting (BJT) picks up pace, so does the diversity of materials processed using the technology.
At the 2022 World PM Congress, organised by the European Powder Metallurgy Association (EPMA) and held in Lyon, October 9-13, a number of presentations reported on developments that looked at a range of materials with commercial potential for BJT, including aluminium alloys, nickel-free stainless steel, hardmetals (cemented carbides) and metallic glass. Dr David Whittaker reports for PIM International >>>
118
Krahn Ceramics has successfully started its first in-house production line for Ceramic Injection Moulding (CIM) feedstock at its facility in the Rothenburgsort quarter of Hamburg, Germany. The move is reported to be in response to a growing demand for customised ceramic compounds, and is intended to strengthen its position as a partner along the entire value chain. The company is also relocating its headquarters to the Hamburg site of the Otto Krahn Group, thus forming a stronger partnership with its sister companies. In the new production hall, Krahn Ceramics is manufacturing
its CIM feedstocks using stateof-the-art powder mixers and shear roller extruders to deliver bespoke projects for customers. This production site is in addition to the technical centre in Dinslaken, Germany, which opened in 2020.
“The successful commissioning of the new production hall is an important step for us to develop Krahn Ceramics into a synonym for individual ceramic solutions. By building up our production, we intend to expand feedstock production in the coming years,” stated Dr Stefan Stolz, Managing Director of Krahn Ceramics.
“The further development and production of binders and additives, which serve as the basis for the ceramic feedstocks, among other things, are also on our agenda. We continuously develop new products and thus offer our customers the best solution for their application.”
Krahn Ceramics acts a project partner for the processing of ceramic and metal powders, accompanying customers throughout the value chain. Its portfolio includes products and services such as powders, binders and feedstocks for Powder Injection Moulding, as well as related forming processes, debinding, sintering and surface finishing.
www.krahn-ceramics.com
Ricoh Company, Ltd, headquartered in Tokyo, Japan, is expanding its aluminium Binder Jetting (BJT) material range to include 6000 series aluminium alloy (AlSiMg). In conventional manufacturing, the 6000 series is a commonly used class of aluminium alloy, bringing high strength and corrosion-resistant properties to a wide range of applications.
The 6000 series aluminium alloys are, however, more susceptible to oxidation and less tolerant of impurities, making them some of the most difficult to sinter, explains Ricoh.
In 2020 the company released a 4000 series aluminium (AlSi) that, thanks to the adoption of a liquidphase sintering technology, made the Binder Jetting of this material possible. In the development of the 6000 series, Ricoh partnered
with the Fraunhofer Institute for Manufacturing Technology and Advanced Materials IFAM, Bremen, Germany, and again made use of the liquid-phase sintering process.
When sintering the 6000 series, Ricoh precisely controls the gases in the furnace and uses a highly degradable binder with an optimised debinding process. These technological developments have now made it possible to use Binder Jetting to produce complex 6000 series parts, such as those seen in Fig. 1.
Properties of sintered 6000 series aluminium parts
In the Binder Jetting process, a droplet of binder is selectively deposited on a powder bed, layer by layer, to fabricate a green body. This green part then undergoes a debind and sinter process, densifying the
green body to obtain the sintered part. However, the Binder Jetting of aluminium has proved problematic because surface oxide hinders densification in the sintering stage.
Following the development of Ricoh’s 6000 series aluminium, results have shown that the relative density of the sintered 6000 aluminium parts produced exceeds 97%.
X-ray computed tomography (Fig. 2) of the sintered sample shows that there are no large voids on either the surface or internally. The microstructure of the same 6000 series sample is shown in Fig. 3 under higher magnification, also indicating sufficient densification after sintering. The relative density of the observed sample was recorded as 97.9%.
Ricoh explains that properties important for aluminium applications, such as tensile strength and thermal conductivity, are equivalent to those of conventional methods. The tensile strength of the sample was reported to be approximately 250 MPa after T6 heat treatment, a common heat treatment for 6000 series aluminium. The thermal conductivity, measured by the laser flash method, was also recorded at 180 W/mK which is equivalent to 6000 series aluminium castings.
Ricoh states that its 6000 series is ideal for heat exchanger and lightweight structural components, as well as other applications. The company plans to focus on collaborations with customers, along with further development of the new technology.
“We believe that dialogue and co-creation with our customers are extremely important, as is technology development,” stated Takafumi Sasaki, Manager of European AM department, Ricoh Futures BU, Ricoh Company. “We aim to accelerate collaboration with technical partners and customers by utilising this newly developed technology, through the activities at the Customer Experience Centre in Telford, the UK.”
www.ricoh.com
CHARACTERISTICS
Plasma Quality Powder
High Sphericity
High Purity Traceability
In the world of metal powders, Höganäs is always at the forefront of innovation. From more sustainable production processes to new and patented powder compositions, we are dedicated to offering you the optimal solutions while reducing environmental impact. With forAM ®, our range of metal powders designed for additive manufacturing, we can offer powders designed for any application.
The forAM ® range includes nickel, iron, cobalt, copper, titanium and aluminium powders in a variety of grades and compositions. Combining optimal powder performance with improved sustainability is a priority for Höganäs. In addition to our material innovations, we have also committed to Science Based Targets and are founding members of the Additive Manufacturing Green Trade Association, demonstrating our ongoing committing to leading sustainable transformation in our industry.
AMT Pte Ltd, a contract manufacturing business with metal and ceramic injection moulding operations, based in Singapore, has announced the appointment of Chee-Hoo Liang as its new CEO.
Liang has been employed at AMT for twenty-two years, having joined initially as an R&D engineer. He holds a master’s degree in Engineering and has reportedly demonstrated strong leadership skills during his time with the company, as well as a commit-
ment to driving the organisation’s continued growth and success.
Founded in 1990, the company specialises in Metal Injection Moulding, Ceramic Injection Moulding and metal Additive Manufacturing for the medical, industrial, automotive and electronics industries. It currently employs around 350 staff and does business across thirty countries.
In a LinkedIn post, the company stated its confidence that Liang will
Desktop Metal has announced a $50 million cost-reduction plan, following the conclusion of similar cost savings announced in June last year. Said to prioritise investments and operations in line with near-term revenue generation, the move is an effort to position the company to achieve its long-term financial goals.
A key part of the plan will be to consolidate several locations
in the United States and Canada into four hubs in Massachusetts, Pennsylvania, Texas, and the Midwest. The company also plans a further workforce reduction of approximately 15%.
Along with the cost optimisation and strategic integration initiative commenced in June 2022, the plan is expected to deliver annualised savings of $100 million in 2023.
Höganäs AB, Sweden, has announced that Fredrik Emilson has stepped down as its president and CEO of the company. Until a successor has been appointed, Magnus Eriksson, CFO of Höganäs, will assume the role of interim CEO in addition to his other duties.
Emilson’s departure is said to have been mutually agreed with the board of directors, and follows a thirteen-year career at Höganäs, with nearly six years as president and CEO. The search for a permanent replacement is reportedly underway.
“We are thankful for the way Fredrik has expanded Höganäs, led the business through turbulent
times, and strengthened our position as the world’s leading metal powder company,” stated Magnus Hall, chairman of Höganäs. “Together with Fredrik, the board has agreed that following these active years and the conclusion of the coming strategy, now is the ideal timing for a change in leadership. We would like to thank Fredrik for his contribution and wish him all the best in his future endeavors.”
Emilson added, “After more than thirteen years with Höganäs and almost six years as CEO during turbulent and challenging conditions, I believe it is time to hand over the reins to new forces with
Chee-Hoo Liang has been appointed CEO of AMT after twenty-two years with the company (Courtesy AMT Pte Ltd)
“take the company to new heights, driving growth and success.”
www.amt-mat.com
“These cost reductions will help us improve margins and reduce costs to accelerate our path to profitability,” stated Ric Fulop, founder and CEO of Desktop Metal. “Our talent is the critical success factor that helps us drive the industry forward. These actions reinforce our highest priorities and create a flatter, more agile organisation. I value the contributions of everyone who has served and continues to serve Desktop Metal. We are committed to managing this transition with care and respect.”
www.desktopmetal.com
invigorated energy to take Höganäs to the next level. To make a smooth transition we have agreed to make a swift transfer hence I will be leaving already now. I will remember my time with Höganäs with great affection and how much I have appreciated working with all colleagues.”
www.hoganas.com
Half of all iPhones could be manufactured in India by 2027, progressing Apple’s move away from its reliance on a single-country supply that had already seen forecasters predict India would be building 25% of iPhones by 2025. According to a report on 9to5mac.com, which draws on sources including the South China Morning Post, Chinese suppliers are already being impacted by Apple’s efforts to remove production dependence on China. In addition to India, Vietnam is also expected to see benefits from this move.
By focusing its manufacturing in one area, Apple had left itself open to significant supply chain and manufacturing disruption; recent COVID-19-related delays at the world’s biggest iPhone assembly plant were estimated to have cost the company a billion dollars per week.
India has now been established as Apple’s secondlargest iPhone production centre, with simultaneous production originally planned to begin in China and India for the iPhone 14. Delays resulted in Indian production starting in September, but simultaneous production is expected to begin for the iPhone 15 later this year.
A selection of MIM parts produced for smart phones
(Courtesy PIM International)
Some Indian companies already manufacture Apple components through Taiwanese partners, however India is hoping to diversify its electronics industry. Already, around fourteen Chinese suppliers of Apple products are reported to have received initial clearance to expand into India, though it is believed that these permits haven’t yet been made public. These clearances are expected to lead to opportunities for Indian companies under a possible joint venture requirement by Indian ministries.
Smartphones rely on Metal Injection Moulding for a number of key components. Around half of global Metal Injection Moulding production, about $1.5 billion, comes from China and Taiwan, with the latter accounting for around $300 million of sales. In China in 2021 it was estimated that smartphone parts made up the majority of applications, with 56% of sales, followed by wearable electronics such as smartwatches at 12% and computer components at 8%. In all, more than 75% of all MIM applications were for the consumer electronics industry, with Apple understood to be the largest consumer of MIM parts for smartphones.
In 2022, India saw a fairly even split across the various MIM application fields, with electronics holding a market share of 30% followed by transportation and other industries at 25% each, and industrial at 20%. Total Indian MIM sales in 2022 were estimated at $300 million.
The continued use of MIM in the smartphone sector as a whole is, of course, subject to the design of the phone. For example, Apple has abandoned the lightning connector and will use USB-C in future models - a move which will in time result in the loss of this high-volume MIM part. This may be matched, however, by the growing use of MIM components elsewhere in smartphones, as well as further applications in tablets, laptops, smartwatches, headphones and headphone cases.
Ceramic feedstock production and development company, Inmatec Technologies GmbH, Rheinbach, Germany, has partnered with Additiva Produtos Químicos Ltda, Porto Alegre, Brazil, to strengthen its sales structure in South America. The move is in response to rising demand for ceramic feedstock across the region.
Additiva will offer an established sales structure in South America to meet the needs of the growing technology market. Henceforth, the company will distribute Inmatec’s range of feedstocks on the continent, manage imports and shipments, and become the local point of contact.
Additiva has over twenty years of experience in Powder Injection Moulding, significant experience in the field of ceramics and is wellconnected in the Latin American industry. The company hopes to strengthen Inmatec’s presence in this region by providing a local technical and commercial service with skilled on-site specialists.
The reinforcement of Inmatec’s activities in South America is the second major sales expansion within a few months, following the strengthening of the distribution structure in Eastern Europe regions in June 2022. To meet this growing demand for ceramic feedstocks, Inmatec had recently also
B-jetting LLC, a consultancy dedicated to the expansion of Binder Jetting (BJT) Additive Manufacturing, based in Vandergrift, Pennsylvania, USA, has unveiled two new Additive Manufacturing machines: The Educator and The Researcher. Both machines are said to provide a customer-friendly, turnkey, Binder Jetting solution, opening up metal AM to a wider audience.
The Educator is intended for use as either an entry-level introduction to Binder Jetting, or as a materials and process development tool. This system starts at $100,000 and includes a fully-functional BJT Additive Manufacturing machine with a 60 mm build box, curing oven, and powder recycling system. The Researcher has the same functionality as the Educator, but
expanded production capacities and increased its workforce.
www.inmatec-gmbh.com
www.additiva.com.br
comes with additional modularity. Starting at $180,000, options include an inert chamber, glove box, drop watcher, and the capacity to choose printheads or add additional printheads.
The founders of B-jetting, Dan Brunermer and James Gill, developed The Educator platform to fill a void in the market for a small, affordable, BJT Additive Manufacturing machine backed by industry experience and customer support.
www.b-jetting.com
largest manufacturer of MIM feedstock in the United States
in custom solutions & special alloys
Wax Polymer Binder System
High material utilization rates of 20+ cycles
exclusive supplier of MIM feedstock in the world batch-to-batch consistency
Catalytic Debinder System
Available in the typical 1.1669 & 1.2160 oversize factors as well as custom oversize factors.
supplying MIM feedstocks for mission-critical precision parts
Advanced Metalworking Practices (AMP) manufactures and supplies a wide range of both standard and custom-configured MIM feedstocks for your application. Contact Chris Chapman at cchapman@ampmim.com or 724-396-3663. www.ampmim.com
Indo-MIM, a leading global manufacturer of components by Metal Injection Moulding, headquartered in Bangalore, India, has announced that it has achieved a near-zero carbon footprint, and is on target to become a zero-carbon company by 2026. The company achieved a 95% reduction in CO 2e emissions since it began its sustainability journey on FY18, resulting in a reported reduction of 4,920 tons of CO 2e in FY22.
The company is committed to ensuring sustainable development by implementing seventeen Nations Sustainable Development Goals (SDGs) in its business operations and stakeholders at large. Indo-MIM revised its sustainable green supply chain management and procurement policy in the reporting period (FY22) in an effort to enhance sustainability performance and
minimise environmental, social, and financial risks within Indo-MIM’s supply chain.
As part of its net-zero journey, Indo-MIM’s sustainability embraces the following principles:
• Using sustainable energy resources
• Adopting the principles of Refuse, Reduce, Reuse, Recycle and Recovery (5R)
Encouraging the implementation of sustainability initiatives
• Contributing to organisations devoted to eradicating hunger, poverty and malnutrition, promoting preventative health care, sanitation, and provision of safe water
• Promoting education
• Promoting gender equality
Indo-MIM has achieved a near-zero carbon footprint, with a 95% reduction in CO 2e emissions since 2018 (Courtesy Indo-MIM)
• Increasing green belt protections and conservation of natural resources
• Creating awareness of UN Sustainability goals and climate change issues
Indo-MIM aims to be a zero-carbon company by 2026 on Scope I, II and III. www.indo-mim.com
Aalberts Surface Technologies GmbH, headquartered in Kerpen, Germany, has announced the formation of a new HIP, braze and heat treatment business unit in the US. Through a merger of two existing business units, ‘Aalberts surface technologies – Specialized Heat Treatment US’ and ‘Aalberts surface technologies – accurate brazing’, the combined companies will now operate as ‘Aalberts surface technologies – HIP, braze, heat treatment’.
Specialized Heat Treatment US was formed when Premier Thermal, Applied Process, and Ionic Technologies were rebranded as Aalberts surface technologies – specialized heat treatment US in 2022. Accurate Brazing was founded in 1989 in Goffstown, NH and has been part of the Aalberts family since 2006, rebranding as ‘Aalberts surface technologies –accurate brazing’ in 2022.
“Over the course of thirty years, Accurate Brazing has built a strong reputation, partnering with our customers in pursuit of shared success. Moving forward as Aalberts surface technologies – HIP, braze, heat treatment, we will continue that partnership, providing an even stronger portfolio of thermal processing technologies,” stated Brent Davis, formerly president of Accurate Brazing, and now serving as a Director of Operations for the new division.
The realignment includes the thirteen facilities operating as Specialized Heat Treatment US and the four facilities operating as ‘Aalberts surface technologies – accurate brazing’. With these facilities, ‘Aalberts surface technologies – HIP, braze, heat treatment’ is one of the largest
providers of thermal processing and metal joining technologies in the US. Steve Wyatt now leads Aalberts surface technologies –HIP, braze, heat treatment as its president, and rebranding activities have started and will continue throughout 2023. Day-to-day plant operations will be largely unaffected.
“The Aalberts brand is defined by its deep commitment to winning with people, mission-critical tech -
nologies, and a relentless pursuit of excellence. Having our US thermal processing businesses operate within a single business unit creates an integrated organisation that offers a wider array of technologies to our customers. With our commitment to cuttingedge technologies and access to global resources, we are positioned well, with an eye on the future,” concluded Wyatt.
www.aalberts-st.com
Over
• Metal or graphite hot zones
• Processes all binders and feedstocks
• Sizes from 8.5 to 340 liters (0.3–12 cu ft.)
• Pressures from 10-6 torr to 750 torr
• Vacuum, Ar, N2 and H2
• Max possible temperature 3,500°C (6,332°F)
• Worldwide field service, rebuilds and parts for all makes
Gasbarre Products Inc recently marked its fiftieth anniversary. Founded in 1973 by George Gasbarre Sr, in Falls Creek, Pennsylvania, USA, the company began building and rebuilding powder compaction press equipment for the growing Powder Metallurgy market.
Since then, under the direction of Tom Gasbarre from 1999 to 2018 and Alex Gasbarre from 2019 onwards, the company has become a multi-divisional corporation with
products in the powder compaction press market, including the original mechanical press, and expanding into hydraulic, highspeed, isostatic, and electric press types.
Gasbarre also has an extensive line of industrial thermal processing systems, including continuous atmosphere to batch atmosphere and continuous vacuum to batch vacuum furnaces. Additional product lines of precision tooling, industrial
Pfeiffer Vacuum, Asslar, Germany, celebrated the groundbreaking of its Future Factory Asslar industrial complex on February 16, 2023. The new facility will build upon Pfeiffer’s current premises, expanding the company’s manufacturing and logistics capacities.
The centrepiece of the development is an 8,000 m 2 logistics centre with an integrated, fullyautomated warehouse. A further 1,000 m 2 will be used to create an additional production area, as well as a service environment,
in which all service areas will work together centrally. The new logistics centre is expected to be completed in 2024. In addition, part of an existing building will be modernised.
During the groundbreaking ceremony, Ayla Busch, supervisor board chair of Pfeiffer Vacuum Technology AG, and the management board team – consisting of Dr Britta Giesen and Wolfgang Ehrk – welcomed the County Chief Executive Wolfgang Schuster and Mayor of Asslar Christian Schwarz.
automation, and contract manufacturing round are also offered by the company. Over the past half century, Gasbarre has 4500+ units installed on six continents in sixtyfour countries.
“This could not have been accomplished without the hard work and dedication by team Gasbarre and so many who have come before us,” stated Alex Gasbarre, CEO. “I know that my Grandfather, George Sr., would be proud of what Gasbarre has become today. Thank you to all who made an impact on Gasbarre over the years. Happy fiftieth!”
www.gasbarre.com
The company is incorporating photovoltaic systems throughout the project, with the plan to feed the electricity generated into the company’s own power network. Heat generated by the production facilities will also be recovered. Charging stations for employees’ electric vehicles are also planned.
The site is expected to achieve climate neutrality by 2030.
www.pfeiffer-vacuum.com
We have been driving the materials evolution for more than 160 years and offer the widest range of metal powders on the market – including Osprey® titanium, super-duplex stainless steel, copper, and nickelbased super alloys. Atomized in-house and optimized for advanced and sustainable manufacturing technologies such as additive manufacturing and metal injection molding, our metal powders are highly consistent and carefully tailored to your process.
Imagine being able to access premium metal powders for additive manufacturing directly from the source, from any device, at any time. Introducing Osprey® Online – the metal powder webshop stocked with powders and expertise Scan the QR code to learn more about the upcoming launch!
Arburg GmbH + Co KG, Lossburg, Germany, has announced the new Allrounder 470 H — a hybrid electric/hydraulic injection moulding machine intended to save energy and conserve resources. The combination of an electric clamping unit with hydraulic injection is said to significantly reduce the machine’s price and operating costs, as well as its carbon footprint.
The Allrounder 470 H is available in ‘Comfort’, ‘Premium’, and ‘Ultimate’ model variants, with various injection units and a range of options is said to mark the beginning of a new generation of Arburg machines.
“Electric drives are becoming increasingly important, not least in terms of energy efficiency,” stated Gerhard Böhm, Arburg’s Managing Director Sales and Service. “In the new Allrounder 470 H, we have created precisely the hybrid machine that users need today and in the future; a machine that has not yet been available on the market in this form.”
Guido Frohnhaus, the company’s Managing Director Technology & Engineering, added, “The new generation of machines incorporates many technological innovations that are only available from Arburg. When designing the new Allrounder 470 H, we significantly enhanced our proven technology to optimise the energy footprint and reduce cycle times.”
Compared to a similar hydraulic machine, the energy footprint of the Allrounder 470 H is up to 50% smaller, and — depending on the application — this machine can reduce CO 2 emissions by up to 12,000 kg each year. The new oil management concept also helps to conserve resources; around 35% less oil is needed to run the machine, and waste machine heat is used to preheat the oil. In addition, the required amount of cooling water is also between 50-70% lower. A reduction in the dry cycle time of up to 33% also
offers potentially greater production efficiency.
“User-friendliness and reliability are also important criteria for the new machine in order to save time and money on service and maintenance,” said Böhm. “To achieve this, we incorporated the experiences and suggestions of our customers and service technicians directly into the design.”
The Arburg servo hydraulic system (ASH), which has already proven itself in hydraulic and electric Allrounders, is integrated in the Allrounder 470 H Comfort and Premium models. ASH enables particularly energy-efficient and low-emissions operation, as the speed-controlled, water-cooled servo motor continuously adjusts the drive system to the actual power requirement. This means, for example, that when the machine stops moving, the pump drive also stops and there are therefore no more idling losses. This saves up to 50% of the energy, especially in processes with long cooling times. At the same time, the machine’s cooling requirements and noise level are also significantly reduced.
The new oil management concept reduces energy and cooling water consumption and increases the service life of the individual components, in some cases considerably. Hot, contaminated hydraulic oil is separated from cold, clean hydraulic oil in the oil container. Together with the constantly filtered and cooled return volume and targeted flow guidance, the oil quality is improved with an oil volume that is around 35% lower and the service life of the components is increased, thereby improving machine availability. The waste heat from the machine can be used to pre-heat the oil and does not flow back into the cooling water circuit as residual heat.
Additional design simplifications have been implemented to improve the user-friendliness of the machine. A real-time Ethernet bus replaces the individual ribbon cables of the control modules, which increases the service life of the machines. The distribution of the hardware on and in the machine base has been completely restructured, with the control manifold and hydraulic accumulator technology being moved inside so that there is more space for peripheral equipment at the rear side of the 470 H Allrounder machines.
www.arburg.com
Lithoz GmbH, based in Austria, Germany, has entered into a sales partnership agreement with Murugappa Group member Wendt (India) Ltd (WIL). The companies expect this collaboration will expand operations in the country’s fastgrowing Additive Manufacturing market and establishing ceramic AM as a viable market.
Founded in 1983, WIL has operated as a joint venture between Wendt GmbH and Carborundum Universal Ltd (CUMI); the organisation is ranked by IGCC as one of the Top 25 Most Successful Indo-German Joint Ventures.
“To successfully enter an important market like India, we are fully aware of the importance of choosing the best sales partner. We are very
happy and excited to be working with the Wendt/Murugappa Group in India and look forward to implementing their vast experience and business network in the field of machinery and precision components into our own work,” stated Dr Johannes Homa, CEO, Lithoz. “As two market leaders joining forces, we are fully convinced that by uniting our expertise we will make fast progress in establishing
ceramic 3D printing as an alternative production technology, strongly adding value in both fields.”
This partnership was confirmed at IMTEX, India’s main metal cutting industry event which took place from January 19-25, 2023, where the Lithoz CeraFab System S65 industrial AM machine had its marketing premiere.
www.wendtindia.com
www.lithoz.com
DNV, a risk management and quality assurance provider based in Oslo, Norway, has released a new edition of its standard DNV-ST-B203 for Additive Manufacturing of metallic parts. The standard, which is the result of a joint industry project, now includes baseline requirements for the most established AM technologies for metal parts, including sinter-based processes, and welcomes new concepts for quality assurance for data-driven manufacturing.
The new edition of DNV-ST-B203 includes qualification and production requirements for three new AM technologies, in addition to the two technologies covered in the first edition. The new edition includes provisions for the most established metal AM technologies:
• Directed Energy Deposition using electric arc, and laser beam (DED-Arc and DED-LB)
• Laser or Electron Beam Powder Bed Fusion (PBF-LB and PBF-EB, respectively)
Binder Jetting (BJT)
The standard was the first internationally accepted framework for producing and using high quality additively manufactured metal parts for the oil & gas, maritime and energy industries. It introduced approaches to manage the quality of additively manufactured metal parts, with each approach adapted based on the criticality of a part’s function.
“Additive Manufacturing offers a way of reducing waste of materials from excessive machining operations,” stated Lucy Craig, Director, Growth, Innovation & Digitalisation, Energy Systems at DNV. “The digital nature of Additive Manufacturing also enables new ways of ensuring quality control, by monitoring through sensors and logging of production trends – which, in turn, may lead to increased confidence in a part’s quality. One of the basic assumptions for achieving these objectives is standardised levels of quality.”
The new edition was made in a joint industry project (JIP) run by DNV’s Technology Centre Oslo. The JIP is called ProGRAM JIP phase 2 and was developed by running practical case studies in parallel to the development of the standard.
Stian Gurrik, Project Manager ProGRAM JIP phase 3, Technology
Centre Oslo, Energy Systems at DNV, added, “The learnings from the case studies helped the project to identify important activities in the qualification and production setting. In addition to assisting the work on the development of the standard, the project was able to create parts that can be put into service... The work also continues in ProGRAM JIP phase 3, started in June 2022 and will run into 2024.”
www.dnv.com
Sintertek, based in Istanbul, Turkey, has launched the Sinterjet M60, an affordable, compact metal Binder Jetting (BJT) Additive Manufacturing machine. With a build volume of 160 x 60 x 60 mm, and a print resolution of 1200 x 1200 dpi, the machine is said to enable the production of complex metal parts at a fraction of the cost of its competitors.
Measuring 550 x 350 x 450 mm, the Sinterjet M60 is small enough to fit on a table top and requires no dedicated electrical connections or gas supplies to operate. Capable of working with a wide selection of materials, powders and binders, the BJT machine is said to be well suited to small workshops, R&D laboratories and academic institutes.
With a dual piezo-electric print head, speeds of up to 50 cm 3/h are possible. Layer thickness can be adjusted between 20-150 µm and the Sinterjet M60 can process any powder with a D50 of 10 to 60 µm size distribution. To enable minimal effort in handling powder, the system has a removable build box. This reportedly enables a new build – or changing of material at the end of a build – to be completed in seconds,
The new Sinterjet M60 metal Binder Jetting AM machine is small enough to fit on a table top (Courtesy Sintertek)
increasing production throughput and reducing time to market.
Once the build process is complete, the additively manufactured parts within the powder will be removed from the machine with the build box and placed inside a curing oven. This will activate the binder and harden the part, readying it to be removed from the powder bed. From there, the cleaned parts are placed inside a sintering furnace to produce fully dense metal parts.
Sintertek has also developed an affordable sintering furnace to partner with the Sinterjet M60. This is expected to be available in late 2023.
www.sinterjet.com
Desktop Metal, Boston, Massachusetts, USA, has announced that it has now installed over 1,100 Additive Manufacturing machines worldwide. Of the installed machines, more than 80% are reported to be for the Binder Jetting process.
“As the highest throughput process in 3D printing, Binder Jetting is the Additive Manufacturing technology that will truly take the industry into mass production at high volumes,” stated Ric Fulop, founder and CEO of Desktop Metal. “Our 3D printing systems are already being used to manufacture powertrain components, automotive interiors, oil and gas, food processing equipment, hydraulics and some of the most advanced aerospace and nuclear parts.”
The company’s portfolio includes:
• The Production System™ P-50
The X160Pro™
• The Production System™ P-1
• The InnoventX™
The Shop System™
• The Studio System™ www.desktopmetal.com
Unique inert gas atomizing technology produces highly specified, spherical metal powders for MIM and AM applications. Team with history of developing and producing fine gas atomized powders since 1990.
Specializing in sub 30 micron powders, Ultra Fine has the technical capability to work with you to develop and produce the powder to suit your application. Ultra Fine offers flexibility and quick turn-around times.
With partner Novamet Specialty Products Corp., Ultra Fine provides various after treatments, coatings and other capabilities using Ultra Fine’s high quality powders.
Tekna Holding ASA, Sherbrooke, Quebec, Canada, has signed contracts for the sale of two plasma systems, one TEK15 and one TEK40 model, which enable the development and pilot production of highly spherical metallic or ceramic powders. Amounting to a total value of CA $1.57 million, the systems will be used in a government research centre in Belgium, and by a private company in Asia for commercial R&D purposes. Delivery is expected by the end of 2023.
The TEK15 system can be used for the development of spherical powder, nanomaterials and coatings. The sold system is to be used to develop spherical powder of
various materials to be applied in Additive Manufacturing, for instance, Binder Jetting, as well as Metal Injection Moulding (MIM).
The TEK40 system is an upscaled version of the TEK15 and can be used for development or pilot production purposes. The system sold will be used to develop and produce trial-size samples of spherical refractory metal powders.
“We are excited to announce these contracts for the sales of our TEK15 and TEK40 plasma systems, which demonstrate the growing demand for our advanced materials solutions in the industry. These systems will allow our customers
The TEK15 will be used for R&D purposes (Courtesy Tekna Holding)
to experiment with a wide range of materials and explore different plasma environments and conditions. It is exhilarating to enable our customers’ advancements and innovations,” stated Luc Dionne, CEO at Tekna. www.tekna.com
Emery Oleochemicals, Düsseldorf, Germany, announced that it received the EcoVadis Silver Medal in 2022. The company’s European Green Polymer Additives and Bio-Lubricants business units were evaluated on sustainability criteria such as environment, labour & human rights, ethics, and sustainable procurement aspects. The company’s silver ranking denotes that it is in the top 25% among evaluated companies.
Emery Oleochemicals offers a broad range of sustainable polymer additives, including binders for both MIM, CIM and sinter-based Additive Manufacturing feedstock. The polyamide-based binder system is supplied as a ready-to-use solution to be compounded with the powder to make a feedstock. It also supplies the single ingredients for customers who want to tailor the binder composition to their specific requirements.
EcoVadis is an independent platform that rates the sustainability performance of global supply chains. The audit includes twenty-one different indicators that reflect the quality of the company’s sustainability management system; topics such as health & safety also play a significant role in the assessment.
www.emeryoleo.com
Metrohm Australia & New Zealand, based in Gladesville, Australia, is now the exclusive distributor of Carbolite Gero products in Australasia. Metrohm and Carbolite Gero will work to provide ongoing support and service for all existing Carbolite Gero customers in the region,
Carbolite Gero is a manufacturer of high-temperature furnaces and ovens from 30°C to 3000°C, with a focus on vacuum and special atmosphere technology. Having over eighty years of experience, its products are suitable for a variety of manufacturing methods, including Additive Manufacturing, Metal Injection Moulding and Powder Metallurgy.
Metrohm manufactures high-precision instruments for chemical analysis. Established in 1999, Metrohm Australia & New Zealand has been supplying and servicing the Metrohm portfolio as well as other leading scientific brands.
www.carbolite-gero.com
www.metrohm.com
www.erowa.com
The EROWA PM Tooling System is the standard interface of the press tools between the toolshop and the powder press machine. Its unrivalled resetting time also enables you to produce small series profitably.
Arburg GmbH + Co KG, headquartered in Lossburg, Germany, is celebrating its centenary this year, and has recognised this important milestone with a series of ‘Arburg Anniversary Days’ replacing the company’s annual ‘Technology Days’ open house. The event took place March 8-11, with the company welcoming the international community and showcasing its complete product portfolio.
Visitors to Lossburg had access to over forty exhibits, with applications from a wide variety of
Arburg began celebration of its 100 years in February, during the first of three special events (Courtesy Arburg)
industries highlighting the entire range of products and services. These included the latest systems from the machine and robotic system portfolio, with solutions including Metal Injection Moulding, as well as a variety of digital products.
BCN3D Technologies, Barcelona, Spain, has announced a number of improvements to its Epsilon Series of AM machines. The range of machines uses Fused Filament Fabrication (FFF), a form of Material Exrtrusion (MEX), and can process stainless steel through the company’s Metal Pack optional upgrade.
According to the company, a large part of the Epsilon’s series improved
efficiency is said to be attributed to new electronics features, including the ventilation system, motor drivers and main board. Previously, the ventilation system introduced cold air inside the fans with extraction towards another grid. BCN3D found that this could potentially cause turbulence in the interior, resulting in occasional inefficiencies and resolved this by extracting hot air flow from the interior and lowering internal pressure to let the interior absorb air from the outside.
Attendees had the opportunity to learn of the company’s efforts towards sustainability and digitalisation in the Efficiency Arena, Customer Centre and Training Centre, and discovered the story behind the company’s beginnings.
www.arburg.com
server which allows users access via its local IP address.
Autocalibration XYZ is another new feature, reportedly reducing build time from forty minutes to six, a reduction of 85%. This calibration process is done by measuring multiple points to automatically adjust the build surface height and (XY) offset between both nozzles.
BCN3D has released technical improvements to its Epsilon Series of Additive Manufacturing machines
(Courtesy BCN3D)
The Trinamic TMC2130 motor has been replaced with the TMC2226, which is said to be quieter whilst performing with greater efficiency and better engine torque. Whereas their predecessors required heatsinks to cool down, the TMC2226 only heats up slightly. The main board was also replaced with custom-made single board, as opposed to several commercial pieces.
One feature the company expects will be highly anticipated is local network access, an internal web
For machines equipped with an Independent Dual Extrusion System (IDEX), BCN3D had to take the XY alignment of the two toolheads into account. This is done through the use of a square located at the back of the build surface; the toolheads use this small opening to touch the sides with the hotends, calculate their positioning on both the left and right axes, and subsequently calibrate the right offsets between them. This XY alignment is said to ensure they are perfectly aligned and avoids any crossovers or shifting of layers when additively manufacturing in dual mode.
All versions of the new generation of the Epsilon Series (W50, W27, W50 SC and W27 SC) are now available to purchase through BCN3D’s reseller network.
www.bcn3d.com
Mantle, San Francisco, California, USA, has highlighted two recent injection moulding customers which have successfully adopted its technology to automate their toolmaking processes. Nicolet Plastics and Westec Plastics both serve the medical device market and will implement Mantle’s technology to reduce the time and labour required to make precise injection mould tooling components.
“As an injection moulder, Mantle allows us to bring additional tool production in-house and increase the complexity of the tools and inserts we manufacture. We will significantly reduce the time it takes to produce production-quality tools and be able to start production in
weeks versus months,” stated Tony Cavalco, CEO, Nicolet Plastics CEO. Mantle uses its proprietary TrueShape technology – a hybrid material extrusion (MEX), CNC and sinter-based process. The system includes its P-200 Additive Manufacturing machine, built on a CNC platform, that integrates building and machining to produce parts with the accuracy and surface finish required for tooling. The P-200 machine has a build volume of 200 mm x 200 mm x 150 mm.
Nicolet Plastics has adopted Mantle’s metal Additive Manufacturing to produce steel production tooling in prototyping time and deliver moulded parts to customers more quickly. The
company recently used an AM machine from Mantle to produce production tooling for customer Gamber-Johnson. By additively manufacturing three inserts, Nicolet reduced toolmaker time from 180 hours to 12.5 hours and reduced the time to produce the first moulded parts samples from six to two weeks. Mantle produced inserts that were 95% complete and required only minor finishing before moulding began.
“We printed up the inserts and did a little bit of final fitting here and there, and we were able to get it in the press and start moulding parts relatively quickly,” stated Eric Derner, Nicolet Plastics’ Applications Engineer. “We only had about 10 hours worth of secondary operations and final fitting we had to do. Our tool maker was a little bit pessimistic at first, but when I came in that Friday to ask how everything went, he was almost jumping up and down for joy.”
Westec Plastics Corporation is a full-service plastic injection moulder which has adopted Mantle’s Additive Manufacturing technology to increase its tooling capacity without hiring on toolmakers. Mantle’s technology enables the company to produce H13 tool steel inserts anywhere from 75-95% complete with minimal time from Westec’s toolmakers.
These H13 inserts from Nicolet Plastics resulted in a reduction in toolmaking time from 180 hours to 12.5 hours, reducing the time to produce the first moulded parts from six to two weeks (Courtesy Mantle)
When producing the tooling for a medical diagnostic housing, Mantle’s technology allowed Westec to cut the tooling cost in half by reducing the number of active operation hours on the inserts from 40 hours to 10. The tools were used to mould TPE.
“Tooling is the base of our company,” stated Tammy Barras, president of Westec Plastics. “Without quality tooling, we can’t produce quality parts, but it’s getting harder and harder to find quality tool makers. Using Mantle’s technology, we can complete up to 70% of the job, and have our toolmakers handle the specialised steps that only a human can do. We need to take advantage of this new technology. With Mantle, we can provide our customers a service they can’t get anywhere else.”
www.mantle3d.com
Material Options (Metal)
Material Options (Ceramics)
Build Envelope
Quantity
Tolerance capability
CONTACT FOR MORE DETAILS
17-4PH, SS 316, Tool Steel M2 & S-7, Inconel 625, 4140
Alumina 99.5%, Zirconia
~ 300 grams max, Footprint equivalent of baseball size or less, 0.02” (0.50 mm) wall thickness minimum
10~50 samples based on footprint. Larger quantities up to 1,000 pcs welcome depending on the part size.
Within 2% of the feature size, 2~3 Ra Surface finish, Option of finishing to closer tolerances available.
Centorr Vacuum Industries, headquartered in Nashua, New Hampshire, USA, has promoted Randy Fellbaum to the position of Chief Operating Officer.
Fellbaum joined Centorr in 1997 as an Electrical Engineer before rising to the Manager of the Electrical Engineering Department. With experience in instrumentation and controls technologies, Fellbaum led Centorr’s efforts into computer-controlled HMI implementation in the early 2000s. Prior to his work with Centorr, Fellbaum worked for Saint-Gobain Diamond Film, where he headed the Furnace Deposition Team.
Fellbaum has a BS in Computer Science from Franklin Piere College, Rindge, New Hampshire, and two AS degrees in Industrial Electricity and Industrial Electronics.
www.centorr.com
Ipsen USA, Cherry Valley, Illinois, USA, has announced that Pete Kerbel will return to the company in the capacity of Sales Representative/Midwest Regional Sales Owner. Formerly Ipsen’s Vice President of Sales, Kerbel is expected to strengthen vacuum furnace sales and support for customers in this region.
Kerbel began at Ipsen in 2008 and held various roles in both new equipment sales and aftermarket services. The company stated that they anticipate Kerbel’s technical knowledge and customer relationships will be valuable assets in his new position.
Kerbel will be responsible for nine states including Colorado, North & South Dakota, Nebraska, Minnesota, Iowa, Missouri, Wisconsin and Illinois.
www.ipsenusa.com
Japan Powder Metallurgy Association (JPMA) and Japan Society of Powder & Powder Metallurgy (JSPM) have announced that World PM2024 International Powder Metallurgy Congress & Exhibition will take place October 13-17, 2024, in Yokohama, Japan.
World PM2024 will include presentations on the latest metal powder technologies, from press and sinter PM to metal Additive Manufacturing.
An exhibition will introduce the latest products and technologies from the industry supply chain. In addition, various social events and special programmes will be prepared.
www.worldpm2024.com
The Metal Powder Industries Federation (MPIF) has released its 2023 PM Industry Roadmap. This update reviews current and future demands of key markets and identifies technical barriers, challenges, opportunities and priorities that are expected to further drive the growth of the Powder Metallurgy industry. Key technology developments and example applications are identified for each of the four main categories of PM processes:
• Press & sinter
• Metal Injection Moulding
• Metal Additive Manufacturing
• Isostatic Pressing
Current industry is driven by applications in the automotive market, but growth opportunities
over the next decade are expected in the energy, aerospace, medical, dental, electrical & magnetic, defence, industrial and consumer markets.
The 2023 update also reviews the industry achievements from 2017 –2022 and features interactive links to award-winning Powder Metallurgy
components. The original 2001 roadmap, and subsequent updates in 2012 and 2017, are still valid and relevant and may continue to serve as a reference.
The 2023 PM Industry Roadmap is available to download for free from the MPIF website. www.mpif.org
The Korea Powder Metallurgy & Materials Institute (KPMI) has appointed Dr Ji-hoon Yoo, director of the Powder Materials Division at the Korea Institute of Materials Science (KIMS), as its president for 2023. Established in 1993, the KPMI has more than 2,200 members and eighty-three member companies in the Powder Metallurgy field. The organisation has a solid academic foundation and strong links with the industry.
In his inaugural address, Dr Ji-hoon Yoo stated, “I will do my best to think and communicate with the new executive team and strive
for the development of the society so that the results of the society’s past efforts can be gradually realised.”
Dr Ji-hoon Yoo obtained his bachelor’s, master’s, and doctoral degrees in metal materials engineering from South Korea’s Hanyang University, and has been working at the KIMS since 2003. He is currently serving as the chairman of the N-Team of the Ministry of Science and ICT, the advisory committee member of the Strategic Material Technology Advisory Group of the Ministry of Trade, Industry and Energy, and the expert member of the technology level evaluation
(Additive Manufacturing equipment material technology) of the Ministry of Science and ICT. eng.kpmi.or.kr
www.kims.re.kr
The Virtual Foundry, LLC, Stoughton, Wisconsin, USA, has signed a Memorandum of Understanding with the 3D Printing and Visualisation Centre at the University of Pécs, Hungary, that will see the partners focus on the development of biocompatible metal feedstock for Additive Manufacturing.
“We are so pleased to be expanding the global footprint of The Virtual Foundry through this collaboration with Dr Maróti and University of Pécs,” stated Tricia Suess, president at The Virtual Foundry. “The results of our work together will advance our understanding of metal 3D printing and new material development.”
Together, the researchers will study the biocompatibility of The Virtual Foundry’s Filamet™ metal feedstock used for Fused Filament Fabrication (FFF) Additive Manufacturing, a Material Extrusion (MEX) process. The objective is to extend the reach of Filamet to medical applications.
Dr Péter Maróti, the professional leader of the 3D Printing and Visualisation Centre, added, “The cooperation with the Virtual Foundry could pave the way for future developments that would enable the production of metal medical devices, implants and prosthetic limbs using much smaller desktop 3D printers instead of expensive equipment that requires a lot of space and special infrastructure.”
“During the project, we will carry out standardised mechanical, scanning electron microscopy (SEM) and biocompatibility tests with special materials produced by the Virtual Foundry,” he continued. “We are confident that the measurements will open the way for applied use of the technology, which would enable faster and more cost-effective manufacturing.”
www.thevirtualfoundry.com
www.pte3d.hu
The
and University of Pécs collaborate to research biocompatibility of Filamet FFF feedstockResearchers will study the biocompatibility of The Virtual Foundry’s Filamet metal feedstock. The objective is to extend the reach of Filamet to medical applications (Courtesy The Virtual Foundry)
STOCK CODE:000969
SINCE
•
A team of students from the International Space Station Research (ISS) Lab Program at Valley Christian High School (VCS), San Jose, California, USA, has used Additive Manufacturing to produce millimetrescale lattices for an experiment on capillary action in microgravity.
With struts as thin as 0.5 mm in diameter, the metal structure was not thought suitable for conventional Powder Bed Fusion or Binder Jetting technologies, so the team turned to Qualified3D, a distributor of Germany’s Metshape GmbH high-precision Vat Photopolymerisation (VPP) manufacturing services, a process the company refers to as Lithography-based Metal Manufacturing (LMM).
This technology is reportedly capable of producing parts with extremely thin walls (125 µm) and smooth surfaces (2-5 µm surface roughness before polishing) in a variety of metals, including stainless steel and titanium.
Stainless steel micro lattice structures developed by VCS for an experiment on capillary action in microgravity on the International Space Station (Courtesy Qualified3D)
“Some of our students discovered that the miniature lattice design was printable using the LMM technology and proactively reached out to them,” stated Emeka Okekeocha, ISS Program Manager at VCS. “After a technical review, we accepted the proposed change from acrylate resin to stainless steel.”
The students in the ISS Research Lab received their parts within a few weeks and now intend to put them to use for their experiment in microgravity. The experiment package should be launched to the ISS in mid-February 2023 and should begin returning data in March.
David Kou, a member of the team at VCS added, “We are very thankful to Qualified3D for how they always quickly responded to our requests and questions. Even with the many changes we requested, the parts were still delivered on time, which helped us to transition smoothly between planning and building our microgravity experiment.”
Nishimura Advanced Ceramics Co.,Ltd
Ko Nishimura (Global sales)
3-2 Kawata Kiyomizuyaki Danchi-cyo, Yamashina-ku, Kyoto - 607-8322 JAPAN
Phone: +81-80-8305-9205
Phone (Kyoto Office): +81-75-591-1313
npc-e3@nishimuratougyou.co.jp
http://www.nishimuratougyou.co.jp/english/
CIM Feedstock
Ko Nishimura (Global sales)
High Strength Translucent Alumina FS (Al2O3 99.99%)
96% ~ 99.9% Alumina FS (White, Black)
Zirconia FS (White, Black, Blue) Mullite FS
On a broader level, controlled capillarity in additively manufactured metallic lattices is hoped to open new technical possibilities in future outer space applications such as gas filtration, aerosol sample collection, and temperature management. Another application is being able to passively control the position of water in a container, since, without this technology, it would be difficult to predict the location of the water in applications such as plant growth, for example.
www.metshape.de
www.qualified3d.com
American Isostatic Presses Inc (AIP), headquartered in Columbus, Ohio, USA, has installed a rapid cooling system to its Additive Manufacturing research and development Hot Isostatic Press (HIP). Rapid cooling has the potential to eliminate the need for additional heat treatments, such as quenching and solution heat treatment.
The rapid cooling system can quench parts at up to 200ºC per
minute. This system is designed for materials that can benefit from rapid cooling to produces favourable microstructures, including maintaining fine grained microstructures or for precipitation of carbides and oxides at grain boundaries which can improve high temperature strength and creep resistance.
AIP’s research facility is also equipped with HIP systems that can process parts to 60,000 psi and 2000ºC as well as a CIP/WIP system capable of operating pressures of 85,000 psi.
www.aiphip.com
The Metal Powder Industries Federation (MPIF)’s Awards Committee has announced the recipients of the 2023 MPIF Distinguished Service to Powder Metallurgy Award, recognising individuals who have actively served the North American PM industry for the last twenty-five years and, in the minds of their peers, deserve special recognition.
Over seventy nominated individuals were on the ballot, which was reviewed by the past decade of Distinguished Service Award recipients and the MPIF board of governors and boards of directors of MPIF trade associations. The 2023 recipients are:
Christopher T Adam, PMT, VALIMET Inc.
• Carl Blais, Laval University
• Shelton R Clisby, Hoeganaes Corporation
• Thomas K Houck, Nichols Portland Inc.
Bo Hu, North American Höganäs Co.
• Edmond Ilia, retired, formally of AAM Powertrain
Todd A Leonhardt, Rhenium Alloys, Inc.
• Eric J Reinert, Bronson & Bratton, Inc.
• Mark Saline, Gasbarre Products, Inc.
• Rajiv Tandon, Luxfer Magtech Inc.
• Juan RL Trasorras, Global Tungsten & Powders Corporation
• Barton White, Kymera International
The awards ceremony is scheduled to take place during PowderMet2023, June 18–21, Las Vegas, USA.
www.mpif.org
Formatec, a Nano Dimension company based in Goirle, the Netherlands, has purchased its first full-size Metal Injection Moulding furnace from Elnik Systems, LLC, Cedar Grove, New Jersey, USA. The new furnace will enable Formatec to debind and sinter MIM components in-house, rather than using a toll-sintering specialist. Prior to this investment, sintering services were outsourced to DSH Technologies, a company affiliated to Elnik Systems with tollsintering operations in both the US and Germany.
Formatec has provided MIM services to its customer base since 2020, initially using the process for refractory metals such as molybdenum and tungsten. The material range has since been expanded with more conventional metals such as 316L and 17-4 PH. Prior to its move into MIM, Formatec was focused on Ceramic Injection Moulding and ceramic Additive Manufacturing, serving sectors that include luxury goods such as watchcases, as well as industrial components.
René Bult, Managing Director, Formatec, stated, “I am really looking forward to further expand our manufacturing services for the exciting MIM and metal AM market.”
www.formatec.nl
The European Powder Metallurgy Association (EPMA) has launched its 2023 Powder Metallurgy Thesis Competition. The competition is open to all graduates of a European University whose theses have been officially accepted, or are approved by the applicant’s teaching establishment, during the previous three years.
The aim of the competition is to develop interest in Powder Metallurgy amongst young scientists at European academic institutions and encourage research at under- and post-graduate levels. Theses, which must be classified under the topic of Powder Metallurgy, will be judged by an international panel of PM experts.
Competition winners will receive €500 for Masters and €1,000 for Doctorate levels, as well as complimentary registration to Euro PM2023 Congress & Exhibition.
www.epma.com
Formatec has purchased a vacuum debind and sintering furnace from Elnik Systems LLC for MIM and sinterbased metal AM part processing (Courtesy Nano Dimension)
Admatec Europe BV, Goirle, the Netherlands, reports it recently sold two Admaflex 130 ceramic and metal Vat Photopolymerisation (VPP) Additive Manufacturing machines to European universities. The new machines have been installed at the Institute of Photonics and Quantum Electronics (IPQ) of the Karlsruhe Institute of Technology, Germany, and the Lycée Edgar Faure, based in Morteau, France.
The IPQ group works on many topics, including hybrid photonic integrated circuits, enabling the integration of complex optical systems in a very small footprint, and optical metrology and sensing,
with the goal to develop photonic sensor systems for applications in chemistry, biology, and the lifesciences. The group’s new Admaflex 130 is expected to be involved in a variety of projects, such as additively manufacturing the submounts for assemblies with optical chips.
The Lycée Edgar Faure is reputed to have one of France’s most prestigious horology programmes. More than 1200 students are learning technologies for producing parts for the watch industry. After training, the machine will be used to additively manufacture a wide range of ceramic and metal components.
www.admateceurope.com
The Metal Powder Industries Federation (MPIF) has published the technical programmes for the co-located PowderMet2023: International Conference on Powder Metallurgy & Particulate Materials and AMPM2023: Additive Manufacturing with Powder Metallurgy events, scheduled to take place in Las Vegas, Nevada, USA, from June 18-21.
PowderMet2023 is a hub for technology transfer for profes sionals from every part of the industry, including buyers and specifiers of metal powders, tooling and compacting presses, sintering furnaces, furnace belts, powder handling and blending equipment, quality-control and automation equipment, particlesize and powder-characterisation equipment, consulting and research services, and more.
PowderMet Technical Session tracks include:
• Refractory carbide materials
• Advancements in furnaces
• Lubricants
• Composite materials
• Atomisation
• Testing PM parts and materials
• Powder metal CNC machining
• Characteristics of compacts
Alloy development
Powder Injection Moulding
Material characterisation
PM product applications
Novel processing technologies
In addition to PowderMet’s technical programming, the conferences feature a trade show devoted to Powder Metallurgy, Metal Injection Moulding and metal Additive Manufacturing. The marketplace will host over 100 booths and will present leading companies working with AM and PM equipment, powders, products and services.
www.powdermet2023.org
The European Powder Metallurgy Association’s Metal Injection
Moulding seminar, taking place May 24-25, 2023, will cover the latest developments in MIM and include a specific focus on powders and feedstocks. The event will be hosted in Sandviken, Sweden, at the Högbo Sandvik facility, north of Stockholm. A visit to the Sandvik AM centre and MIDAS & ATHENA powder production facilities will be included.
Topics covered include:
• Powder production, characterisation and optimisation;
• Novel MIM feedstock, feedstock characterisation and optimisation;
• Moulding and mould technology, green parts quality monitoring and optimisation;
• Debinding technology, brown parts quality monitoring and optimisation;
• Sintering technology, sintered part quality monitoring and optimisation;
• Post-sintering treatments
• Simulation, digitalisation
Sustainability
Following a successful introduction at the 2020 event, a number of interactive sessions will also be organised, giving all participants the chance to share opinions in a brainstorming session. This is intended to give everyone the opportunity to contribute, highlighting priorities, possible developments and applications – and also in view of possible collaborative R&D.
Discounted registration is available for end-users, students and EPMA members, with the deadline for registering set as May 10, 2023. www.epma.com
The Japan Society of Powder and Powder Metallurgy (JSPM) has confirmed dates of the International Conference on Powder and Powder Metallurgy 2023 (JSPMIC2023), and issued a call for papers. The event will take place October 16-18, 2023, in Doshisha University, Kambaikan, Kyoto, Japan.
Abstracts are welcome in any of the following categories:
• Synthesis, Modification and Properties of Functional Particle; Powder Handling and Processing; Colloidal Dispersion and Processing
• Powder Compaction; Powder Forging, Rolling, Extrusion; Spray Forming; CIP and HIP; PIM; Additive Manufacturing
• Sintering and Post Processing; Spark Plasma Sintering and Field/Current Assisted Process; Testing and Evaluation; Quality and Environment Control; Powder Manufacturing and Treatment; Mechanical Alloying; Modelling and Simulation
• Iron and Steel Materials; Non-ferrous Materials and High Entropy Alloys; Refractory and High Temperature Materials; Automotive Applications; Aerospace Applications
• Cemented Carbide; Cermet Diamond, CBN, Ceramics; Hard Coatings
• Soft Magnetic Materials; Hard Magnetic Materials; Materials and Devices with Magnetic Functionality
Composite and Hybrid Materials; Porous and Cellular Materials; Friction Materials; Metallic glasses (Bulk, Rapidly quenched); Nano and Ultra-fine Materials; Optical Materials; Functionally Graded and Layered Materials; Bio-Medical Materials; Ionic Conducting Materials;
Battery and Electrode; Magnetic, Superconducting, Electric, Dielectric and Thermoelectric Materials; Electronic Components and Packaging Materials; Power Electronic Devices
The deadline for the technical programme presentation application is June 30.
The JSPMIC2023 committee and the editorial board of the Journal of JSPM have also announced plans to establish the JSPMIC2023 Paper Award. This will be judged after the event, with the window for paper submission being October 19February 29, 2024. The content of the paper must be the same as the presentation given at JSPMIC2023.
Discount registration for the event is available until September 22, with discounted rates also available for students.
www.jspm.or.jp/en
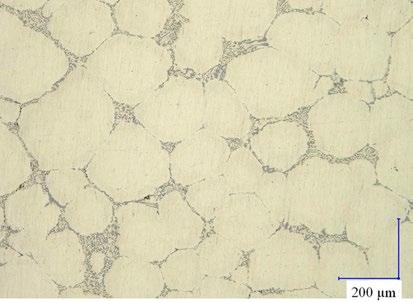
Silver as a precious metal has widespread applications, including in jewellery, coinage, electronic parts, electrical contacts, dental alloys, and water purification. Whilst PIM is considered as a suitable and potential process for producing complex shaped, precision components from a wide variety of metals and alloys, there are currently limited applications for silver.
There are a number of challenges in processing silver by PIM and important among these challenges is the selection of suitable binder compositions for the feedstock.
Research at the Metallurgy and Materials Science Research Institute, Chulalongkorn University, Bangkok, Thailand, has recently been focused on the use of a binder composed of Polyethylene Glycol (PEG) and Polyvinyl Butyrol (PVB) for silver powder feedstock. In this capacity, PEG provides the necessary feedstock viscosity for moulding and acts as the water-soluble binder in the first stage of debinding, whilst
PVB acts as the backbone binder for shape retention during both the water debinding and the thermal debinding stages.
This type of environmentally friendly PEG/PVB composite binder has previously been researched at Chulalongkorn University for the Powder Injection Moulding of metal, hard materials and ceramic powders in order to avoid the use of organic solvent binders used in many PIM feedstocks.
The latest research results on the characteristics of the PEG/PVB binder for injection moulding of silver feedstock was recently published in the paper “Preparation of feedstock containing water-soluble binder for powder injection moulding of silver” in the Journal of Metals, Materials and Minerals, by authors C Aumnate et al, Vol. 32, No. 3, July 2022, 75-79 pp.
The authors used an irregular shaped silver powder with some agglomeration in the particle size range of 1-20 µm. Powder loading in
the feedstock was limited to 42 and 45 vol.% after it was found that feedstock with a higher powder loading of 48 vol.% could not be injected into the mould because it was too dry. The PEG/PVB feedstock with a constant ratio of 85/15 for the two binder constituents and silver powder loading as mentioned above, was injection moulded to produce circular disks having a diameter of 20 mm and thickness of 1.8 mm using a plunger-type injection moulding machine at 180°C.
Water leaching for up to 6 h was used to remove PEG in the initial stage of debinding and to create open pore channels for removing the remaining PVB which was subsequently done by pyrolysis. Fig. 1 shows the percentage removal of the PEG by water leaching over the debinding period and Fig. 2 shows that the moulded components retained their shape and were crackfree using water as the debinding medium. There were also no cracks observed when the debound silver disks were subsequently heated at 700°C in an argon atmosphere for debinding the PVB. This was attributed to the slow rate of decomposition of PVB in the specimens, which the authors stated helped shape retention as well as avoiding cracks during both thermal debinding and sintering.
Fig. 1 PEG removal from silver powder injection moulded disks by water immersion at different times (From the paper “Preparation of feedstock containing water-soluble binder for powder injection moulding of silver,” in the Journal of Metals, Materials and Minerals, by authors C Aumnate et al, Vol. 32, No. 3, July 2022, 75-79)
Shrinkage of specimens subjected to thermal treatment at 700°C in an argon atmosphere was stated to be in the range 1-3%, which is low compared to shrinkage of around 15-20% normally expected in components made by PIM, depending upon their powder loadings, debinding and sintering conditions. The authors stated that the small amount of shrinkage of PIM silver specimens observed in this work might have occurred due to the swelling of silver during thermal debinding. It was also proposed that the air trapped in closed pores, formed during the PIM process as well as the release of oxygen from silver particle surfaces, contributed to the swelling of silver components. Density measurement for specimens made with 42 vol.%
and 45 vol.% powder loading after heating at 700°C were 43% and 46% of the theoretical value, respectively.
The authors reported that they would be undertaking a systematic
study to investigate the effect of various sintering parameters on the properties of the porous silver components using the PEG/PVB binder, which they stated have poten -
tial for components with controlled porosity in biomedical implants and certain jewellery designs.
www.jmmm.material.chula.ac.th/ index.php/jmmm
Whilst Additive Manufacturing has already moved from being a laboratory-scale process to an industrial process for polymers and metals, the same level of maturity has not yet been achieved for all ceramic AM processes. One of the key issues is the reduced mechanical properties of ceramics processed by Material Extrusion (MEX)-based AM processes compared with conventional processing techniques such as uniaxial or Cold Isostatic Pressing (CIP) and Ceramic Injection Moulding.
Compared to other AM processes, MEX-based techniques — such as the Fused Filament Fabrication (FFF) and pellet-based Material Extrusion – have the benefits of simplicity and low investment costs, the possibility to produce multi-material compo -
nents or functionally graded materials, and low material waste during production.
As the MEX of metal or ceramic-loaded filaments or pellets is a thermoplastic-based process, the commercially available binder systems used in Powder Injection Moulding (PIM) can be adapted. Recently, research has been reported that demonstrated that the screwextrusion-based MEX using feedstock pellets can be used to produce zirconia parts with good mechanical properties.
The binder used was based on 25 wt.% Ethylene-Vinyl Acetate Copolymer (EVA), 20 wt.% Polyethylene (PE), 50 wt.% Paraffin Wax (PW) and 5
wt.% Stearic Acid (SA). The screw extruder used consisted of different zones to transfer, melt, and compress the feedstock granulates (pellets).
Due to the high-pressure build-up at the end of the screw, the melted feedstock can then be extruded through the build nozzle as thin filaments and placed on the build tray in a layer-by-layer manner to build complex ceramic structures not achievable by conventional ceramic shaping methods.
To further investigate the potential of using PIM feedstock for MEX AM processing, researchers at Empa - Swiss Federal Laboratories for Materials Science and Technology, Dübendorf, Switzerland, and the Hochschule Koblenz, Germany, studied the use of commercially available PIM binders for the MEX of zirconia parts. The results of their research were published in Additive Manufacturing, 57, 102966, 14 pp, published online June 15, 2022.
Ceramic & metallic powders with high surface area
Three step:
1- Solvent debinding in water
2- Partial debinding
3- Thermal debinding EmK84G-P
& metallic powders with high surface area
Three step:
1- Solvent debinding in water
2- Partial debinding
3- Thermal debinding
EmCC-P
printing
CC Suitable for extrusion
Ceramic & metallic powders with high surface area
Three step:
1- Solvent debinding in water
2- Partial debinding
3- Thermal debinding EmM-P
Table
Three step:
1- Solvent debinding in isopropanol/ acetone
2- Partial debinding
3- Thermal debinding
Three step:
1- Solvent debinding in acetone
2- Partial wick debinding
3- Thermal debinding
published in Additive Manufacturing 57, (2022) 102966. 14 pp)
The researchers used four commercial Embemould (Krahn GmbH, Germany) binder compositions which were mixed with 45 vol.% yttria-stabilised zirconia powders having a median particle size (D50) of 0.6 µm to prepare feedstock pellets for the MEX of disk-like structures for biaxial flexural strength analysis using a ring-on-ring setup.
For pelletising, all feedstocks were extruded into 0.5 mm strands by a capillary rheometer and the extruded filaments were crushed into small pellets using a hand blender. Disks with a diameter of 47.37 mm were built to achieve a final diameter of 36 mm after sintering to perform the ring-onring strength analysis.
For comparison purposes, a commercial zirconia filament (Fabru GmbH, Switzerland) with a diameter of 1.75 mm was also selected to additively manufacture disk samples using a consumergrade AM machine, equipped with a direct drive build head. Table 1 shows the characteristics of the five commercial ZrO 2 feedstocks used in the study. For benchmarking, a two-step compaction process, involving die compaction followed by Cold Isostatic Pressing to enhance green density, was also used to produce disk samples with a diameter of 47.2 mm and a thickness of 2.24 mm using readyto-press zirconia powder.
A MEX machine equipped with a screw extruder and a nozzle with a 0.8 mm orifice was used to additively manufacture the zirconia feedstock pellets. Unlike filamentbased build heads, an additional heating zone located above the hot-end is implemented in the pellet-based build head. Fig. 1(a) shows the heating and time profiles used for both filament-manufactured and pellet-manufactured disks.
The MEX samples were debound gradually in three steps (i.e., solvent debinding, partial/wick debinding and thermal debinding). As the type and the content of
binder components are not identical for all the samples, different debinding conditions were required as shown in Fig. 1(b).
During their research, the authors established that the application of three of the binder compositions was limited, either due to phase separation during processing, poor build performance or delamination during solvent debinding. Therefore, build parameters were investigated using only feedstock based on the Embemould CC binder composition, which was successfully additively manufactured, debound and sintered.
DSC-TG analysis showed a slightly higher powder loading and a higher binder removal during solvent debinding for Embemouldbased feedstocks compared to the Fabru feedstock. Final thermal debinding and sintering was done under static air atmosphere with time/temperature profiles shown in Fig. 1(b). Sintered density values showed that a density of 6.07, 6.01, and 5.62 g/cm 3 could be obtained for the press-CIP samples, the additively manufactured samples made by Fabru filaments, and the Embemould CC binder composition, respectively.
A ring-on-ring setup was used to investigate the equibiaxial flexural strength after sintering, for both pellet and filament-built disks, as well as the CIPed ceramic disks used for benchmarking. The ring-on-ring results showed a low Weibull modulus (3 <m <5) for all samples. The characteristic strength and 90% confidence intervals were used to compare the strength of ceramic samples produced via MEX and CIP.
The authors found that almost similar mechanical properties were obtained for the CIP pressed ( σ 0 = 657 MPa) and Fabru filament-manufactured ( σ 0 = 531 MPa) samples. The lower sintered density in the filament-manufactured sample was thought to contribute to the lower strength. An even lower
Your choice when it comes to state of the art economical sinter plates
Keralpor 99
Homogenous shrinkage
for MIM CIM & 3D-Printing
sintering automation
Keralpor S Good flatness
High reliability laser cutting
charging smooth surface no discolouration
Fine-grained texture
Good thermal shock resistance
Good heat dissipation debinding no discolouration
no irritations no sticking
robot handling
tape casted
May 2 - 3, 2023
CERAMICS EXPO
Suburban Collection Showplace, Novi, Michigan, USA
Booth 1826
Fig. 1 Summary of the heating profiles used for (a) partial debinding of filament and pellet printed disks and (b) thermal debinding and sintering of the printed and pressed disks (From the paper “Material extrusion additive manufacturing of zirconia parts using powder injection moulding feedstock compositions” by A Hadian, M Fricke, A Liersch, F Clemens and published in Additive Manufacturing 57, (2022) 102966. 14 pp)
strength was obtained by the pellet-manufactured samples based on Embemould CC PIM binder ( σ 0 = 203 MPa).
SEM fractography on sintered samples fabricated with this binder
confirmed that the poor fusion between the additively manufactured layers led to the origin of the crack initiation and was the main reason for the inferior mechanical performance. The authors
concluded that this effect could be avoided by tailoring the binder composition to achieve better fusion during the manufacturing process.
www.sciencedirect.com/journal/ additive-manufacturing
Gas Atomised Alloy Powder
Hybrid Gas-water Atomised Alloy Powder
ISO 9001:2015
ISO 14001
IATF 16949
We offer standard and tailored Carbonyl Iron Powder, Gas Atomised and Hybrid Gas-water Atomised Alloy and Amorphous Powders used for metal injection moulding parts; inductive electronic components with excellent resistance to salt spray, high temperature and humidity; electromagnetic shielding and microwave absorption; diamond tools and high-density tungsten alloy; additive manufacturing and laser cladding.
In addition, we produce metallo-organic compounds such as iron pentacarbonyl Fe(CO)5, diiron nonacarbonyl Fe2(CO)9, triiron dodecarbonyl Fe3(CO)12, tungsten hexacarbonyl W(CO)6
Address: No. 166, Yingchun Rd, Xuyi, Huai’an 211700, Jiangsu, China Tel: +86-517-88434888 \ 88701888 \ 88434166 Mobile: +86-17388415059
Email:a1@tycx.cn | jrtyc@189.cn
Website: www.cip-world.com | www.tycx.cn
Low-pressure Powder Injection Moulding (LPIM) and High-pressure Powder Injection Moulding (HPIM) are essentially similar manufacturing processes. However, the LPIM process requires the use of low-viscosity feedstocks between 1.5 and 4.0 Pa·sec to take advantage of lower injection pressures of less than 1 MPa. HPIM injection pressures typically range between 20 and 200 MPa, using, for example, a moulding machine with a complex hydraulic unit, pistons, and spindles to process feedstocks with viscosities ranging between 100 and 1000 Pa·sec.
LPIM moulding machines, in contrast, tend to use simple hydraulic mechanisms and are generally smaller in size, resulting in lower equipment costs, lower energy consumption, lower mould wear, less feedstock contamination from spindle or piston wear, minimal mixture adhesion to the mould, and non-separation of the feedstock binder from metallic powder.
LPIM has been used successfully for ceramic component production in low and high volumes for several decades, whilst HPIM has, for the past thirty-to-forty years, focused largely on the high-volume production of a wide range of materials including alloys, hard metals, and ceramics for relatively small, highly complex shaped components. However, LPIM is attracting the attention of HPIM producers and component users because of the potential savings through using lowercost and reduced-size injection moulding equipment, the development of feedstock binders with improved flowability using low-molecular-weight polymers, and the elimination of multiple debinding steps which are required in HPIM.
Recent research has shown that LPIM can also be a cost-effective process for prototyping and small-series production of complex, near-net shape metal-based components with high added value, such as for aerospace and medical applications. However, the primary challenge for adopting LPIM is the composition of the feedstock, which affects issues associated with injection moulding and subsequent debinding.
In order to ascertain the future potential of LPIM, a group of researchers at the Montanuniversitaet Leoben, Austria, (V Momeni, M Hufnagl, Z Shahroodi, S Schuschnigg, C Kukla and C Holzer), and the Luxembourg Institute of Science and Technology (J Gonzalez-Gutierrez), has produced a comprehensive survey of published research on the characteristics of all processing steps in LPIM, including the characteristics of metal and ceramic powders used, binders, moulding, debinding and sintering. The 44-page survey,
HEAR KEY INSIGHTS FROM INDUSTRY EXPERTS BUILD YOUR NETWORK DISCOVER THE LATEST INNOVATIONS
including 226 references from both academic and industrial research work, was published online in Materials, 16, 379, December 23, 2022.
The authors of the review reported that research groups have used LPIM to produce parts from a range of metal alloys including iron, 316L stainless steel, Inconel 718 superalloy, and ceramics and cemented carbides, in the range of 100–10,000 units. Current research efforts were found to be focused on developing experimental methods and numerical simulations to examine the impact of powder characteristics, injection parameters, and feedstock properties/features on metal powder and binder segregation during LPIM.
With regard to feedstock, it was stated that the low-viscosity, multicomponent binders typically used in LPIM have largely been based on paraffin wax (PW) which ensures excellent moulding capabilities and
promotes powder-binder interactions and feedstock stability, resulting in little segregation. Such low-viscosity wax-based binder systems are said to exclude polymers because of their high molecular weight.
It was stated that using higher powder loading for LPIM feedstock is usually not desirable, as it could generate process-related issues and complications such as agglomeration, inhomogeneity in the feedstock and different defects in each step. Additionally, the absence of elements in the binder that assist shape retention at high temperatures indicates the precise debinding and sintering should be performed with extra care. It can also be challenging to attain excellent mechanical characteristics with the lower powder loading in LPIM feedstock compared to HPIM feedstock.
These are just some of the challenges which have been reported on by different researchers on the LPIM process in the literature. The authors
A technology hub of the highest level and unique worldwide in terms of capacity and technology.
Molds, MIM Metal Injection Molding, CIM Ceramic Injection Molding, Cnc Milling, Zamak Injection.
Know more: visotticagroup.com/meccanica-di-precisione
stated that this first comprehensive literature review of the many investigated metallic and ceramic materials processed by LPIM will help provide a basis for any future work required to overcome challenges.
The review is divided into six sections. Following the Introduction, Section 2 outlines the features of the ideal raw material, for both metal and ceramic, such as powder Particle Size Distribution (PSD) and its effects on surface area, rheology and packing density, all of which influence the flowability of the LPIM feedstock and the homogeneous filling of the mould cavities. This section also covers binders used for LPIM feedstock, which are composed of multiple ingredients to account for the numerous tasks the binder must accomplish. The binder must make the powder flow, prevent powder agglomeration, prevent phase separation, and decompose gradually during debinding, and should not chemically react with the powder.
In addition to focusing on the importance of suitable powder selection, numerous researchers have proposed several binder compositions that can be used with various metal and ceramic powders in the LPIM process. Ultimately, the proper combination of binder and powder in the LPIM feedstocks ensures good quality parts obtained by LPIM. As already mentioned, wax-based binders are generally used in LPIM, but the past fifteen years have seen an increasing focus on the use of low-molecular-weight polymers to produce low-viscosity feedstock.
Another successful development is a partially water-soluble binder system used for the LPIM of alumina powder. The binder system consists of Poly (2-ethyl-2-oxaline) as the water-soluble portion, LDPE for high strength during debinding, SA, and a small amount of gelling agent to decrease its viscosity. LDPE is a thermoplastic polymer used as the backbone in feedstock preparation for micro-PIM and LPIM. Iron parts have also been reported to be produced by LPIM
using four irregular shaped particles sieved at < 45, <20, and <10 µm (56–58 vol.% powder loading) as well as a spherical iron powder with a d50 as low as 4 µm (62 vol.% loading) using a standard waxbased binder system.
Section 3 introduces techniques for characterising feedstocks; including rheology, thermal analysis, and several methods for determining the homogeneity of feedstocks used in LPIM.
Section 4 outlines the LPIM moulding process, which is said to be very different from HPIM, in three subsections; injection machine and mould, parameters and defects, and simulation.
Section 5 discusses debinding, which is essential due to the use of wax binders. Thermal wick debinding has been found to be highly successful for LPIM.
Section 6 describes the sintering process. The sintering step in LPIM is essentially very similar to HPIM – both are highly dependent on the metal or ceramic powder used in the feedstock. The low pressure used in LPIM can affect the
sinterability of moulded and debound components and the use of sintering additives is sometimes required.
LPIM is described in this survey as a promising technology that is already in use for commercial products, with the lower cost of LPIM equipment making it a cost-effective process, whether for low- or highvolume production. A further benefit of LPIM is the ability to carry out injection moulding at lower temperatures than HPIM, which is favourable for some specific powders such as magnetic alloys vulnerable to oxidation at temperatures above 200°C.
In the final section, the authors outline their views on the further development and application of LPIM and present intriguing suggestions for future investigations with the potential to increase new opportunities for the LPIM process. They also propose the future use of LPIM feedstock in Material Extrusion (MEX)-based Additive Manufacturing processes such as ‘direct ink writing’ and ‘robocasting,’ since the feedstocks behave similarly to those used in LPIM.
www.mdpi.com/journal/materials
At JSJW New Material, we’ve been committed to researching titanium and its alloys since our establishment. Thanks to our unique IPCA gas atomisation technology, we’re able to provide the Additive Manufacturing industry with high-quality, lightweight, spherical powder in various particle sizes that boasts good sphericity, high fluidity, and biocompatibility, satisfying the needs of various industries.
Titanium has become the go-to metal in the aerospace, medical, automotive, cycling, 3C, and other high-value industries due to its high mechanical properties, strengthto-weight ratio, and superior corrosion resistance when compared to other metals. As a key raw material, titanium powder plays a crucial role in achieving these benefits. The benefits of titanium extend beyond AM. We also offer services to mainstream mobile phone brands, including preliminary process research and development, MIM feedstock development, and post-processing.
Our title, “After a Storm Comes Titanium,” reflects the major breakthroughs and applications of titanium and its alloys in additive manufacturing in 2023, which will fuel demand for materials and technical support in the AM and MIM industries.
Our in-house manufacturing and innovative IPCA technology for metal powder manufacturing will provide cost-effective raw materials to the industry and increase profit margins for customers.
None of this would be possible without the imagination of engineers – that’s why we welcome discussion on MIM and AM.
Degradable metallic biomaterials are a new family of alloys with the potential for use in medical implants with a temporary function. These alloys are being considered as potential replacements for the corrosionresistant alloys currently used for orthopaedic, cardiovascular and paediatric implants. The development of iron-based materials has been of particular interest for load-bearing applications, with Mn seen as one of the most promising alloying elements.
Studies have reported that the amount of Mn released by the degradation of FeMn-based alloys in body fluids is much lower than their toxicity level in blood and the body can also rationally metabolise the gradual release of Mn. Meanwhile, the electrode potential of Mn is lower than Fe; the infinite solid solution formed by Fe-Mn has a higher corrosion potential; and, when the Mn content is higher than 29 wt.%, Fe-Mn alloys possess a single austenite phase, improving Magnetic Resonance Imaging (MRI) compatibility. The
addition of C can further improve the degradation rate of FeMn-based alloys by forming local galvanic cells and simultaneously improves the strength and plasticity of Fe-Mn alloys.
Research at China’s State Key Laboratory of Powder Metallurgy, Central South University, in cooperation with The Second XiangYa Hospital, also located at the Central South University, Changsha, has shown that Fe-35Mn alloy with the addition of 0.5C has low Mn volatility, high density, and favourable mechanical properties when produced by Metal Injection Moulding. The results of the research were published in a paper entitled ‘Enhanced Mechanical Performance of a Biodegradable Fe–Mn Alloy Manufactured by Metal Injection Moulding and Minor Carbon Addition,’ by Ye Zhang, et al., in Metals, 12, 884, May 23, 2022, 9 pp.
The authors stated that, in their previous work on determining the mechanical and degradation properties of Fe-Mn degradable alloys produced by MIM, it was found that
there was still a significant Mn loss (2.25%) due to volatilisation during sintering, the oxygen impurity content is high (0.32 wt.%), and the relative density reached only approximately 93%. The single deformation mechanism and high porosity resulted in relatively poor mechanical properties (tensile strength of 558 MPa and elongation at 10.8%). The present reported work was therefore aimed at introducing and optimising the carbon content in the MIM Fe-Mn alloy, using pressure sintering, and examining the resulting sintered microstructure, mechanical properties, and corresponding mechanical deformation mechanism.
In this study, Fe-35Mn pre-alloyed (D50 = 14.0 µm) and graphite (D50 = 30.8 µm) powders were mixed with a multi-component binder system (60 wt.% Paraffin + 36.5 wt.% High-Density Polyethylene + 3.5 wt.% Stearic Acid) to produce the MIM feedstock, with powder loading at 58 vol.%. Fe-35Mn feedstock was also prepared without carbon addition for comparison of sintered properties. The pelletised feedstock was injection moulded to produce the Fe-35Mn-0.5C green part samples, having a length of 108 mm and a diameter of 3.8 mm, as shown in Fig. 1(c).
Mechanical Performance of aBiodegradable Fe–Mn Alloy Manufactured by Metal Injection Moulding and Minor Carbon Addition,” by Ye Zhang, Song Li, Dongyang Li, Yimin Li, Hao He, and Chang Shu, Metals, 12, 884, May 23, 2022, 9 pp) (a) (b) (c) Green parts 50 µm 50 µm Sintered parts
ADOPTING ADVANCED GAS AND WATER
COMBINED ATOMIZATION TECHNOLOGY
Table 1 Compositions and relative density of the vacuum sintered (VS), pressure sintered (PS) and pressure sintered Fe-35Mn with 0.5C (PS0.5). (From paper: “Enhanced Mechanical Performance of a Biodegradable Fe–Mn Alloy Manufactured by Metal Injection Moulding and Minor Carbon Addition,” by Ye Zhang, Song Li, Dongyang Li, Yimin Li, Hao He, and Chang Shu, Metals, 12, 884, May 23, 2022, 9 pp)
A two-step debinding method was used, involving solvent debinding (Dichloromethane, 40°C, 8 h), followed by thermal debinding (argon, 600°C, 1 h). The debound specimens were then sintered at 1200°C for 7 h under a low-vacuum atmosphere (10−1 Pa) or an argon atmosphere using applied pressure of 5 atm. The selection of the sintering temperature and holding time mainly referred to the equilibrium vapour pressure of Mn established by the authors in their previously reported study.
It was found that a small amount of volatilised Mn vapour was continuously evacuated during vacuum sintering, promoting the continuous loss of Mn during the sintering process. However, this problem was avoided during pressure sintering, which dramatically reduces the volatilisation of Mn and ensures the stability of alloy composition. Table 1 shows the elemental content and relative density of the three investigated compositions. As can be seen, the relative density of the pressuresintered Fe-35Mn with 0.5% carbon addition (PS0.5) reached 97%. The pores of the vacuum sintered (VS) alloy were found to be of irregular shapes, whilst the pores of the PS and PS0.5 alloy pressure sintered in argon were fine and uniform.
Fig. 2 shows that the tensile strength of the pressure-sintered Fe-Mn-0.5C alloy reached 778 MPa, which is a significant increase compared to the Fe-Mn alloy without C, and elongation was increased to 35%. The significant increase in strength and plasticity was attributed to the optimisation of the pressure sintering process and carbon content, which in combination, helped to increase the density.
Fig. 2 (a) Tensile stress-strain curve and (b) comparison of the comprehensive mechanical properties with the biodegradable Fe-Mn, Mg, and Zn alloys reported in the main literature references (From the paper “Enhanced Mechanical Performance of a Biodegradable Fe–Mn Alloy Manufactured by Metal Injection Moulding and Minor Carbon Addition” by Ye Zhang, Song Li, Dongyang Li, Yimin Li, Hao He, and Chang Shu, Metals, 12, 884, May 23, 2022, 9 pp)
The authors concluded that the highly dense pressure-sintered microstructure of the Fe-35Mn-0.5C showed uniform austenite phase composition, twinning-induced plasticity, and carbon-accelerated twin growth mechanism, all of which are responsible for its excellent mechanical properties.
WHERE IDEAS TAKE SHAPE.
We know that additive manufacturing offers undreamed of potential. In addition to the printer, however you also need the upstream and downstream processes plus the experts, who have mastered the technology. You’ll only find all this at the AM highlight Formnext in November.
For knowledge transfer, industry news and connecting with the AM community all year round visit formnext.com Be
From the creation of increasingly elaborate high-strength components with complex geometries to decorative elements, Metal Injection Moulding has become the go-to manufacturing process for the eyewear industry. Italy’s Visottica Group is a leading supplier to this sector and, in recent years, has expanded its capabilities through acquisitions, resulting in the optimisation of the entire production chain. Luca van der Heide reports for PIM International
Visottica Group is one of the leading players in the international eyewear components industry. Through a strategy of targeted acquisitions, it has gained technological capabilities in the production of components for its primary customer base in the eyewear and fashion markets. The company also sees growth potential in many other sectors, including the mechanical, automotive and industrial markets.
At the centre of Visottica Group’s technological capabilities is Metal Injection Moulding, which sits within an integrated workflow from mould manufacturing to finishing. By pursuing its goal of providing an increasingly complete and streamlined service, the group is expecting that a synergy of competencies and technologies focused on the production of complex, customised components across all the stages of the workflow will bring continued growth.
Strategically placed close to the famous eyewear district of Belluno, the group’s parent company, Visottica Industrie S.p.a., has been
producing customised components for frames, high-end fashion accessories and mechanical components since 1947. Over the years, the group has devoted considerable time and effort to including different stages of the production chain under the same brand, building a unique manufacturing culture.
A key step in this process was the acquisition of Ookii and Matrix in 2017. Matrix was one of the first companies in Italy to employ MIM in the production of small, high-volume components with complex geometries. Matrix was acquired by Okii, a company specialised in the manufacturing of metal moulds, the cold
forming of titanium, nickel silver, steel and aluminium components, and the die casting of zamak and more. In the same year, both companies became part of the Visottica Group.
The group’s campaign continued in 2021, with the acquisition of over 50% of Eurodecori, another company in the Belluno district specialising in the production of zamak components. Most recently, in November 2022, the group acquired a 60% share of Ethos
S.r.l. to integrate galvanic processes into its in-house capabilities. With the addition of Okii and Matrix to the Visottica Group, the potential of MIM could be fully explored and utilised. This allowed Visottica Group to deliver services as a whole rather than as a ‘sum of components.’ The benefits could be seen through the leveraging of upstream and downstream processes as well as through enhanced design capabilities and expertise. As a
result, Visottica Group now offers its customers complete support from the design phase to the finished product. A view of Visottica’s Matrix s.r.l. production floor is shown in Fig. 2.
As a manufacturing process, MIM is now highly valued, especially for small, customisable components for specific – usually high-end – applications. This is due to the mechanical properties that can be achieved, comparable to the machined from stock equivalents, as well as the ability to deliver components of such high structural complexity that they would be either highly expensive or impossible to make using other processes. However, MIM, like every other manufacturing technique, does not exist in isolation: it is a link in a chain. “Around the MIM workflow are other processes that require
“Around the MIM workflow are other processes that require specialised knowledge and technologies. Bringing these processes together into an integrated workflow represents a leap forward in which strengths and services can be offered.”
specialised knowledge and technologies. Bringing these processes together into an integrated workflow represents a leap forward in which strengths and services can be offered,” explained Marco Bordin, MIM and Casting Plant Manager. For Visottica Group, the keyword is integration. Integration in this case comes from the merging of companies with very different specialities and, consequently, the bringing together of people with a diverse range of specialisations, knowledge, and expertise. “We believe that such diverse teams multiply our design capabilities and technical skills and, most importantly, enable us to take into account – and, therefore, have greater control over – the entire process chain, from start to finish,” continued Bordin.
“Having these human resources in strict communication with each other and in house, as opposed to relying on external companies and third parties, results in a more precise and coherent vision of the whole process
that can more readily adapt to the requirements of the end product.” Integration, the company believes, also ensures a seamlessness among the actual technical resources brought to the table. Surrounding MIM processes are mould manufacturing technologies, CNC machining of sintered parts, surface coatings and treatments such as galvanisation, and other finishing procedures. “Each of these processes is critical to ensuring
the end product is as optimised as possible. Designing a mould according to the exact specifications of the required piece will determine its dimensional requirements, which is as crucial as successfully executing the sintering and debinding operations. Finally, postprocessing is necessary to ensure that the aesthetic criteria of the product are met. All of this is taken care of internally within Visottica Group facilities,” stated Bordin.
“... diverse teams multiply our design capabilities and technical skills and, most importantly, enable us to take into account – and, therefore, have greater control over – the entire process chain, from start to finish.”
— Marco Bordin, MIM and Casting Plant ManagerFig. 3 A vacuum sintering furnace for the processing of MIM parts from TAV Vacuum Furnaces SpA (Courtesy Visottica Group)
Visottica stated that the integration of different assets within the group allows it to broaden its offering beyond what a single company could achieve. “A company such as Matrix would work simply as a supplier, receiving the design from the client and delivering a semi-finished
product. This product would then have to undergo post-processing, and whatever else might be needed, externally. But when every process, from moulding to finishing, is done internally, the synergy of technologies, competencies and collaboration between departments allows for a greater understanding and control over the many stages of the workflow,” Bordin noted. This, in turn,
leads to higher precision, quality, cost-effectiveness and shortened production times.
Within the group, the engineers making the moulds that are needed for an application work in the same room – often on the same workbench – as the ones who manage the injection moulding. This is a kind of proximity that is not only physical, but one of ideas too. Lead times are drastically reduced, and customer responsiveness is increased. This is especially important in the world of fashion, where time is of the essence. In addition, having the know-how and technologies in-house eliminates many of the logistical challenges involved in transporting products between businesses.
“Cooperation between the mould manufacturing department and the MIM department means that production cycles can be optimised, and problems can be solved much more quickly. On a more basic level, working together in real-time necessarily leads to the development of an
“This is a kind of proximity that is not only physical, but one of ideas too. Lead times are drastically reduced, and customer responsiveness is increased. This is especially important in the world of fashion, where time is of the essence.”Fig. 4 Debinding furnaces for the processing of MIM components from CREMER Thermoprozessanlagen GmbH (Courtesy Visottica Group)
optimised mould and makes it easier to prevent defects. This increased precision of the mould means that, after galvanisation and other finishings, the piece can achieve a higher degree of quality,” explained Bordin.
Quality is also ensured by the analysis and testing facilities available in the laboratory. Whilst dimensional and aesthetic inspections are in high demand because of the aesthetic requirements of eyewear components, Visottica has recently invested in equipment for metallographic analysis, including carbon analysers to support the testing of mechanical properties, corrosion resistance, and leaching.
To attest to the increased efficiency of its production chain, the group has received the Supplier Awards 2022 from Thélios, a specialist eyewear firm. The award recognised both technical capabilities as well as the speed of response to a component with particularly complex geometries that was completed over the course of one month.
With its broader range of technologies, Visottica Group believes that it is able to provide a wider and more well-rounded service. “Clients can choose from a variety of materials such as steel, aluminium, titanium and zamak, and from manufacturing processes such as die casting, microcasting, plastic injection, stamping, CNC machining and MIM. This way, products can be adapted to the needs of the client. For example, a zip puller might be produced by either die casting or by MIM, depending on the requirements. Although die casting in zamak might be cheaper, MIM delivers a more high-end and targeted product, because it can achieve very high-quality surfaces,” stated Bordin.
As well as providing a broader choice for clients, the integration of different teams also means improved dialogue, both with clients and within the group, opening up
further possibilities for improvement. “While individual companies would be limited to sticking to the specifications of the initial design and providing the product, the group can take advantage of the heterogeneity of its competencies to evaluate the design from different angles, stated Bordin. “This allows us to find out whether a component could be optimised and/or made more cost-effective. Therefore, the group can work with the client to suggest changes or offer an alternative design by taking into account not only the single component requested but the whole project of which the component will become a part.”
Consolidating multiple individual components into a single assembly – such as a hinge – ready for shipping to a customer is a key part of operations at Visottica. “Having all resources available in-house allows the production of assemblies manufactured with different technologies, without resorting to third parties. A client might need one component
by MIM and one by CNC. If the two components were obtained from separate companies and subsequently brought together into the assembly, the client cannot be sure that it will function correctly. This risk can be avoided when the whole product is made and assembled by the same group.”
Visottica’s innovative design solutions are frequently patented. In these cases, the group’s patent office evaluates the possibility of obtaining the patent. In this way, Visottica can offer a full package: the client is accompanied from the design phase through production, post-processing, through material testing to patenting.
In the past few years, Visottica has worked with a growing number of customers from different sectors. As the company continues to work to increase its expertise in the eyewear sector, it now has all of the tools necessary to develop complex
components for other sectors. For example, the luxury fashion market is a perfect fit for MIM, thanks to the technology’s suitability for highly precise, complex shapes and the ability to efficiently use materials with specific properties. In the context of this expanding industrial market, MIM has become a fundamental asset. It is for this reason that Visottica continues to invest in MIM and why further efforts are constantly being made to meet the demands of different markets.
A policy of strategic acquisitions has shown that a group effort is much more likely to overcome challenges than individual companies on their own. In a sector that is all about precision, responsiveness and aesthetics, a collaborative enterprise that enables control over the entire workflow, with all the forces working practically under the same roof, is bound to deliver.
Through this cohesiveness of vision and integration of assets,
Visottica plans to keep growing and striving to provide the most comprehensive a customer experience as possible.
Contact
Visottica Industrie S.p.a. Via Vecchia Trevigiana 11 31058 Susegana (TV), Italy
sales@visotticagroup.com
www.visotticagroup.com/ en/product-catalogue/ precision-mechanics/
Author
Luca van der Heide lucavdheide@gmail.com
Attendees will have access to hundreds of technical presentations from worldwide experts on the latest research and development.
The largest annual American exhibit showcasing leading suppliers of powder metallurgy and metal additive manufacturing powders, equipment, and products.
NORTH AMERICA’S LARGEST AND MOST INFLUENTIAL ADDITIVE MANUFACTURING EVENT. EXPERIENCE THE NEXT LEVEL OF ADDITIVE MANUFACTURING IN CHICAGO.
Witness groundbreaking product announcements, experience hands-on equipment demos, learn real-world additive manufacturing applications from the most respected experts, and network with thousands of industry peers.
MAY 2-4, 2023
McCormick Place | Chicago
REGISTRATION IS OPEN rapid3devent.com
Over the last decade, the Metal Injection Moulding industry enjoyed dramatic growth on the back of the rise of applications in smartphones. There are indications, however, that the tide is turning and the industry can no longer rely on the types of components that it once produced by MIM in the tens of millions a month. Here, Dr Chiou (Dr Q) reflects on the rise of MIM in the consumer electronics industry and explains what Chinese producers are doing to grow their businesses in MIM’s postsmartphone era.
In terms of known data, the combined revenue from MIM part sales in Greater China (Mainland China and Taiwan) surpassed North America, Europe, and Japan in 2011. By 2020, it past US $1.5 billion (CNY ¥10 billion) and the number of MIM factories had increased from fewer than fifty to over 200. China had become the country with the largest number of MIM applications in the world, as well as supporting a thriving industry for MIM processing equipment such as feedstock pelletisers, injection moulding machines and catalytic debinding and sintering furnaces.
However, after almost five years of observation, I found that at the start of the COVID-19 epidemic at the end of 2019, orders for MIM parts for smartphones manufactured in China declined significantly. Then, in early 2023, I learned that the rear camera frame of Apple’s iPhone 15 may have eliminated the use of MIM, which undoubtedly will be a major concern amongst China’s MIM producers. So, after the huge successes of the past decade, how should MIM companies progress into their post-smartphone era?
Transformation is key
Fig. 1 shows total annual MIM sales in Greater China as well as a breakdown of the total sales of 3C (Computer, Communication and Consumer Electronics) MIM parts used in smartphones, tablets, laptop PCs, desktops PCs and servers, and smart wearable devices. The three
bold numbers in Fig. 1 identify the start of three distinct stages of MIM’s usage in smartphones.
The first stage
Apple began to use MIM parts in its smartphones. This is the era when the MIM industry began to take off in China, with the demands of Apple being met by MIM factories such as
TPT Technology, the former parent company of Suzhou CPT Technology, and Shanghai Future High-Tech. At that time, the main components were the SIM card tray ejector mechanisms and various internal parts of the phones. With the investment of Taiwan’s SZS, the hinges on Apple’s laptops also gradually switched to MIM.
The second stage: Taiwan’s HTC, which was acquired by Google in 2017, began to use MIM to produce the main body of the SIM card tray, which indirectly began a trend amongst domestic smartphone brands, starting with Huawei, before extending to OPPO, Vivo, and Xiaomi. MIM components in smartphones now included camera lens
protection rings and covers, side buttons for volume and power, the connector interface of I/O port, and so on (Fig. 2). From 2018, domestic Chinese smartphones producers also started to use micro gear reducers featuring many MIM parts for motorised ‘telescopic’ camera modules. MIM parts gradually reached their peak usage in smartphones.
The third stage:
At this point, Apple began to use the MIM cobalt-chrome-molybdenum alloy, F75, to make the rear camera frames of smartphones and tablets. Unfortunately, this was also when domestic smartphone producers began to eliminate the MIM process, citing cost considerations. What compounded the situation was that the top ten MIM suppliers were contracted with Apple with very strict specifications on production equipment, quality and specifications, so many MIM producers could
“At the beginning of the third stage, MIM part producers in Greater China were already feeling the winds of change. Those MIM makers that originally supplied domestic smartphones saw demands plummet to the point that some companies had no orders to fulfil...”
not compete for business. Non-Apple smartphones switched from MIM to sheet metal and plastic products. However, the arrival of COVID-19 increased the demand for laptops and, in combination with the emergence of folding smartphones with their complex MIM hinges, a deeper slump in sales was prevented.
At the beginning of the third stage, MIM part producers in Greater China were already feeling the winds of change. Those MIM makers that originally supplied domestic smartphone producers saw demand plummet to the point that some companies had no orders to fulfil; they needed to change direction to survive. As a result, the following developments have emerged.
MIM producers in Greater China anticipated a downward trend since the beginning of the COVID-19 pandemic. To combat this, many adopted the following strategy changes:
The expansion of MIM materials expands the application range of products, from traditional materials as iron-nickel alloys (Fe-2, 4, 8Ni to 50Ni), 304/316, 304L/316L, 420J2/440C stainless steels, WNi-Cu, expanded to 201, 430, 17-4PH and PANACEA® stainless steels, Fe-50Co (HiperCo®), Fe-3Si, W-Ni-Fe, etc.
Based on customer demand, the use of magnetic functional materials produced via MIM has greatly increased. This has included the application of soft magnetic materials and magnetic permeable materials, the introduction of cobalt elements (e.g., Fe-50Co and F75) into the MIM process. There are a large number of applications in the magnetic guidance, electromagnetic interference shielding of electronic products.
The ability to change from W-Ni-Cu heavy alloy, which is difficult to control during sintering, to W-Ni-Fe has also been advantageous. With production in graphite vacuum
sintering furnaces operating at 14801500°C, the risks of using hydrogen atmospheres in sintering is eliminated and the efficiency and safety of production greatly increased.
In addition, the promotion of titanium and titanium alloys in the past three years has also achieved positive results in domestic production, spurring on the creation of titanium and titanium alloy feedstocks and accelerating the MIM process for these materials.
The weight of MIM parts ranges from less than 10 g to more than 500 g, and MIM parts are now gradually replacing parts made by investment casting and die casting. There are two favourable factors influencing this. Firstly, China’s environmental policy now strictly controls polluting wax-based casting and forging factories, which restricts the development of these industries. Secondly, China’s
“MIM parts are gradually replacing parts made by investment casting and die casting. There are two favourable factors influencing this. Firstly, China’s environmental policy now strictly controls polluting wax-based casting and forging factories...”Fig. 3 Top, view of the assembed OPPO Find N2 Flip hinge, and below, some of the 136 parts that make up the hinge, many of them made by MIM (Courtesy OPPO/YouTube)
metal powder production industry has invested in increasing capacity. Because China’s general stainless steel production usage is high, the wide availability of stainless steel scrap for recycling and atomisation has reduced powder prices. In this way, it has become more economical to produce larger parts with MIM. As an example, the average price of MIM 304 stainless steel powder is slightly less than US $6/Kg (<40 RMB/Kg), which is close to the typical price of the same powder for conventional press and sinter PM. As time goes on, MIM 201 powder is expected to cost less than US $4.5/ kg (< 30 RMB/kg), again allowing it to directly replace the traditional low-cost stainless steel powder used in PM.
A deeper exploration of what MIM can offer to customers has begun, with success for hinges of 3C devices (Fig. 3), sewing machine components, fasteners and tags for luxury bags and goods, kitchen knives, nail clippers, jigs and tools, and golf club heads. MIM has even begun to be put into some internal components of electric vehicles – for example in transmissions and the lithium battery pack, thus changing the nature of MIM components from something with a low cost and necessarily short lifespan, such as fashion, where the lifecycle of a garment isn’t equal to the lifecycle of its parts, to something intended to last as long as possible.
The manufacturing of golf club heads is of growing interest, and the MIM process can be better utilised than traditional manufacturing processes to provide enhanced surface effects and detailed features. This has reached the point where the United States Golf Association (USGA) now considers the MIM process to be a standard golf head manufacturing process.
Potentially with a more universal appeal, at least four MIM factories in the southern Chinese city of Yangjing make kitchen knives from
“Potentially with a more universal appeal, at least four MIM factories in the southern Chinese city of Yangjing make kitchen knives from MIM 420/440 stainless steel and produce more than 10 million MIM nail clippers per year.”
MIM 420/440 stainless steel and produce more than 10 million MIM nail clippers per year; these have become staple products both domestically and overseas (Fig. 4).
MIM can now compete with CNC
The technological improvement of MIM materials and equipment has allowed precision MIM components to replace CNC and other high-accuracy processes. As an example, Donggung Yujia Precision Technology Co., Ltd. (a branch of Hongkong Vigor Precision Co., Ltd., the world’s largest toy gearbox manufacturer) produces small module gears by MIM (diameter ~ 3-30 mm/m=0.1~1 mm), and has received interest from the leading international robotic vacuum cleaner manufacturer. In the future, heavyduty ‘wet and dry’ cleaners and next-generation robots will feature MIM components.
The ability to produce these highstrength precision gears by MIM to the American Gear Manufacturers
Association’s (AGMA) Q9 class accuracy is significant. Tempering after H900 heat treatment with 17-4PH significantly increases the wear resistance of the gear, allowing MIM to replace traditional PM gears and brass cut gears. As shown in Fig. 5, the technology of insert moulding plastics with MIM has also been adopted. Overall, technological improvements have enabled MIM to expand its offerings in a wider range of directions, a key to the success of MIM companies, as noted above.
This year marks the year after MIM’s fiftieth anniversary. In 1972, the technology’s developer, Parmatech, could not have imagined the breadth of MIM’s future adoption, nor that manufacturers in the Greater China region would so fully embrace the process. We are very grateful to those pioneers for bringing this new technology to the world and we now
“The technological improvement of MIM materials and equipment has allowed precision MIM components to replace CNC and other high-accuracy processes.”
strive to make the MIM process the norm in metal processing, along with casting, forging, machining, and press and sinter Powder Metallurgy.
There are also opportunities for the MIM industry in the growth of metal Additive Manufacturing, in particular Binder Jetting technology. The source of everything is powder and binder, and for each of these technologies is only a matter of combining these materials. We have to understand these powders and feedstocks in a scientific way to achieve the best results in any of these processes. Striving forward with countless materials, mathematics is our only stalwart –including, of course, our diligence and tireless efforts.
MIM’s fruitful results in Greater China are due to the concerted efforts of the global MIM industry and the large number of orders from customers. At this time, even if the MIM industry is affected by uncertainties in the post-smartphone era, the outlook is bright. We sincerely welcome friends from all over the world to come and see the changes
in MIM which have taken place in Greater China over the past thirty years, which has seen us using more advanced equipment and more costeffective metal powder, making more precise MIM parts, and changing human civilisation.
Author
Dr Q (Y H Chiou)
You neeD Technical Office chiou_yh@yahoo.com.tw chiou55631966@163.com
Steinbach AG is considered a pioneer in the use of Additive Manufacturing for the serial production of high-performance technical ceramics. This case study describes its pioneering path to successfully implement the manufacturing of a new type of ceramic tube, with highly complex geometries, to be used in Da Vinci Surgical Systems robotic solutions for endoscopic surgery. With this application, Steinbach has achieved an annual production rate of 12,000 units and, in so doing, established itself as a leading service provider in ceramic AM.
In the summer of 2017, Steinbach AG, based in Detmold, Germany, received a request from a renowned manufacturer of surgical products, to manufacture a series of ceramic tubes through which glass fibres would be fed. These tubes were to be used as guide elements in the newly-developed, ground-breaking Da Vinci robotic surgical solution, one module of which is shown in Fig. 1. After testing the first prototype components, produced using a CeraFab Additive Manufacturing machine from Austria’s Lithoz GmbH, the customer selected Steinbach to develop and serially produce the parts.
The production of these complex tubes – which could only be manufactured via Additive Manufacturing, and would not be possible by any conventional manufacturing processes – had to fulfil challenging technical and commercial objectives to satisfy the goals of the customer. As no parts with a similar level of complexity existed prior to this project, Steinbach had to develop an entirely new and
innovative design for production using Lithoz’s Lithography-based Ceramic Manufacturing (LCM) technology, defined as a VAT photopolymerisation (VPP) process under ISO/ASTM 52900 guidelines. Concrete goals were set for both the manufacturing cost and
timescale – only six months for the part to enter production. But while the timescale was tight, the most notable aspect of the project was Steinbach’s use of Lithoz ceramic AM technology to scale up to industrial levels of production.
Steinbach’s specific goal was to guarantee the scalability of the production process whilst maintaining consistently high part quality throughout and achieving the defined cost objectives.
To be suitable for use, the project’s curved tube had to meet two given parameters. Firstly, the diameter of the tube was dictated by the design of the robot arm, into which the tube had to be inserted without breaking. Secondly, the mass of glass fibres, vital to ensure
the function of the robot arm, could not fall below a given critical value, which dictated the inner crosssection. The customer’s most critical criterion, however, was to deliver the lowest minimal surface roughness achievable. This was required to minimise the risk that the glass fibres would tear as they moved through the tube. Due to the nature of the application, polymer materials could not be used for these components.
Initially, conventional manufacturing was attempted, in which the glass fibres were introduced into the metal tube before it was bent
mechanically. During these attempts, however, the glass fibre tore apart under the mechanical stress of bending and the inner channel’s surface roughness. Prior to the use of ceramic Additive Manufacturing, metal was considered as a potential material by the customer and metal AM prototypes were manufactured, but the achievable surface quality was insufficient.
Steinbach was contacted following this customer’s decision to examine the potential of ceramic Additive Manufacturing. On the first attempt, the company’s ceramic AM proved capable of providing a surface quality that went beyond the customer’s expectations. This success led to the project being awarded to the Steinbach Technical Ceramics team. One of the ceramic AM tubes produced by Steinbach is shown in Fig. 2.
The main challenge Steinbach faced at the beginning of the project was how to meet some of the dimensions defined in the production order. An entirely new tube was designed, considering the given constraints (diameter and crosssection), combined with a sharp bend and complex inner contours. This resulted in a necessary minimum wall thickness of 200 µ m (Fig. 3). In addition, the combination of a perfectly smooth surface roughness value of Ramax = 0.4, a narrow tolerance of + 20 µ m in the outer geometry, and the need to manufacture 12,000 parts a year, meant that the full innovative potential of Lithoz’s ceramic AM technology had to be employed to meet this project’s requirements.
To meet the customer’s cost expectations, Steinbach committed to reliably transferring the excellent material properties achieved in the first parts into large-scale serial production. Implementation took place in three phases, each with its individual challenges. This article will focus on the key criteria addressed during the project’s implementation: productivity, process stability, quality assurance and economic efficiency.
“Prior to the use of ceramic Additive Manufacturing, metal was considered as a potential material by the customer and metal AM prototypes were manufactured, but the achievable surface quality was insufficient.”
Using Design for Additive Manufacturing (DFAM) methodologies to produce the complex geometry, Steinbach worked closely with the customer to guarantee full functionality of the tubes throughout the serial production of thousands of components. For the customer, it was of the utmost importance that the part fulfilled as many requirements as possible to ensure perfect functionality and accuracy.
Three major factors characterised this research phase:
1. Ensuring a minimum wall thickness of 200 µm
2. Optimisation of the debinding and sintering process for serial production
3. The ability to establish and maintain 100% quality control.
Once the process had been agreed upon with the customer, the project
moved into the prototyping phase. Here, two different lengths of tubes were needed for the application. LCM’s technical capabilities meant there was little need to adapt the original part design. Steinbach, therefore, needed only to focus on optimising the workflow for efficient serial production, rather than for the AM process itself.
The design of the bent component itself was, in principle, only a minor challenge for LCM technology at this stage, and was relatively simple to
realise – neither the bends, channels nor angles of the design needed to be adapted for the process. One well-known obstacle in these types of projects is that such fine and very thin ceramic parts generally require very challenging and careful handling, but – thanks to the rapid customisation enabled by AM – this was overcome with a few small design changes.
The main challenge Steinbach encountered was that an exactly defined number of glass fibre
“One well-known obstacle in these types of projects is that such fine and very thin ceramic parts generally require very challenging and careful handling, but – thanks to the rapid customisation enabled by AM – this was overcome...”
elements had to be installed inside the bent tubes, without any breakage in either the materials or ceramic tubes themselves – that is, the customer needed to fit the entire tube into the given dimensions of the already-established construction parameters of the surgical robot’s arm and to guarantee the crosssection was an exact match to the mass of glass fibre elements. After much research, a final minimum cross-section was established, resulting in a calculated design specification of 0.2 mm wall thickness. Those parameter constraints focused the company’s attention on the optimisation of the tube’s walls, finding a way to reduce thickness without the part breaking, whilst stabilising the process for serial production runs. Consequently, wall thickness was the biggest design challenge and, ultimately, the focus of the prototyping phase.
Although Steinbach had gained a lot of experience with the thermal processing of additively manufactured ceramic components, scaling up to higher volumes within the economic framework of profitoriented serial production made it necessary to considerably refine the entire process. The exactly balanced position and quantity of the tubes had to be found to ensure the minimum rejection rate for the parts, which could not be used if they showed even the slightest deviation in form or length. A production batch of green parts on the build platform is shown in Figs. 4 and 5.
Experimenting with the optimal heating curve and loading, Steinbach went through multiple test runs until the final setup was found. After positioning the tubes in an upright or lying position, the correct setup was defined as horizontal ‘belly-down’ for the shorter variant and ‘belly-up’ for the longer variant of the tube. The exact quantity was logged in at eight batches per sintering run.
The functionality of the prototypes developed was always thoroughly tested under near-series build conditions, ensuring that component quality was ready for serial produc -
“Although Steinbach had gained a lot of experience with the thermal processing of additively manufactured ceramic components, scaling up to higher volumes within the economic framework of profit-oriented serial production made it necessary to considerably refine the entire process. ”
tion from the very first iteration. Extremely narrow tolerances had to be maintained during production to keep parts as consistent as possible.
Steinbach also concentrated closely on quality management, following strict requirements. A three-step quality check process was established and applied to every single produced tube:
1. Microscope test – for an optical check on defects on the part’s surface
2. Calliper test – for the exact length
3. Gauge test – instrument provided by the customer, to check for deformation
During the course of this prototyping stage, Steinbach implemented multiple changes to the design, which were easily and rapidly implemented thanks to the use of CAD files in the AM process. Upon receiving each prototype, the customer was able to give exact feedback. A single prototype run contained six tubes – all of which had to withstand seven weeks
of use. As a result, the test cycle for iterations was relatively long before any design adaptations could be implemented and new, updated prototypes were additively manufactured.
Validation of the final prototype was carried out at the customer’s premises after about one year, concluding the first phase, concluding the first phase of the project with the customer’s approval of the additively manufactured part geometry.
Subsequently, Steinbach’s technical ceramics team focused on the details of process optimisation to ensure the reproducibility of part properties in mass production without any loss of quality. To achieve this, every available potential of LCM technology had to
“The functionality of the prototypes developed was always thoroughly tested under near-series build conditions, ensuring that component quality was ready for serial production from the very first iteration.”
be fully explored and exploited. This phase was characterised by two main points of attention:
1. Establishing the correct mixture of the primer for easy removal from the build platform
2. Optimising the cleaning process
Software upgrades were carried out in close cooperation with Lithoz. The level of accuracy and exact reproducibility offered by a newly-developed software feature significantly reduced the number of rejects, resulting in significant material, time and cost savings.
To be able to ramp up to serial production, Steinbach had to find a solution for quicker and safer removal of the green parts from the build platform. After trialling two standard primers offered by Lithoz, a specific mixture of the two was developed in-house to provide a solution tailored exactly to this production’s specifications, which required easier removal of intricate parts from the build platform. Alongside this, a systematic effort was also placed on ensuring the best conditions for the manufacturing process set-up (e.g. a longer post-processing time was introduced to ensure the final parts were in precisely the correct position every time, without any deformation).
Following all other single process steps, cleaning of the ceramic tubes had to be adapted to the profit-oriented nature of the project. Starting with the purely manual cleaning process, a variety of cleansing agents were tested, during which the parts could only be handled with tweezers. Steinbach soon moved on to cleaning the tubes with ultrasound; the temperature and duration of the ultrasound bath were calibrated to receive the best fitting parameters for a more efficient cleaning process.
At the end of phase 2, the entire process was able to be precisely managed and controlled – from the slurry or vat batch, to the AM process, to the level of humidity and temperature, to the thermal process. Using the Lithoz CeraFab System’s software, each individual parameter of every step was documented in detail, with the data obtained throughout process optimisation serving as an analytical basis for future improvements and quality assurance, and as a statistical basis to enable rational decisions to be taken in subsequent projects. Once established, this level of documentation was adopted as a standard aspect of Steinbach’s manufacturing service.
Ultimately, this second phase of process optimisation resulted in an additional 40% reduction in manufacturing costs. Upon achieving the highest possible levels of efficiency and optimisation in this phase, the customer was brought into the Steinbach facilities for the entire two days during which the final parts were additively manufactured and post-processed. After this successful process audit, the customer was convinced by the final products and profitable outcome of the entire project overall; the final milestone of the second phase was therefore reached.
Six months after receiving the order, Steinbach delivered the first serial production batch of components on time. Once the process had been set up for serial production, the volume of production runs was extended continuously, rather than in waves, in accordance with the demand for the surgical robot. By July 2019, in line with growing sales numbers, the full production volume of 12,000 tubes per year was reached.
From the first serial production runs to the achievement of the entire production capacity, through further step-by-step optimisation of various parameters and a resulting further reduction of rejects, Steinbach was able to cut back manufacturing cost per unit by another 40%, thus meeting the specified target range not only technically, but also in terms of economic efficiency, in respect to the framework given by the customer.
Throughout serial production, Steinbach maintained its strict 100% testing policy and conducted thorough examination of each individual tube – from prototype to mass production – to ensure perfect results, including the various checks previously mentioned of identical lengths to identify deformations.
Each new adaptation was subject to customer approval of the resulting sample, with any subsequent feedback being addressed by the Steinbach expert team.
To complete its 360° approach to this project, Steinbach developed its own packing solution in-house, to streamline the logistics of processing these highly sensitive parts. A specifically designed stencil ensured that packing was swiftly executed, and allowed the team to fall back on its extensive know-how in the handling of such ceramic parts to secure the best possible transport safety.
By establishing profit-oriented production of ceramic AM components, Steinbach took a decisive step from theory into business practice. Thanks to its consistent optimisation of the entire manufacturing process – from prototyping to adaptation of the LCM process to industrial scale production runs to continuous improvements of parameters in ongoing serial production – Steinbach not only pioneered the successful serial production of additively manufactured highperformance ceramic parts but also succeeded in achieving the expected Return On Investment (ROI) along the entire value chain.
Due to the intense research and development involved in the successful completion of this project, this Steinbach case study can be considered one of the major breakthrough projects in the industrial application of high-performance ceramic Additive Manufacturing. Following this lighthouse project, Steinbach has already secured several new customer orders for similar volumes of parts of 10,000–15,000 parts per year, on top of its smaller-scale productions.
Over the course of this project, the Steinbach Technical Ceramics team gained complete competence across the entire production
process – from part design to post-processing to shipping of the finished sintered component. Subsequent customers have benefitted from this tried-and-tested user knowledge, along with Steinbach’s quality management and delivery performance. A selection of serially produced ceramic AM parts is shown in Fig. 7
The pioneering research was so successful that it has helped to build up an important pool of ceramic Additive Manufacturing knowledge along the entire ceramic AM process chain and made a technological revolution in surgery a reality. Steinbach’s achievement of producing 12,000 parts per year demonstrates the effectiveness of Lithoz CeraFab machines, which are currently employed in serial production projects by numerous customers worldwide.
Contact
Steinbach AG Technical Ceramics
Viktoria Lieder / Head of Production
Westerfeldstraße 32 - 42 32758 Detmold, Germany
v.lieder@steinbach-ag.de www.steinbach-ag.de
Lithoz GmbH
Mollardgasse 85a
1060 Vienna
Austria
Tel: +43 1 934 66 12 200
sales@lithoz.com
www.lithoz.com
Authors
Norbert Gall and Alice Elt
Lithoz GmbH
This study analyses the potential for large-scale production of Metal Injection
Moulding (MIM) F75 Co-Cr-Mo alloys using low-carbon atomised powders sintered in industrial-scale continuous furnaces under various atmospheric combinations. The goal was to achieve the required properties without the need for Hot Isostatic Pressing (HIP) or conventional heat treatments, promising MIM a competitive advantage for the high volume production of parts for consumer electronics and beyond. Hao-Ming Chen and colleagues, from Chenming Electronic Technology Corp. (UNEEC), Taiwan, present their findings.
The electronic devices industry emerged in the 20 th century and is one of the largest industries worldwide today. Society uses a vast array of electronic devices built in automated or semi-automated factories. These devices are now ubiquitous, with billions of people using them in their daily lives.
Communication and computing devices such as smartphones, smart watches, tablets and laptop computers are built with complex combinations of components, many using materials optimised for electronics production. These materials have been the basis for the current age of electronic, information and communication technology and have been a large contributor to worldwide economic growth.
Components made of these materials are integrated into countless devices and are widely used in almost all sectors. These include information and communication technologies, healthcare, manufacturing, automation and control, robotics, process industries, instrumentation, energy and power systems, defence and security.
Electromagnetic components based on advanced metallic materials are one of the most significant developments in the modern 3C industry (computer, communication and consumer-electronics). These materials combine excellent mechanical strength with reasonably high corrosion resistance, wear resistance and specific magnetic
properties (ferromagnetism or paramagnetism, depending on product design and function). They include stainless steels, cobalt alloys and other leading-edge alloys. Some well-known 3C electronic application examples for these advanced alloys are camera components (switches and buttons), wearable devices (watch cases), soft
magnetic devices, electronic packages, heat sink/ heat spreaders for electronic cooling, laptop hinges and USB connectors, etc.
Significant skill and precision engineering are needed to create the components of the devices noted above, and there are many hurdles to overcome. It is important that product designers can find and select appropriate materials quickly and efficiently to keep up with fastpaced developments.
Cobalt-base alloys have long been developed for implantable medical devices and have recently been applied to the 3C electronics industry. They exhibit wearresistant, corrosion-resistant and heat-resistant properties. The most effective use for cobalt-base alloys is in wear-resistant components.
Cobalt is more widely used as an alloying element for heatresistant applications in nickel-base superalloys, with cobalt tonnages above those used in cobalt-base heat-resistant alloys. Moreover, cobalt-base alloys exhibit excellent resistance to various forms of high-temperature corrosive attack,
including oxidation, sulfidation and carburisation reactions.
Many of the commercial cobaltbase alloys that are derived from the Co-Cr-W and Co-Cr-Mo ternaries were first investigated by Elwood Haynes, who discovered the strengthening effect and corrosion resistance imparted to cobalt by chromium in 1907. He later identified tungsten and molybdenum as powerful strengthening agents within the cobalt-chromium system. Co-Cr-Mo alloys, one of the advanced cobaltbase alloys, are widely applied for aircraft engines, medical total hip replacements, dental devices, support structures for heart valves, etc. Co-Cr-Mo alloys are well known for their combination of strong mechanical performance, wear resistance, corrosion resistance and acceptable biocompatibility. However, their main attribute is corrosion resistance in chloride environments.
Besides the previously mentioned applications of Co-Cr-Mo alloys, recently much attention has been paid to their use in the 3C telecommunication industry. For example, smartphone camera bracket components are a promising application for these alloys due to their combination of strength, corrosion resistance, wear performance and non-magnetic properties.
Cobalt-base alloys were introduced to what is now called the superalloy field mainly because of the suitability of the Co-Cr-Mo alloy named ‘Vitallium’ for reproducing complex shapes by precision lost‐wax casting [1]. Many of the properties of the cobalt-base alloys arise from the crystallographic nature of cobalt element. These properties include: the cobalt and solid-solution strengthening effects of chromium, tungsten, and molybdenum; the formation of metal carbides; and the corrosion resistance imparted by chromium. Cobalt-base alloys are strengthened through solid-solution hardening and carbide precipitation hardening by adding carbon, chromium and molybdenum.
Chromium and molybdenum enhance the corrosion resistance of alloys and improve their mechanical properties by reducing abrasive wear and lowering the stacking fault energy. Co-Cr-Mo alloy, an advanced cobalt-base alloy, is widely used in nuclear power plants, aerospace engine vanes and biomedical surgical implants. In the latter case, they are used to make artificial metalon-metal hip and knee joints. These Co-Cr-Mo alloys are known for their combination of strong mechanical
performance, fatigue resistance, low creep, high resistance to wear/ corrosion, and biocompatibility, but their main attribute is corrosion resistance in chloride environments. This property is related to their bulk composition (principally the high chromium content) and the formation of a protective surface oxide layer (nominally Cr 2O 3).
The Co-Cr-Mo alloys have long been widely applied in surgical implants such as joint replacement prostheses (the femoral component in total knee replacement and femoral head in total hip replacement), elbows, fingers, bone plates, screws, rods and dental implants. However, due to cobalt’s classification in many regions as a strategic mineral/metal, global supply shortages and metal price fluctuations might be critical factors for longterm production.
Cobalt-base alloy implants can be conventionally manufactured using wrought or cast techniques. Wrought cobalt alloys are made by forging the material at elevated temperatures under high pressure. Additionally, novel methods for the near-netshape formation of parts from metal powders via Metal Injection Moulding (MIM) are currently being explored. New applications for MIM components are trending toward smaller, more-complex devices for minimally invasive surgery, especially laparoscopic instruments for grasping tissue, cutting and suturing. Such devices are being designed for greater freedom of movement, which has increased the number of metal components used in the assembly.
MIM has provided the design freedom to produce such components cost-effectively. A new area of exploration for the process is the production of micro-sized components, which should help meet future medical criteria as parts continue to shrink for minimally invasive surgery.
Several ASTM specifications cover material properties for various Co-Cr-Mo compositions and processing routes. The Co-Cr-Mo as-cast alloys conforming to ASTM
F75 standards have been widely used for many years to produce surgical implant devices and are still widely used today in many applications such as the femoral component of knee prostheses and the humeral component of shoulder prostheses. A close analogue of this alloy, Stellite 21, was initially used in aircraft turbocharger blades and is still used for wear resistance.
The ASTM F75 Co-Cr-Mo alloy was subsequently modified to make it forgeable, and this advance led to the development of the ASTM specification for Co-28Cr-6Mo alloy forgings for surgical implants (F799). The alloy is available in mill products such as bar stock, which is used either for the direct machining of a device (such as the femoral head of hip prostheses) or its forging (such as cemented hip stems). Before 1994, both bar stock and forgings were covered under ASTM F799. The specification was split in 1994-95 into F799 for forgings and F1537 for bar stock.
Many efforts have been made to improve the mechanical and tribological properties of cast Co-Cr-Mo alloys. There are Co-Cr-Mo alloys available in several different conditions defined primarily by their starting composition (e.g., low or high carbon content) [2], the conditions of manufacture (e.g., casting or forging) [3], subsequent thermal treatments (solution heat treatment, hot isostatic pressing or sintering) [4,5] and engineering surfaces by physical and chemical vapour deposition [6].
In the case of F75 produced by MIM, the sintering behaviour of this alloy is of critical importance to obtaining a high-performance product. High sintering temperature in a MIM process is needed to obtain a high sintered density (more than 95% of theoretical) and a homogeneous microstructure. Some of the variables affecting the sintering characteristics of this alloy are the starting particle size, chemistry, porosity and the sintering atmosphere. [7-13].
Within the relatively broad ASTM F75 chemistry specification, it is important to note that minor variations in levels of carbon can lead to significantly different sintering responses and concomitant effects on the density and mechanical properties. Carbides give strength and wear resistance by taking up chromium and molybdenum from the surrounding area during the solidification process. Co-Cr-Mo F75 alloys for mobile phone camera bracket components are one successful commercial MIM application in 3C electronics. There are emerging opportunities for this alloy to be applied in other MIM electronic devices.
Powder metallurgical processes are increasingly deployed to manufacture mechanical components for numerous industrial and consumer applications [14-18]. When suitably compounded with polymeric binder materials, these inorganic powders can be moulded in the same manner
“Within the relatively broad ASTM F75 chemistry specification, it is important to note that minor variations in levels of carbon can lead to significantly different sintering responses and concomitant effects on the density and mechanical properties.”
as thermoplastics. The products obtained via this process can avoid the density gradient, which is peculiar to the conventional press/sinter process. MIM is most commonly used to make parts with small dimensions, complex shapes, and tight tolerances in high volume. Extrusion or simple compression moulding may be used for parts with simple shapes. Production by MIM brings the shaping advantage of plastic injection moulding but expands the applications to numerous high-performance metals, alloys and technical ceramics.
This advanced technology has grown in popularity in the past three decades as an effective approach to producing geometrically complicated near-net shape parts with accurate dimensions and excellent surface
finish. It can make thin-walled parts to tight tolerance in various industries with cost-efficient processes for large-scale manufacturing, such as medical, automotive, aerospace and 3C electronics components [19-37].
Demanding criteria for freedom of geometrical design, sophistication, high-strength, high-volume production capability, fine surface finish, accurate tolerance and flexible materials choice have made MIM thrive in the 3C electronics area. The electronics industry is a major user of metal injection moulded parts, accounting for robust and growing global sales, especially in Asia. Connectors with complex geometries are now the main MIM products. Miniaturisation of electronic devices
requires smaller components to achieve better performance at a lower cost. MIM has a competitive advantage for such applications.
MIM Co-Cr-Mo alloys were prepared via UNEEC’s POM-base feedstocks and using UNEEC mass-production scale continuous furnaces at various atmospheric combinations. Variations in atmospheric combinations led to differences in mechanical properties and microstructures. Neither Hot Isostatic Pressing (HIP) nor heat treatment was applied after sintering. The pre-alloyed Co-Cr-Mo powders used in this study were manufactured by Mitsubishi Steel MFG using
its proprietary water atomisation technology. SEM of the powder morphology and major elemental mapping analysis are shown in Fig. 3. Chemical compositions and powder size distribution are summarised in Table 1.
Feedstocks were mixed using UNEEC proprietary multi-component polyoxymethylene-based (POM) binder system via a Z-Blade mixer.
Tensile bar specimens were prepared by injection moulding using a Nissei NEX 50T machine and the injection parameters are summarised in Table 2. Moulded green parts were then subject to a debinding process via a Winteam HT-220LTZL furnace in fuming nitric acid. Various sintering parameter trials were carried out in Cremer Thermoprozessanlagen GmbH walking beam continuous furnaces.
An optical microscope (HM-3006, Jia Yu Apparatus Co., Ltd., Taiwan) was used for morphological examination. X-ray diffraction (XRD) (D2, Bruker, Karlsruhe, Germany) was used for crystal structure identification. Element distribution was assessed via EPMA (JXA-8200SX, JEOL, Japan) with EDS (X-MAX 50, Oxford Instruments, UK). In addition, higher resolution microscopic images and phase investigations were conducted via a Fesem (JSM-7800F Prime, JEOL, Japan) with an electron backscatter diffraction (EBSD) detector (NordlysNano, Oxford Instruments, UK).
Firstly, the sintering process was conducted in a mixed atmosphere based on the hydrogen to argon ratio at 22:6 m 3/h flow rate at 1315°C. Mechanical properties of 4 sintered tensile bars are shown in Fig. 4. This result does not comply with the ASTM F75 standard (UTS ≥ 655 MPa; YS ≥ 455 MPa; Elongation ≥ 8%), owing to inferior UTS and YS performance.
Results for an argon-rich atmosphere (flow rate of hydrogen to argon ratio at 6:22 m 3/h at 1315°C) revealed a similar trend of poor mechanical
properties, as shown in Fig. 5.
The main goal of this study was to evaluate whether low-carbon grade cobalt alloy feedstocks could achieve the ASTM F75 standard via tuning only sintering parameters/ atmosphere, i.e. without applying any post-treatment. Reaching this goal would demonstrate a cost-efficient route for industrial mass production.
Conventionally, MIM sintered compacts’ mechanical strengths could be further enhanced via appropriate post-treatment, such as HIP or solution-annealing heat treatment. Nitrogen (N) solution strengthening is one of the most promising approaches to achieving the afore -
mentioned goal. It is well known that the addition of N to stainless steels stabilises the γ -phase, and high N additions can considerably improve the tensile and fatigue strength of austenitic stainless steels [38-39]. It is also expected that the stability of the γ -phase would be enhanced by N addition in Co-Cr-Mo alloys. Both Fe-Cr and Co-Cr alloy systems have the FCC structure at high temperatures and similar lattice parameters of approximately 0.357 to 0.360 nm [40]. As mentioned in the literature, adding N to the Co-Cr-Mo alloys is a potential strengthening element to change the microstructural characteristics and improve the mechanical
properties of alloys [40-42].
Fig. 6 shows results of the N strengthening approach for a flow rate of hydrogen to nitrogen at 14:14 m 3/h at 1315°C. Apparently, mechanical values are significantly improved compared with previous rounds, and this result obviously can reach ASTM F75 standard. However, the sintered alloy’s appearance is black, which is abnormal compared with conventional F75 alloys, as shown in Fig. 7.
An optical microscope analysis was first carried out to investigate this phenomenon further, and the images of the surface region compared with the central core region are presented in Fig. 8.
The surface and central core region exhibited microhardness values of 556 HV and 416 HV, respectively. These measurements also implied a difference in microstructure of the surface and central core region and are consistent with the morphologies shown in Fig. 8.
As shown in Figs. 9 - 14, it is obvious that the main matrix of the sintered compact is based on
FCC crystal, while some of the Cr 2N precipitation existed near the upper surface region, which is in line with the phenomenon reported in the literature [43-44]. Fig. 14 shows the X-ray diffraction patterns for alloys sintered in hydrogen to nitrogen ratio at 14:14 m 3/h flow rate at 1315°C. The results indicate that the FCC structure is the predominant phase with a small amount of Cr 2N phase in the sintered compact.
From the discussion in previous sections, it is rational to further reduce the nitrogen fraction in the sintering atmosphere to a flow rate of hydrogen to nitrogen ratio at 22:6 m 3/h at 1315°C. The effect on
the mechanical properties is shown in Fig. 15. Even under this relatively lower nitrogen fraction sintering condition, the UTS, YS and elongation properties still meet the F75 standard. The colour of the sintered alloy is light grey.
This trend in colour transformation implied that the N fraction in the furnace atmosphere plays an important role. It is rational to prevent the
Cr 2N formation in a sintered compact by an even lower N percentage as a strategy. Therefore, the hydrogen to nitrogen ratio at 25:3 m 3/h at 1315°C was selected, with the results shown in Fig. 16. Sintered density is higher than 7.8 g/cm 3, and all mechanical properties are in accordance with ASTM F75 standard.
As shown in Fig. 17(a), the dark colour in the sintered specimen
is due to Cr 2N formation. This trend is less pronounced for the 22:6 atmosphere ratio shown in Fig. 17(b), owing to relatively less precipitation during sintering. The 25:3 atmosphere ratio, shown in Fig. 17(c), exhibited the colour of the conventional Co-Cr-Mo metallic nature. Its corresponding EPMA analysis is shown in Fig. 18, which revealed the absence of Cr 2N near
the surface region, as estimated, due to the lower nitrogen ratio in the atmosphere.
MIM is a promising method for production of 3C electronic and medical parts with high precision. The experimental results found in this study indicated that Co-Cr-Mo F75 alloys could be made via
MIM using POM-based catalytic debinding feedstocks, and could be sintered in large-scale continuous furnaces without requiring posttreatment processes. The sintering atmosphere significantly affects the mechanical properties of Co-Cr-Mo F75 alloys. Various combinations of the sintering atmosphere were explored and discussed in this research. Sintering in a nitrogencontaining atmosphere enhanced the
behaviour of the
alloys compared to those sintered in non-nitrogen atmospheric conditions. Sintering in a hydrogen and argon mixed atmosphere led to poor mechanical properties. Optimised sintering conditions are based on a mixed atmosphere of hydrogen to nitrogen ratio as 25:3 in flow rate and conducted at 1315°C. This effect is attributed to nitrogenisation, which compensates for low carbon levels and an increase in strength, while
precipitation issue is a function of the relative nitrogen fraction. The microstructure shows a typical F75 FCC crystal. For optimal conditions, all mechanical properties comply with the International Standard ASTM F75. The study’s proposed objectives were achieved. Continuous furnace sintering parameters in this study may not be fully applicable for all MIM cases due to the feedstock chemistry, solid loading, tooling mould geometry, and dimension differences, but these results still serve as a demonstration and reference for the MIM industry.
Authors
Hao-Ming Chen, Yun-Feng Yang, Fan Yang, Chong-Gen Mai, Run-Ming Mai, Zhang-Yi Huang, Dr. Chung-Huei Chueh, I-Shiuan Chen Advanced Application R&D Dept., R&D Center
Chenming Electronic Technology Corp. (UNEEC), 2F, No. 27, Sec. 6, Minquan E. Rd., Neihu Dist., Taipei City 114, Taiwan
The authors gratefully acknowledge colleagues at Chenming Electronic Technology Corp. (UNEEC) and R&D centre for sharing their pearls of wisdom during this research, and for their assistance at every point. Without them this task would not have been possible to accomplish. Finally, this article is dedicated in memory of Arnold-JiunHung Tsai ( 蔡駿宏 先生 ), who passed away in May 2017. Arnold contributed significantly to understanding Powder Injection Moulding binders, feedstocks, tooling mould design, manufacturing, analysis, and
R&D innovations. We treasure the memory of his enormous energy, generosity, and selflessness in sharing ideas, contributing towards making PIM a miracle of materials science, and making UNEEC a great company.
Contact
David-ShuHsu Hsieh
DH_Hsieh@tw.uneec.com
Chenming Electronic Technology Corp. (UNEEC), Taiwan www.uneec.com
[1] W. Betteridge: Cobalt and Its Alloys, Ellis Horwood Limited, UK, 1982.
[2] J. Tipper, P. Firkins, E. Ingham, J. Fisher: J Mater Sci Mater Med., 1999, vol. 10, pp. 353-362.
[3] J. Giacchi, C. Morando, O. Fornaro, P. Microstructural: Mater Charact., 2011, vol. 62, pp. 53-61.
[4] H. Mancha, E. Carranza, J. Escalante, G. Mendoza, M. Méndez: Metall Mater Trans., 2001, vol. 32, pp. 979-984.
[5] A. Clemow, B. Daniell: J Biomed Mater Res., 1979, vol. 13, pp. 265-279.
[6] G. Dearnaley: J. Arps: Surf Coat Tech., 2005, vol. 200, pp. 2518-2524.
[7] R. Tandon, in Cobalt‐Base Alloys for Biomedical Applications, ASTM STP 1365, J.A. Disegi, R.L. Kennedy,R. Pilliar eds., West Conshohocken, PA, ASTM, 1999, pp. 3‐10.
[8] T. Kilner, R.M. Pilliar, G.C. Weatherly, C. Allibert: J. Biomedical Mater. Res., 1982, vol. 16, pp. 63-79.
[9] T. Kilner, A.J. Dempsey, R.M. Pilliar, and G.C.Weatherly: J. Mater. Sci., 1987, vol. 22, pp. 565-574.
[10] Y. Koizumi, S. Suzuki, K. Yamanaka, B.S. Lee, K. Sato, Y. Li, S. Kurosu, H. Matsumoto, A. Chiba: Acta Mater.,2013, vol. 61, issue 5, pp. 1648-1661.
[11] W.C. Rodriguez, L. R. Broilo, L. Schaeffer, G. H. Knörnschild, F. H.R. Espinoza: Powder Technol., 2011, vol. 206, issue 3, pp. 233-238.
[12] Sh. Zangeneh, H.R. Lashgari, A. Roshani: Mater. De., 2012, vol. 37, pp. 292-303.
[13] M. Dourandish, D. Godlinski, A. Simchi, V. Firouzdor: Mat Sci Eng A., 2008, vol. 472, pp. 338-346.
[14] S.H. Hsieh, C.H. Chueh, I.S. Chen, M.A. Kearns, P.A. Davies, K. Murray, M-K. Johnston: Powder Inject. Mould. Int., 2018, vol. 12, no. 3, pp. 104-108.
[15] S. Lee, S.H. Hsieh: Powder Inject. Mould. Int., 2019, vol. 13, no. 3, pp. 85-98.
[16] S.H. Hsieh, C.H. Chueh, I.S. Chen, M.A. Kearns, P.A. Davies, K. Murray, M-K. Johnston: Int. J. Powder Metall, 2020, vol. 56, no. 1, pp. 41-49.
[17] S.H. Hsieh, C.H. Chueh, I.S. Chen, M.A. Kearns, P.A. Davies, K. Murray, M-K. Johnston, S. Kubal: Powder Inject. Mould. Int., 2020, vol. 14, no. 1, pp. 81-93.
[18] S.H. Hsieh, C.H. Chueh, I.S. Chen : Powder Inject. Mould. Int., 2021, vol. 15, no. 4, pp. 105-121.
[19] R.M. German: Int. J. Powder Metall., 1987, vol. 24, no. 3, pp. 237-245.
[20] M.J. Cima, J.A. Lewis, A.D. Devoe: J. Am. Ceram. Soc., 1989, vol. 72, no. 7, pp. 1192-1199.
[21] H.M. Shaw, M.J. Edirisinghe: Am. Ceram. Soc. Bull., 1993, vol. 72, no. 9, pp. 94-99.
[22] C. Dong, H.K. Bowen: J. Am. Ceram. Soc., 1989, vol. 72, no. 6, pp. 1082-1087.
[23] P. Calvert, M. Cima: J. Am. Ceram. Soc., 1990, vol. 73, no. 3, pp. 575-579.
[24] M.R. Barone, J.C. Ulicny: J. Am. Ceram. Soc., 1990, vol. 73, no. 11, pp. 3323-3333.
[25] H.H. Angermann, O.O.V.D. Biest: Int. J. Powder Metall., 1993, vol. 29, no. 3, pp. 239-250.
[26] S.A. Matar, M.J. Edirisinghe, J.R.G. Evans, E.H. Twizell: Int. J. Powder Metall., 1987, vol. 23, no. 4, pp. 237-245.
[27] E.S. Thian, N.H. Loh,K.A. Khor, S.B. Tor: Adv Powder Technol., 2001, vol. 12, no. 3, pp. 361-370.
[28] S. Masia, P.D. Calvert, W.E. Rhine, H.K. Bowen: J. Mater. Sci., 1989, vol. 24, no. 6, pp. 1907–1912.
[29] F.Q. Nogueira, M.J. Edirisinghe, D.T. Gawne: J. Mater. Sci., 1992, vol. 27, no. 23, pp. 6525-6531.
[30] J.K. Wright, J.R.G. Evans, M.J. Edirisinghe: J. Am. Ceram. Soc., 1989, vol. 72, no. 10, pp. 1822-1828.
[31] M.J. Edirisinghe: J. Mater. Sci. Lett., 1991, vol. 10, no. 22, pp. 1338-1341.
[32] R.M. German, K.F. Hens: Ceram. Bull., 1991, vol. 70, no. 8, pp. 1294-1302.
[33] R.M. German: Powder Metall. Int., 1993, vol. 25, no. 4, pp. 165-169.
[34] K.M. Kulkarni: Met. Powder Rep., 2000, vol. 55, no. 10, pp. 40-42.
[35] C. Ballard, M. Zedalis: Advances in powder injection molding, in: Annual Technical Conference–ANTEC, Conference Proceedings, 1998, vol. 1, pp. 358-361.
[36] A. Hauck: Int. J. Powder Metall., 2000, vol. 36, no. 3, pp. 29-30.
[37] R.M. German: Int. J. Powder Metall., 2000, vol. 36, no. 3, pp. 31-36.
[38] J. Menzel, W. Kirschner ,G. Stein: ISIJ Inter., 1996, vol. 36, pp. 893–900.
[39] M. B. Horovitz, F. B. Neto, A. Garbogini, A. P. Tschiptschin: ISIJ Inter., 1996, vol. 36, pp. 840–845.
[40] T. Kilner, A. Dempsey, R. M. Pilliar , G. C. Weatherly: J. Mater. Sci., 1987, vol. 22, pp. 565-574.
[41] A.J. Dempsey, R.M. Pilliar, G.C. Weatherly, T. Kilner: J. Mater. Sci., 1987, vol. 22, pp. 575-581.
[42] J. Escobedo, J. Méndez, D. Cortés, J. Gómez, M. Méndez, H. Mancha: Mater. Des., 1996, vol. 17, no. 2, pp. 79-83.
[43] S. Mineta, N.S. Alfirano, T. Yoneda, K. Ueda, T. Narushima : Metall Mater Trans A., 2013, vol. 44, pp. 494-503.
[44] T. Kilner, A.J. Dempsey, R.M. Pilliar, G.C. Weatherly: J. Mater. Sci., 1987, vol. 22, pp. 565-574.
GLOBAL MARKETS FOR METAL INJECTION MOULDING: DATA AND INSIGHT FROM WORLD PM2022 AND BEYOND
How has the global Metal Injection Moulding industry weathered the most turbulent years in recent history, and what has the impact been on MIM’s key markets worldwide?
In this overview, PIM International’s Nick Williams reports on market data presented at World PM2022, the first Powder Metallurgy World Congress since the COVID pandemic, held in Lyon, France from October 9-13. This is supplemented by other available data sources and insight from conversations with industry leaders at the event.
FROM THE DECEMBER 2022 ISSUE OF PIM INTERNATIONAL
As exploration of the potential of metal Binder Jetting (BJT) picks up pace, so does the diversity of materials processed using the technology. At the 2022 World PM Congress, organised by the European Powder Metallurgy Association (EPMA) and held in Lyon, October 9-13, a number of presentations reported on developments that looked at a range of materials with commercial potential for BJT, including aluminium alloys, nickel-free stainless steel, hardmetals (cemented carbides) and metallic glass. Dr David PIM International .
International/Ecka Granules Germany) and Joseph Croteau, Joseph Workman and Tom Pelletiers (Kymera International/SCM Metal Products, USA) addressed the Binder Jetting (BJT) processing of aluminium-based alloys [1].
Due to the notorious stability of its alumina oxide layer, aluminium and aluminium-based alloys have been considered to be “inherently difficult” to process via BJT, due to the “general difficulties of sintering”. This perception has led to the fact that, while AlSi10Mg0.4 is one of the most common materials for Laser Beam Powder Bed Fusion (PBF-LB), until very recently no commercially available Al-based system existed for sinter-based Additive Manufacturing. On the other hand, aluminium components have been manufactured for many decades on a fully industrial scale by press-and-sinter Powder Metallurgy.
Kymera International has been at the forefront of these pressand-sinter developments with its well-known Ecka Alumix alloy series. By taking advantage of this experience in the sintering of aluminium alloys, new grades, specifically tailored to BJT’s requirements, have been designed, built and successfully consolidated to near-full density.
The work, reported in this paper, focused on the development of BJT grades of the well-known aluminium alloy AA6061. As-printed, sintered, and heat-treated properties have been characterised, showing the viability of the BJT process to produce lightweight aluminiumbased components.
The prealloyed aluminium 6061 powder used was nitrogen gas atomised with the chemical composition given in Table 1. The powder had a nominal particle size of <63 µ m and featured proprietary modifications to enhance its reactivity during sintering. The apparent density was 1.53 g/cm 3 and Carney flow was 21.0 s/50 g.
Each build consisted of thirty prismatic samples with X, Y and Z dimensions of 13.30, 6.15, and 40.75 mm respectively, with X being the recoater direction, Y being the print head direction and Z being the build direction. A specific aluminium-compatible binder was used. Each build was 500 layers thick and took 8 h and 50 min to complete. After printing, the build box was placed in a curing oven and held at 200°C for 12 h in nitrogen, followed by depowdering.
The prismatic samples were sintered in a vertical dilatometer to directly measure shrinkage during heating. The Z-axis of the sample was in line with the dilatometer pushrod and the direction of
nitrogen gas flow. Samples were heated at 25°C/min to 500°C and held for 1 h to facilitate binder burnout, then ramped at 2°C/min to 625°C and held for 2 h to sinter.
There were six regions of interest observed during the sintering cycle produced by dilatometry, as shown in Fig. 2, where percentage shrinkage and temperature are plotted against time. During the initial ramp, ~1% shrinkage occurred between 200-300°C. This can be attributed to the particles rearranging. There was minor shrinkage between ~460-560°C, which was possibly due to a limited amount of liquid phase formation. Between ~560605°C, the sintering rate increased, producing roughly 2% shrinkage.
Above ~605°C, the sintering rate rapidly increased and 6% shrinkage occurred in under 30 min. This correlated to a super-solidus liquid phase in the Al-Mg-Si system facilitating rapid aluminium diffusion.
After ~45 min above 605°C, the sintering rate began to slow and 14% shrinkage was observed at the
end of the 4 h sinter cycle. When the furnace was turned off, thermal contraction was observed.
For furnace sintering, samples were placed in a graphite boat in the cold section of a tube furnace and purged with 10 scfh (~4.7 l/min) of flowing nitrogen. The graphite boat containing the samples was then pushed into the hot zone of the furnace, pre-heated to 500°C and held for 1 h. The furnace was then ramped at 2°C/min to 625°C, held for 2 h and then furnace-cooled.
The average density of furnace sintered parts, measured by Archimedes method, was 2.67 g/ cm 3 or 98.9% of theoretical density. A 2% weight loss was observed due to binder burnout. The average shrinkages in the X and Y directions were approximately equal, at about 16%, but 21% in the Z direction. The higher shrinkage in the Z direction was expected due to the inter-layer porosity commonly observed in metal Binder Jetting. Anisotropic shrinkage must be considered and accounted for when designing a part as it makes dimensional control more challenging. However, observing greater shrinkage in the Z direction emphasises the sintering reactivity of the material (i.e. the ability of the super-solidus sintering mechanism to eliminate porosity, in turn leading to more isotropic mechanical properties).
During sintering, parts tend to undergo some deformation and those closer to the gas inlet warp to a greater degree. This can be attributed to either the leading-edge oxidising more than the trailing material, or to cold gas impinging the part creating a thermal gradient.
Fig. 3 shows four parts sintered together in one batch, where the nitrogen gas flow was from left to right. The quality of final parts was improved by better control over the oxygen content and elimination of thermal gradients by shielding the parts from direct gas flow. Fig. 4 shows a cross section of a sintered test bar; the extremely low amount of visible residual porosity confirms the Archimedes density assessment,
i.e. the material was sintered to close to full density. The absence of contamination from binder residuals should also be noted, notwithstanding the short debinding schedule.
After sintering, samples were stored at room temperature and their hardness evolution was tracked periodically with Vickers microhardness checks. To understand the effects of solutionising on natural ageing, some samples incorporated a 530°C hold for 1 h after sintering at 625°C, followed by a water quench and room temperature natural age. To test the ‘T6’ condition (solutionise and artificial age), sintered samples were solutionised at 530°C for 1 h in a box furnace, water quenched and then placed in a pre-heated box furnace at 180°C for 16 h.
6000 series aluminium alloys are known to ‘naturally age’ or precipitation-harden at room temperature. The as-sintered samples, which were furnace-cooled and stored at room temperature, had an average microhardness of ~45 HV and this did not change after 400 h (Fig. 5, left). In other words, they did not naturally age. This is probably due to Mg and Si, the alloying elements responsible for precipitation hardening, being already bound in coarse intermetallic phases, created either at high tempera -
tures or in the super-solidus liquid formed during sintering and therefore unavailable to form precipitates. In contrast to this, samples which incorporated a 530°C solutionising step at the end of sintering, followed by a water quench, naturally aged to ~80 HV after 100 h and stabilised at that level. The transverse rupture strength was determined using the sintered, prismatic samples in a three-point bending fixture and a compressive load frame. Physical properties are reported in Table 2 for the as-sintered, solutionised and naturally aged, and the ’T6’ samples.
In conclusion, besides the intrinsic advantages of the BJT process, it should be noted that a fast debinding and sintering cycle was used in this study, with no lengthy, multi-stage heating ramps and holding times. Thus, the process is well suited to a continuous mass-production facility –a key requirement for the widespread adoption of BJT technology.
While high density can be very consistently achieved, once appropriate furnace conditions are in place, exact dimensional control remains the most challenging part of the sintering process, being controlled by the details of furnace set-up, atmosphere flow and thermal gradients.
The Kymera International R&D team continues to improve the reliability of the process and to expand the availability of alloy systems.
Next, Lennart Hecker, Chistopher Schaak, Simon Hoeges and Patrick Koehnen (GKN Sinter Metals Engineering GmbH, Germany) discussed processing of nickel-free stainless steel through a combination of BJT and Hot Isostatic Pressing (HIP) [2].
Common industrialised stainless steels for BJT are 316L and 17-4 PH and these materials have recently been made available for many Binder Jetting systems. These two materials make it possible to cover an extensive range of applications in the chemical and pharmaceutical industries, mechanical engineering, and offshore applications. In addition, 316L is used for jewellery and both steels for medical instruments. A critical problem can arise in these applications: Due to the contact between the steel surface and the human body, an electrochemical release of nickel ions is possible. The released nickel ions can cause a nickel allergy. An EU study has indicated that the released nickel is negligible for different stainless steels (including 316L) when used as jewellery, but several manufacturers of relevant parts (implants and wearables) are still afraid that a nickel release could harm their end-users. To avoid the risk of nickel
allergy, the steel used should be free of nickel. In 316L, the alloying element nickel (10-14 wt.% nickel) is needed to stabilise the fcc-phase and improve corrosion resistance. To stabilise the fcc-phase without nickel in the alloy, appropriate amounts of cobalt, manganese, nitrogen, or carbon are needed. One interesting approach for Metal Injection Moulding is the material PANACEA. The MIM-feedstock PANACEA is nickelfree (≤ 0.1 wt.% nickel) and stabilised with a high amount of nitrogen (0.750.9 wt.% nitrogen). This high nitrogen content can lead to a strong formation of nitrides in this alloy. Nitrides embrittle the alloy and reduce the corrosion resistance, because the nitrogen must be dissolved in the iron lattice to form the fcc-phase (otherwise, the bcc-phase dominates). Researchers have shown that postsintering heat treatment is needed to fully stabilise the fcc-phase and remove chromium nitride (Cr 2N).
Based on the promising results shown in the literature, GKN Additive started to design a nickel-free stainless steel specifically for BJT in 2021. As in the PANACEA alloy, nitrogen was used to stabilise the fcc-phase. The presented paper gave a comprehensive overview of the Binder Jetting, sintering, and HIP processing of this new powder.
A customised, gas atomised (GA) Ancor AM Ni-free stainless steel (< 25 micron) powder was used in the reported study. This powder was supplied by GKN Hoeganaes Corporation (Cinnaminson, NJ, USA) and was designed for printing with binder jetting with regard to the particle size fraction and the sintering activity. The main powder characteristics and the chemical composition are given in Table 3. Since the material is nickel-free, the amounts of nitrogen (0.349 wt.%) and manganese (11.52 wt.%) are high in order to stabilise the fcc-phase. The gas atomised powder showed the typical spherical morphology (Fig. 6).
In the parameter optimisation study for processing, the following critical parameters were investigated within the BJT process development
for the Ni-free SS: recoater parameters (roller speed and rotation), layer thickness and printing temperature. The amount of binder per layer was adjusted in relation to the layer thickness, but always kept at 100% saturation. Curing parameters (temperature and time) were kept constant.
For testing, different specimen geometries were used: transverse rupture strength test bars (TRS-bars) for density measurement and microstructure investigation as well as tensile test bars. For dimensional evaluation, flat pyramids with different width stair steps were used (Fig. 7b). Debinding and sintering were carried out in a vacuum batch sintering furnace. The standard sintering atmosphere was nitrogen. Only in one case, pure hydrogen was tested. After sintering, a defined number of samples were densified using HIP. The as-built samples were investigated in the green state, the sintered state and after HIPing.
To optimise the spreading behaviour of the new powder during the re-coating process, the recoater speed and rotation were changed from low to high levels and in different combinations. Results showed that the standard recoater parameters provided by the printer supplier for 316L are also the best choice, with reference to green
density and surface defects, for Ni-free stainless steel (25.4 mm per second and 8 revolutions per second). Typical defects such as bottom cracks are not visible for these recoater parameters (Fig. 7b).
The investigation of layer thickness and printing temperature revealed that the green density is slightly higher for lower printing temperature and higher layer thickness (Fig. 7a). Based on GKN internal experiments:
1. The printing temperature directly affects the infiltration behaviour of the binder agent due to its influence on viscosity and evaporation of the organic-based solvent
2. The coating thickness mainly influences the distance the binder agent must infiltrate and how much binder agent (number of droplets) is being shot into the powder bed
Overall, the impact of the investigated printing parameters on the green density is relatively low. In summary, the Ni-free stainless steel powder material acts in a relatively robust manner with regard to the process changes.
The main sintering parameters and the density and nitrogen measurement results are summarised in Table 4. The challenge in sintering Ni-free stainless steel is balancing sintering (diffusion) and solution of nitrogen (fcc-phase stabilisation). These processes work competitively. High amounts of nitrogen promote the fcc-phase, but the fcc-phase shows a lower diffusion coefficient compared to the bcc-phase. Hence, the results show that a high sinter temperature does not directly lead to a higher density (Table 4, compare sinter run 1 vs. sinter run
5a). The main reason for this is a ‘sweet spot’ between sintering and nitrogen pick up. Also, the sintering atmosphere has a critical impact on the nitrogen content. Hydrogen strongly reduces the nitrogen level after sintering, but typically improves density. Light microscopy images of samples sintered with sinter run 5a are shown in Fig. 8a. With sinter run 5a, the highest density (7.6 g/cm 3), in combination with an adequate nitrogen amount (0.5 to 0.6 wt.%), was achieved. The porosity was still visible with a high number of larger irregular and interconnected pores. Furthermore, the etched crosssections (Fig. 8a) reveal that the microstructure consisted of fcc-phase and a high amount of bcc-phase (i.e., like a ‘Duplex’-steel). Overall, the fccphase is not fully stabilised.
To reduce the remaining porosity, HIP post-processing was carried out. Three main effects were visible in the microstructure after HIP treatment (Fig. 8b). Firstly, the porosity was reduced. This effect is also shown by the Archimedes density measurements (Table 4, sinter run 5b). The reduction of pore size is the main benefit of HIP processing, the remaining pores being small and spherical. This condition was perfect for post-processing, such as polishing. Secondly, the amount of ferrite was reduced and the ferrite islands were less connected. Nevertheless, the microstructure was still not fully austenitic after the HIP process.
Possibilities to increase the fccphase content are to reduce the sintering temperature to enhance
nitrogen solubility, use of a longer holding time at a lower temperature before the sintering soak temperature, and additional heat treatment after sintering. All of these methods help increase the nitrogen pickup, but can decrease the sintering activity due to the absence of the bcc-phase.
Thirdly, precipitates on grain boundaries are dissolved. It is assumed that these precipitates were chromium-nitrides (Cr 2N). The precipitates are removed during the HIP process by dissolving nitrogen into the matrix and stabilising the fcc-phase. Tensile tests carried out indicated that the elongation to fracture was nearly doubled and the ultimate tensile strength and the yield strength were also slightly improved by the HIP treatment (Table 5). These effects are assumed to be caused by the dissolution of the chromium nitrides, increased fcc-phase content and reduced porosity. An advanced microstructural investigation is the subject of further investigation and will be published by this research team in future studies.
The main task for austenitic stainless steels is to provide good resistance against electrochemical corrosion. The Ni-free stainless steel must fulfil this task without nickel to avoid nickel allergy. To
examine the corrosion behaviour, the salt spray test was used. Fig. 9 shows two images of tested tensile samples after the salt spray test. The optical results differ significantly. The as-sintered state shows critical corrosion on the whole surface (Fig. 9a), whereas the HIPed samples show almost no corrosion (Fig. 9b). Some corrosion marks are visible in the fixture area (Fig. 9b), but this could be caused by an electrolyte accumulation in this area. The HIP process significantly improves corrosion resistance. It is assumed that the improved density and the dissolution of chromium nitride are the reasons for this. Pores can cause an electrolyte accumulation and, hence, can cause strong and fast pitting corrosion.
Chromium nitride formation at the grain boundaries leads to a local depletion of chromium,
followed by an insufficient passivation layer on the surface. Without a passivation layer (chromium oxide), the material is not protected against corrosion.
Near surface cross-sections reveal that the surface area (~100 µ m) consists mainly of bcc-phase after HIP processing. Steel grades with mainly bcc-phase have a lower corrosion resistance compared to steels with fcc-phase lattice (austenite). After salt spray testing, this high amount of bcc-phase could be a reason for higher surface activity and the visible discolouration (slight corrosion). During HIP processing, the process gas was argon. This absence of nitrogen at high temperatures causes nitrogen depletion in the near surface areas, which could be reduced by using nitrogen as the process gas during the HIP process.
The authors have concluded that the nickel-free stainless-steel material and BJT process route developed by GKN is a reasonable choice for serial production of wearables or jewellery with constant skin contact to avoid any hypersensitivity reaction due to nickel release. Additionally, the HIPed surface is well-suited for surface finishing operations such as polishing. Further tests with nitrogen as the process gas during the HIP process will be carried out to test if this further improves the corrosion resistance.
Naiara Azurmendi, Asier Lores and Iñigo Agote (TECNALIA, Spain) and Cristina Fernandes and Daniel Figueiredo (PALBIT SA, Portugal) then reported on a study of the Binder Jetting of different hardmetal powders [3].
In recent years, the Additive Manufacturing of cemented carbides has been gaining attention due to the
possibility of fabricating complexshaped parts and new functional designs with reduced lead times. Initially, efforts were concentrated on laser-based AM processes, where the main drawbacks are the limited final density, the presence of microcracks, undesirable phases and brittle complex carbides due to laser-induced overheating. Numerous studies have also been concentrated on sinter-based AM processes. Among such processes, BJT appears to be more promising due to its low-cost, high productivity and fast manufacturing rate that produces stress- and crack-free parts with isotropic properties.
However, the fabrication of good quality WC-Co parts by BJT remains a challenge and further efforts are needed in order to implement this approach. The aim of the reported study was to shed light on the selection of the most suitable commercially-available hardmetal powder for Binder Jetting technology. With this objective, two different plasma spheroidised WC-12%Co powder grades have been extensively characterised and evaluated in terms of printability. In addition, the final properties obtained (density, shrinkage, microstructure and hardness) at different sintering temperatures have been compared and correlated to the starting raw material.
In the presented study, two plasma spheroidised WC-12%Co powder grades provided by Global Tungsten & Powders Corp. (AM WC701 and AM WC702) were used. The graphical particle size distributions (PSD) of the two powders, as well as the main characteristic values, are shown in Fig. 10. Both powder grades show a typical log-normal distribution with an average particle size of about 28 µm (AM WC701 grade) and 21 µm (AM WC702 grade). AM WC702 grade has a wider size distribution and contains a higher amount of fine particles, compared with AM WC701. This is consistent with SEM analysis, where it can be seen that the AM WC701 grade has a narrower PSD (see Fig. 10 a) and b)). Although larger
“In recent years, Additive Manufacturing of cemented carbides has been gaining attention due to the possibility of fabricating complex-shaped parts and new functional designs with reduced lead times.”
granules are fundamental to obtaining a good powder flowability and spreadability during the recoating process, the presence of fine particles tends to increase the packing density of the powder and also affects positively the sintering process. As expected, both grades showed mainly highly spherical granules, together with some elongated ones, as a consequence of the plasma spheroidisation process.
In addition, both powders contained internal porosity, which may induce higher shrinkage during the densification process. In both grades, two different particle types were observed. It was possible to identify granules with coarse WC grain size up to about 8 µ m with visible intragranular porosity. A higher amount of granules with coarse WC grains was detected in the AM WC702 powder grade.
The formation of these coarse WC grains may be inherent in the fabrication process of the powder, where the material is subjected to a thermal plasma spheroidisation process at high temperatures. Particles with a uniform distribution of fine WC grain sizes of about 0.5-1.5 µ m were also observed. In contrast to the AM WC701 grade powder, in the AM WC702 powder a few small particles with W 2C columnar grains were detected. The differences in WC grain sizes and the presence of W 2C particles suggest that the plasma spheroidisation process parameters may be different for the two powders.
Both grades displayed excellent flowability behaviour, according to the calculated Hausner ratio (Table 6). In contrast, AM WC702 had higher apparent and tap densities, which may benefit the powder bed density in the printing process and decrease subsequent shrinkage during the sintering process.
The measured cohesive indices (Fig. 11) ranked both powders as ‘fair’ in all the different tested rotating speeds, indicating their suitability for the Binder Jetting process. Despite the presence of a higher amount of fine particles in the AM WC702 grade, both powders displayed very similar cohesive behaviour.
For each powder grade, thirty-two samples (10 x 10 x 5 mm) were binder jetted using a water-based binder. A layer thickness of 50 µ m and a binder saturation level of 80% were used to print the parts. Curing was performed at 200°C for 4h to eliminate the binder solvents and solidify the polymeric network. The densities of the as-built green samples were measured geometrically, using a digital calliper and a high precision balance. Both powders showed very good spreadability during the BJT process and the samples obtained had a very good appearance without any visual defect. Measured green part dimensions, as well as green density results, are presented in Table 7.
The build process was shown to be highly repeatable and reliable, as demonstrated by the low standard deviations of the green density and dimensions obtained from measuring thirty-two samples. Parts printed with AM WC702 grade had higher green density (2 points higher), which is consistent with the higher packing
density results obtained in the powder characterisation step.
Green samples were then sintered in a sinter-HIP furnace under 30 bar pressure and a holding time of 1h at two different temperatures: 1455°C and 1480°C, with a previous debinding ramp from 150°C to 550°C at 3°C/min
followed by a dwell time of 450 min under a hydrogen atmosphere.
Measured densities as well as calculated shrinkages for both powder grades at the different sintering temperatures are gathered in Table 8. The highest density was achieved with the AM WC702 grade at 1455°C, where near full density was obtained. An increase of the sintering temperature with the AM WC702 grade did not induce higher densification and promoted the appearance of undesired free carbon in the microstructure. For the AM WC701 grade, the best results were obtained at 1480°C, but still some remaining porosity was observed. With regard to shrinkages, as expected, higher shrinkages were observed with AM WC701 at 1480 (25% in X, 24.4% in Y and 25.5% in Z directions), as compared with AM WC702 at 1455°C (23.7%X, 23%Y and 24.4%Z directions).
As can be observed in Fig. 12, samples built with both powders showed bimodal distributions of WC grain size, this being strongly linked to the dual distribution observed in the WC grain sizes of the raw materials. Two clearly differentiated areas could be observed in the microstructure: fine-grained areas and the coarse-grained areas (Fig. 12C). In addition, it could be observed that the samples obtained with AM WC702 contained more coarse-grained clusters than samples obtained with AM WC701 powder, consistent with the microstructural analysis results of the powders, where higher amounts of coarse-grained WC granules were observed in the AM WC702 powder.
In the AM WC702-1455 sample, the coarse grains had an average
grain size about 4-6 µ m (the coarser grains approach about 20 µ m) (Fig. 13A) while the carbides in the finegrained area are in the range of 0.5-2 µ m (Fig. 13B).
Calculated average grain sizes, together with Vickers hardness data, from the various samples are collected in Table 9. Note that the presence of abnormal grain growth was not included in the grain size measurement. The highest hardness value with the lowest standard deviation of 1227±4 HV30 was measured for AM WC702 sample sintered at 1455°C, which is similar to the hardness value (~1250 HV30) obtained for a standard composition WC-12%Co with a fine/medium grain size. AM WC701 samples showed higher deviations due to the remaining higher porosity observed in the samples. With regard to grain size, as can be observed from the values in the table, the increase in sintering temperature from 1455 to 1480°C promotes grain growth of WC carbide grains.
Finally, Oriane Baulin, Christophe Reynaud and Simon Robbe (CETIM, Framce) described the development of a hybrid route, comprising BJT and Spark Plasma Sintering (SPS), for the processing of metallic glasses [4].
All beam-based AM techniques, assessed for the processing of metallic glasses, needed a machining step to produce final parts, which can be costly and difficult for these materials. With SPS, only simple geometries can be obtained, such as cylinders, for example. There is no available solution to build dense and fully amorphous parts, with complex geometry. Therefore, it was proposed that Binder Jetting could be a promising process to obtain complex geometry and fully amorphous parts, which avoids a machining step.
Combined with SPS, this could be an interesting route for the manufacture of fully dense complex metallic glass parts.
This work presented described the optimisation conducted to process final parts without machining, using BJT for forming and SPS as the densification step. The interactions with carbon residues, coming from the printing step of BJT, have also been highlighted and discussed.
The greatest challenges in this work were:
• Determining if the wettability of the amorphous powder is sufficient to print high resolution parts
• Setting the debinding parameters to remove carbon residues as far as possible, keeping the amorphous character and avoiding crystallisation
• Obtaining amorphous fully dense parts with AMLOY-ZR01 using SPS
• Densifying the samples while keeping the amorphous character of the built parts
The amorphous powder used during this project was the Heraeus grade AMLOY-ZR01, with a particle size distribution between 15 and 45 µ m. The chemical composition of this alloy was 70 wt.% Zr, 24 wt.% Cu, 4 wt.% Al, 2 wt.% Nb.
In the BJT process development, after printing, the debinding step was conducted using an air muffle furnace and the pre-sintering process using a vacuum/controlled atmosphere furnace.
The subsequent SPS sintering process employed was as shown in Fig. 14 with Ts (the sintering temperature) being 410°C and ts (the sintering time) being 5 min.
In the BJT process development, a first step to evaluate the interaction between the binder and the amorphous powder was carried out. This consisted of placing a drop of
binder on the powder and measuring the time taken to observe the full penetration of the binder into the powder bed. Using a micropipette to calibrate the drops of C20 binder (~0.1 ml), these were deposited onto the AMLOY-ZR01 powder. The same experiment was carried out with 316L powder to compare the time taken for absorption. During these experiments, it appeared that the time for the binder to penetrate the powder was similar for the two powders, indicating that the BJT behaviour would probably be similar and the process parameters for 316L steel BJT could be applied for the metallic glass powder.
The powder was sieved at 45 µm and steamed before the experiments at 80°C for 24 h in air. Then, several BJT tests were carried out, modifying the ‘dark factor’. The dark factor parameter can be considered as a binder saturation level. It is not directly controlled by adjusting the droplet volume, but by adjusting the pattern in which binder is printed onto the powder bed. The printing pattern can be schematised as a chess grid, for which the black cells correspond to the area where ink is deposited. Increasing the dark factor means increasing the number of black cells. A dark factor equal to 3 is typically used for standard
materials, such as stainless steels. In the reported experiments, one job was printed with a factor of 3 and another with a factor of 5. The layer thickness was set to 60 µ m. The configuration using sieved powder and a dark factor equal to 5 gave the best results in terms of mechanical strength of the green parts and the part definition.
The parts obtained from these jobs, after the depowdering and curing stage (carried out at a temperature of 200°C in air), are shown in Fig. 15. The curing hardened the parts to allow the manual depowdering to proceed. A comparison has been made with the 17-4PH steel grade, to evaluate the definition of the parts against a well-known material in BJT.
Several different sample types were produced: cylinders, medallions to assess the resolution of the parts and demonstrators used to evaluate the geometric capability. It appeared that the resolution limit was around 0.5 to 0.6 mm and the definition of the parts was very good. Dimensional checks with a digital microscope were also carried out and no signifi -
“The dark factor parameter can be considered as a binder saturation level. It is not directly controlled by adjusting the droplet volume, but by adjusting the pattern in which binder is printed onto the powder bed.”
cant differences were apparent, in relation to the printing orientation.
The cylinders were used to measure the green density of the parts from the two jobs through dimensional measurements. The green density was evaluated as an average of the green density measured on 13 parts per job. The results give the following results: 51.5 % as green density for job with dark factor 3 and 52.7% as the green density for the dark factor 5.
In the debinding studies, a first step was carried out according to the classic recipe used for steels: under air with a heating ramp of 20 min from ambient temperature to 345°C. Then, an isothermal step at 345°C for 2h was applied. With this thermal cycle, the parts completely exploded and were fully oxidised.
Therefore, a second study was carried out with a lower heating rate to avoid cracking of the part, about one hour to reach the thermal step temperature of 345°C, under argon gas, and the isothermal step at 345°C for 2h, also with an argon atmosphere.
XRD analysis was conducted to investigate the influence of the curing step and debinding step on the amorphous character of the material. According to the results presented in Fig. 16, it appeared that no sign of crystallisation was identified, meaning that the samples were still amorphous at this stage.
In the sintering studies, a first densification step was conducted after the debinding step, at 400°C for 1 min with a 3°C/min-ramp. This temperature was tested, on the basis of previously published work. The samples showed the first signs of consolidation but no real sintered state and a very low mechanical strength.
A second sintering step of 10 min was then applied, improving slightly the mechanical strength but not significantly, and a last one at 430°C for 16 min.
XRD measurements were made to observe if crystallisation occurred for these conditions. The results of this analysis are presented in Fig. 17. The
mechanical strength of the sample sintered at 430°C for 16 min was still poor but, according to Fig. 17, crystallisation had occurred, meaning that neither time nor temperature could be increased.
Raw
Dark 3 - After debinding
CuZr 2
These results demonstrated that no densification could be generated in the sintering furnace with this material and binder. Only a presintered state could be obtained, as the temperature could not be
Dark 3 Sintering 430°C-16 min
Dark 5
Sintering 430°C-16 min
Dark 5 - After sintering 400°C-10 min
Dark 3 - After sintering 400°C-1 min
30 30 40 40 50 50 60 60 70 70 2 θ (°) 2 θ (°) Intensity (a.u.) Intensity (a.u.) Binder Jetting at World PM2022
increased due to the crystallisation observed at 430°C.
SPS studies were therefore carried out. To determine the operating point of the process for this alloy, it was necessary to perform parametric optimisation on the raw powder. The first conducted experiment comprised the application of a temperature ramp in order to evaluate the end of sintering. During the SPS experiment, it was possible to determine the end of sintering using the displacement of the plunger. During the sintering step, the displacement of the plunger evolves as the density of the sample increases. At the end of sintering, the plunger no longer moves. This point was obtained at 410°C. The temperature was raised further to 460°C and a mould break was noted at a temperature around 435°C, probably due to an exothermal reaction associated with the crystallisation of the sample.
A final test was conducted at 410°C for 5 min at 100 MPa. Density measurement showed that density of the sample, at 6.68, corresponded to the theoretical maximum density of the material. Image analysis of crosssections of the material processed
under these conditions showed the porosity content to be 0.37% in the worst areas. The observed pores were very fine and exhibited a spherical shape.
Hardness measurements were also made, using a load of 30 kg, and gave 467 HV, which is a little lower than expected and than announced by the material supplier (480 HV5). No crack appeared during the indentation, indicating a good plasticity of the sample. XRD measurements confirmed that no crystallisation had occurred.
The same SPS parameters –410°C, 100 MPa and 5 min – were applied on BJT samples pre-sintered at 400°C for 10 min in an argon atmosphere. Similar behaviour in sintering as for the raw powder was obtained.
A heating step up to a temperature of 460°C was applied to the sample to evaluate the end of the sintering and compare potential differences between raw powders and presintered BJT samples. The end of sintering was apparent at 420°C for the pre-sintered BJT sample, as opposed to 410°C for the raw powder. Full density seems to be more difficult to achieve for pre-sintered
samples. Heating was continued to 460°C and no break of the mould was observed. This difference can be explained by the step of pre-sintering inducing structural relaxation. Even if the end of sintering was observed, the mechanical strength of the final sample was still very low and crystallisation was highlighted by XRD measurements.
Two explanations have been proposed in relation to the change of the operating point of SPS: firstly, the presence of carbon residues and secondly, the first thermal applied cycle which corresponds to the debinding step. Carbon measurements were carried out on the samples with a dark factor 3 and a dark factor 5, after the sintering furnace cycle. The carbon measurements indicated 0.1082% and 0.1586% respectively, consistent with the dark factor setting.
Further investigations were carried out using DSC experiments in order to evaluate a potential change in the thermal stability. The results of the DSC experiments are listed in Table 10.
The pre-sintered samples exhibited lower crystallisation temperatures and lower thermal stability as the crystallisation occurred before the isothermal step. Two factors could explain this difference: firstly, a thermal cycle had already been applied to these samples and, secondly, carbon residues were still contained in the samples. To highlight which factor had the greater impact, an enhanced debinding step was applied in processing samples for 5 h at 350°C. The purpose of this was to eliminate a higher quantity of residues and to observe a potential decrease of the thermal stability as the time to process the sample was higher. The tests with enhanced debinding were carried out on the job 2 sample (dark factor 5, higher carbon content). The results, in terms of carbon content measurements after the debinding, was 0.1063%, instead of 0.1586 % for the 2 h debinding, thus proving the beneficial influence of the enhanced debinding.
“The pre-sintered samples exhibited lower crystallisation temperatures and lower thermal stability as the crystallisation occurred before the isothermal step.”
New DSC experiments were conducted to establish the thermal stability of the sample. It appears that the thermal stability was similar to the previous samples, meaning that the influence of the structural relaxation induced by the debinding step is less relevant than the presence of carbon residues.
In conclusion, the successes arising from the reported study were highlighted:
• Firstly, fully dense, amorphous samples with simple geometry have been processed using raw powder and SPS only
• Secondly, the proper parameters for the printing in BJT for AMLOY- ZR01 powder have been determined to obtain parts with high resolution: steaming conditions, printing parameters, binder deposition, curing step
• After a few trials and, as expected, the densification cannot be achieved with only BJT. A pre-sintering step with BJT process was combined with SPS to generate fully dense parts. This point is still in progress as the carbon residues prevent a good mechanical strength in the parts and the crystallisation resistance of the pre-sintered samples is lower
On the basis of these results, several avenues of further study can be defined. For example, in relation to the enhanced debinding cycle which contributes to a delay in crystallisation, the proper conditions, time and temperature, need to be fully defined. A change of binder to one with better deterioration at low temperature could also be studied.
The alloy composition is also a key feature for future study; using a more stable composition could be a good option to investigate hybrid densification processes.
The next step of the development will be to adjust the process
to complex parts in SPS, in order to densify and produce complex geometries with this hybrid technique.
Dr David Whittaker
Tel: +44 1902 338498 whittakerd4@gmail.com
[1] Matteo Zanon, Kymera International, USA matteo.zanon@kymerainternational. com
[2] Lennart Hecker, GKN Sinter Metals GmbH, Germany
lennart.hecker@gknpm.com
[3] Naiara Azurmendi, TECNALIA, Spain
naiara.azurmendi@tecnalia.com
[4] Oriane Baulin, Centre Technique des Industries Mécaniques (CETIM), France
oriane.baulin@cetim.fr
[1] Metal Binder-Jetting of Aluminium-Based Alloys, Matteo Zanon et al. As presented at the World PM2022 Congress, October 9–13, 2022, and published in the proceedings by the European Powder Metallurgy Association (EPMA)
[2] Investigation Of Printing, Sintering, And HIP-processing Of Nickel-Free Stainless-Steel For Binder Jetting, Lennart Hecker et al As presented at the World PM2022 Congress, October 9–13, 2022, and published in the proceedings by the European Powder Metallurgy Association (EPMA)
[3] Binder Jetting Of Hardmetals: A Comparative Study Of Microstructures And Properties Of Different Commercial Powders, Naiara Azurmendi et al. As presented at the World PM2022 Congress, October 9–13, 2022, and published in the proceedings by the European Powder Metallurgy Association (EPMA)
[4] Development Of Metallic Glasses Through Hybrid Sintering Processes: Metal Binder Jetting (BJT) & Spark Plasma Sintering (SPS), Oriane Baulin et al. As presented at the World PM2022 Congress, October 9–13, 2022, and published in the proceedings by the European Powder Metallurgy Association (EPMA)
The full proceedings of the World PM2022 Congress are available to purchase from the European Powder Metallurgy Association. www.epma.com
www.twitter.com/PIMMagazine
www.linkedin.com/company/ piminternationalmagazine/
As the usage patterns of PIM International magazine’s audience develop and change, we have expanded our social media activities, enabling us to connect with our global audience on multiple levels.
COMMUNICATIONS INOVAR
PIM International is the only business-to-business publication dedicated to reporting on the technical and commercial advances in the MIM, CIM, and sinter-based Additive Manufacturing industries. Available in both digital and print formats, PIM International is the perfect platform to promote your company to a global audience.
PIM International is the only business-to-business publication dedicated to reporting on the technical and commercial advances in the MIM, CIM, and sinter-based metal Additive Manufacturing industries. Available in both digital and print formats, PIM International is the perfect platform to promote your company to a global audience.
For more information contact Jon Craxford, Advertising Sales Director Tel: +44 207 1939 749 jon@inovar-communications.com
The PIM International newsletter is sent to several thousand industry professionals worldwide. Register today to ensure you benefit from reading the latest industry news and advances in Metal Injection Moulding and Ceramic Injection Moulding technology.
E-newsletter subscribers also benefit from a free digital subscription to PIM International magazine. As soon as each new issue is available we’ll send you an email containing a direct link to our digital edition.
PIM International is dedicated to driving awareness and development of the MIM, CIM and sinter-based AM industries and their related technologies. Key to this aim is our support of a range of international partner conferences. View our complete events listing on www.pim-international.com
ImplementAM 2023 – Los Angels
April 20, 2023
Los Angels, CA, USA https://implement-am.com
Hannover Messe 2023
April 17–21, 2023
Hannover, Germany www.hannovermesse.de
Ceramics Expo 2023
May 1–3, 2023
Novi, MI, USA www.ceramicsexpousa.com
RAPID + TCT
May 2–4, 2023
Chicago, IL, USA www.rapid3devent.com
ImplementAM 2023 – Seattle / Tacoma
May 18, 2023
Tacoma, WA, USA www.implement-am.com
PM China 2023
May 31–June 2, 2023
Shanghai, China en.pmexchina.com
EPHJ – The World of High Precision
June 6–9, 2023
Geneva, Switzerland https://ephj.ch/en/
If you would like to see your CIM, MIM or sinter-based AM related event listed in this magazine and on our websites, please contact Jo Sheffield: jo@inovar-communications.com
World Titanium Conference 2023 (Ti-2023)
June 12–16, 2023
Edinburgh, Scotland www.iom3.org/events-awards/ world-titanium-conference-2023
PowderMet2023 / AMPM2023
June 18–21, 2023
Las Vegas, NV, USA
www.powdermet2023.org / www.ampm2023.org
ImplementAM 2023 – Boston
June 22, 2023
Boston, MA, USA www.implement-am.com
MAPP Second International Conference
June 28–29, 2023 Sheffield, UK www.mapp.ac.uk/events/ mapp-2nd-international-conference
EPMA Powder Metallurgy Summer School
July 17–21, 2023
Dresden, Germany www.summerschool.epma.com
ImplementAM 2023 – Charlotte
July 20, 2023
Charlotte, NC, USA www.implement-am.com
Formnext + PM South China
August 27–31, 2023 Shenzhen, China www.formnext-pm.com
EMO Hannover 2023
September 18–23, 2023 Hannover, Germany www.deutschemesse.co.uk/emo
Euro PM2023
October 1–4, 2023 Lisbon, Portugal www.europm2023.com
Formnext
November 7–10, 2023 Frankfurt, Germany www.formnext.com
2024
World PM2024
October 13–17, 2024
Yokohama, Japan www.worldpm2024.com
100 years of the Hehl family company. Out of which came around 70 years of ARBURG. This is the perfect mix for a plastics technology manufacturer that is now a global leader and has been successful on the market for many years. What does it take? Tradition, motivation, innovation and the right employees. That was true then. And remains true today. Here‘s to the next 100 years!
www.arburg.com/info/pim